Поиск подшипника
Статьи
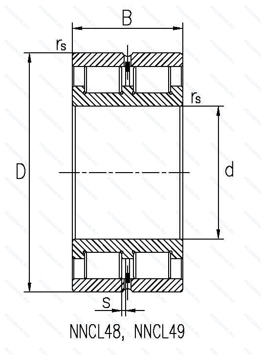
NNCL4920-V-C3 — Подшипник роликовый цилиндрический двухрядный, модификация основного исполнения NNCL4920, выпускается производителями: FAG, NKE.
Размер подшипника: 100x140x40 мм.
Внутренний зазор больше нормального, подшипник без сепаратора. с полным комплектом тел качения.
Альтернативное обозначение: SL02-4920A C3, SL024920-A-C3.
Аналоги: SL024920-A-C3 INA,NNCL4920-V-C3 NKE,NNCL4920V.C3 NKE.
Международная стандартизации ISO
NNCL4920VC3
В наличии
| Обозначение | Конструктивные изменения |
|---|---|
| NNCL4920-V | Бессепараторный подшипник. |
Модификации цилиндрического роликового подшипника NNCL4920-V-C3 — это измененное основное конструктивное исполнение NNCL4920, основные размеры (100x140x40) не отличаются.
| Обозначение | Гост | Конструктивные особенности |
|---|---|---|
| NNU4920S.M.SP.C3 | ISO | Канавка для смазки и три отверстия во внешнем кольце подшипника. Внутренний зазор больше нормального. Латунный сепаратор. Центрированный по роликам. Точность размеров примерно соответствует классу точности Р5. биения — классу точности Р4. |
| SL014920-A-2S | ISO | Особенность внутренней конструкции. Bearings Matched In Set Of Two For Side-By-Side Mounting. |
| SL014920-IS3-A | ISO | Особенность внутренней конструкции. |
| SL014920-A-C5 | ISO | Особенность внутренней конструкции. Внутренний зазор подшипника больше. чем С4. |
| NNU4920MBE44CC1P4 | ISO | Механически обработанный латунный сепаратор. клёпаный. центрируемый по внутреннему кольцу. Точность размеров и хода по классу точности 4 по ISO (более точная. чем P5) - Abec7. Для невзаимозаменяемых цилиндрических роликоподшипников. Зазор менее СС2. Наружное кольцо с обработанной смазочной канавкой и отверстиями (только для двурядных). |
| RS-4920E4S5 | ISO | Канавка для смазки и три отверстия во внешнем кольце подшипника. Surface Protection. Phosphatized. |
| SL014920-A | ISO | Особенность внутренней конструкции. |
| NNU4920-S-K-M-UP | ISO | Канавка для смазки и три отверстия во внешнем кольце подшипника. Коническое отверстие. конус 1/12. Латунный сепаратор. Центрированный по роликам. Специальный класс допуска для подшипников шпинделя станков точность размеров приблизительно соответствует классу допуска ISO 4. а точность хода лучше. чем класс ISO 4. |
| NNC4920-V-C3 | ISO | Внутренний зазор больше нормального. Подшипник без сепаратора. С полным комплектом тел качения. |
| NNU4920-S-K-M-SP-C2 | ISO | Канавка для смазки и три отверстия во внешнем кольце подшипника. Коническое отверстие. конус 1/12. Внутренний зазор подшипника меньше нормального. Латунный сепаратор. Центрированный по роликам. Точность размеров примерно соответствует классу точности Р5. биения — классу точности Р4. |
| NNU4920BK/SPC2W33 | ISO | Канавка для смазки и три отверстия во внешнем кольце подшипника. Внутренний зазор подшипника меньше нормального. Точность размеров примерно соответствует классу точности Р5. биения — классу точности Р4. Игольчатый роликовый подшипник со штампованным наружным кольцом с закрытым торцом. |
| NNU4920BK/SP/W33/C2 | ISO | Канавка для смазки и три отверстия во внешнем кольце подшипника. Внутренний зазор подшипника меньше нормального. Точность размеров примерно соответствует классу точности Р5. биения — классу точности Р4. Игольчатый роликовый подшипник со штампованным наружным кольцом с закрытым торцом. |
| SL02-4920A | ISO | Особенность внутренней конструкции. |
| NNU4920-S-M-SP-C2 | ISO | Канавка для смазки и три отверстия во внешнем кольце подшипника. Внутренний зазор подшипника меньше нормального. Латунный сепаратор. Центрированный по роликам. Точность размеров примерно соответствует классу точности Р5. биения — классу точности Р4. |
| SL01-4920A C3 | ISO | Внутренний зазор больше нормального. Особенность внутренней конструкции. |
| NNU4920KM NA P41 | ISO | Нет особого значения для цилиндрического подшипника. Combination Of P4 (Dimensional & Running Accuracy To ISO Tolerance Class 4 (More Accurate Than P5)-Abec.7) And C1 (Radial Clearance And Reduced Levels Of Vibration). Type Of Model. |
| SL18-4920A | ISO | Особенность внутренней конструкции. |
| NNCF4920V.C3 | ISO | Внутренний зазор больше нормального. Подшипник без сепаратора. С полным комплектом тел качения. |
| 319114/W33 | ISO | Канавка для смазки и три отверстия во внешнем кольце подшипника. |
| NNU4920MBKRE2CC2P4 | ISO | Обработанный латунный сепаратор. Центрированное внутреннее кольцо. Наружное кольцо доступно со стандартными смазочными отверстиями и канавками. Класс точности Р4 по ISO (точнее. чем P5) - Abec.7. Коническое отверстие. C2 Matched Clearance Of Cylindrical Roller Bearing. |
Аналог цилиндрического роликового подшипника NNCL4920-V-C3 — это подшипник такого же размера dx100,Dx140,Bx40, типа и конструкции.
| Обозначение | Конструктивные особенности | Внутренний (d) | Наружный (D) | Ширина (B) |
|---|---|---|---|---|
| 71920 C-UD | Шариковый радиально-упорный двухрядный подшипник. 15° Угол контакта. | 100.00 | 140.00 | 40.00 |
| 71920 C-UO | Шариковый радиально-упорный двухрядный подшипник. 15° Угол контакта. Универсальный монтаж. Для установки по O- и X- образной схеме - беззазорные.. | 100.00 | 140.00 | 40.00 |
| 71920 C-UX | Шариковый радиально-упорный двухрядный подшипник. 15° Угол контакта. Универсальный монтаж, сверхлегкая предварительная нагрузка.. | 100.00 | 140.00 | 40.00 |
| 71920 CDF | Шариковый радиально-упорный двухрядный подшипник. Механически обработанный сепаратор из стали или специального чугуна. Однорядный радиально-упорный шарикоподшипник улучшенной конструкции с углом контакта 15°. | 100.00 | 140.00 | 40.00 |
| 71920 CDB | Шариковый радиально-упорный двухрядный подшипник. Однорядный радиально-упорный шарикоподшипник улучшенной конструкции с углом контакта 15°. | 100.00 | 140.00 | 40.00 |
| 71920 CDT | Шариковый радиально-упорный двухрядный подшипник. Механически обработанный сепаратор из текстолита. Однорядный радиально-упорный шарикоподшипник улучшенной конструкции с углом контакта 15°. | 100.00 | 140.00 | 40.00 |
| 1Т-1236920 К | Шариковый радиально-упорный сдвоенный подшипник. «Замок» (скос) на внутреннем кольце плюс массивный сепаратор из текстолита. | 100.00 | 140.00 | 40.00 |
| 22-1236920 К6Е | Шариковый радиально-упорный сдвоенный подшипник. Сепаратор из текстолита.. «Замок» (скос) на внутреннем кольце. | 100.00 | 140.00 | 40.00 |
| 12-1236920-E | Шариковый радиально-упорный сдвоенный подшипник. Повышенная грузоподъемность. | 100.00 | 140.00 | 40.00 |
| 12-1236920-К | Шариковый радиально-упорный сдвоенный подшипник. «Замок» (скос) на внутреннем кольце плюс массивный сепаратор из текстолита. | 100.00 | 140.00 | 40.00 |
| 1236920-К6Е | Шариковый радиально-упорный сдвоенный подшипник. Сепаратор из текстолита.. «Замок» (скос) на внутреннем кольце. | 100.00 | 140.00 | 40.00 |
| NA4920TT | Роликовый игольчатый подшипник однорядный. Комплект из трех согласованных однорядных радиально-упорных шарикоподшипников или радиально-упорных шарикоподшипников, расположенных тандемно. | 100.00 | 140.00 | 41.00 |
| 4074920-К | Роликовый радиальный однорядный подшипник. Кольцевая проточка на середине цилиндрической наружной поверхности наружного кольца плюс три отверстия для смазки. | 100.00 | 140.00 | 40.00 |
| 4162920-КЛ | Роликовый радиальный четырехрядный подшипник. Сепаратор из латуни.. | 100.00 | 140.00 | 40.00 |
| 54-4162920 Л | Роликовый радиальный двухрядный подшипник. Сепаратор из латуни.. | 100.00 | 140.00 | 40.00 |
Способы доставки
Отправка через ведущие транспортные и курьерские компании: ПЭК, Деловые Линии, СДЭК, Байкал-Сервис, Энергия, КИТ, ЖелДорЭкспедиция.
Самовывоз возможен напрямую со склада в Москве.
Сроки доставки
Срок зависит от региона и выбранной транспортной компании. Все заказы комплектуются и отправляются в кратчайшие сроки со склада в Москве.
Надёжность и сохранность
Вся продукция упаковывается с учётом требований транспортировки. Мы гарантируем, что подшипники и комплектующие прибудут к заказчику в полной сохранности.
Доставка в страны ЕАЭС
Мы работаем с проверенными логистическими партнёрами, что позволяет оперативно доставлять заказы в Беларусь, Казахстан, Армению и другие страны ЕАЭС.
Варианты оплаты:
Минимальная сумма заказа и скидки:
Документы и гарантии:
Да, конечно! Наши технические специалисты готовы помочь вам с подбором точного аналога или замены подшипника. Просто позвоните нам по телефону +7 (495) 104-99-04 или напишите на почту zakaz@podsnab.ru.
Для оперативной консультации подготовьте, пожалуйста, имеющиеся данные: маркировку, размеры, тип оборудования или артикул старого подшипника.
Да, конечно! Мы высоко ценим долгосрочное сотрудничество и доверие клиентов по всей России. Для постоянных клиентов действует персональная система скидок.
Условия формируются индивидуально и зависят от:
Чтобы узнать свои условия и получить максимально выгодное предложение, свяжитесь с персональным менеджером или напишите нам на почту zakaz@podsnab.ru.
Вы можете оформить заказ несколькими способами:
Для оформления заказа от юридического лица свяжитесь с нашим отделом по работе с корпоративными клиентами по телефону +7 (495) 104-99-04 или напишите на email zakaz@podsnab.ru, прикрепив реквизиты вашей организации.
Мы оперативно подготовим коммерческое предложение и выставим счет.
Возврат товара надлежащего качества возможен в течение 10 дней с момента получения, если товар не был в употреблении, сохранен товарный вид, упаковка не вскрывалась и присутствуют все сопроводительные документы.
Возврат денежных средств осуществляется в течение 10 рабочих дней после проверки товара складом.
В соответствии с законодательством возврату не подлежат подшипники надлежащего качества, если отсутствует оригинальная упаковка или имеются следы монтажа.
В случае выявления брака или гарантийного случая мы гарантируем возврат или обмен товара.
Да, гарантийный срок хранения устанавливается заводом-изготовителем и в среднем составляет 2 года при соблюдении условий хранения: сухое помещение, оригинальная упаковка и смазка.
Точный срок для конкретного типа подшипника уточняйте у наших менеджеров.
Пн–Пт: с 8:00 до 17:00 (МСК).
Сб–Вс: выходные дни.
Заказы на сайте принимаются круглосуточно. Заявки, поступившие после окончания рабочего дня, обрабатываются на следующий рабочий день.
Минимальная сумма заказа для доставки составляет 3000 рублей. Самовывоз со склада возможен на любую сумму при наличии товара.
ООО «УралТехГрупп»
ИНН: 7415093830
КПП: 772401001
ОГРН: 1167456069021
Банк: ПАО Сбербанк
Р/с: 40702810838000475273
К/с: 30101810400000000225
БИК: 044525225
У подшипника NNCL4920-V-C3 пока нет отзывов. Вы можете стать первым покупателем, поделившимся своим мнением.