Поиск подшипника
Статьи
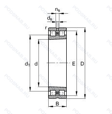
NN3006-AS-K-M-SP — Подшипник роликовый цилиндрический двухрядный, модификация основного исполнения NN3006, выпускается производителями: FAG, INA.
Размер подшипника: 30x55x19 мм.
Двухрядный цилиндрический роликоподшипник, подшипник супер точный, смазка aeroshell 7. диапазон от –10°c до 110°c, коническое отверстие. конус 1/12, латунный сепаратор. центрированный по роликам.
Аналоги: NN3006ASK.M.SP FAG.
Международная стандартизации ISO
NN3006ASKMSP
В наличии
| Обозначение | Конструктивные изменения |
|---|---|
| NN3006K | Коническое внутреннее отверстие. Двухрядный цилиндрический роликовый подшипник. |
| NN3006K.M.SP | Коническое отверстие. конус 1/12. Латунный сепаратор. Центрированный по роликам. Подшипник супер точный. |
| NN3006SK.M.SP | Кулачковый толкатель штифтового типа. С шестигранной головкой. Латунный сепаратор. Центрированный по роликам. Точность размеров примерно соответствует классу точности Р5. биения — классу точности Р4. |
| NN3006KM P52 | Combination of P5 (Dimensional And Running Accuracy To ISO Tolerance Class 5.) And C2 (Bearing Internal Clearance Smaller Than Normal). Type Of Model. |
| NN3006K P5 | Коническое отверстие. Конусность 1/12. Размерная и рабочая точность соответствует классу допуска ISO 5. |
| NN3006/SP | Точность размеров примерно соответствует классу точности Р5. биения — классу точности Р4. |
| NN3006KTN/SP | Коническое отверстие. конус 1/12. Пластиковый сепаратор. отлитый под давлением. Альтернативные конструкции и/или материалы обозначаются добавленной цифрой. Точность размеров примерно соответствует классу точности Р5. биения — классу точности Р4. Двухрядный цилиндрический роликовый подшипник. |
| NN3006K CC1 P4 | Коническое отверстие. конус 1/12. Точность размеров и хода по классу точности 4 по ISO (более точная. чем P5) - Abec7. Для невзаимозаменяемых цилиндрических роликоподшипников. Зазор менее СС2. |
| NN3006K MB E4 CC1 P4 | Коническое отверстие. конус 1/12. Канавка для смазки и три отверстия во внешнем кольце подшипника. Механически обработанный латунный сепаратор. клёпаный. центрируемый по внутреннему кольцу. Точность размеров и хода по классу точности 4 по ISO (более точная. чем P5) - Abec7. Для невзаимозаменяемых цилиндрических роликоподшипников. Зазор менее СС2. |
| NN3006KCC1P5 | Коническое отверстие. конус 1/12. Размерная и рабочая точность соответствует классу допуска ISO 5. Для невзаимозаменяемых цилиндрических роликоподшипников. Зазор менее СС2. |
| NN3006K C1NA P4 | Коническое отверстие. конус 1/12. Класс точности ISO P4. Неизменяемый радиальный внутренний зазор для цилиндрического роликоподшипника. |
| NN3006C1NAP4 | Радиальный зазор меньше. чем C2. Нет особого значения для цилиндрического подшипника. Класс точности 4. |
| NN3006MBKRE44CC1P4 | Обработанный латунный сепаратор. Центрированное внутреннее кольцо. Класс точности Р4 по ISO (точнее. чем P5) - Abec.7. Коническое отверстие. Для невзаимозаменяемых цилиндрических роликоподшипников. Зазор менее СС2. Наружное кольцо с обработанной смазочной канавкой и отверстиями (только для двурядных). |
| NN3006KP51W33KLF-ZVL | Канавка для смазки и три отверстия во внешнем кольце подшипника. Коническое отверстие. конус 1/12. Комбинация P5 и C1. Радиальный зазор и сниженный уровень вибрации. |
| NN3006-D-K-TVP-SP-XL | Подшипники с модифицированной внутренней конструкцией и суффиксом D не имеют смазочного отверстия или смазочной канавки в стандартной комплектации. Коническое отверстие. конус 1/12. Серия X-Life премиум-класс. увеличиный срок службы. Формованный полиамидный сепаратор оконного типа. Роликовые тела качения. Подшипник супер точный. |
| NN3006KC1NAP5 | Коническое отверстие. конус 1/12. ISO Precision class P5. Неизменяемый радиальный внутренний зазор для цилиндрического роликоподшипника. |
| NN3006M2 K C9NA P4 | Коническое отверстие. конус 1/12. Класс точности Р4 по ISO (точнее. чем P5) - Abec.7. Латунный сепаратор из двух частей с механической обработкой. Non-Interchangeable Clearance (Tapered Bore). |
| NN3006 | Канавка под стопорное кольцо на наружном кольце подшипника. Двухрядный цилиндрический роликовый подшипник. Основное конструктивное исполнение. |
| NN3006K P41 | Коническое отверстие. конус 1/12. Combination Of P4 (Dimensional & Running Accuracy To ISO Tolerance Class 4 (More Accurate Than P5)-Abec.7) And C1. Radial Clearance And Reduced Levels Of Vibration. |
| NN3006K C1 NA | Коническое отверстие. конус 1/12. Радиальный зазор меньше. чем C2. Radial Clearance For Tapered Bores. |
| NN3006AS.M.SP | Латунный сепаратор. Центрированный по роликам. Подшипник супер точный. Смазка Aeroshell 7. Диапазон от –10°C до 110°C.. |
| NN3006CC1 P5 | Размерная и рабочая точность соответствует классу допуска ISO 5. Для невзаимозаменяемых цилиндрических роликоподшипников. Зазор менее СС2. |
| NN3006-D-TVP-SP-XL | Подшипники с модифицированной внутренней конструкцией и суффиксом D не имеют смазочного отверстия или смазочной канавки в стандартной комплектации. Серия X-Life премиум-класс. увеличиный срок службы. Формованный полиамидный сепаратор оконного типа. Роликовые тела качения. Подшипник супер точный. |
| NN3006TB | Textite (Fabric-Reinforced Phenolic Resin) Cage Guided On The Inner Ring. |
| NN3006MB | сепаратор из латуни. центрированный по внутреннему кольцу. |
Модификации цилиндрического роликового подшипника NN3006-AS-K-M-SP — это измененное основное конструктивное исполнение NN3006, основные размеры (30x55x19) не отличаются.
| Обозначение | Конструктивные особенности | Внутренний (d) | Наружный (D) | Ширина (B) |
|---|---|---|---|---|
| 4-3182106 Л | Роликовый радиальный двухрядный подшипник. Сепаратор из латуни.. | 30.00 | 55.00 | 19.00 |
| NCF3006-V | Роликовый радиальный цилиндрический однорядный подшипник. Бессепараторный подшипник. Однорядный без сепараторный цилиндрический роликовый подшипник. Два борта на внутреннем кольце и один борт на наружном. | 30.00 | 55.00 | 19.00 |
| RN2206-E-MPBX | Роликовый радиальный однорядный подшипник. Повышенная грузоподъемность. | 30.00 | 55.50 | 20.00 |
| RSL182206-A | Роликовый радиальный однорядный подшипник. Двухрядный радиально-упорный шарикоподшипник без отверстия для смазки. | 30.00 | 55.19 | 20.00 |
| NN 3006 TN/SP | Роликовый радиальный цилиндрический двухрядный подшипник. литой под давлением сепаратор из полиамида 6.6. центрированный роликовый элемент. Точность размеров примерно соответствует классу точности Р5. биения — классу точности Р4. Двухрядный цилиндрический роликовый подшипник. | 30.00 | 55.00 | 19.00 |
| E33006J | Роликовый радиальный-упорный однорядный подшипник. Дорожки качения наружного кольца. угол контакта и ширина наружного кольца в соответствии с ISO. | 30.00 | 55.00 | 20.00 |
| 3006-B-2RSR-TVH | Шариковый радиально-упорный подшипник. Модифицированная внутренняя конструкция. Твердая клетка из полиамида. Резиновые уплотнения с каждой стороны подшипника. | 30.00 | 55.00 | 19.00 |
| 4-3086106 Ю | Шариковый радиально-упорный двухрядный подшипник. Все детали или часть деталей из нержавеющей стали.. | 30.00 | 55.00 | 19.00 |
| 712506У2 | Роликовый радиальный двухрядный подшипник. Дополнительные технические требования. | 30.00 | 55.00 | 20.00 |
| 33006 A | Роликовый радиальный-упорный однорядный подшипник. Двухрядный радиально-упорный шарикоподшипник без отверстия для смазки. | 30.00 | 55.00 | 20.00 |
| 33006F | Роликовый радиальный-упорный однорядный подшипник. Сепаратор из обработанной стали или специального чугуна. | 30.00 | 55.00 | 20.00 |
| 63006-2RS C3 | Шариковый радиальный однорядный подшипник. Внутренний зазор больше нормального. Резиновые уплотнения с каждой стороны подшипника. | 30.00 | 55.00 | 19.00 |
| RAL103NPPB | Шариковый радиальный однорядный подшипник. Желоб под разрезное кольцо. | 30.16 | 55.00 | 18.27 |
| 5-3182106 Л | Роликовый радиальный двухрядный подшипник. Сепаратор из латуни.. | 30.00 | 55.00 | 19.00 |
| 5-3182106 Л1 | Роликовый радиальный двухрядный подшипник. Сепаратор из латуни.. | 30.00 | 55.00 | 19.00 |
Способы доставки
Отправка через ведущие транспортные и курьерские компании: ПЭК, Деловые Линии, СДЭК, Байкал-Сервис, Энергия, КИТ, ЖелДорЭкспедиция.
Самовывоз возможен напрямую со склада в Москве.
Сроки доставки
Срок зависит от региона и выбранной транспортной компании. Все заказы комплектуются и отправляются в кратчайшие сроки со склада в Москве.
Надёжность и сохранность
Вся продукция упаковывается с учётом требований транспортировки. Мы гарантируем, что подшипники и комплектующие прибудут к заказчику в полной сохранности.
Доставка в страны ЕАЭС
Мы работаем с проверенными логистическими партнёрами, что позволяет оперативно доставлять заказы в Беларусь, Казахстан, Армению и другие страны ЕАЭС.
Варианты оплаты:
Минимальная сумма заказа и скидки:
Документы и гарантии:
Да, конечно! Наши технические специалисты готовы помочь вам с подбором точного аналога или замены подшипника. Просто позвоните нам по телефону +7 (495) 104-99-04 или напишите на почту zakaz@podsnab.ru.
Для оперативной консультации подготовьте, пожалуйста, имеющиеся данные: маркировку, размеры, тип оборудования или артикул старого подшипника.
Да, конечно! Мы высоко ценим долгосрочное сотрудничество и доверие клиентов по всей России. Для постоянных клиентов действует персональная система скидок.
Условия формируются индивидуально и зависят от:
Чтобы узнать свои условия и получить максимально выгодное предложение, свяжитесь с персональным менеджером или напишите нам на почту zakaz@podsnab.ru.
Вы можете оформить заказ несколькими способами:
Для оформления заказа от юридического лица свяжитесь с нашим отделом по работе с корпоративными клиентами по телефону +7 (495) 104-99-04 или напишите на email zakaz@podsnab.ru, прикрепив реквизиты вашей организации.
Мы оперативно подготовим коммерческое предложение и выставим счет.
Возврат товара надлежащего качества возможен в течение 10 дней с момента получения, если товар не был в употреблении, сохранен товарный вид, упаковка не вскрывалась и присутствуют все сопроводительные документы.
Возврат денежных средств осуществляется в течение 10 рабочих дней после проверки товара складом.
В соответствии с законодательством возврату не подлежат подшипники надлежащего качества, если отсутствует оригинальная упаковка или имеются следы монтажа.
В случае выявления брака или гарантийного случая мы гарантируем возврат или обмен товара.
Да, гарантийный срок хранения устанавливается заводом-изготовителем и в среднем составляет 2 года при соблюдении условий хранения: сухое помещение, оригинальная упаковка и смазка.
Точный срок для конкретного типа подшипника уточняйте у наших менеджеров.
Пн–Пт: с 8:00 до 17:00 (МСК).
Сб–Вс: выходные дни.
Заказы на сайте принимаются круглосуточно. Заявки, поступившие после окончания рабочего дня, обрабатываются на следующий рабочий день.
Минимальная сумма заказа для доставки составляет 3000 рублей. Самовывоз со склада возможен на любую сумму при наличии товара.
ООО «УралТехГрупп»
ИНН: 7415093830
КПП: 772401001
ОГРН: 1167456069021
Банк: ПАО Сбербанк
Р/с: 40702810838000475273
К/с: 30101810400000000225
БИК: 044525225
У подшипника NN3006-AS-K-M-SP пока нет отзывов. Вы можете стать первым покупателем, поделившимся своим мнением.