Поиск подшипника
Статьи
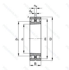
NN3007-AS-K-M-SP — Подшипник роликовый цилиндрический двухрядный, модификация основного исполнения NN3007, выпускается производителями: FAG, INA.
Размер подшипника: 35x62x20 мм.
Двухрядный цилиндрический роликоподшипник, подшипник супер точный, смазка aeroshell 7. диапазон от –10°c до 110°c, коническое отверстие. конус 1/12, латунный сепаратор. центрированный по роликам.
Аналоги: NN3007.K.W33.M.SP IBC Bearings.
Международная стандартизации ISO
NN3007ASKMSP
В наличии
| Обозначение | Конструктивные изменения |
|---|---|
| NN3007K | Коническое внутреннее отверстие. Двухрядный цилиндрический роликовый подшипник. |
| NN3007K P51 NA | Коническое отверстие. конус 1/12. Радиальный зазор для подшипников с невзаимозаменяемыми кольцами (Обозначает всегда после символа радиального зазора. например. NU215P63 NA). Сочетание P5 (размерная точность и точность хода в соответствии с классом допуска ISO 5 (лучше. чем P6)) и C1 (радиальный зазор и сниженный уровень вибрации). |
| NN3007TN/SPW33 | Канавка для смазки и три отверстия во внешнем кольце подшипника. литой под давлением сепаратор из полиамида 6.6. центрированный роликовый элемент. Подшипник супер точный. |
| NN3007CC1 P5 | Размерная и рабочая точность соответствует классу допуска ISO 5. Для невзаимозаменяемых цилиндрических роликоподшипников. Зазор менее СС2. |
| NN3007TBKRCC0P4 | Сепаратор оконного типа из фенольной смолы. укрепленной тканью. Центрирующее внутреннее кольцо. Класс точности Р4 по ISO (точнее. чем P5) - Abec.7. Сверхточное коническое отверстие (1/12). Standard Clearance For Tapered Bore. |
| NN3007/SP | Точность размеров примерно соответствует классу точности Р5. биения — классу точности Р4. Двухрядный цилиндрический роликовый подшипник. |
| NN3007K/SP | Коническое отверстие. конус 1/12. Точность размеров примерно соответствует классу точности Р5. биения — классу точности Р4. Двухрядный цилиндрический роликовый подшипник. |
| NN3007K CC1 P5 | Коническое отверстие. конус 1/12. Размерная и рабочая точность соответствует классу допуска ISO 5. Для невзаимозаменяемых цилиндрических роликоподшипников. Зазор менее СС2. |
| NN3007K C1 NA P5 | Коническое отверстие. конус 1/12. Класс точности 4. Радиальный зазор меньше. чем C2. Нет особого значения для цилиндрического подшипника. |
| NN3007TBKRE44CC0P4 | Сепаратор оконного типа из фенольной смолы. укрепленной тканью. Центрирующее внутреннее кольцо. Точность размеров и хода по классу точности 4 по ISO (более точная. чем P5) - Abec7. Коническое отверстие. Наружное кольцо с обработанной смазочной канавкой и отверстиями (только для двурядных). For Non-Interchangeable Cylind-rical Roller Bearings. Clearance Less Than CC1. |
| NN3007KC1NAP4 | Коническое отверстие. конус 1/12. Радиальный зазор меньше. чем C2. Нет особого значения для цилиндрического подшипника. Класс точности 4. |
| NN3007T KR CC1 P4 | Нейлоновый сепаратор, армированный стекловолокном. Точность размеров и хода по классу точности 4 по ISO (более точная. чем P5) - Abec7. Коническое отверстие. Для невзаимозаменяемых цилиндрических роликоподшипников. Зазор менее СС2. |
| NN3007T KR CC1 P5 | Нейлоновый сепаратор, армированный стекловолокном. Размерная и рабочая точность соответствует классу допуска ISO 5. Коническое отверстие. Для невзаимозаменяемых цилиндрических роликоподшипников. Зазор менее СС2. |
| NN3007-D-K-TVP-SP-XL | Подшипники с модифицированной внутренней конструкцией и суффиксом D не имеют смазочного отверстия или смазочной канавки в стандартной комплектации. Коническое отверстие. конус 1/12. Серия X-Life премиум-класс. увеличиный срок службы. Формованный полиамидный сепаратор оконного типа. Роликовые тела качения. Подшипник супер точный. |
| NN3007-AS-K-M-UP | Коническое отверстие. конус 1/12. Латунный сепаратор. Центрированный по роликам. Специальный класс допуска для подшипников шпинделя станков точность размеров приблизительно соответствует классу допуска ISO 4. а точность хода лучше. чем класс ISO 4. Смазка Aeroshell 7. Диапазон от –10°C до 110°C.. |
| NN3007AS.M.SP | Латунный сепаратор. Центрированный по роликам. Подшипник супер точный. Смазка Aeroshell 7. Диапазон от –10°C до 110°C.. |
| NN3007MBKRE44CC1P4 | Обработанный латунный сепаратор. Центрированное внутреннее кольцо. Класс точности Р4 по ISO (точнее. чем P5) - Abec.7. Коническое отверстие. Для невзаимозаменяемых цилиндрических роликоподшипников. Зазор менее СС2. Наружное кольцо с обработанной смазочной канавкой и отверстиями (только для двурядных). |
| NN3007.K.W33.M.SP | Канавка для смазки и три отверстия во внешнем кольце подшипника. Коническое отверстие. конус 1/12. Machined Brass Cage Located On Rolling Elements. Точность размеров примерно соответствует классу точности Р5. биения — классу точности Р4. |
| NN3007M2KC1NAP4 | Коническое отверстие. конус 1/12. Класс точности Р4 по ISO (точнее. чем P5) - Abec.7. Латунный сепаратор из двух частей с механической обработкой. Неизменяемый радиальный внутренний зазор для цилиндрического роликоподшипника. |
| NN3007K P5 | Коническое отверстие. конус 1/12. Размерная и рабочая точность соответствует классу допуска ISO 5. |
| NN3007TBCC1P5 | Размерная и рабочая точность соответствует классу допуска ISO 5. Сепаратор оконного типа из фенольной смолы. укрепленной тканью. Центрирующее внутреннее кольцо. Для невзаимозаменяемых цилиндрических роликоподшипников. Зазор менее СС2. |
| NN3007-D-TVP-SP-XL | Подшипники с модифицированной внутренней конструкцией и суффиксом D не имеют смазочного отверстия или смазочной канавки в стандартной комплектации. Серия X-Life премиум-класс. увеличиный срок службы. Формованный полиамидный сепаратор оконного типа. Роликовые тела качения. Подшипник супер точный. |
| NN3007MB | сепаратор из латуни. центрированный по внутреннему кольцу. |
| NN3007TB | Textite (Fabric-Reinforced Phenolic Resin) Cage Guided On The Inner Ring. |
| NN3007 | Канавка под стопорное кольцо на наружном кольце подшипника. Двухрядный цилиндрический роликовый подшипник. Основное конструктивное исполнение. |
Модификации цилиндрического роликового подшипника NN3007-AS-K-M-SP — это измененное основное конструктивное исполнение NN3007, основные размеры (35x62x20) не отличаются.
| Обозначение | Конструктивные особенности | Внутренний (d) | Наружный (D) | Ширина (B) |
|---|---|---|---|---|
| E33007J | Роликовый радиальный-упорный однорядный подшипник. Дорожки качения наружного кольца. угол контакта и ширина наружного кольца в соответствии с ISO. | 35.00 | 62.00 | 21.00 |
| HR33007J | Роликовый радиальный-упорный конический однорядный подшипник. Дорожки качения наружного кольца. угол контакта и ширина наружного кольца в соответствии с ISO. Для конических роликоподшипников и радиальных шарикоподшипников. | 35.00 | 62.00 | 21.00 |
| 4T-33007 | Роликовый радиальный-упорный конический однорядный подшипник. Цементованная сталь. | 35.00 | 62.00 | 21.00 |
| T142W | Роликовый упорный однорядный подшипник. Подшипник без смазочных отверстий в наружном кольце. | 35.18 | 62.71 | 19.43 |
| 3007-B-2Z-TVH | Шариковый радиально-упорный подшипник. Модифицированная внутренняя конструкция. Защитные металлические шайбы с обеих сторон подшипника. Твердая клетка из полиамида. | 35.00 | 62.00 | 20.00 |
| 3007-B-TVH | Шариковый радиально-упорный подшипник. Модифицированная внутренняя конструкция. Твердая клетка из полиамида. | 35.00 | 62.00 | 20.00 |
| PC35620021CS | Шариковый радиальный двухрядный подшипник. Высокоуглеродистая сталь. | 35.00 | 62.00 | 21.00 |
| RNA2206XLL | Роликовый игольчатый подшипник однорядный. Два уплотнения. | 35.00 | 62.00 | 19.80 |
| 33007 A | Роликовый радиальный-упорный однорядный подшипник. Двухрядный радиально-упорный шарикоподшипник без отверстия для смазки. | 35.00 | 62.00 | 21.00 |
| 33007F | Роликовый радиальный-упорный однорядный подшипник. Сепаратор из обработанной стали или специального чугуна. | 35.00 | 62.00 | 21.00 |
| HC TR070602S | Роликовый радиальный-упорный однорядный подшипник. Угол контакта 20 градусов. | 35.00 | 62.00 | 19.00 |
| 33007JR | Роликовый радиальный-упорный однорядный подшипник. TAPERED ROLLER BEARING CONFORMING TO ISO R355 (SUB-UNIT. METRIC SERIES). EXAMPLE/ 30206JR. | 35.00 | 62.00 | 21.00 |
| SC07B26D2 | Шариковый радиальный однорядный подшипник. Угол контакта 40°. | 35.00 | 62.00 | 19.00 |
| B15 | Шариковый упорный подшипник. Стандартное исполнение радиально-упорных шпиндельных подшипников. | 34.92 | 62.71 | 19.05 |
| 5-3182107 Л | Роликовый радиальный двухрядный подшипник. Сепаратор из латуни.. | 35.00 | 62.00 | 20.00 |
Способы доставки
Отправка через ведущие транспортные и курьерские компании: ПЭК, Деловые Линии, СДЭК, Байкал-Сервис, Энергия, КИТ, ЖелДорЭкспедиция.
Самовывоз возможен напрямую со склада в Москве.
Сроки доставки
Срок зависит от региона и выбранной транспортной компании. Все заказы комплектуются и отправляются в кратчайшие сроки со склада в Москве.
Надёжность и сохранность
Вся продукция упаковывается с учётом требований транспортировки. Мы гарантируем, что подшипники и комплектующие прибудут к заказчику в полной сохранности.
Доставка в страны ЕАЭС
Мы работаем с проверенными логистическими партнёрами, что позволяет оперативно доставлять заказы в Беларусь, Казахстан, Армению и другие страны ЕАЭС.
Варианты оплаты:
Минимальная сумма заказа и скидки:
Документы и гарантии:
Да, конечно! Наши технические специалисты готовы помочь вам с подбором точного аналога или замены подшипника. Просто позвоните нам по телефону +7 (495) 104-99-04 или напишите на почту zakaz@podsnab.ru.
Для оперативной консультации подготовьте, пожалуйста, имеющиеся данные: маркировку, размеры, тип оборудования или артикул старого подшипника.
Да, конечно! Мы высоко ценим долгосрочное сотрудничество и доверие клиентов по всей России. Для постоянных клиентов действует персональная система скидок.
Условия формируются индивидуально и зависят от:
Чтобы узнать свои условия и получить максимально выгодное предложение, свяжитесь с персональным менеджером или напишите нам на почту zakaz@podsnab.ru.
Вы можете оформить заказ несколькими способами:
Для оформления заказа от юридического лица свяжитесь с нашим отделом по работе с корпоративными клиентами по телефону +7 (495) 104-99-04 или напишите на email zakaz@podsnab.ru, прикрепив реквизиты вашей организации.
Мы оперативно подготовим коммерческое предложение и выставим счет.
Возврат товара надлежащего качества возможен в течение 10 дней с момента получения, если товар не был в употреблении, сохранен товарный вид, упаковка не вскрывалась и присутствуют все сопроводительные документы.
Возврат денежных средств осуществляется в течение 10 рабочих дней после проверки товара складом.
В соответствии с законодательством возврату не подлежат подшипники надлежащего качества, если отсутствует оригинальная упаковка или имеются следы монтажа.
В случае выявления брака или гарантийного случая мы гарантируем возврат или обмен товара.
Да, гарантийный срок хранения устанавливается заводом-изготовителем и в среднем составляет 2 года при соблюдении условий хранения: сухое помещение, оригинальная упаковка и смазка.
Точный срок для конкретного типа подшипника уточняйте у наших менеджеров.
Пн–Пт: с 8:00 до 17:00 (МСК).
Сб–Вс: выходные дни.
Заказы на сайте принимаются круглосуточно. Заявки, поступившие после окончания рабочего дня, обрабатываются на следующий рабочий день.
Минимальная сумма заказа для доставки составляет 3000 рублей. Самовывоз со склада возможен на любую сумму при наличии товара.
ООО «УралТехГрупп»
ИНН: 7415093830
КПП: 772401001
ОГРН: 1167456069021
Банк: ПАО Сбербанк
Р/с: 40702810838000475273
К/с: 30101810400000000225
БИК: 044525225
У подшипника NN3007-AS-K-M-SP пока нет отзывов. Вы можете стать первым покупателем, поделившимся своим мнением.