Поиск подшипника
Статьи
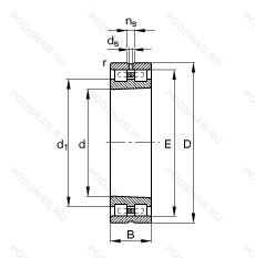
NN3008-AS-K-M-SP — Подшипник роликовый цилиндрический двухрядный, модификация основного исполнения NN3008, выпускается производителями: FAG, INA.
Размер подшипника: 40x68x21 мм.
Двухрядный цилиндрический роликоподшипник, подшипник супер точный, смазка aeroshell 7. диапазон от –10°c до 110°c, коническое отверстие. конус 1/12, латунный сепаратор. центрированный по роликам.
Аналоги: NN3008ASK.M.SP FAG,NN3008KM/SP SKF.
Международная стандартизации ISO
NN3008ASKMSP
В наличии
| Обозначение | Конструктивные изменения |
|---|---|
| NN3008KM.NA.C181 | Нет особого значения для цилиндрического подшипника. Combination Of C18 & C1 (Radial Clearance Less Than C2). Type Of Model. |
| NN3008T KR CC1 P5 | Нейлоновый сепаратор, армированный стекловолокном. Размерная и рабочая точность соответствует классу допуска ISO 5. Коническое отверстие. Для невзаимозаменяемых цилиндрических роликоподшипников. Зазор менее СС2. |
| NN3008TN/SP | Пластиковый сепаратор. отлитый под давлением. Альтернативные конструкции и/или материалы обозначаются добавленной цифрой. Точность размеров примерно соответствует классу точности Р5. биения — классу точности Р4. Двухрядный цилиндрический роликовый подшипник. |
| NN3008KTN/SP | Коническое отверстие. конус 1/12. Пластиковый сепаратор. отлитый под давлением. Альтернативные конструкции и/или материалы обозначаются добавленной цифрой. Точность размеров примерно соответствует классу точности Р5. биения — классу точности Р4. Двухрядный цилиндрический роликовый подшипник. |
| NN3008K CC1 P4 | Коническое отверстие. конус 1/12. Точность размеров и хода по классу точности 4 по ISO (более точная. чем P5) - Abec7. Для невзаимозаменяемых цилиндрических роликоподшипников. Зазор менее СС2. |
| NN3008-AS-K-M-SP-CN | Коническое отверстие. конус 1/12. Латунный сепаратор. Центрированный по роликам. Нормальный уровень радиального внутреннего зазора (не маркируется). Подшипник супер точный. Смазка Aeroshell 7. Диапазон от –10°C до 110°C.. |
| NN3008CC1 P5 | Размерная и рабочая точность соответствует классу допуска ISO 5. Для невзаимозаменяемых цилиндрических роликоподшипников. Зазор менее СС2. |
| NN3008KM NA W33 P51 | Канавка для смазки и три отверстия во внешнем кольце подшипника. Нет особого значения для цилиндрического подшипника. Сочетание P5 (размерная точность и точность хода в соответствии с классом допуска ISO 5 (лучше. чем P6)) и C1 (радиальный зазор и сниженный уровень вибрации). Type Of Model. |
| NN3008K P5 | Коническое отверстие. конус 1/12. Размерная и рабочая точность соответствует классу допуска ISO 5. |
| NN3008MBKRE44CC1P4 | Обработанный латунный сепаратор. Центрированное внутреннее кольцо. Класс точности Р4 по ISO (точнее. чем P5) - Abec.7. Коническое отверстие. Для невзаимозаменяемых цилиндрических роликоподшипников. Зазор менее СС2. Наружное кольцо с обработанной смазочной канавкой и отверстиями (только для двурядных). |
| NN3008S.M.SP | Канавка для смазки и три отверстия во внешнем кольце подшипника. Латунный сепаратор. Центрированный по роликам. Точность размеров примерно соответствует классу точности Р5. биения — классу точности Р4. |
| NN3008M/SP | Механически обработанный латунный сепаратор. клёпаный. центрируемый по роликам. Точность размеров примерно соответствует классу точности Р5. биения — классу точности Р4. |
| NN3008C1NAP4 | Радиальный зазор меньше. чем C2. Нет особого значения для цилиндрического подшипника. Класс точности 4. |
| NN3008KC1NAP4 | Коническое отверстие. конус 1/12. Радиальный зазор меньше. чем C2. Нет особого значения для цилиндрического подшипника. Класс точности 4. |
| NN3008-D-K-TVP-SP-XL | Подшипники с модифицированной внутренней конструкцией и суффиксом D не имеют смазочного отверстия или смазочной канавки в стандартной комплектации. Коническое отверстие. конус 1/12. Серия X-Life премиум-класс. увеличиный срок службы. Формованный полиамидный сепаратор оконного типа. Роликовые тела качения. Подшипник супер точный. |
| NN3008MB KR E4 CC1 P4 | Канавка для смазки и три отверстия во внешнем кольце подшипника. Латунный сепаратор. Центрированный на внутреннем кольце. Класс точности Р4 по ISO (точнее. чем P5) - Abec.7. Коническое отверстие. Для невзаимозаменяемых цилиндрических роликоподшипников. Зазор менее СС2. |
| NN3008-D-TVP-SP-XL | Подшипники с модифицированной внутренней конструкцией и суффиксом D не имеют смазочного отверстия или смазочной канавки в стандартной комплектации. Серия X-Life премиум-класс. увеличиный срок службы. Формованный полиамидный сепаратор оконного типа. Роликовые тела качения. Подшипник супер точный. |
| NN3008MB KR CC1 P4 | Механически обработанный латунный сепаратор. клёпаный. центрируемый по внутреннему кольцу. Класс точности Р4 по ISO (точнее. чем P5) - Abec.7. Коническое отверстие 1/12. Для невзаимозаменяемых цилиндрических роликоподшипников. Зазор менее СС2. |
| NN3008TB KRE44 CC0 P4 | Сепаратор оконного типа из фенольной смолы. укрепленной тканью. Центрирующее внутреннее кольцо. Точность размеров и хода по классу точности 4 по ISO (более точная. чем P5) - Abec7. Коническое отверстие. Наружное кольцо с обработанной смазочной канавкой и отверстиями (только для двурядных). For Non-Interchangeable Cylind-rical Roller Bearings. Clearance Less Than CC1. |
| NN3008AS.M.SP | Латунный сепаратор. Центрированный по роликам. Подшипник супер точный. Смазка Aeroshell 7. Диапазон от –10°C до 110°C.. |
| NN3008KM NA P41 | Нет особого значения для цилиндрического подшипника. Combination Of P4 (Dimensional & Running Accuracy To ISO Tolerance Class 4 (More Accurate Than P5)-Abec.7) And C1 (Radial Clearance And Reduced Levels Of Vibration). Type Of Model. |
| NN3008TBKRCC0P5 | Размерная и рабочая точность соответствует классу допуска ISO 5. Сепаратор оконного типа из фенольной смолы. укрепленной тканью. Центрирующее внутреннее кольцо. Сверхточное коническое отверстие (1/12). Standard Clearance For Tapered Bore. |
| NN3008MB | сепаратор из латуни. центрированный по внутреннему кольцу. |
| NN3008TB | Textite (Fabric-Reinforced Phenolic Resin) Cage Guided On The Inner Ring. |
| NN3008 | Канавка под стопорное кольцо на наружном кольце подшипника. Двухрядный цилиндрический роликовый подшипник. Основное конструктивное исполнение. |
Модификации цилиндрического роликового подшипника NN3008-AS-K-M-SP — это измененное основное конструктивное исполнение NN3008, основные размеры (40x68x21) не отличаются.
| Обозначение | Конструктивные особенности | Внутренний (d) | Наружный (D) | Ширина (B) |
|---|---|---|---|---|
| E33008J | Роликовый радиальный-упорный однорядный подшипник. Дорожки качения наружного кольца. угол контакта и ширина наружного кольца в соответствии с ISO. | 40.00 | 68.00 | 22.00 |
| HR33008J | Роликовый радиальный-упорный однорядный подшипник. Дорожки качения наружного кольца. угол контакта и ширина наружного кольца в соответствии с ISO. Для конических роликоподшипников и радиальных шарикоподшипников. | 40.00 | 68.00 | 22.00 |
| 4T-33008 | Роликовый радиальный-упорный конический однорядный подшипник. Цементованная сталь. | 40.00 | 68.00 | 22.00 |
| BT1-0348/QCL7C | Роликовый радиальный-упорный однорядный подшипник. Высокоэффективная конструкция. | 40.99 | 68.00 | 20.00 |
| 3008-B-2RSR-TVH | Шариковый радиально-упорный подшипник. Модифицированная внутренняя конструкция. Твердая клетка из полиамида. Резиновые уплотнения с каждой стороны подшипника. | 40.00 | 68.00 | 21.00 |
| 3008-B-2Z-TVH | Шариковый радиально-упорный подшипник. Модифицированная внутренняя конструкция. Защитные металлические шайбы с обеих сторон подшипника. Твердая клетка из полиамида. | 40.00 | 68.00 | 21.00 |
| DF08A15LLU/5C | Шариковый радиально-упорный двухрядный подшипник. Chevron SRI-2 Grease High Temperature -29°C to 177°C. | 40.00 | 68.00 | 21.00 |
| 3008 ZZ | Шариковый радиально-упорный двухрядный подшипник. Защитные металлические шайбы (бесконтактные уплотнения) с обеих сторон подшипника. | 40.00 | 68.00 | 21.00 |
| HL-NK40X68X20-2T#01 | Роликовый игольчатый подшипник однорядный. Шестигранное отверстие (кулачковые ролики с осью). Одно уплотнение. Изменённая фаска. Design. By Construction Is The Same As 2S. Except Rubber Lip Is Tripled. Therefore. It Seals Better But Has Even Larger Friction. The Permitted Speeds Are Much Lower. Up To 500. It Emerges Out Of External Ring Width And Is Applied Only With Special Bearings For The Agricultural Machines (Practically Standard Sealing For The Disc Harrow Bearings) And To The Less Extent. Y-Bearing Program. | 40.00 | 68.00 | 20.00 |
| 33008 A | Роликовый радиальный-упорный однорядный подшипник. Двухрядный радиально-упорный шарикоподшипник без отверстия для смазки. | 40.00 | 68.00 | 22.00 |
| 33008F | Роликовый радиальный-упорный однорядный подшипник. Сепаратор из обработанной стали или специального чугуна. | 40.00 | 68.00 | 22.00 |
| HC TRA080702 | Роликовый радиальный-упорный однорядный подшипник. Угол контакта 20 градусов. | 40.00 | 68.00 | 22.00 |
| HI-CAP 57390A | Роликовый радиальный-упорный однорядный подшипник. Угол контакта 20 градусов. | 40.00 | 68.00 | 22.00 |
| 33008JR | Роликовый радиальный-упорный конический однорядный подшипник. TAPERED ROLLER BEARING CONFORMING TO ISO R355 (SUB-UNIT. METRIC SERIES). EXAMPLE/ 30206JR. | 40.00 | 68.00 | 22.00 |
| 5-3182108 ЛК | Роликовый радиальный двухрядный подшипник. Сепаратор из латуни.. | 40.00 | 68.00 | 21.00 |
Способы доставки
Отправка через ведущие транспортные и курьерские компании: ПЭК, Деловые Линии, СДЭК, Байкал-Сервис, Энергия, КИТ, ЖелДорЭкспедиция.
Самовывоз возможен напрямую со склада в Москве.
Сроки доставки
Срок зависит от региона и выбранной транспортной компании. Все заказы комплектуются и отправляются в кратчайшие сроки со склада в Москве.
Надёжность и сохранность
Вся продукция упаковывается с учётом требований транспортировки. Мы гарантируем, что подшипники и комплектующие прибудут к заказчику в полной сохранности.
Доставка в страны ЕАЭС
Мы работаем с проверенными логистическими партнёрами, что позволяет оперативно доставлять заказы в Беларусь, Казахстан, Армению и другие страны ЕАЭС.
Варианты оплаты:
Минимальная сумма заказа и скидки:
Документы и гарантии:
Да, конечно! Наши технические специалисты готовы помочь вам с подбором точного аналога или замены подшипника. Просто позвоните нам по телефону +7 (495) 104-99-04 или напишите на почту zakaz@podsnab.ru.
Для оперативной консультации подготовьте, пожалуйста, имеющиеся данные: маркировку, размеры, тип оборудования или артикул старого подшипника.
Да, конечно! Мы высоко ценим долгосрочное сотрудничество и доверие клиентов по всей России. Для постоянных клиентов действует персональная система скидок.
Условия формируются индивидуально и зависят от:
Чтобы узнать свои условия и получить максимально выгодное предложение, свяжитесь с персональным менеджером или напишите нам на почту zakaz@podsnab.ru.
Вы можете оформить заказ несколькими способами:
Для оформления заказа от юридического лица свяжитесь с нашим отделом по работе с корпоративными клиентами по телефону +7 (495) 104-99-04 или напишите на email zakaz@podsnab.ru, прикрепив реквизиты вашей организации.
Мы оперативно подготовим коммерческое предложение и выставим счет.
Возврат товара надлежащего качества возможен в течение 10 дней с момента получения, если товар не был в употреблении, сохранен товарный вид, упаковка не вскрывалась и присутствуют все сопроводительные документы.
Возврат денежных средств осуществляется в течение 10 рабочих дней после проверки товара складом.
В соответствии с законодательством возврату не подлежат подшипники надлежащего качества, если отсутствует оригинальная упаковка или имеются следы монтажа.
В случае выявления брака или гарантийного случая мы гарантируем возврат или обмен товара.
Да, гарантийный срок хранения устанавливается заводом-изготовителем и в среднем составляет 2 года при соблюдении условий хранения: сухое помещение, оригинальная упаковка и смазка.
Точный срок для конкретного типа подшипника уточняйте у наших менеджеров.
Пн–Пт: с 8:00 до 17:00 (МСК).
Сб–Вс: выходные дни.
Заказы на сайте принимаются круглосуточно. Заявки, поступившие после окончания рабочего дня, обрабатываются на следующий рабочий день.
Минимальная сумма заказа для доставки составляет 3000 рублей. Самовывоз со склада возможен на любую сумму при наличии товара.
ООО «УралТехГрупп»
ИНН: 7415093830
КПП: 772401001
ОГРН: 1167456069021
Банк: ПАО Сбербанк
Р/с: 40702810838000475273
К/с: 30101810400000000225
БИК: 044525225
У подшипника NN3008-AS-K-M-SP пока нет отзывов. Вы можете стать первым покупателем, поделившимся своим мнением.