Поиск подшипника
Статьи
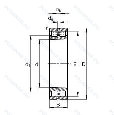
NN3012-AS-K-M-SP — Подшипник роликовый цилиндрический двухрядный, модификация основного исполнения NN3012, выпускается производителями: FAG, INA.
Размер подшипника: 60x95x26 мм.
Двухрядный цилиндрический роликоподшипник, подшипник супер точный, смазка aeroshell 7. диапазон от –10°c до 110°c, коническое отверстие. конус 1/12, латунный сепаратор. центрированный по роликам.
Международная стандартизации ISO
NN3012ASKMSP
В наличии
| Обозначение | Конструктивные изменения |
|---|---|
| NN3012-AS-K-M-SP-J24E | Коническое отверстие. конус 1/12. Латунный сепаратор. Центрированный по роликам. Подшипник супер точный. Смазка Aeroshell 7. Диапазон от –10°C до 110°C.. |
| NN3012M NA | Механически обработанный латунный сепаратор .Расположенный на элементах качения. Радиальный зазор. Незаменяемые элементы. |
| NN3012KM | Type Of Model. |
| NN3012-AS-K-M-UP | Коническое отверстие. конус 1/12. Латунный сепаратор. Центрированный по роликам. Специальный класс допуска для подшипников шпинделя станков точность размеров приблизительно соответствует классу допуска ISO 4. а точность хода лучше. чем класс ISO 4. Смазка Aeroshell 7. Диапазон от –10°C до 110°C.. |
| NN3012M2 MY P4 | Класс точности Р4 по ISO (точнее. чем P5) - Abec.7. Латунный сепаратор из двух частей с механической обработкой. Механически обработанный латунный сепаратор. |
| NN3012K C1 NA P4 | Коническое отверстие. конус 1/12. Радиальный зазор меньше. чем C2. Нет особого значения для цилиндрического подшипника. Класс точности 4. |
| NN3012M2 MY C/10 P4 | 15° Угол контакта. Класс точности Р4 по ISO (точнее. чем P5) - Abec.7. Distance Between Beginning Of The Rail And First Hole In MM. Латунный сепаратор из двух частей с механической обработкой. Механически обработанный латунный сепаратор. |
| NN3012K/SPW33 | Канавка для смазки и три отверстия во внешнем кольце подшипника. Коническое отверстие. конус 1/12. Точность размеров примерно соответствует классу точности Р5. биения — классу точности Р4. |
| NN3012M2 K C1NA P5 | Коническое отверстие. конус 1/12. Размерная и рабочая точность соответствует классу допуска ISO 5. Латунный сепаратор из двух частей с механической обработкой. Неизменяемый радиальный внутренний зазор для цилиндрического роликоподшипника. |
| NN3012KM/SP | Точность размеров примерно соответствует классу точности Р5. биения — классу точности Р4. Type Of Model. |
| NN3012MB KRE44 CC1 P5 | Обработанный латунный сепаратор. Центрированное внутреннее кольцо. Размерная и рабочая точность соответствует классу допуска ISO 5. Коническое отверстие. Для невзаимозаменяемых цилиндрических роликоподшипников. Зазор менее СС2. Наружное кольцо с обработанной смазочной канавкой и отверстиями (только для двурядных). |
| NN3012TBKRE44CC0 | Сепаратор оконного типа из фенольной смолы. укрепленной тканью. Центрирующее внутреннее кольцо. Коническое отверстие. Наружное кольцо с обработанной смазочной канавкой и отверстиями (только для двурядных). For Non-Interchangeable Cylindrical Roller Bearings. Clearance Less Than CC1. |
| NN3012TBKRE44CC0P4 | Сепаратор оконного типа из фенольной смолы. укрепленной тканью. Центрирующее внутреннее кольцо. Точность размеров и хода по классу точности 4 по ISO (более точная. чем P5) - Abec7. Коническое отверстие. Наружное кольцо с обработанной смазочной канавкой и отверстиями (только для двурядных). For Non-Interchangeable Cylind-rical Roller Bearings. Clearance Less Than CC1. |
| NN3012-D-K-TVP-SP-XL | Подшипники с модифицированной внутренней конструкцией и суффиксом D не имеют смазочного отверстия или смазочной канавки в стандартной комплектации. Коническое отверстие. конус 1/12. Серия X-Life премиум-класс. увеличиный срок службы. Формованный полиамидный сепаратор оконного типа. Роликовые тела качения. Подшипник супер точный. |
| NN3012-D-TVP-SP-XL | Подшипники с модифицированной внутренней конструкцией и суффиксом D не имеют смазочного отверстия или смазочной канавки в стандартной комплектации. Серия X-Life премиум-класс. увеличиный срок службы. Формованный полиамидный сепаратор оконного типа. Роликовые тела качения. Подшипник супер точный. |
| NN3012KD1C1NAP4 | Коническое отверстие. конус 1/12. Канавка и три смазочных отверстия на наружном кольце. Класс точности ISO P4. Неизменяемый радиальный внутренний зазор для цилиндрического роликоподшипника. |
| NN3012M2 K C9NA P4 | Коническое отверстие. конус 1/12. Класс точности Р4 по ISO (точнее. чем P5) - Abec.7. Латунный сепаратор из двух частей с механической обработкой. Non-Interchangeable Clearance (Tapered Bore). |
| NN3012MB KR CC1 P4 | Обработанный латунный сепаратор. Центрированное внутреннее кольцо. Класс точности. Коническое отверстие 1/12. Для невзаимозаменяемых цилиндрических роликоподшипников. Зазор менее СС2. |
| NN3012AS.M.SP | Латунный сепаратор. Центрированный по роликам. Подшипник супер точный. Смазка Aeroshell 7. Диапазон от –10°C до 110°C.. |
| NN3012MBKRE44CC1P4 | Обработанный латунный сепаратор. Центрированное внутреннее кольцо. Класс точности Р4 по ISO (точнее. чем P5) - Abec.7. Коническое отверстие. Для невзаимозаменяемых цилиндрических роликоподшипников. Зазор менее СС2. Наружное кольцо с обработанной смазочной канавкой и отверстиями (только для двурядных). |
| NN3012M NA P51 | Механически обработанный латунный сепаратор .Расположенный на элементах качения. Радиальный зазор. Незаменяемые элементы. P5+C1. |
| NN3012TB | Textite (Fabric-Reinforced Phenolic Resin) Cage Guided On The Inner Ring. |
| NN3012MB | сепаратор из латуни. центрированный по внутреннему кольцу. |
| NN3012K/W33 | Канавка для смазки и три отверстия во внешнем кольце подшипника. Коническое отверстие. Конусность 1/12. |
| NN3012/W33 | Канавка для смазки и три отверстия во внешнем кольце подшипника. |
Модификации цилиндрического роликового подшипника NN3012-AS-K-M-SP — это измененное основное конструктивное исполнение NN3012, основные размеры (60x95x26) не отличаются.
| Обозначение | Конструктивные особенности | Внутренний (d) | Наружный (D) | Ширина (B) |
|---|---|---|---|---|
| 8212Н | Шариковый упорный однорядный подшипник. Детали из теплостойкой стали. | 60.00 | 95.00 | 26.00 |
| E33012J | Роликовый радиальный-упорный однорядный подшипник. Дорожки качения наружного кольца. угол контакта и ширина наружного кольца в соответствии с ISO. | 60.00 | 95.00 | 27.00 |
| HR 33012 J | Роликовый радиальный-упорный однорядный подшипник. Дорожки качения наружного кольца. угол контакта и ширина наружного кольца в соответствии с ISO. Для конических роликоподшипников и радиальных шарикоподшипников. | 60.00 | 95.00 | 27.00 |
| 4T-33012 | Роликовый радиальный-упорный конический однорядный подшипник. Цементованная сталь. | 60.00 | 95.00 | 27.00 |
| 4-9212 Л | Роликовый упорный однорядный подшипник. Сепаратор из латуни.. | 60.00 | 95.00 | 26.00 |
| 6-3182112 К | Роликовый радиальный двухрядный подшипник. Кольцевая проточка на середине цилиндрической наружной поверхности наружного кольца плюс три отверстия для смазки. | 60.00 | 95.00 | 26.00 |
| 6-3182112 КЕ | Роликовый радиальный двухрядный подшипник. Сепаратор из текстолита.. | 60.00 | 95.00 | 26.00 |
| 6-3182112 Л | Роликовый радиальный двухрядный подшипник. Сепаратор из латуни.. | 60.00 | 95.00 | 26.00 |
| 33012F | Роликовый радиальный-упорный однорядный подшипник. Сепаратор из обработанной стали или специального чугуна. | 60.00 | 95.00 | 27.00 |
| 32012J/1B-N | Роликовый радиальный-упорный однорядный подшипник. Дорожки качения наружного кольца. угол контакта и ширина наружного кольца в соответствии с ISO. Канавка под стопорное кольцо на внешнем кольце. Identification Code. | 60.00 | 95.00 | 26.50 |
| 8212-К | Шариковый упорный однорядный подшипник. «Замок» (скос) на внутреннем кольце плюс массивный сепаратор из текстолита. | 60.00 | 95.00 | 26.00 |
| 5-3182112 Е | Роликовый радиальный двухрядный подшипник. Сепаратор из текстолита.. | 60.00 | 95.00 | 26.00 |
| 5-3182112 К | Роликовый радиальный двухрядный подшипник. Кольцевая проточка на середине цилиндрической наружной поверхности наружного кольца плюс три отверстия для смазки. | 60.00 | 95.00 | 26.00 |
| 5-3182112 КЕ | Роликовый радиальный двухрядный подшипник. Сепаратор из текстолита.. | 60.00 | 95.00 | 26.00 |
| 5-3182112 Л | Роликовый радиальный двухрядный подшипник. Сепаратор из латуни.. | 60.00 | 95.00 | 26.00 |
Способы доставки
Отправка через ведущие транспортные и курьерские компании: ПЭК, Деловые Линии, СДЭК, Байкал-Сервис, Энергия, КИТ, ЖелДорЭкспедиция.
Самовывоз возможен напрямую со склада в Москве.
Сроки доставки
Срок зависит от региона и выбранной транспортной компании. Все заказы комплектуются и отправляются в кратчайшие сроки со склада в Москве.
Надёжность и сохранность
Вся продукция упаковывается с учётом требований транспортировки. Мы гарантируем, что подшипники и комплектующие прибудут к заказчику в полной сохранности.
Доставка в страны ЕАЭС
Мы работаем с проверенными логистическими партнёрами, что позволяет оперативно доставлять заказы в Беларусь, Казахстан, Армению и другие страны ЕАЭС.
Варианты оплаты:
Минимальная сумма заказа и скидки:
Документы и гарантии:
Да, конечно! Наши технические специалисты готовы помочь вам с подбором точного аналога или замены подшипника. Просто позвоните нам по телефону +7 (495) 104-99-04 или напишите на почту zakaz@podsnab.ru.
Для оперативной консультации подготовьте, пожалуйста, имеющиеся данные: маркировку, размеры, тип оборудования или артикул старого подшипника.
Да, конечно! Мы высоко ценим долгосрочное сотрудничество и доверие клиентов по всей России. Для постоянных клиентов действует персональная система скидок.
Условия формируются индивидуально и зависят от:
Чтобы узнать свои условия и получить максимально выгодное предложение, свяжитесь с персональным менеджером или напишите нам на почту zakaz@podsnab.ru.
Вы можете оформить заказ несколькими способами:
Для оформления заказа от юридического лица свяжитесь с нашим отделом по работе с корпоративными клиентами по телефону +7 (495) 104-99-04 или напишите на email zakaz@podsnab.ru, прикрепив реквизиты вашей организации.
Мы оперативно подготовим коммерческое предложение и выставим счет.
Возврат товара надлежащего качества возможен в течение 10 дней с момента получения, если товар не был в употреблении, сохранен товарный вид, упаковка не вскрывалась и присутствуют все сопроводительные документы.
Возврат денежных средств осуществляется в течение 10 рабочих дней после проверки товара складом.
В соответствии с законодательством возврату не подлежат подшипники надлежащего качества, если отсутствует оригинальная упаковка или имеются следы монтажа.
В случае выявления брака или гарантийного случая мы гарантируем возврат или обмен товара.
Да, гарантийный срок хранения устанавливается заводом-изготовителем и в среднем составляет 2 года при соблюдении условий хранения: сухое помещение, оригинальная упаковка и смазка.
Точный срок для конкретного типа подшипника уточняйте у наших менеджеров.
Пн–Пт: с 8:00 до 17:00 (МСК).
Сб–Вс: выходные дни.
Заказы на сайте принимаются круглосуточно. Заявки, поступившие после окончания рабочего дня, обрабатываются на следующий рабочий день.
Минимальная сумма заказа для доставки составляет 3000 рублей. Самовывоз со склада возможен на любую сумму при наличии товара.
ООО «УралТехГрупп»
ИНН: 7415093830
КПП: 772401001
ОГРН: 1167456069021
Банк: ПАО Сбербанк
Р/с: 40702810838000475273
К/с: 30101810400000000225
БИК: 044525225
У подшипника NN3012-AS-K-M-SP пока нет отзывов. Вы можете стать первым покупателем, поделившимся своим мнением.