Поиск подшипника
Статьи
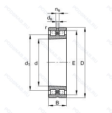
NN3014-AS-K-M-SP — Подшипник роликовый цилиндрический двухрядный, модификация основного исполнения NN3014, выпускается производителями: FAG, INA.
Размер подшипника: 70x110x30 мм.
Двухрядный цилиндрический роликоподшипник, подшипник супер точный, смазка aeroshell 7. диапазон от –10°c до 110°c, коническое отверстие. конус 1/12, латунный сепаратор. центрированный по роликам.
Международная стандартизации ISO
NN3014ASKMSP
В наличии
| Обозначение | Конструктивные изменения |
|---|---|
| NN3014M NA W33 P51 | LUBRICATION GROOVE AND HOLES ON THE OUTER RING. MACHINED BRASS CAGE GUIDED ON THE ROLLING ELEMENTS. Радиальный зазор. Незаменяемые элементы. TOLERANCE CLASS P5 AND RADIAL CLEARANCE C1. |
| NN3014M NA P41 | Механически обработанный латунный сепаратор .Расположенный на элементах качения. Радиальный зазор. Незаменяемые элементы. COMBINATION OF P4 AND C1. RADIAL CLEARANCE. |
| NN3014KM/SP | Точность размеров примерно соответствует классу точности Р5. биения — классу точности Р4. Type Of Model. |
| NN3014P51 | Сочетание P5 (размерная точность и точность хода в соответствии с классом допуска ISO 5 (лучше. чем P6)) и C1 (радиальный зазор и сниженный уровень вибрации). |
| NN3014K C1 NA P4 | Коническое отверстие. конус 1/12. Радиальный зазор меньше. чем C2. Нет особого значения для цилиндрического подшипника. Класс точности 4. |
| NN3014M2 K C1NA P5 | Коническое отверстие. конус 1/12. Размерная и рабочая точность соответствует классу допуска ISO 5. Латунный сепаратор из двух частей с механической обработкой. Неизменяемый радиальный внутренний зазор для цилиндрического роликоподшипника. |
| NN3014MB KRE44 CC1 P5 | Обработанный латунный сепаратор. Центрированное внутреннее кольцо. Размерная и рабочая точность соответствует классу допуска ISO 5. Коническое отверстие. Для невзаимозаменяемых цилиндрических роликоподшипников. Зазор менее СС2. Наружное кольцо с обработанной смазочной канавкой и отверстиями (только для двурядных). |
| NN3014KP5V8 | Коническое отверстие. конус 1/12. Размерная и рабочая точность соответствует классу допуска ISO 5. |
| NN3014K D1 NA P4 | Коническое отверстие. конус 1/12. Канавка и три смазочных отверстия на наружном кольце. Нет особого значения для цилиндрического подшипника. Класс точности 4. |
| NN3014P5 NA | Размерная и рабочая точность соответствует классу допуска ISO 5. Радиальный зазор для подшипников с невзаимозаменяемыми кольцами (Обозначает всегда после символа радиального зазора. например. NU215P63 NA). |
| NN3014MB E44 CC1 P5 | Механически обработанный латунный сепаратор. клёпаный. центрируемый по внутреннему кольцу. Размерная и рабочая точность соответствует классу допуска ISO 5. Для невзаимозаменяемых цилиндрических роликоподшипников. Зазор менее СС2. Наружное кольцо с обработанной смазочной канавкой и отверстиями (только для двурядных). |
| NN3014P41 | Combination Of P4 (Dimensional & Running Accuracy To ISO Tolerance Class 4 (More Accurate Than P5)-Abec.7) And C1 (Radial Clearance And Reduced Levels Of Vibration). |
| NN3014-AS-K-M-SP-J15Q | Коническое отверстие. конус 1/12. Латунный сепаратор. Центрированный по роликам. Подшипник супер точный. Смазка Aeroshell 7. Диапазон от –10°C до 110°C.. Характеристики маркировки измеряемых величин. |
| NN3014-D-TVP-SP-XL | Подшипники с модифицированной внутренней конструкцией и суффиксом D не имеют смазочного отверстия или смазочной канавки в стандартной комплектации. Серия X-Life премиум-класс. увеличиный срок службы. Формованный полиамидный сепаратор оконного типа. Роликовые тела качения. Подшипник супер точный. |
| NN3014K D1 C1NA P4 | Коническое отверстие. конус 1/12. Канавка и три смазочных отверстия на наружном кольце. Точность размеров и хода по классу точности 4 по ISO (более точная. чем P5) - Abec7. Неизменяемый радиальный внутренний зазор для цилиндрического роликоподшипника. |
| NN3014KM P41 | Combination Of P4 (Dimensional & Running Accuracy To ISO Tolerance Class 4 (More Accurate Than P5)-Abec.7) And C1 (Radial Clearance And Reduced Levels Of Vibration). Type Of Model. |
| NN3014K C1 UP | Коническое отверстие. конус 1/12. Радиальный зазор меньше. чем C2. Специальный класс допуска для подшипников шпинделя станков точность размеров приблизительно соответствует классу допуска ISO 4. а точность хода лучше. чем класс ISO 4. |
| NN3014AS.M.SP | Латунный сепаратор. Центрированный по роликам. Подшипник супер точный. Смазка Aeroshell 7. Диапазон от –10°C до 110°C.. |
| NN3014-D-K-TVP-SP-XL | Подшипники с модифицированной внутренней конструкцией и суффиксом D не имеют смазочного отверстия или смазочной канавки в стандартной комплектации. Коническое отверстие. конус 1/12. Серия X-Life премиум-класс. увеличиный срок службы. Формованный полиамидный сепаратор оконного типа. Роликовые тела качения. Подшипник супер точный. |
| NN3014TBKRCC0P5 | Размерная и рабочая точность соответствует классу допуска ISO 5. Сепаратор оконного типа из фенольной смолы. укрепленной тканью. Центрирующее внутреннее кольцо. Сверхточное коническое отверстие (1/12). Standard Clearance For Tapered Bore. |
| NN3014K W33 M SP | Смазочная канавка с тремя отверстиями на наружном кольце. Коническое отверстие. конус 1/12. Machined Brass Cage Located On Rolling Elements. Точность размеров примерно соответствует классу точности Р5. биения — классу точности Р4. |
| NN3014MB | сепаратор из латуни. центрированный по внутреннему кольцу. |
| NN3014TB | Textite (Fabric-Reinforced Phenolic Resin) Cage Guided On The Inner Ring. |
| NN3014K/W33 | Канавка для смазки и три отверстия во внешнем кольце подшипника. Коническое отверстие. Конусность 1/12. |
| NN3014/W33 | Канавка для смазки и три отверстия во внешнем кольце подшипника. |
Модификации цилиндрического роликового подшипника NN3014-AS-K-M-SP — это измененное основное конструктивное исполнение NN3014, основные размеры (70x110x30) не отличаются.
| Обозначение | Конструктивные особенности | Внутренний (d) | Наружный (D) | Ширина (B) |
|---|---|---|---|---|
| 3182114-Л | Роликовый радиальный двухрядный подшипник. Сепаратор из латуни.. | 70.00 | 110.00 | 30.00 |
| 3182114-К | Роликовый радиальный двухрядный подшипник. Кольцевая проточка на середине цилиндрической наружной поверхности наружного кольца плюс три отверстия для смазки. | 70.00 | 110.00 | 30.00 |
| 3182114КЕ | Роликовый радиальный двухрядный подшипник. Кольцевая проточка на середине цилиндрической наружной поверхности наружного кольца плюс три отверстия для смазки. Сепаратор из текстолита.. | 70.00 | 110.00 | 30.00 |
| 4-3182114-КЕ | Роликовый радиальный двухрядный подшипник. Сепаратор из текстолита.. | 70.00 | 110.00 | 30.00 |
| 4-3182114 Л | Роликовый радиальный двухрядный подшипник. Сепаратор из латуни.. | 70.00 | 110.00 | 30.00 |
| E33014J | Роликовый радиальный-упорный однорядный подшипник. Дорожки качения наружного кольца. угол контакта и ширина наружного кольца в соответствии с ISO. | 70.00 | 110.00 | 31.00 |
| HR33014J | Роликовый радиальный-упорный однорядный подшипник. Дорожки качения наружного кольца. угол контакта и ширина наружного кольца в соответствии с ISO. Для конических роликоподшипников и радиальных шарикоподшипников. | 70.00 | 110.00 | 31.00 |
| 4T-33014 | Роликовый радиальный-упорный конический однорядный подшипник. Цементованная сталь. | 70.00 | 110.00 | 31.00 |
| X33014M/Y33014M | Роликовый радиальный-упорный однорядный подшипник. Подшипник с латунным сепаратором. центрированный по телам качения. | 70.00 | 110.00 | 31.00 |
| 246114ЛУ12 | Шариковый радиально-упорный сдвоенный подшипник. Сепаратор из латуни.. Дополнительные технические требования. | 70.00 | 110.00 | 30.00 |
| 6-3182114 КЕ | Роликовый радиальный двухрядный подшипник. Сепаратор из текстолита.. | 70.00 | 110.00 | 30.00 |
| 6-3182114 Л | Роликовый радиальный двухрядный подшипник. Сепаратор из латуни.. | 70.00 | 110.00 | 30.00 |
| 33014F | Роликовый радиальный-упорный однорядный подшипник. Сепаратор из обработанной стали или специального чугуна. | 70.00 | 110.00 | 31.00 |
| 5-3182114 КЕ | Роликовый радиальный двухрядный подшипник. Сепаратор из текстолита.. | 70.00 | 110.00 | 30.00 |
| 5-3182114 Л | Роликовый радиальный двухрядный подшипник. Сепаратор из латуни.. | 70.00 | 110.00 | 30.00 |
Способы доставки
Отправка через ведущие транспортные и курьерские компании: ПЭК, Деловые Линии, СДЭК, Байкал-Сервис, Энергия, КИТ, ЖелДорЭкспедиция.
Самовывоз возможен напрямую со склада в Москве.
Сроки доставки
Срок зависит от региона и выбранной транспортной компании. Все заказы комплектуются и отправляются в кратчайшие сроки со склада в Москве.
Надёжность и сохранность
Вся продукция упаковывается с учётом требований транспортировки. Мы гарантируем, что подшипники и комплектующие прибудут к заказчику в полной сохранности.
Доставка в страны ЕАЭС
Мы работаем с проверенными логистическими партнёрами, что позволяет оперативно доставлять заказы в Беларусь, Казахстан, Армению и другие страны ЕАЭС.
Варианты оплаты:
Минимальная сумма заказа и скидки:
Документы и гарантии:
Да, конечно! Наши технические специалисты готовы помочь вам с подбором точного аналога или замены подшипника. Просто позвоните нам по телефону +7 (495) 104-99-04 или напишите на почту zakaz@podsnab.ru.
Для оперативной консультации подготовьте, пожалуйста, имеющиеся данные: маркировку, размеры, тип оборудования или артикул старого подшипника.
Да, конечно! Мы высоко ценим долгосрочное сотрудничество и доверие клиентов по всей России. Для постоянных клиентов действует персональная система скидок.
Условия формируются индивидуально и зависят от:
Чтобы узнать свои условия и получить максимально выгодное предложение, свяжитесь с персональным менеджером или напишите нам на почту zakaz@podsnab.ru.
Вы можете оформить заказ несколькими способами:
Для оформления заказа от юридического лица свяжитесь с нашим отделом по работе с корпоративными клиентами по телефону +7 (495) 104-99-04 или напишите на email zakaz@podsnab.ru, прикрепив реквизиты вашей организации.
Мы оперативно подготовим коммерческое предложение и выставим счет.
Возврат товара надлежащего качества возможен в течение 10 дней с момента получения, если товар не был в употреблении, сохранен товарный вид, упаковка не вскрывалась и присутствуют все сопроводительные документы.
Возврат денежных средств осуществляется в течение 10 рабочих дней после проверки товара складом.
В соответствии с законодательством возврату не подлежат подшипники надлежащего качества, если отсутствует оригинальная упаковка или имеются следы монтажа.
В случае выявления брака или гарантийного случая мы гарантируем возврат или обмен товара.
Да, гарантийный срок хранения устанавливается заводом-изготовителем и в среднем составляет 2 года при соблюдении условий хранения: сухое помещение, оригинальная упаковка и смазка.
Точный срок для конкретного типа подшипника уточняйте у наших менеджеров.
Пн–Пт: с 8:00 до 17:00 (МСК).
Сб–Вс: выходные дни.
Заказы на сайте принимаются круглосуточно. Заявки, поступившие после окончания рабочего дня, обрабатываются на следующий рабочий день.
Минимальная сумма заказа для доставки составляет 3000 рублей. Самовывоз со склада возможен на любую сумму при наличии товара.
ООО «УралТехГрупп»
ИНН: 7415093830
КПП: 772401001
ОГРН: 1167456069021
Банк: ПАО Сбербанк
Р/с: 40702810838000475273
К/с: 30101810400000000225
БИК: 044525225
У подшипника NN3014-AS-K-M-SP пока нет отзывов. Вы можете стать первым покупателем, поделившимся своим мнением.