Поиск подшипника
Статьи
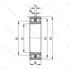
NN3026-AS-K-M-SP — Подшипник роликовый цилиндрический двухрядный, модификация основного исполнения NN3026, выпускается производителями: FAG, INA.
Размер подшипника: 130x200x52 мм.
Двухрядный цилиндрический роликоподшипник, подшипник супер точный, смазка aeroshell 7. диапазон от –10°c до 110°c, коническое отверстие. конус 1/12, латунный сепаратор. центрированный по роликам.
Аналоги: NN3026ASK.M.SP FAG,NN3026XKMSP SKF.
Международная стандартизации ISO
NN3026ASKMSP
В наличии
| Обозначение | Конструктивные изменения |
|---|---|
| NN3026M | Механически обработанный латунный сепаратор .Расположенный на элементах качения. |
| NN3026KM P52 | Combination of P5 (Dimensional And Running Accuracy To ISO Tolerance Class 5.) And C2 (Bearing Internal Clearance Smaller Than Normal). Type Of Model. |
| NN3026KM P51 | Сочетание P5 (размерная точность и точность хода в соответствии с классом допуска ISO 5 (лучше. чем P6)) и C1 (радиальный зазор и сниженный уровень вибрации). Type Of Model. |
| NN3026KTN9/SPW33 | Канавка для смазки и три отверстия во внешнем кольце подшипника. Коническое отверстие. конус 1/12. Литой сепаратор из армированного стекловолокном полиамида 6.6. Точность размеров примерно соответствует классу точности Р5. биения — классу точности Р4. |
| NN3026-AS-K-M-SP-H74 | Коническое отверстие. конус 1/12. Латунный сепаратор. Центрированный по роликам. Подшипник супер точный. Смазка Aeroshell 7. Диапазон от –10°C до 110°C.. Double Row Cylindrical Roller Bearings With Restricted Tolerances_ Maximum Radial Runout Marked On The Inner Ring_ Measuring Report_ H74 Replaces 700511. |
| NN3026-AS-M-SP-C2 | Внутренний зазор подшипника меньше нормального. Латунный сепаратор. Центрированный по роликам. Подшипник супер точный. Смазка Aeroshell 7. Диапазон от –10°C до 110°C.. |
| NN3026K P41 | Коническое отверстие. конус 1/12. Combination Of P4 (Dimensional & Running Accuracy To ISO Tolerance Class 4 (More Accurate Than P5)-Abec.7) And C1. Radial Clearance And Reduced Levels Of Vibration. |
| NN3026KC1NAP4 | Коническое отверстие. конус 1/12. Радиальный зазор меньше. чем C2. Нет особого значения для цилиндрического подшипника. Класс точности 4. |
| NN3026C1NAP4 | Радиальный зазор меньше. чем C2. Нет особого значения для цилиндрического подшипника. Класс точности 4. |
| NN3026MB KRE44 CC1 P4 | Обработанный латунный сепаратор. Центрированное внутреннее кольцо. Класс точности Р4 по ISO (точнее. чем P5) - Abec.7. Коническое отверстие. Для невзаимозаменяемых цилиндрических роликоподшипников. Зазор менее СС2. Наружное кольцо с обработанной смазочной канавкой и отверстиями (только для двурядных). |
| NN3026-AS-M-SP | Латунный сепаратор. Центрированный по роликам. Подшипник супер точный. Смазка Aeroshell 7. Диапазон от –10°C до 110°C.. |
| NN3026M2 K C9NA P4 | Коническое отверстие. конус 1/12. Класс точности Р4 по ISO (точнее. чем P5) - Abec.7. Латунный сепаратор из двух частей с механической обработкой. Non-Interchangeable Clearance (Tapered Bore). |
| NN3026K MB E4 CC1 P4 | Коническое отверстие. конус 1/12. Канавка для смазки и три отверстия во внешнем кольце подшипника. Механически обработанный латунный сепаратор. клёпаный. центрируемый по внутреннему кольцу. Точность размеров и хода по классу точности 4 по ISO (более точная. чем P5) - Abec7. Для невзаимозаменяемых цилиндрических роликоподшипников. Зазор менее СС2. |
| NN3026CC1P5 | Размерная и рабочая точность соответствует классу допуска ISO 5. Для невзаимозаменяемых цилиндрических роликоподшипников. Зазор менее СС2. |
| NN3026K W33 UP | Канавка для смазки и три отверстия во внешнем кольце подшипника. Коническое отверстие. конус 1/12. Специальный класс допуска для подшипников шпинделя станков точность размеров приблизительно соответствует классу допуска ISO 4. а точность хода лучше. чем класс ISO 4. |
| NN3026 | Канавка под стопорное кольцо на наружном кольце подшипника. Двухрядный цилиндрический роликовый подшипник. Основное конструктивное исполнение. |
| NN3026K CC1 P5 | Коническое отверстие. конус 1/12. Размерная и рабочая точность соответствует классу допуска ISO 5. Для невзаимозаменяемых цилиндрических роликоподшипников. Зазор менее СС2. |
| NN3026KM NA | Радиальный зазор. Незаменяемые элементы. Type Of Model. |
| NN3026MB KR CC1 P4 | сепаратор из латуни. центрированный по внутреннему кольцу. Точность размеров и хода по классу точности 4 по ISO (более точная. чем P5) - Abec7. Сверхточное коническое отверстие (1/12). Для невзаимозаменяемых цилиндрических роликоподшипников. Зазор менее СС2. |
| NN3026M2 K C1NA P5 | Коническое отверстие. конус 1/12. Размерная и рабочая точность соответствует классу допуска ISO 5. Латунный сепаратор из двух частей с механической обработкой. Неизменяемый радиальный внутренний зазор для цилиндрического роликоподшипника. |
| NN3026M2KC1NAP4 | Коническое отверстие. конус 1/12. Класс точности Р4 по ISO (точнее. чем P5) - Abec.7. Латунный сепаратор из двух частей с механической обработкой. Неизменяемый радиальный внутренний зазор для цилиндрического роликоподшипника. |
| NN3026-AS-M-SP-C3 | Внутренний зазор больше нормального. Латунный сепаратор. Центрированный по роликам. Подшипник супер точный. Смазка Aeroshell 7. Диапазон от –10°C до 110°C.. |
| NN3026MB | сепаратор из латуни. центрированный по внутреннему кольцу. |
| NN3026/W33 | Канавка для смазки и три отверстия во внешнем кольце подшипника. |
| NN3026K/W33 | Канавка для смазки и три отверстия во внешнем кольце подшипника. Коническое отверстие. Конусность 1/12. |
Модификации цилиндрического роликового подшипника NN3026-AS-K-M-SP — это измененное основное конструктивное исполнение NN3026, основные размеры (130x200x52) не отличаются.
| Обозначение | Гост | Конструктивные особенности |
|---|---|---|
| 3182126 | ISO | Подшипник роликовый цилиндрический двухрядный. |
| NNU3026NA P5 | ISO | Размерная и рабочая точность соответствует классу допуска ISO 5. Нет особого значения для цилиндрического подшипника. |
Аналог цилиндрического роликового подшипника NN3026-AS-K-M-SP — это подшипник такого же размера dx130,Dx200,Bx52, типа и конструкции.
| Обозначение | Конструктивные особенности | Внутренний (d) | Наружный (D) | Ширина (B) |
|---|---|---|---|---|
| 4-3182126 Л | Роликовый радиальный двухрядный подшипник. Сепаратор из латуни.. | 130.00 | 200.00 | 52.00 |
| 23026-2RS | Роликовый радиальный сферический двухрядный подшипник. Резиновые уплотнения с каждой стороны подшипника. | 130.00 | 200.00 | 52.00 |
| 23026RH | Роликовый радиальный сферический двухрядный подшипник. Выпуклые симметричные ролики и штампованный сепаратор. | 130.00 | 200.00 | 52.00 |
| 23026-K-MB-W33+H3026 | Роликовый радиальный сферический двухрядный подшипник. Канавка для смазки и три отверстия во внешнем кольце подшипника. Коническое отверстие. Конусность 1/12. сепаратор из латуни. центрированный по внутреннему кольцу. | 130.00 | 200.00 | 52.00 |
| 23026-K-MB-W33+AHX3026 | Роликовый радиальный сферический двухрядный подшипник. Канавка для смазки и три отверстия во внешнем кольце подшипника. Коническое отверстие. Конусность 1/12. сепаратор из латуни. центрированный по внутреннему кольцу. | 130.00 | 200.00 | 52.00 |
| 23026BK | Роликовый радиальный сферический двухрядный подшипник. Игольчатый роликовый подшипник со штампованным наружным кольцом с закрытым торцом. | 130.00 | 200.00 | 52.00 |
| 23026 KCW33+AH3026 | Роликовый радиальный сферический двухрядный подшипник. Кольцевая канавка и три отверстия для смазывания в наружном кольце подшипника. Коническое внутреннее отверстие. | 130.00 | 200.00 | 52.00 |
| 23026 KCW33+H3026 | Роликовый радиальный сферический двухрядный подшипник. Кольцевая канавка и три отверстия для смазывания в наружном кольце подшипника. Коническое внутреннее отверстие. | 130.00 | 200.00 | 52.00 |
| NCF 3026 V | Роликовый радиальный цилиндрический однорядный подшипник. Бессепараторный подшипник. Однорядный без сепараторный цилиндрический роликовый подшипник. Два борта на внутреннем кольце и один борт на наружном. | 130.00 | 200.00 | 52.00 |
| NN 3026 TN9/SP | Роликовый радиальный двухрядный подшипник. Литой защелкивающийся сепаратор из полиамида. армированного стекловолокном 6.6. Точность размеров примерно соответствует классу точности Р5. биения — классу точности Р4. Двухрядный цилиндрический роликовый подшипник. | 130.00 | 200.00 | 52.00 |
| 23026AX | Роликовый радиальный сферический двухрядный подшипник. Поверхность контакта скольжения сталь / сталь. | 130.00 | 200.00 | 52.00 |
| 23026E | Роликовый радиальный сферический двухрядный подшипник. Повышенная грузоподъемность. | 130.00 | 200.00 | 52.00 |
| ШМЛ130 Т2 | Шарнирный подшипник. 200°. Температура отпуска. Без отверстий и канавок для смазки. | 130.00 | 200.00 | 52.00 |
| 6-3182126-К | Роликовый радиальный двухрядный подшипник. Кольцевая проточка на середине цилиндрической наружной поверхности наружного кольца плюс три отверстия для смазки. | 130.00 | 200.00 | 52.00 |
| 5-3182126 Л | Роликовый радиальный двухрядный подшипник. Сепаратор из латуни.. | 130.00 | 200.00 | 52.00 |
Способы доставки
Отправка через ведущие транспортные и курьерские компании: ПЭК, Деловые Линии, СДЭК, Байкал-Сервис, Энергия, КИТ, ЖелДорЭкспедиция.
Самовывоз возможен напрямую со склада в Москве.
Сроки доставки
Срок зависит от региона и выбранной транспортной компании. Все заказы комплектуются и отправляются в кратчайшие сроки со склада в Москве.
Надёжность и сохранность
Вся продукция упаковывается с учётом требований транспортировки. Мы гарантируем, что подшипники и комплектующие прибудут к заказчику в полной сохранности.
Доставка в страны ЕАЭС
Мы работаем с проверенными логистическими партнёрами, что позволяет оперативно доставлять заказы в Беларусь, Казахстан, Армению и другие страны ЕАЭС.
Варианты оплаты:
Минимальная сумма заказа и скидки:
Документы и гарантии:
Да, конечно! Наши технические специалисты готовы помочь вам с подбором точного аналога или замены подшипника. Просто позвоните нам по телефону +7 (495) 104-99-04 или напишите на почту zakaz@podsnab.ru.
Для оперативной консультации подготовьте, пожалуйста, имеющиеся данные: маркировку, размеры, тип оборудования или артикул старого подшипника.
Да, конечно! Мы высоко ценим долгосрочное сотрудничество и доверие клиентов по всей России. Для постоянных клиентов действует персональная система скидок.
Условия формируются индивидуально и зависят от:
Чтобы узнать свои условия и получить максимально выгодное предложение, свяжитесь с персональным менеджером или напишите нам на почту zakaz@podsnab.ru.
Вы можете оформить заказ несколькими способами:
Для оформления заказа от юридического лица свяжитесь с нашим отделом по работе с корпоративными клиентами по телефону +7 (495) 104-99-04 или напишите на email zakaz@podsnab.ru, прикрепив реквизиты вашей организации.
Мы оперативно подготовим коммерческое предложение и выставим счет.
Возврат товара надлежащего качества возможен в течение 10 дней с момента получения, если товар не был в употреблении, сохранен товарный вид, упаковка не вскрывалась и присутствуют все сопроводительные документы.
Возврат денежных средств осуществляется в течение 10 рабочих дней после проверки товара складом.
В соответствии с законодательством возврату не подлежат подшипники надлежащего качества, если отсутствует оригинальная упаковка или имеются следы монтажа.
В случае выявления брака или гарантийного случая мы гарантируем возврат или обмен товара.
Да, гарантийный срок хранения устанавливается заводом-изготовителем и в среднем составляет 2 года при соблюдении условий хранения: сухое помещение, оригинальная упаковка и смазка.
Точный срок для конкретного типа подшипника уточняйте у наших менеджеров.
Пн–Пт: с 8:00 до 17:00 (МСК).
Сб–Вс: выходные дни.
Заказы на сайте принимаются круглосуточно. Заявки, поступившие после окончания рабочего дня, обрабатываются на следующий рабочий день.
Минимальная сумма заказа для доставки составляет 3000 рублей. Самовывоз со склада возможен на любую сумму при наличии товара.
ООО «УралТехГрупп»
ИНН: 7415093830
КПП: 772401001
ОГРН: 1167456069021
Банк: ПАО Сбербанк
Р/с: 40702810838000475273
К/с: 30101810400000000225
БИК: 044525225
У подшипника NN3026-AS-K-M-SP пока нет отзывов. Вы можете стать первым покупателем, поделившимся своим мнением.