Поиск подшипника
Статьи
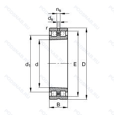
NN3036-AS-K-M-SP — Подшипник роликовый цилиндрический двухрядный, модификация основного исполнения NN3036, выпускается производителями: FAG, INA.
Размер подшипника: 180x280x74 мм.
Двухрядный цилиндрический роликоподшипник, подшипник супер точный, смазка aeroshell 7. диапазон от –10°c до 110°c, коническое отверстие. конус 1/12, латунный сепаратор. центрированный по роликам.
Международная стандартизации ISO
NN3036ASKMSP
В наличии
| Обозначение | Конструктивные изменения |
|---|---|
| NN3036K P51 | Коническое отверстие. Конусность 1/12. Сочетание P5 (размерная точность и точность хода в соответствии с классом допуска ISO 5 (лучше. чем P6)) и C1 (радиальный зазор и сниженный уровень вибрации). |
| NN3036 | Канавка под стопорное кольцо на наружном кольце подшипника. Двухрядный цилиндрический роликовый подшипник. Основное конструктивное исполнение. |
| NN3036K | Коническое внутреннее отверстие. Двухрядный цилиндрический роликовый подшипник. |
| NN3036K.MB | Коническое отверстие. конус 1/12. Механически обработанный латунный фиксатор. Направляющее внутреннее кольцо. |
| NN3036MBKRE1CC1P5 | Обработанный латунный сепаратор. Центрированное внутреннее кольцо. Размерная и рабочая точность соответствует классу допуска ISO 5. Notch Or Lubricating Groove In Ring. Коническое отверстие 1/12. Для невзаимозаменяемых цилиндрических роликоподшипников. Зазор менее СС2. |
| NN3036K/SPW33 | Канавка для смазки и три отверстия во внешнем кольце подшипника. Коническое отверстие. конус 1/12. Точность размеров примерно соответствует классу точности Р5. биения — классу точности Р4. Двухрядный цилиндрический роликовый подшипник. |
| NN3036K C1 NA P4 | Коническое отверстие. конус 1/12. Радиальный зазор меньше. чем C2. Нет особого значения для цилиндрического подшипника. Класс точности 4. |
| NN3036K/SPC2W33 | Канавка для смазки и три отверстия во внешнем кольце подшипника. Коническое отверстие. конус 1/12. Внутренний зазор подшипника меньше нормального. Точность размеров примерно соответствует классу точности Р5. биения — классу точности Р4. |
| NN3036K/SPW33VS019 | Канавка для смазки и три отверстия во внешнем кольце подшипника. Коническое отверстие. конус 1/12. Точность размеров примерно соответствует классу точности Р5. биения — классу точности Р4. Clearance And Preload). |
| NN3036MBKRE4CC1P4U26 | Обработанный латунный сепаратор. Центрированное внутреннее кольцо. Класс точности Р4 по ISO (точнее. чем P5) - Abec.7. Коническое отверстие. Для невзаимозаменяемых цилиндрических роликоподшипников. Зазор менее СС2. Спецификация специального контроля качества. |
| NN3036MB KR E4 CC1 P4 | Канавка для смазки и три отверстия во внешнем кольце подшипника. Латунный сепаратор. Центрированный на внутреннем кольце. Класс точности Р4 по ISO (точнее. чем P5) - Abec.7. Коническое отверстие. Для невзаимозаменяемых цилиндрических роликоподшипников. Зазор менее СС2. |
| NN3036MBKRE4CC1P4U2 | Обработанный латунный сепаратор. Центрированное внутреннее кольцо. Класс точности Р4 по ISO (точнее. чем P5) - Abec.7. Коническое отверстие. Для невзаимозаменяемых цилиндрических роликоподшипников. Зазор менее СС2. Спецификация специального контроля качества. |
| NN3036K P41 | Коническое отверстие. конус 1/12. Combination Of P4 (Dimensional & Running Accuracy To ISO Tolerance Class 4 (More Accurate Than P5)-Abec.7) And C1. Radial Clearance And Reduced Levels Of Vibration. |
| NN3036AS.M.SP | Латунный сепаратор. Центрированный по роликам. Подшипник супер точный. Смазка Aeroshell 7. Диапазон от –10°C до 110°C.. |
| NN3036-AS-K-M-SP-C3 | Внутренний зазор больше нормального. Коническое отверстие. конус 1/12. Латунный сепаратор. Центрированный по роликам. Подшипник супер точный. Смазка Aeroshell 7. Диапазон от –10°C до 110°C.. |
| NN3036-AS-K-M-SP-C2 | Коническое отверстие. конус 1/12. Внутренний зазор подшипника меньше нормального. Латунный сепаратор. Центрированный по роликам. Подшипник супер точный. Смазка Aeroshell 7. Диапазон от –10°C до 110°C.. |
| NN3036C1NAP5 | Подшипник роликовый цилиндрический двухрядный. |
| NN3036KC9NAP4 | Подшипник роликовый цилиндрический двухрядный. |
| NN3036KC9NAP5 | Подшипник роликовый цилиндрический двухрядный. |
| NN3036C1NAP4 | Подшипник роликовый цилиндрический двухрядный. |
| NN3036KC1NAP5 | Подшипник роликовый цилиндрический двухрядный. |
| NN3036MBKR | Подшипник роликовый цилиндрический двухрядный. |
| NN3036MB | сепаратор из латуни. центрированный по внутреннему кольцу. |
| NN3036K/W33 | Канавка для смазки и три отверстия во внешнем кольце подшипника. Коническое отверстие. Конусность 1/12. |
Модификации цилиндрического роликового подшипника NN3036-AS-K-M-SP — это измененное основное конструктивное исполнение NN3036, основные размеры (180x280x74) не отличаются.
| Обозначение | Гост | Конструктивные особенности |
|---|---|---|
| NNU3036AS.M.SP | ISO | Латунный сепаратор. Центрированный по роликам. Подшипник супер точный. Смазка Aeroshell 7. Диапазон от –10°C до 110°C.. |
| Z-565665.ZL.K-W209B-C5 | ISO | Коническое отверстие. конус 1/12. Внутренний зазор подшипника больше. чем С4. Цилиндрический роликовый подшипник. Закаленное внутреннее кольцо. |
Аналог цилиндрического роликового подшипника NN3036-AS-K-M-SP — это подшипник такого же размера dx180,Dx280,Bx74, типа и конструкции.
| Обозначение | Конструктивные особенности | Внутренний (d) | Наружный (D) | Ширина (B) |
|---|---|---|---|---|
| 23036 KCW33+H3036 | Роликовый радиальный сферический двухрядный подшипник. Кольцевая канавка и три отверстия для смазывания в наружном кольце подшипника. Коническое внутреннее отверстие. | 180.00 | 280.00 | 74.00 |
| 23036 KCW33+AH3036 | Роликовый радиальный сферический двухрядный подшипник. Кольцевая канавка и три отверстия для смазывания в наружном кольце подшипника. Коническое внутреннее отверстие. | 180.00 | 280.00 | 74.00 |
| N3036 | Роликовый радиальный однорядный подшипник. Канавка под стопорное кольцо на наружном кольце подшипника. | 180.00 | 280.00 | 74.00 |
| NF3036 | Роликовый радиальный однорядный подшипник. Механически обработанный сепаратор из стали или специального чугуна. Канавка под стопорное кольцо на наружном кольце подшипника. | 180.00 | 280.00 | 74.00 |
| NJ3036 | Роликовый радиальный однорядный подшипник. Штампованный сепаратор из стального листа. Канавка под стопорное кольцо на наружном кольце подшипника. Однорядный цилиндрический роликовый подшипник. Наружное кольцо имеет два борта. | 180.00 | 280.00 | 74.00 |
| NP3036 | Роликовый радиальный однорядный подшипник. Канавка под стопорное кольцо на наружном кольце подшипника. | 180.00 | 280.00 | 74.00 |
| NUP3036 | Роликовый радиальный однорядный подшипник. Канавка под стопорное кольцо на наружном кольце подшипника. Точность размеров примерно соответствует классу точности Р4. Однорядный цилиндрический роликовый подшипник. Наружное кольцо имеет два борта. | 180.00 | 280.00 | 74.00 |
| Z-565665.ZL-K-C5 | Роликовый радиальный подшипник. Коническое отверстие. Конусность 1/12. Внутренний зазор подшипника больше. чем С4. Цилиндрический роликовый подшипник. | 180.00 | 280.00 | 74.00 |
| NN 3036/SPW33 | Роликовый радиальный двухрядный подшипник. Двухрядный цилиндрический роликовый подшипник. | 180.00 | 280.00 | 74.00 |
| 23036EK | Сферический роликовый радиальный подшипник. | 180.00 | 280.00 | 74.00 |
| 23036AX | Роликовый радиальный сферический двухрядный подшипник. Поверхность контакта скольжения сталь / сталь. | 180.00 | 280.00 | 74.00 |
| 180KBE30+L | Роликовый радиальный-упорный двухрядный подшипник. Одно механическое уплотнение. | 180.00 | 280.00 | 74.00 |
| 323036E1 | Роликовый радиальный-упорный двухрядный подшипник. Конструкция с увеличенной грузоподьемностью. | 180.00 | 280.00 | 74.00 |
| 413036E1 | Роликовый радиальный-упорный двухрядный подшипник. Конструкция с увеличенной грузоподьемностью. | 180.00 | 280.00 | 74.00 |
| 5-3182136 Л | Роликовый радиальный двухрядный подшипник. Сепаратор из латуни.. | 180.00 | 280.00 | 74.00 |
Способы доставки
Отправка через ведущие транспортные и курьерские компании: ПЭК, Деловые Линии, СДЭК, Байкал-Сервис, Энергия, КИТ, ЖелДорЭкспедиция.
Самовывоз возможен напрямую со склада в Москве.
Сроки доставки
Срок зависит от региона и выбранной транспортной компании. Все заказы комплектуются и отправляются в кратчайшие сроки со склада в Москве.
Надёжность и сохранность
Вся продукция упаковывается с учётом требований транспортировки. Мы гарантируем, что подшипники и комплектующие прибудут к заказчику в полной сохранности.
Доставка в страны ЕАЭС
Мы работаем с проверенными логистическими партнёрами, что позволяет оперативно доставлять заказы в Беларусь, Казахстан, Армению и другие страны ЕАЭС.
Варианты оплаты:
Минимальная сумма заказа и скидки:
Документы и гарантии:
Да, конечно! Наши технические специалисты готовы помочь вам с подбором точного аналога или замены подшипника. Просто позвоните нам по телефону +7 (495) 104-99-04 или напишите на почту zakaz@podsnab.ru.
Для оперативной консультации подготовьте, пожалуйста, имеющиеся данные: маркировку, размеры, тип оборудования или артикул старого подшипника.
Да, конечно! Мы высоко ценим долгосрочное сотрудничество и доверие клиентов по всей России. Для постоянных клиентов действует персональная система скидок.
Условия формируются индивидуально и зависят от:
Чтобы узнать свои условия и получить максимально выгодное предложение, свяжитесь с персональным менеджером или напишите нам на почту zakaz@podsnab.ru.
Вы можете оформить заказ несколькими способами:
Для оформления заказа от юридического лица свяжитесь с нашим отделом по работе с корпоративными клиентами по телефону +7 (495) 104-99-04 или напишите на email zakaz@podsnab.ru, прикрепив реквизиты вашей организации.
Мы оперативно подготовим коммерческое предложение и выставим счет.
Возврат товара надлежащего качества возможен в течение 10 дней с момента получения, если товар не был в употреблении, сохранен товарный вид, упаковка не вскрывалась и присутствуют все сопроводительные документы.
Возврат денежных средств осуществляется в течение 10 рабочих дней после проверки товара складом.
В соответствии с законодательством возврату не подлежат подшипники надлежащего качества, если отсутствует оригинальная упаковка или имеются следы монтажа.
В случае выявления брака или гарантийного случая мы гарантируем возврат или обмен товара.
Да, гарантийный срок хранения устанавливается заводом-изготовителем и в среднем составляет 2 года при соблюдении условий хранения: сухое помещение, оригинальная упаковка и смазка.
Точный срок для конкретного типа подшипника уточняйте у наших менеджеров.
Пн–Пт: с 8:00 до 17:00 (МСК).
Сб–Вс: выходные дни.
Заказы на сайте принимаются круглосуточно. Заявки, поступившие после окончания рабочего дня, обрабатываются на следующий рабочий день.
Минимальная сумма заказа для доставки составляет 3000 рублей. Самовывоз со склада возможен на любую сумму при наличии товара.
ООО «УралТехГрупп»
ИНН: 7415093830
КПП: 772401001
ОГРН: 1167456069021
Банк: ПАО Сбербанк
Р/с: 40702810838000475273
К/с: 30101810400000000225
БИК: 044525225
У подшипника NN3036-AS-K-M-SP пока нет отзывов. Вы можете стать первым покупателем, поделившимся своим мнением.