Поиск подшипника
Статьи
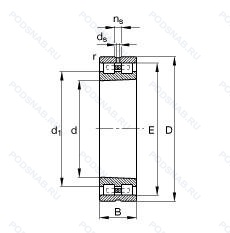
NN3038-AS-K-M-SP — Подшипник роликовый цилиндрический двухрядный, модификация основного исполнения NN3038, выпускается производителями: FAG, INA.
Размер подшипника: 190x290x75 мм.
Двухрядный цилиндрический роликоподшипник, подшипник супер точный, смазка aeroshell 7. диапазон от –10°c до 110°c, коническое отверстие. конус 1/12, латунный сепаратор. центрированный по роликам.
Международная стандартизации ISO
NN3038ASKMSP
В наличии
| Обозначение | Конструктивные изменения |
|---|---|
| NN3038K P5 | Коническое отверстие. конус 1/12. Размерная и рабочая точность соответствует классу допуска ISO 5. |
| NN3038K P51 | Коническое отверстие. конус 1/12. Комбинация P5 и C1. Радиальный зазор и сниженный уровень вибрации. |
| NN3038K | Коническое отверстие. конус 1/12. Двухрядный цилиндрический роликовый подшипник. |
| NN3038KM/SP | Точность размеров примерно соответствует классу точности Р5. биения — классу точности Р4. Type Of Model. |
| NN3038K/SPW33 | Канавка для смазки и три отверстия во внешнем кольце подшипника. Коническое отверстие. конус 1/12. Точность размеров примерно соответствует классу точности Р5. биения — классу точности Р4. Двухрядный цилиндрический роликовый подшипник. |
| NN3038-AS-K-M-SP-C2 | Коническое отверстие. конус 1/12. Внутренний зазор подшипника меньше нормального. Латунный сепаратор. Центрированный по роликам. Подшипник супер точный. Смазка Aeroshell 7. Диапазон от –10°C до 110°C.. |
| NN3038MBKRE44CC1P4 | Обработанный латунный сепаратор. Центрированное внутреннее кольцо. Класс точности Р4 по ISO (точнее. чем P5) - Abec.7. Коническое отверстие. Для невзаимозаменяемых цилиндрических роликоподшипников. Зазор менее СС2. Наружное кольцо с обработанной смазочной канавкой и отверстиями (только для двурядных). |
| NN3038AS.M.SP | Латунный сепаратор. Центрированный по роликам. Подшипник супер точный. Смазка Aeroshell 7. Диапазон от –10°C до 110°C.. |
| NN3038KC1NAP4 | Подшипник роликовый цилиндрический двухрядный. |
| NN3038KC1NAP5 | Подшипник роликовый цилиндрический двухрядный. |
| NN3038C1NAP5 | Подшипник роликовый цилиндрический двухрядный. |
| NN3038KC9NAP4 | Подшипник роликовый цилиндрический двухрядный. |
| NN3038KC9NAP5 | Подшипник роликовый цилиндрический двухрядный. |
| NN3038C1NAP4 | Подшипник роликовый цилиндрический двухрядный. |
| NN3038MBKR | Подшипник роликовый цилиндрический двухрядный. |
| NN3038MB | сепаратор из латуни. центрированный по внутреннему кольцу. |
| NN3038 | Канавка под стопорное кольцо на наружном кольце подшипника. Двухрядный цилиндрический роликовый подшипник. Основное конструктивное исполнение. |
| NN3038K/W33 | Канавка для смазки и три отверстия во внешнем кольце подшипника. Коническое отверстие. Конусность 1/12. |
Модификации цилиндрического роликового подшипника NN3038-AS-K-M-SP — это измененное основное конструктивное исполнение NN3038, основные размеры (190x290x75) не отличаются.
| Обозначение | Конструктивные особенности | Внутренний (d) | Наружный (D) | Ширина (B) |
|---|---|---|---|---|
| 23038 KCW33+H3038 | Роликовый радиальный сферический двухрядный подшипник. Кольцевая канавка и три отверстия для смазывания в наружном кольце подшипника. Коническое внутреннее отверстие. | 190.00 | 290.00 | 75.00 |
| NCF 3038 CV | Роликовый радиальный цилиндрический однорядный подшипник. Полноразмерный цилиндрический роликоподшипник с модифицированной внутренней конструкцией. Однорядный без сепараторный цилиндрический роликовый подшипник. | 190.00 | 290.00 | 75.00 |
| N3038 | Роликовый радиальный однорядный подшипник. Канавка под стопорное кольцо на наружном кольце подшипника. | 190.00 | 290.00 | 75.00 |
| NF3038 | Роликовый радиальный однорядный подшипник. Механически обработанный сепаратор из стали или специального чугуна. Канавка под стопорное кольцо на наружном кольце подшипника. | 190.00 | 290.00 | 75.00 |
| NJ3038 | Роликовый радиальный однорядный подшипник. Штампованный сепаратор из стального листа. Канавка под стопорное кольцо на наружном кольце подшипника. Однорядный цилиндрический роликовый подшипник. Наружное кольцо имеет два борта. | 190.00 | 290.00 | 75.00 |
| NP3038 | Роликовый радиальный однорядный подшипник. Канавка под стопорное кольцо на наружном кольце подшипника. | 190.00 | 290.00 | 75.00 |
| NU3038 | Роликовый радиальный однорядный подшипник. Канавка под стопорное кольцо на наружном кольце подшипника. Однорядные цилиндрические роликоподшипники. Наружное кольцо подшипника имеет два борта. | 190.00 | 290.00 | 75.00 |
| NUP3038 | Роликовый радиальный однорядный подшипник. Канавка под стопорное кольцо на наружном кольце подшипника. Точность размеров примерно соответствует классу точности Р4. Однорядный цилиндрический роликовый подшипник. Наружное кольцо имеет два борта. | 190.00 | 290.00 | 75.00 |
| Z-565666.ZL-K-C5 | Роликовый радиальный подшипник. Коническое отверстие. Конусность 1/12. Внутренний зазор подшипника больше. чем С4. Цилиндрический роликовый подшипник. | 190.00 | 290.00 | 75.00 |
| NN 3038/SPW33 | Роликовый радиальный двухрядный подшипник. Двухрядный цилиндрический роликовый подшипник. | 190.00 | 290.00 | 75.00 |
| 23038A2X | Роликовый радиальный сферический двухрядный подшипник. High Speed Spherical Roller Bearing. | 190.00 | 290.00 | 75.00 |
| 23038EK | Роликовый радиальный сферический двухрядный подшипник. | 190.00 | 290.00 | 75.00 |
| 190KBE30+L | Роликовый радиальный-упорный двухрядный подшипник. Одно механическое уплотнение. | 190.00 | 290.00 | 75.00 |
| 323038E1 | Роликовый радиальный-упорный двухрядный подшипник. Конструкция с увеличенной грузоподьемностью. | 190.00 | 290.00 | 75.00 |
| 413038E1 | Роликовый радиальный-упорный двухрядный подшипник. Конструкция с увеличенной грузоподьемностью. | 190.00 | 290.00 | 75.00 |
Способы доставки
Отправка через ведущие транспортные и курьерские компании: ПЭК, Деловые Линии, СДЭК, Байкал-Сервис, Энергия, КИТ, ЖелДорЭкспедиция.
Самовывоз возможен напрямую со склада в Москве.
Сроки доставки
Срок зависит от региона и выбранной транспортной компании. Все заказы комплектуются и отправляются в кратчайшие сроки со склада в Москве.
Надёжность и сохранность
Вся продукция упаковывается с учётом требований транспортировки. Мы гарантируем, что подшипники и комплектующие прибудут к заказчику в полной сохранности.
Доставка в страны ЕАЭС
Мы работаем с проверенными логистическими партнёрами, что позволяет оперативно доставлять заказы в Беларусь, Казахстан, Армению и другие страны ЕАЭС.
Варианты оплаты:
Минимальная сумма заказа и скидки:
Документы и гарантии:
Да, конечно! Наши технические специалисты готовы помочь вам с подбором точного аналога или замены подшипника. Просто позвоните нам по телефону +7 (495) 104-99-04 или напишите на почту zakaz@podsnab.ru.
Для оперативной консультации подготовьте, пожалуйста, имеющиеся данные: маркировку, размеры, тип оборудования или артикул старого подшипника.
Да, конечно! Мы высоко ценим долгосрочное сотрудничество и доверие клиентов по всей России. Для постоянных клиентов действует персональная система скидок.
Условия формируются индивидуально и зависят от:
Чтобы узнать свои условия и получить максимально выгодное предложение, свяжитесь с персональным менеджером или напишите нам на почту zakaz@podsnab.ru.
Вы можете оформить заказ несколькими способами:
Для оформления заказа от юридического лица свяжитесь с нашим отделом по работе с корпоративными клиентами по телефону +7 (495) 104-99-04 или напишите на email zakaz@podsnab.ru, прикрепив реквизиты вашей организации.
Мы оперативно подготовим коммерческое предложение и выставим счет.
Возврат товара надлежащего качества возможен в течение 10 дней с момента получения, если товар не был в употреблении, сохранен товарный вид, упаковка не вскрывалась и присутствуют все сопроводительные документы.
Возврат денежных средств осуществляется в течение 10 рабочих дней после проверки товара складом.
В соответствии с законодательством возврату не подлежат подшипники надлежащего качества, если отсутствует оригинальная упаковка или имеются следы монтажа.
В случае выявления брака или гарантийного случая мы гарантируем возврат или обмен товара.
Да, гарантийный срок хранения устанавливается заводом-изготовителем и в среднем составляет 2 года при соблюдении условий хранения: сухое помещение, оригинальная упаковка и смазка.
Точный срок для конкретного типа подшипника уточняйте у наших менеджеров.
Пн–Пт: с 8:00 до 17:00 (МСК).
Сб–Вс: выходные дни.
Заказы на сайте принимаются круглосуточно. Заявки, поступившие после окончания рабочего дня, обрабатываются на следующий рабочий день.
Минимальная сумма заказа для доставки составляет 3000 рублей. Самовывоз со склада возможен на любую сумму при наличии товара.
ООО «УралТехГрупп»
ИНН: 7415093830
КПП: 772401001
ОГРН: 1167456069021
Банк: ПАО Сбербанк
Р/с: 40702810838000475273
К/с: 30101810400000000225
БИК: 044525225
У подшипника NN3038-AS-K-M-SP пока нет отзывов. Вы можете стать первым покупателем, поделившимся своим мнением.