Поиск подшипника
Статьи
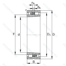
NNU4922-S-K-M-SP — Подшипник роликовый цилиндрический двухрядный, модификация основного исполнения NNU4922, производство FAG.
Размер подшипника: 110x150x40 мм.
Двухрядный цилиндрический роликоподшипник. Коническое отверстие позволяет регулировать внутренний зазор. Имеются масляная канавка и масляное отверстие в центре наружного кольца, точность размеров примерно соответствует классу точности р5. биения — классу точности р4, канавка для смазки и три отверстия во внешнем кольце подшипника, коническое отверстие. конус 1/12, латунный сепаратор. центрированный по роликам.
Международная стандартизации ISO
NNU4922SKMSP
В наличии
| Обозначение | Конструктивные изменения |
|---|---|
| NNU4922KM P51 NA | Радиальный зазор для подшипников с невзаимозаменяемыми кольцами (Обозначает всегда после символа радиального зазора. например. NU215P63 NA). Сочетание P5 (размерная точность и точность хода в соответствии с классом допуска ISO 5 (лучше. чем P6)) и C1 (радиальный зазор и сниженный уровень вибрации). Type Of Model. |
| NNU4922KM P51 | Сочетание P5 (размерная точность и точность хода в соответствии с классом допуска ISO 5 (лучше. чем P6)) и C1 (радиальный зазор и сниженный уровень вибрации). Type Of Model. |
| NNU4922M P51 NA | Механически обработанный латунный сепаратор .Расположенный на элементах качения. Не имеет особого значения (цилиндрический роликподшипник). Сочетание P5 (размерная точность и точность хода в соответствии с классом допуска ISO 5 (лучше. чем P6)) и C1 (радиальный зазор и сниженный уровень вибрации). |
| NNU4922M P5 | Механически обработанный латунный сепаратор .Расположенный на элементах качения. Размерная и рабочая точность соответствует классу допуска ISO 5. |
| NNU4922KM P5 NA | Размерная и рабочая точность соответствует классу допуска ISO 5. Нет особого значения для цилиндрического подшипника. Type Of Model. |
| NNU4922-S-M-SP | Канавка для смазки и три отверстия во внешнем кольце подшипника. Латунный сепаратор. Центрированный по роликам. Точность размеров примерно соответствует классу точности Р5. биения — классу точности Р4. |
| NNU4922-S-M-SP-R85-110 | Канавка для смазки и три отверстия во внешнем кольце подшипника. Латунный сепаратор. Центрированный по роликам. Точность размеров примерно соответствует классу точности Р5. биения — классу точности Р4. Radial Clearance In μm. |
| NNU4922BK/SPW33 | Канавка для смазки и три отверстия во внешнем кольце подшипника. Специальный класс точности для станочных подшипников. Точность размеров приблизительно до P5. Точность хода приблизительно P4. Двухрядный цилиндрический роликовый подшипник. Игольчатый роликовый подшипник со штампованным наружным кольцом с закрытым торцом. |
| NNU4922-S-M-P5-C3 | Канавка для смазки и три отверстия во внешнем кольце подшипника. Внутренний зазор больше нормального. Латунный сепаратор. Центрированный по роликам. Размерная и рабочая точность соответствует классу допуска ISO 5. |
| NNU4922-S-K-M-SP-C2 | Канавка для смазки и три отверстия во внешнем кольце подшипника. Коническое отверстие. конус 1/12. Внутренний зазор подшипника меньше нормального. Латунный сепаратор. Центрированный по роликам. Точность размеров примерно соответствует классу точности Р5. биения — классу точности Р4. |
| NNU4922-S-M-SP-C2 | Канавка для смазки и три отверстия во внешнем кольце подшипника. Внутренний зазор подшипника меньше нормального. Латунный сепаратор. Центрированный по роликам. Точность размеров примерно соответствует классу точности Р5. биения — классу точности Р4. |
| NNU4922MBE1CC1P4 | Механически обработанный латунный сепаратор. клёпаный. центрируемый по внутреннему кольцу. Notch Or Lubricating Groove In Ring. Точность размеров и хода по классу точности 4 по ISO (более точная. чем P5) - Abec7. Для невзаимозаменяемых цилиндрических роликоподшипников. Зазор менее СС2. |
| NNU4922MBE1CC1P4C3 | Internal Clearance is larger than normal. Механически обработанный латунный сепаратор. клёпаный. центрируемый по внутреннему кольцу. Notch Or Lubricating Groove In Ring. Точность размеров и хода по классу точности 4 по ISO (более точная. чем P5) - Abec7. Для невзаимозаменяемых цилиндрических роликоподшипников. Зазор менее СС2. |
| NNU4922K.M | Коническое отверстие. конус 1/12. Латунный сепаратор. Центрированный по роликам. |
| NNU4922MB KRE4 CC1 P4 | Латунный сепаратор. Центрированный на внутреннем кольце. Класс точности Р4 по ISO (точнее. чем P5) - Abec.7. Коническое отверстие. Для невзаимозаменяемых цилиндрических роликоподшипников. Зазор менее СС2. |
| NNU4922-S-M-SP-C3 | Канавка для смазки и три отверстия во внешнем кольце подшипника. Внутренний зазор больше нормального. Латунный сепаратор. Центрированный по роликам. Точность размеров примерно соответствует классу точности Р5. биения — классу точности Р4. |
| NNU4922CC1P5 | Размерная и рабочая точность соответствует классу допуска ISO 5. Для невзаимозаменяемых цилиндрических роликоподшипников. Зазор менее СС2. |
| NNU4922 | Сталь сквозной закалки SUJ2 (японская) и взаимозаменяемость (только для метрических серий). Канавка под стопорное кольцо на наружном кольце подшипника. Двухрядный цилиндрический роликовый подшипник. Основное конструктивное исполнение. |
| NNU4922.A.W33.M.SP | Смазочная канавка с тремя отверстиями на наружном кольце. Двухрядный радиально-упорный шарикоподшипник без отверстия для смазки. Machined Brass Cage Located On Rolling Elements. Точность размеров примерно соответствует классу точности Р5. биения — классу точности Р4. |
| NNU4922MB | сепаратор из латуни. центрированный по внутреннему кольцу. |
| NNU4922K | Коническое внутреннее отверстие. Двухрядный цилиндрический роликовый подшипник. |
| NNU4922 V | Бессепараторный подшипник. Двухрядный цилиндрический роликовый подшипник. |
| NNU4922K V | Коническое внутреннее отверстие. Бессепараторный подшипник. Двухрядный цилиндрический роликовый подшипник. |
| NNU4922K/W33 | Канавка для смазки и три отверстия во внешнем кольце подшипника. Коническое отверстие. Конусность 1/12. |
| NNU4922/W33 | Канавка для смазки и три отверстия во внешнем кольце подшипника. |
Модификации цилиндрического роликового подшипника NNU4922-S-K-M-SP — это измененное основное конструктивное исполнение NNU4922, основные размеры (110x150x40) не отличаются.
| Обозначение | Гост | Конструктивные особенности |
|---|---|---|
| NNCL4922V | ISO | Бессепараторный подшипник. |
| NAG4922 | ISO | Полнокомплектный неразборной подшипник с большой номинальной нагрузкой.. |
| SL01-4922 | ISO | Подшипник роликовый цилиндрический двухрядный. |
| NNC4922V | ISO | Бессепараторный подшипник. |
| SL02-4922 | ISO | Подшипник роликовый цилиндрический двухрядный. |
| NNCL4922CV | ISO | Внутренние изменения в конструкции. Полноразмерный цилиндрический роликоподшипник с модифицированной внутренней конструкцией. |
| NNC4922CV | ISO | Внутренние изменения в конструкции. Полноразмерный цилиндрический роликоподшипник с модифицированной внутренней конструкцией. |
| SL014922-A-C4 | ISO | Внутренний зазор подшипника больше. чем C3. Особенность внутренней конструкции. |
| SL014922-A-C3-L091 | ISO | Внутренний зазор больше нормального. Особенность внутренней конструкции. Optimized Grease For All Purposes. Temperature Range Approximately -50°C / +120°C - Description/ Isoflex® LDS 18 Special A)-Is A Dynamically Light Long-Term Grease For Plain And Rolling Bearings. It Consists Of Ester Oil. Mineral Oil And Lithium Soap. The Product Is Resistant To Ageing. Oxidation And Water. And It Protects Reliably Against Corrosion. Application/ Isoflex® LDS 18 Special A Is Suitable For Plain And Rolling Bearings Operating At Low Temperatures And/Or High Speeds. For Example In Grinding Spindles. Machine Tool Spindles. Spindle Bearings. Textile Spindles. Bearings In Oe-Spinning Turbines. Bearings In Precision And Optical Equipment. |
| SL01-4922A | ISO | Особенность внутренней конструкции. |
| NNC4922-V-C3 | ISO | Внутренний зазор больше нормального. Подшипник без сепаратора. С полным комплектом тел качения. |
| SL02-4922C3 | ISO | Внутренний зазор больше нормального. |
| SL014922-A-C2 | ISO | Радиальный внутренний зазор меньше нормального. Особенность внутренней конструкции. |
| SL184922-A-C3 | ISO | Внутренний зазор больше нормального. Особенность внутренней конструкции. |
| SL01-4922A C3 | ISO | Внутренний зазор больше нормального. Особенность внутренней конструкции. |
| NNCF4922-V-C3 | ISO | Внутренний зазор больше нормального. Подшипник без сепаратора. С полным комплектом тел качения. |
| SL02-4922A | ISO | Особенность внутренней конструкции. |
| SL18-4922A | ISO | Особенность внутренней конструкции. |
Аналог цилиндрического роликового подшипника NNU4922-S-K-M-SP — это подшипник такого же размера dx110,Dx150,Bx40, типа и конструкции.
| Обозначение | Конструктивные особенности | Внутренний (d) | Наружный (D) | Ширина (B) |
|---|---|---|---|---|
| NKI 110/44 | Роликовый игольчатый подшипник однорядный. Коническое отверстие. Проточка на наружном кольце. | 110.00 | 150.00 | 40.00 |
| 9ШС110 | Шарнирный подшипник. С отверстиями и канавками для смазки во внутреннем кольце.. | 110.00 | 150.00 | 40.00 |
| 9ШС110 К | Шарнирный подшипник. Канавка и отверстие для смазки на внутреннем и наружном кольцах.. С отверстиями и канавками для смазки во внутреннем кольце.. | 110.00 | 150.00 | 40.00 |
| 9ШС110 К1 | Шарнирный подшипник. Канавка и отверстие для смазки на наружном кольце.. С отверстиями и канавками для смазки во внутреннем кольце.. | 110.00 | 150.00 | 40.00 |
| 9ШЭ110 Ю | Шарнирный подшипник. Одно или два кольца из нержавеющей стали.. | 110.00 | 150.00 | 40.00 |
| 71922CVDUJ74 | Шариковый радиально-упорный двухрядный подшипник. Угол контакта 15°. Преднатяг (Лёгкий. Комплекты из 2. | 110.00 | 150.00 | 40.00 |
| 71922HVDUJ74 | Шариковый радиально-упорный двухрядный подшипник. Угол контакта 25°. Преднатяг (Лёгкий. Комплекты из 2. | 110.00 | 150.00 | 40.00 |
| 71922 C-UX | Шариковый радиально-упорный двухрядный подшипник. 15° Угол контакта. Универсальный монтаж, сверхлегкая предварительная нагрузка.. | 110.00 | 150.00 | 40.00 |
| 71922 C-UO | Шариковый радиально-упорный двухрядный подшипник. 15° Угол контакта. Универсальный монтаж. Для установки по O- и X- образной схеме - беззазорные.. | 110.00 | 150.00 | 40.00 |
| 71922 C-UD | Шариковый радиально-упорный двухрядный подшипник. 15° Угол контакта. | 110.00 | 150.00 | 40.00 |
| 71922 CDF | Шариковый радиально-упорный двухрядный подшипник. Однорядный радиально-упорный шарикоподшипник улучшенной конструкции с углом контакта 15°. | 110.00 | 150.00 | 40.00 |
| 71922 CDB | Шариковый радиально-упорный двухрядный подшипник. Однорядный радиально-упорный шарикоподшипник улучшенной конструкции с углом контакта 15°. | 110.00 | 150.00 | 40.00 |
| 71922 CDT | Шариковый радиально-упорный двухрядный подшипник. Механически обработанный сепаратор из текстолита. Однорядный радиально-упорный шарикоподшипник улучшенной конструкции с углом контакта 15°. | 110.00 | 150.00 | 40.00 |
| NA4922S | Роликовый игольчатый подшипник однорядный. Сварной стальной сепаратор. | 110.00 | 150.00 | 40.00 |
| 1-9ШС110 К1 | Шарнирный подшипник. Канавка и отверстие для смазки на наружном кольце.. С отверстиями и канавками для смазки во внутреннем кольце.. | 110.00 | 150.00 | 40.00 |
Способы доставки
Отправка через ведущие транспортные и курьерские компании: ПЭК, Деловые Линии, СДЭК, Байкал-Сервис, Энергия, КИТ, ЖелДорЭкспедиция.
Самовывоз возможен напрямую со склада в Москве.
Сроки доставки
Срок зависит от региона и выбранной транспортной компании. Все заказы комплектуются и отправляются в кратчайшие сроки со склада в Москве.
Надёжность и сохранность
Вся продукция упаковывается с учётом требований транспортировки. Мы гарантируем, что подшипники и комплектующие прибудут к заказчику в полной сохранности.
Доставка в страны ЕАЭС
Мы работаем с проверенными логистическими партнёрами, что позволяет оперативно доставлять заказы в Беларусь, Казахстан, Армению и другие страны ЕАЭС.
Варианты оплаты:
Минимальная сумма заказа и скидки:
Документы и гарантии:
Да, конечно! Наши технические специалисты готовы помочь вам с подбором точного аналога или замены подшипника. Просто позвоните нам по телефону +7 (495) 104-99-04 или напишите на почту zakaz@podsnab.ru.
Для оперативной консультации подготовьте, пожалуйста, имеющиеся данные: маркировку, размеры, тип оборудования или артикул старого подшипника.
Да, конечно! Мы высоко ценим долгосрочное сотрудничество и доверие клиентов по всей России. Для постоянных клиентов действует персональная система скидок.
Условия формируются индивидуально и зависят от:
Чтобы узнать свои условия и получить максимально выгодное предложение, свяжитесь с персональным менеджером или напишите нам на почту zakaz@podsnab.ru.
Вы можете оформить заказ несколькими способами:
Для оформления заказа от юридического лица свяжитесь с нашим отделом по работе с корпоративными клиентами по телефону +7 (495) 104-99-04 или напишите на email zakaz@podsnab.ru, прикрепив реквизиты вашей организации.
Мы оперативно подготовим коммерческое предложение и выставим счет.
Возврат товара надлежащего качества возможен в течение 10 дней с момента получения, если товар не был в употреблении, сохранен товарный вид, упаковка не вскрывалась и присутствуют все сопроводительные документы.
Возврат денежных средств осуществляется в течение 10 рабочих дней после проверки товара складом.
В соответствии с законодательством возврату не подлежат подшипники надлежащего качества, если отсутствует оригинальная упаковка или имеются следы монтажа.
В случае выявления брака или гарантийного случая мы гарантируем возврат или обмен товара.
Да, гарантийный срок хранения устанавливается заводом-изготовителем и в среднем составляет 2 года при соблюдении условий хранения: сухое помещение, оригинальная упаковка и смазка.
Точный срок для конкретного типа подшипника уточняйте у наших менеджеров.
Пн–Пт: с 8:00 до 17:00 (МСК).
Сб–Вс: выходные дни.
Заказы на сайте принимаются круглосуточно. Заявки, поступившие после окончания рабочего дня, обрабатываются на следующий рабочий день.
Минимальная сумма заказа для доставки составляет 3000 рублей. Самовывоз со склада возможен на любую сумму при наличии товара.
ООО «УралТехГрупп»
ИНН: 7415093830
КПП: 772401001
ОГРН: 1167456069021
Банк: ПАО Сбербанк
Р/с: 40702810838000475273
К/с: 30101810400000000225
БИК: 044525225
У подшипника NNU4922-S-K-M-SP пока нет отзывов. Вы можете стать первым покупателем, поделившимся своим мнением.