Поиск подшипника
Статьи
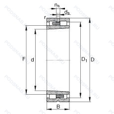
NNU4924-S-K-M-SP — Подшипник роликовый цилиндрический двухрядный, модификация основного исполнения NNU4924, производство FAG.
Размер подшипника: 120x165x45 мм.
Двухрядный цилиндрический роликоподшипник. Коническое отверстие позволяет регулировать внутренний зазор. Имеются масляная канавка и масляное отверстие в центре наружного кольца, точность размеров примерно соответствует классу точности р5. биения — классу точности р4, канавка для смазки и три отверстия во внешнем кольце подшипника, коническое отверстие. конус 1/12, латунный сепаратор. центрированный по роликам.
Аналоги: NNU4924SK.M.SP FAG.
Международная стандартизации ISO
NNU4924SKMSP
В наличии
| Обозначение | Конструктивные изменения |
|---|---|
| NNU4924KM P51 NA | Нет особого значения для цилиндрического подшипника. Сочетание P5 (размерная точность и точность хода в соответствии с классом допуска ISO 5 (лучше. чем P6)) и C1 (радиальный зазор и сниженный уровень вибрации). Type Of Model. |
| NNU4924M P51 | Механически обработанный латунный сепаратор .Расположенный на элементах качения. Сочетание P5 (размерная точность и точность хода в соответствии с классом допуска ISO 5 (лучше. чем P6)) и C1 (радиальный зазор и сниженный уровень вибрации). |
| NNU4924B/SPC2W33 | Канавка для смазки и три отверстия во внешнем кольце подшипника. Внутренний зазор подшипника меньше нормального. Стандартная конструкция с латунным сепаратором двухконтактного типа. Точность размеров примерно соответствует классу точности Р5. биения — классу точности Р4. |
| NNU4924 | Сталь сквозной закалки SUJ2 (японская) и взаимозаменяемость (только для метрических серий). Канавка под стопорное кольцо на наружном кольце подшипника. Двухрядный цилиндрический роликовый подшипник. Основное конструктивное исполнение. |
| NNU4924M/B/SP | Стандартная конструкция с латунным сепаратором двухконтактного типа. Механически обработанный латунный сепаратор. клёпаный. центрируемый по роликам. Точность размеров примерно соответствует классу точности Р5. биения — классу точности Р4. |
| NNU4924-S-M-SP | Канавка для смазки и три отверстия во внешнем кольце подшипника. Латунный сепаратор. Центрированный по роликам. Точность размеров примерно соответствует классу точности Р5. биения — классу точности Р4. |
| NNU4924MBE44CC1P5 | Механически обработанный латунный сепаратор. клёпаный. центрируемый по внутреннему кольцу. Размерная и рабочая точность соответствует классу допуска ISO 5. Для невзаимозаменяемых цилиндрических роликоподшипников. Зазор менее СС2. Наружное кольцо с обработанной смазочной канавкой и отверстиями (только для двурядных). |
| NNU4924B/SPW33 | Канавка для смазки и три отверстия во внешнем кольце подшипника. Стандартная конструкция с латунным сепаратором двухконтактного типа. Точность размеров примерно соответствует классу точности Р5. биения — классу точности Р4. Двухрядный цилиндрический роликовый подшипник. |
| NNU4924-S-K-M-SP-C2 | Канавка для смазки и три отверстия во внешнем кольце подшипника. Коническое отверстие. конус 1/12. Внутренний зазор подшипника меньше нормального. Латунный сепаратор. Центрированный по роликам. Точность размеров примерно соответствует классу точности Р5. биения — классу точности Р4. |
| NNU4924-S-M-SP-C3 | Канавка для смазки и три отверстия во внешнем кольце подшипника. Внутренний зазор больше нормального. Латунный сепаратор. Центрированный по роликам. Точность размеров примерно соответствует классу точности Р5. биения — классу точности Р4. |
| NNU4924-S-M-P5-C3 | Канавка для смазки и три отверстия во внешнем кольце подшипника. Внутренний зазор больше нормального. Латунный сепаратор. Центрированный по роликам. Размерная и рабочая точность соответствует классу допуска ISO 5. |
| NNU4924-S-M-SP-R25-35 | Канавка для смазки и три отверстия во внешнем кольце подшипника. Латунный сепаратор. Центрированный по роликам. Точность размеров примерно соответствует классу точности Р5. биения — классу точности Р4. Radial Clearance In μm. |
| NNU4924-S-M-SP-R35-55 | Канавка для смазки и три отверстия во внешнем кольце подшипника. Латунный сепаратор. Центрированный по роликам. Точность размеров примерно соответствует классу точности Р5. биения — классу точности Р4. Radial Clearance In μm. |
| NNU4924K | Коническое отверстие. конус 1/12. Двухрядный цилиндрический роликовый подшипник. |
| NNU4924MB E2 CC1 P4 | Механически обработанный латунный сепаратор. клёпаный. центрируемый по внутреннему кольцу. The Outer Ring Is Available With Standardised Lubrication Hole And Groove (E44) Specification. This Allows Easy Interchange. Точность размеров и хода по классу точности 4 по ISO (более точная. чем P5) - Abec7. Для невзаимозаменяемых цилиндрических роликоподшипников. Зазор менее СС2. |
| NNU4924BK SP | Специальный класс точности для станочных подшипников. Точность размеров приблизительно до P5. Точность хода приблизительно P4. Игольчатый роликовый подшипник со штампованным наружным кольцом с закрытым торцом. |
| NNU4924-S-M-SP-C2 | Канавка для смазки и три отверстия во внешнем кольце подшипника. Внутренний зазор подшипника меньше нормального. Латунный сепаратор. Центрированный по роликам. Точность размеров примерно соответствует классу точности Р5. биения — классу точности Р4. |
| NNU4924KC1NAP4 | Коническое отверстие. конус 1/12. Радиальный зазор меньше. чем C2. Нет особого значения для цилиндрического подшипника. Класс точности 4. |
| NNU4924KM NA W33 P51 | Канавка для смазки и три отверстия во внешнем кольце подшипника. Нет особого значения для цилиндрического подшипника. Сочетание P5 (размерная точность и точность хода в соответствии с классом допуска ISO 5 (лучше. чем P6)) и C1 (радиальный зазор и сниженный уровень вибрации). Type Of Model. |
| NNU4924MBKRE44CC1P5 | Обработанный латунный сепаратор. Центрированное внутреннее кольцо. Коническое отверстие. Для невзаимозаменяемых цилиндрических роликоподшипников. Зазор менее СС2. Наружное кольцо с обработанной смазочной канавкой и отверстиями (только для двурядных). |
| NNU4924MB | сепаратор из латуни. центрированный по внутреннему кольцу. |
| NNU4924K V | Коническое внутреннее отверстие. Бессепараторный подшипник. Двухрядный цилиндрический роликовый подшипник. |
| NNU4924 V | Бессепараторный подшипник. Двухрядный цилиндрический роликовый подшипник. |
| NNU4924/W33 | Канавка для смазки и три отверстия во внешнем кольце подшипника. |
| NNU4924K/W33 | Канавка для смазки и три отверстия во внешнем кольце подшипника. Коническое отверстие. Конусность 1/12. |
Модификации цилиндрического роликового подшипника NNU4924-S-K-M-SP — это измененное основное конструктивное исполнение NNU4924, основные размеры (120x165x45) не отличаются.
| Обозначение | Гост | Конструктивные особенности |
|---|---|---|
| SL02-4924 | ISO | Подшипник роликовый цилиндрический двухрядный. |
| NAG4924UU | ISO | Символ защиты от загрязнения. Полнокомплектный неразборной подшипник с большой номинальной нагрузкой.. |
| NNCL4924V | ISO | Бессепараторный подшипник. |
| SL18-4924 | ISO | Подшипник роликовый цилиндрический двухрядный. |
| NNC4924V | ISO | Бессепараторный подшипник. |
| NNC4924V C3 | ISO | Внутренний зазор больше нормального. Подшипник без сепаратора. С полным комплектом тел качения. |
| NNC4924CV | ISO | Внутренние изменения в конструкции. Полноразмерный цилиндрический роликоподшипник с модифицированной внутренней конструкцией. |
| NNCL4924CV | ISO | Внутренние изменения в конструкции. Полноразмерный цилиндрический роликоподшипник с модифицированной внутренней конструкцией. |
| SL014924-A-C4 | ISO | Внутренний зазор подшипника больше. чем C3. Особенность внутренней конструкции. |
| SL014924-A-C5 | ISO | Особенность внутренней конструкции. Внутренний зазор подшипника больше. чем С4. |
| SL184924-A-C3 | ISO | Внутренний зазор больше нормального. Особенность внутренней конструкции. |
| SL01-4924A | ISO | Особенность внутренней конструкции. |
| SL014924C3 | ISO | Внутренний зазор больше нормального. |
| SL01-4924A C3 | ISO | Внутренний зазор больше нормального. Особенность внутренней конструкции. |
| SL02-4924A/C3 | ISO | Подшипник роликовый цилиндрический двухрядный. |
| SL024924-A-2S | ISO | Особенность внутренней конструкции. Bearings Matched In Set Of Two For Side-By-Side Mounting. |
| SL024924-A | ISO | Особенность внутренней конструкции. |
| SL01-4924 | ISO | Подшипник роликовый цилиндрический двухрядный. |
| SL184924-A | ISO | Особенность внутренней конструкции. |
| NNCF4924-V-C3 | ISO | Внутренний зазор больше нормального. Подшипник без сепаратора. С полным комплектом тел качения. |
Аналог цилиндрического роликового подшипника NNU4924-S-K-M-SP — это подшипник такого же размера dx120,Dx165,Bx45, типа и конструкции.
| Обозначение | Конструктивные особенности | Внутренний (d) | Наружный (D) | Ширина (B) |
|---|---|---|---|---|
| NA 4924U | Роликовый игольчатый подшипник однорядный. Универсальный одиночный подшипник. | 120.00 | 165.00 | 46.00 |
| NA4924-XL | Роликовый игольчатый подшипник однорядный. Серия X-Life премиум-класс. увеличиный срок службы. | 120.00 | 165.00 | 45.00 |
| 7924CDB/GHUP-4 | Шариковый радиально-упорный двухрядный подшипник. Угол контакта 15°. Универсальный подшипник. Подшипник с чрезвычайно высокой точностью вращения (Abec9) и допуском формы (Abec7). | 120.00 | 165.00 | 44.00 |
| 7924UCDB/GHUP-4 | Шариковый радиально-упорный двухрядный подшипник. Угол контакта 15°. Универсальный подшипник. Подшипник с чрезвычайно высокой точностью вращения (Abec9) и допуском формы (Abec7). | 120.00 | 165.00 | 44.00 |
| 71924HVDUJ74 | Шариковый радиально-упорный двухрядный подшипник. Угол контакта 25°. Преднатяг (Лёгкий. Комплекты из 2. | 120.00 | 165.00 | 44.00 |
| 71924CVDUJ74 | Шариковый радиально-упорный двухрядный подшипник. Угол контакта 15°. Преднатяг (Лёгкий. Комплекты из 2. | 120.00 | 165.00 | 44.00 |
| 71924 C-UO | Шариковый радиально-упорный двухрядный подшипник. 15° Угол контакта. Универсальный монтаж. Для установки по O- и X- образной схеме - беззазорные.. | 120.00 | 165.00 | 44.00 |
| 71924 C-UX | Шариковый радиально-упорный двухрядный подшипник. 15° Угол контакта. Универсальный монтаж, сверхлегкая предварительная нагрузка.. | 120.00 | 165.00 | 44.00 |
| 71924 C-UD | Шариковый радиально-упорный двухрядный подшипник. 15° Угол контакта. | 120.00 | 165.00 | 44.00 |
| 71924 CDB | Шариковый радиально-упорный двухрядный подшипник. Однорядный радиально-упорный шарикоподшипник улучшенной конструкции с углом контакта 15°. | 120.00 | 165.00 | 44.00 |
| 71924 CDF | Шариковый радиально-упорный двухрядный подшипник. Механически обработанный сепаратор из стали или специального чугуна. Однорядный радиально-упорный шарикоподшипник улучшенной конструкции с углом контакта 15°. | 120.00 | 165.00 | 44.00 |
| 71924 CDT | Шариковый радиально-упорный двухрядный подшипник. Механически обработанный сепаратор из текстолита. Однорядный радиально-упорный шарикоподшипник улучшенной конструкции с углом контакта 15°. | 120.00 | 165.00 | 44.00 |
| 4074924-К | Роликовый радиальный однорядный подшипник. Кольцевая проточка на середине цилиндрической наружной поверхности наружного кольца плюс три отверстия для смазки. | 120.00 | 165.00 | 45.00 |
| 442924У2 | Роликовый радиальный четырехрядный подшипник. Дополнительные технические требования. | 120.00 | 165.00 | 45.00 |
| 5-4162924 Л | Роликовый радиальный двухрядный подшипник. Сепаратор из латуни.. | 120.00 | 165.00 | 45.00 |
Способы доставки
Отправка через ведущие транспортные и курьерские компании: ПЭК, Деловые Линии, СДЭК, Байкал-Сервис, Энергия, КИТ, ЖелДорЭкспедиция.
Самовывоз возможен напрямую со склада в Москве.
Сроки доставки
Срок зависит от региона и выбранной транспортной компании. Все заказы комплектуются и отправляются в кратчайшие сроки со склада в Москве.
Надёжность и сохранность
Вся продукция упаковывается с учётом требований транспортировки. Мы гарантируем, что подшипники и комплектующие прибудут к заказчику в полной сохранности.
Доставка в страны ЕАЭС
Мы работаем с проверенными логистическими партнёрами, что позволяет оперативно доставлять заказы в Беларусь, Казахстан, Армению и другие страны ЕАЭС.
Варианты оплаты:
Минимальная сумма заказа и скидки:
Документы и гарантии:
Да, конечно! Наши технические специалисты готовы помочь вам с подбором точного аналога или замены подшипника. Просто позвоните нам по телефону +7 (495) 104-99-04 или напишите на почту zakaz@podsnab.ru.
Для оперативной консультации подготовьте, пожалуйста, имеющиеся данные: маркировку, размеры, тип оборудования или артикул старого подшипника.
Да, конечно! Мы высоко ценим долгосрочное сотрудничество и доверие клиентов по всей России. Для постоянных клиентов действует персональная система скидок.
Условия формируются индивидуально и зависят от:
Чтобы узнать свои условия и получить максимально выгодное предложение, свяжитесь с персональным менеджером или напишите нам на почту zakaz@podsnab.ru.
Вы можете оформить заказ несколькими способами:
Для оформления заказа от юридического лица свяжитесь с нашим отделом по работе с корпоративными клиентами по телефону +7 (495) 104-99-04 или напишите на email zakaz@podsnab.ru, прикрепив реквизиты вашей организации.
Мы оперативно подготовим коммерческое предложение и выставим счет.
Возврат товара надлежащего качества возможен в течение 10 дней с момента получения, если товар не был в употреблении, сохранен товарный вид, упаковка не вскрывалась и присутствуют все сопроводительные документы.
Возврат денежных средств осуществляется в течение 10 рабочих дней после проверки товара складом.
В соответствии с законодательством возврату не подлежат подшипники надлежащего качества, если отсутствует оригинальная упаковка или имеются следы монтажа.
В случае выявления брака или гарантийного случая мы гарантируем возврат или обмен товара.
Да, гарантийный срок хранения устанавливается заводом-изготовителем и в среднем составляет 2 года при соблюдении условий хранения: сухое помещение, оригинальная упаковка и смазка.
Точный срок для конкретного типа подшипника уточняйте у наших менеджеров.
Пн–Пт: с 8:00 до 17:00 (МСК).
Сб–Вс: выходные дни.
Заказы на сайте принимаются круглосуточно. Заявки, поступившие после окончания рабочего дня, обрабатываются на следующий рабочий день.
Минимальная сумма заказа для доставки составляет 3000 рублей. Самовывоз со склада возможен на любую сумму при наличии товара.
ООО «УралТехГрупп»
ИНН: 7415093830
КПП: 772401001
ОГРН: 1167456069021
Банк: ПАО Сбербанк
Р/с: 40702810838000475273
К/с: 30101810400000000225
БИК: 044525225
У подшипника NNU4924-S-K-M-SP пока нет отзывов. Вы можете стать первым покупателем, поделившимся своим мнением.