Поиск подшипника
Статьи
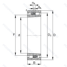
NNU4928-S-K-M-SP — Подшипник роликовый цилиндрический двухрядный, модификация основного исполнения NNU4928, производство FAG.
Размер подшипника: 140x190x50 мм.
Двухрядный цилиндрический роликоподшипник. Коническое отверстие позволяет регулировать внутренний зазор. Имеются масляная канавка и масляное отверстие в центре наружного кольца, точность размеров примерно соответствует классу точности р5. биения — классу точности р4, канавка для смазки и три отверстия во внешнем кольце подшипника, коническое отверстие. конус 1/12, латунный сепаратор. центрированный по роликам.
Международная стандартизации ISO
NNU4928SKMSP
В наличии
| Обозначение | Конструктивные изменения |
|---|---|
| NNU4928KM | Type Of Model. |
| NNU4928B SP W33 | Канавка для смазки и три отверстия во внешнем кольце подшипника. Конический роликовый подшипник. Угол контакта 20 градусов. Точность размеров примерно соответствует классу точности Р5. биения — классу точности Р4. Двухрядный цилиндрический роликовый подшипник. |
| NNU4928M.CNA | Латунный сепаратор. Центрированный по роликам. Цилиндрический роликоподшипник. Стандартный радиальный зазор. Незаменяемые детали подшипника. |
| NNU4928-S-M-SP-F12-M15MZ | Канавка для смазки и три отверстия во внешнем кольце подшипника. Латунный сепаратор. Центрированный по роликам. Точность размеров примерно соответствует классу точности Р5. биения — классу точности Р4. Separable Cylindrical Roller Bearings_ The Raceway Of Separable Ring Is Rough-Ground.(F12 Replaced By T43). Code For Sample Product. |
| NNU4928B/SPC3W33 | Внутренний зазор больше нормального. Канавка для смазки и три отверстия во внешнем кольце подшипника. Стандартная конструкция с латунным сепаратором двухконтактного типа. Точность размеров примерно соответствует классу точности Р5. биения — классу точности Р4. |
| NNU4928BK/SPW33 | Канавка для смазки и три отверстия во внешнем кольце подшипника. Специальный класс точности для станочных подшипников. Точность размеров приблизительно до P5. Точность хода приблизительно P4. Двухрядный цилиндрический роликовый подшипник. Игольчатый роликовый подшипник со штампованным наружным кольцом с закрытым торцом. |
| NNU4928-S-M-SP | Канавка для смазки и три отверстия во внешнем кольце подшипника. Латунный сепаратор. Центрированный по роликам. Точность размеров примерно соответствует классу точности Р5. биения — классу точности Р4. |
| NNU4928-S-M-SP-C2 | Канавка для смазки и три отверстия во внешнем кольце подшипника. Внутренний зазор подшипника меньше нормального. Латунный сепаратор. Центрированный по роликам. Точность размеров примерно соответствует классу точности Р5. биения — классу точности Р4. |
| NNU4928-S-M-SP-C3 | Канавка для смазки и три отверстия во внешнем кольце подшипника. Внутренний зазор больше нормального. Латунный сепаратор. Центрированный по роликам. Точность размеров примерно соответствует классу точности Р5. биения — классу точности Р4. |
| NNU4928BE3 C3 P4A | Внутренний зазор больше нормального. Точность размеров в соответствии с классом допуска ISO 4. точность вращения лучше чем класс допуска ISO 4. |
| NNU4928ASK | Канавка для смазки и три отверстия во внешнем кольце подшипника. Коническое отверстие. конус 1/12. Модифицированная внутренняя конструкция. |
| NNU4928MB KRE2 CC1 P4 | Обработанный латунный сепаратор. Центрированное внутреннее кольцо. The Outer Ring Is Available With Standardised Lubrication Hole And Groove (E44) Specification. This Allows Easy Interchange. Класс точности Р4 по ISO (точнее. чем P5) - Abec.7. Коническое отверстие. Для невзаимозаменяемых цилиндрических роликоподшипников. Зазор менее СС2. |
| NNU4928B/SP | Стандартная конструкция с латунным сепаратором двухконтактного типа. Точность размеров примерно соответствует классу точности Р5. биения — классу точности Р4. |
| NNU4928BE3 C3 P4 | Внутренний зазор больше нормального. Класс точности Р4 по ISO (точнее. чем P5) - Abec.7. |
| NNU4928BC3P4 | Внутренний зазор больше нормального. Класс точности Р4 по ISO (точнее. чем P5) - Abec.7. |
| NNU4928-S-K-M-SP-C2 | Канавка для смазки и три отверстия во внешнем кольце подшипника. Коническое отверстие. конус 1/12. Внутренний зазор подшипника меньше нормального. Латунный сепаратор. Центрированный по роликам. Точность размеров примерно соответствует классу точности Р5. биения — классу точности Р4. |
| NNU4928MBKR | Подшипник роликовый цилиндрический двухрядный. |
| NNU4928MB | сепаратор из латуни. центрированный по внутреннему кольцу. |
| NNU4928C1NAP4 | Подшипник роликовый цилиндрический двухрядный. |
| NNU4928 V | Бессепараторный подшипник. Двухрядный цилиндрический роликовый подшипник. |
| NNU4928K | Коническое внутреннее отверстие. Двухрядный цилиндрический роликовый подшипник. |
| NNU4928 | Сталь сквозной закалки SUJ2 (японская) и взаимозаменяемость (только для метрических серий). Канавка под стопорное кольцо на наружном кольце подшипника. Двухрядный цилиндрический роликовый подшипник. Основное конструктивное исполнение. |
| NNU4928K V | Коническое внутреннее отверстие. Бессепараторный подшипник. Двухрядный цилиндрический роликовый подшипник. |
| NNU4928K/W33 | Канавка для смазки и три отверстия во внешнем кольце подшипника. Коническое отверстие. Конусность 1/12. |
| NNU4928/W33 | Канавка для смазки и три отверстия во внешнем кольце подшипника. |
Модификации цилиндрического роликового подшипника NNU4928-S-K-M-SP — это измененное основное конструктивное исполнение NNU4928, основные размеры (140x190x50) не отличаются.
| Обозначение | Гост | Конструктивные особенности |
|---|---|---|
| SL024928 | ISO | Подшипник роликовый цилиндрический двухрядный. |
| NNCL4928-V | ISO | Бессепараторный подшипник. |
| NAG4928UU | ISO | Символ защиты от загрязнения. Полнокомплектный неразборной подшипник с большой номинальной нагрузкой.. |
| NAG4928 | ISO | Полнокомплектный неразборной подшипник с большой номинальной нагрузкой.. |
| NNC4928V | ISO | Бессепараторный подшипник. |
| SL01-4928V | ISO | Подшипник без сепаратора. С полным комплектом тел качения. |
| SL01-4928A P5 | ISO | Особенность внутренней конструкции. Размерная и рабочая точность соответствует классу допуска ISO 5. |
| NNCL4928CV | ISO | Внутренние изменения в конструкции. Полноразмерный цилиндрический роликоподшипник с модифицированной внутренней конструкцией. |
| NNC4928CV | ISO | Внутренние изменения в конструкции. Полноразмерный цилиндрический роликоподшипник с модифицированной внутренней конструкцией. |
| SL02-4928A | ISO | Особенность внутренней конструкции. |
| SL014928C3 | ISO | Внутренний зазор больше нормального. |
| SL184928-A | ISO | Особенность внутренней конструкции. |
| NNC4928V/P5 | ISO | Полный комплект роликов (без сепаратора). Dimensional And Running Accuracy To ISO Tolerance Class 5 (Better Than P6). |
| NN4928-S-K-M-SP | ISO | Канавка для смазки и три отверстия во внешнем кольце подшипника. Коническое отверстие. конус 1/12. Латунный сепаратор. Центрированный по роликам. Точность размеров примерно соответствует классу точности Р5. биения — классу точности Р4. |
| SL01-4928A C3 | ISO | Внутренний зазор больше нормального. Особенность внутренней конструкции. |
| SL014928-A | ISO | Особенность внутренней конструкции. |
| SL02-4928A C3 | ISO | Внутренний зазор больше нормального. Особенность внутренней конструкции. |
| SL184928-A-C3 | ISO | Внутренний зазор больше нормального. Особенность внутренней конструкции. |
| NNC4928V.C3 | ISO | Внутренний зазор больше нормального. Подшипник без сепаратора. С полным комплектом тел качения. |
| NNCF4928-V-C3 | ISO | Внутренний зазор больше нормального. Подшипник без сепаратора. С полным комплектом тел качения. |
Аналог цилиндрического роликового подшипника NNU4928-S-K-M-SP — это подшипник такого же размера dx140,Dx190,Bx50, типа и конструкции.
| Обозначение | Конструктивные особенности | Внутренний (d) | Наружный (D) | Ширина (B) |
|---|---|---|---|---|
| NU4928ZB TNGAP | Однорядный цилиндрический роликовый подшипник. Optimized Roller Profile. | 140.00 | 190.00 | 50.00 |
| NA4928 | Роликовый игольчатый подшипник. Изменения внутренней конструкции. Игольчатый роликовый подшипник с размерами по ISO 15. Канавка под стопорное кольцо на наружном кольце подшипника. | 28.00 | 45.00 | 50.00 |
| NA4928/C3 | Роликовый игольчатый подшипник. Внутренний зазор больше нормального. | 140.00 | 190.00 | 50.00 |
| NAU4928UU | Опорный ролик. Символ защиты от загрязнения. | 140.00 | 190.00 | 50.00 |
| NA4928-XL-C3-2S | Роликовый игольчатый подшипник. Внутренний зазор больше нормального. Серия X-Life премиум-класс. увеличиный срок службы. If Two Or More Bearings Are Located Adjacent To Each Other In A Planet (2. 3 Or 4 Bearings). These Must Be Ordered Using The Suffix 2S. 3S Or 4S So That They Are Sorted Together. | 140.00 | 190.00 | 50.00 |
| NA4928-XL-C3 | Роликовый игольчатый подшипник. Внутренний зазор больше нормального. Серия X-Life премиум-класс. увеличиный срок службы. | 140.00 | 190.00 | 50.00 |
| NA4928-XL-C3-4S | Роликовый игольчатый подшипник. Внутренний зазор больше нормального. Серия X-Life премиум-класс. увеличиный срок службы. If Two Or More Bearings Are Located Adjacent To Each Other In A Planet (2. 3 Or 4 Bearings). These Must Be Ordered Using The Suffix 2S. 3S Or 4S So That They Are Sorted Together. | 140.00 | 190.00 | 50.00 |
| RS-4928E4 | Роликовый радиальный двухрядный подшипник. Канавка для смазки и три отверстия во внешнем кольце подшипника. | 140.00 | 190.00 | 50.00 |
| RSF-4928E4 | Роликовый радиальный двухрядный подшипник. Канавка для смазки и три отверстия во внешнем кольце подшипника. | 140.00 | 190.00 | 50.00 |
| NNCF 4928 CV | Роликовый радиальный цилиндрический двухрядный подшипник. Полноразмерный цилиндрический роликоподшипник с модифицированной внутренней конструкцией. | 140.00 | 190.00 | 50.00 |
| NN4928 | Роликовый радиальный двухрядный подшипник. Канавка под стопорное кольцо на наружном кольце подшипника. Двухрядный цилиндрический роликовый подшипник. | 140.00 | 190.00 | 50.00 |
| NN4928K | Роликовый радиальный двухрядный подшипник. Коническое внутреннее отверстие. Двухрядный цилиндрический роликовый подшипник. | 140.00 | 190.00 | 50.00 |
| NNU 4928 K/SPW33 | Роликовый радиальный двухрядный подшипник. Коническое отверстие. Конусность 1/12. | 140.00 | 190.00 | 50.00 |
| NA4928-2RS | Роликовый игольчатый подшипник однорядный. Резиновые уплотнения с каждой стороны подшипника. | 140.00 | 190.00 | 50.00 |
| 4074928-К1 | Роликовый радиальный однорядный подшипник. Кольцевая проточка на середине цилиндрической наружной поверхности наружного кольца плюс три отверстия для смазки. | 140.00 | 190.00 | 50.00 |
Способы доставки
Отправка через ведущие транспортные и курьерские компании: ПЭК, Деловые Линии, СДЭК, Байкал-Сервис, Энергия, КИТ, ЖелДорЭкспедиция.
Самовывоз возможен напрямую со склада в Москве.
Сроки доставки
Срок зависит от региона и выбранной транспортной компании. Все заказы комплектуются и отправляются в кратчайшие сроки со склада в Москве.
Надёжность и сохранность
Вся продукция упаковывается с учётом требований транспортировки. Мы гарантируем, что подшипники и комплектующие прибудут к заказчику в полной сохранности.
Доставка в страны ЕАЭС
Мы работаем с проверенными логистическими партнёрами, что позволяет оперативно доставлять заказы в Беларусь, Казахстан, Армению и другие страны ЕАЭС.
Варианты оплаты:
Минимальная сумма заказа и скидки:
Документы и гарантии:
Да, конечно! Наши технические специалисты готовы помочь вам с подбором точного аналога или замены подшипника. Просто позвоните нам по телефону +7 (495) 104-99-04 или напишите на почту zakaz@podsnab.ru.
Для оперативной консультации подготовьте, пожалуйста, имеющиеся данные: маркировку, размеры, тип оборудования или артикул старого подшипника.
Да, конечно! Мы высоко ценим долгосрочное сотрудничество и доверие клиентов по всей России. Для постоянных клиентов действует персональная система скидок.
Условия формируются индивидуально и зависят от:
Чтобы узнать свои условия и получить максимально выгодное предложение, свяжитесь с персональным менеджером или напишите нам на почту zakaz@podsnab.ru.
Вы можете оформить заказ несколькими способами:
Для оформления заказа от юридического лица свяжитесь с нашим отделом по работе с корпоративными клиентами по телефону +7 (495) 104-99-04 или напишите на email zakaz@podsnab.ru, прикрепив реквизиты вашей организации.
Мы оперативно подготовим коммерческое предложение и выставим счет.
Возврат товара надлежащего качества возможен в течение 10 дней с момента получения, если товар не был в употреблении, сохранен товарный вид, упаковка не вскрывалась и присутствуют все сопроводительные документы.
Возврат денежных средств осуществляется в течение 10 рабочих дней после проверки товара складом.
В соответствии с законодательством возврату не подлежат подшипники надлежащего качества, если отсутствует оригинальная упаковка или имеются следы монтажа.
В случае выявления брака или гарантийного случая мы гарантируем возврат или обмен товара.
Да, гарантийный срок хранения устанавливается заводом-изготовителем и в среднем составляет 2 года при соблюдении условий хранения: сухое помещение, оригинальная упаковка и смазка.
Точный срок для конкретного типа подшипника уточняйте у наших менеджеров.
Пн–Пт: с 8:00 до 17:00 (МСК).
Сб–Вс: выходные дни.
Заказы на сайте принимаются круглосуточно. Заявки, поступившие после окончания рабочего дня, обрабатываются на следующий рабочий день.
Минимальная сумма заказа для доставки составляет 3000 рублей. Самовывоз со склада возможен на любую сумму при наличии товара.
ООО «УралТехГрупп»
ИНН: 7415093830
КПП: 772401001
ОГРН: 1167456069021
Банк: ПАО Сбербанк
Р/с: 40702810838000475273
К/с: 30101810400000000225
БИК: 044525225
У подшипника NNU4928-S-K-M-SP пока нет отзывов. Вы можете стать первым покупателем, поделившимся своим мнением.