Поиск подшипника
Статьи
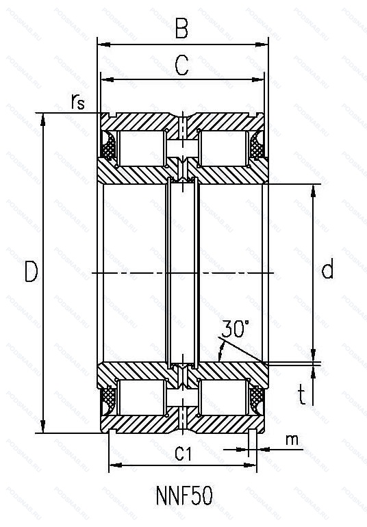
SL04-5011PPX — Подшипник роликовый цилиндрический двухрядный, модификация основного исполнения SL045011, производство INA.
Размер подшипника: 55x90x46 мм.
Тип: Узкое внутреннее кольцо, легкая нагрузка, корпус из штампованной стали, установочный винт, манжетные уплотнения с обеих сторон подшипника, подшипники и детали подшипников. наружный диаметр которых был скорректирован в соответствии с международными стандартами. этот суффикс будет использоваться только в течение некоторого времени. (см. ina-каталог № 307 - январь 1999 г.).
Альтернативное обозначение: NNF5011ADA-2LSV.
Аналоги: NNF5011PP IDC/Interprecise Donath GmbH,SL04-5011PP Unitec.
Международная стандартизации ISO
SL045011PPX
В наличии
| Обозначение | Конструктивные изменения |
|---|---|
| SL04-5011PP | Подшипник роликовый цилиндрический двухрядный. |
| SL045011-PP-2NR | Уплотнения на каждой стороне подшипника. Supplied With Two Loose-Packed Retaining Rings WRE. |
| SL04-5011PP C3 | Внутренний зазор больше нормального. Манжетные уплотнения с обеих сторон подшипника. |
| SL045011-PP-RR-C3 | Внутренний зазор больше нормального. Манжетные уплотнения с обеих сторон подшипника. Защищен от коррозии специальным покрытием Corrotect®.. |
| SL045011-PP-RR | Манжетные уплотнения с обеих сторон подшипника. Защищен от коррозии специальным покрытием Corrotect®.. |
| SL04-5011 | Подшипник роликовый цилиндрический двухрядный. |
| SL045011-PP-C2 | Радиальный внутренний зазор меньше нормального. Манжетные уплотнения с обеих сторон подшипника. |
| SL04-5011P | Манжетное уплотнение с одной стороны подшипника. |
| SL045011-C3 | Внутренний зазор больше нормального. |
| SL045011-PP-2NR-C3-L091 | Внутренний зазор больше нормального. Манжетные уплотнения с обеих сторон подшипника. Optimized Grease For All Purposes. Temperature Range Approximately -50°C / +120°C - Description/ Isoflex® LDS 18 Special A)-Is A Dynamically Light Long-Term Grease For Plain And Rolling Bearings. It Consists Of Ester Oil. Mineral Oil And Lithium Soap. The Product Is Resistant To Ageing. Oxidation And Water. And It Protects Reliably Against Corrosion. Application/ Isoflex® LDS 18 Special A Is Suitable For Plain And Rolling Bearings Operating At Low Temperatures And/Or High Speeds. For Example In Grinding Spindles. Machine Tool Spindles. Spindle Bearings. Textile Spindles. Bearings In Oe-Spinning Turbines. Bearings In Precision And Optical Equipment. Supplied With Two Loose-Packed Retaining Rings WRE. |
| SL04-5011N | Подшипник роликовый цилиндрический двухрядный. |
| SL04-5011LLNR | Подшипник роликовый цилиндрический двухрядный. |
| SL04-5011NR | Проточка и стопорное кольцо на наружном кольце. Внутреннее кольцо с сепаратором не совместимо с другим наружным кольцом. |
Модификации цилиндрического роликового подшипника SL04-5011PPX — это измененное основное конструктивное исполнение SL045011, основные размеры (55x90x46) не отличаются.
| Обозначение | Гост | Конструктивные особенности |
|---|---|---|
| NNF5011-2LS-VX | ISO | Контактное уплотнение с обеих сторон подшипника. Подшипник без сепаратора. С полным комплектом тел качения. |
| NNCF5011V | ISO | Бессепараторный подшипник. |
| NNCF5011V C3 | ISO | Внутренний зазор больше нормального. Подшипник без сепаратора. С полным комплектом тел качения. |
| NNF5011ADA | ISO | Широкие канавки для стопорных колец на внешнем кольце. Внутреннее кольцо из двух частей. удерживаемое вместе стопорным кольцом. |
| NNF5011ADA-2LSV | ISO | Широкие канавки для стопорных колец на внешнем кольце. Внутреннее кольцо из двух частей. удерживаемое вместе стопорным кольцом. |
| NAS5011ZZ NR | ISO | Защитные металлические шайбы с обеих сторон. Канавка под стопорное кольцо на наружном кольце с соответствующим стопорным кольцом. |
| RS-5011DSE7NAS5C3/AS2 | ISO | Внутренний зазор больше нормального. Смазка Aeroshell 7. Диапазон от –10°C до 110°C.. Подшипник с двумя смазочными отверстиями, расположенными под углом 180° во внешнем кольце. Смазочные канавки и отверстия. внешние и внутренние. |
| RS-5011DSE7NAS5C3/AS2X | ISO | Внутренний зазор больше нормального. 1/4 Full. Смазка Aeroshell 7. Диапазон от –10°C до 110°C.. Защищенная поверхность. Фосфатированый. Смазочные канавки и отверстия. внешние и внутренние. |
| E5011X W33 NNTS1 | ISO | Канавка для смазки и три отверстия во внешнем кольце подшипника. Измененные размеры границ. введенные пересмотренными стандартами ISO. |
| NNF5011-2LS-V-LHT49 | ISO | Контактное уплотнение с обеих сторон подшипника. Подшипник без сепаратора. С полным комплектом тел качения. Низкотемпературная и высокотемпературная смазка. |
| NNF5012-2LS-V-2NR | ISO | Контактное уплотнение с обеих сторон подшипника. Подшипник без сепаратора. С полным комплектом тел качения. Две стопорные канавки во внешнем кольце. |
| NNF5011ADB-2LSV | ISO | Контактное уплотнение из полиуретана (AU) с обеих сторон подшипника. Полный комплект роликов (без сепаратора). Modified Snap Ring Grooves In The Outer Ring_ Two-Piece Inner Ring Held Together By A Retaining Ring. |
| SL18-5011A | ISO | Особенность внутренней конструкции. |
| SL18-5011A C3 | ISO | Внутренний зазор больше нормального. Особенность внутренней конструкции. |
| RS-5011DSE7NAS5 | ISO | Защищенная поверхность. Фосфатированый. Смазочные канавки и отверстия. внешние и внутренние. |
| NAS5011UU NR | ISO | Канавка под стопорное кольцо на наружном кольце с соответствующим стопорным кольцом. Резиновые уплотнения с каждой стороны подшипника. |
| NNF5011 2LS | ISO | Контактное уплотнение с обеих сторон подшипника. |
| NNCF5011CV/C3 | ISO | Внутренний зазор больше нормального. Полноразмерный цилиндрический роликоподшипник с модифицированной внутренней конструкцией. |
| NNF5011-A-2LS-V | ISO | Двухрядный радиально-упорный шарикоподшипник без отверстия для смазки. Контактное уплотнение с обеих сторон подшипника. Подшипник без сепаратора. С полным комплектом тел качения. |
| RS-5011DSE7NAS5C3 | ISO | Внутренний зазор больше нормального. Защищенная поверхность. Фосфатированый. Смазочные канавки и отверстия. внешние и внутренние. |
Аналог цилиндрического роликового подшипника SL04-5011PPX — это подшипник такого же размера dx55,Dx90,Bx46, типа и конструкции.
| Обозначение | Конструктивные особенности | Внутренний (d) | Наружный (D) | Ширина (B) |
|---|---|---|---|---|
| GE 55 XS/K | Сферический подшипник скольжения. Коническое отверстие. Повышенной грузоподъемности. Внутренний диаметр отличается от стандартных размеров для миниатюрных шариковых подшипников. | 55.00 | 90.00 | 47.00 |
| SB55A | Сферический подшипник скольжения. Двухрядный радиально-упорный шарикоподшипник без отверстия для смазки. | 55.00 | 90.00 | 47.00 |
| 32011-X-N11CA-A160-200 | Однорядный конический роликовый подшипник. Внешние размеры соответствуют международным стандартам. Два X-образных конических роликоподшипника. С прокладкам между чашками. Осевой зазор в мкм. | 55.00 | 90.00 | 46.00 |
| 32011-X-N11CA-A160-20 | Однорядный конический роликовый подшипник. Внешние размеры соответствуют международным стандартам. Два X-образных конических роликоподшипника. С прокладкам между чашками. Distance Between Beginning Of The Rail And First Hole In MM. | 55.00 | 90.00 | 46.00 |
| 32011-X-N11CA | Однорядный конический роликовый подшипник. Внешние размеры соответствуют международным стандартам. Два X-образных конических роликоподшипника. С прокладкам между чашками. | 55.00 | 90.00 | 46.00 |
| RS-5011NR | Роликовый радиальный двухрядный подшипник. Канавка под стопорное кольцо на наружном кольце с соответствующим стопорным кольцом. | 55.00 | 90.00 | 46.00 |
| RS-5011 | Роликовый радиальный двухрядный подшипник. | 55.00 | 90.00 | 46.00 |
| NCF5011-2LSV | Роликовый радиальный двухрядный подшипник. | 55.00 | 90.00 | 46.00 |
| NNCF 5011 CV | Роликовый радиальный цилиндрический двухрядный подшипник. Полноразмерный цилиндрический роликоподшипник с модифицированной внутренней конструкцией. | 55.00 | 90.00 | 46.00 |
| NNF5011 V | Роликовый радиальный двухрядный подшипник. Бессепараторный подшипник. | 55.00 | 90.00 | 46.00 |
| DC5011NR | Роликовый радиальный двухрядный подшипник. Канавка под стопорное кольцо на наружном кольце с соответствующим стопорным кольцом. | 55.00 | 90.00 | 46.00 |
| DC5011N | Роликовый радиальный двухрядный подшипник. Канавка под стопорное кольцо на внешнем кольце. | 55.00 | 90.00 | 46.00 |
| E5011 | Роликовый радиальный цилиндрический двухрядный подшипник. | 55.00 | 90.00 | 46.00 |
| E5011NR | Роликовый радиальный цилиндрический двухрядный подшипник. Канавка под стопорное кольцо на наружном кольце с соответствующим стопорным кольцом. | 55.00 | 90.00 | 46.00 |
| GEF55ES | Шарнирный подшипник. Разъемное наружное кольцо со смазочными отверстиями. | 55.00 | 90.00 | 47.00 |
Способы доставки
Отправка через ведущие транспортные и курьерские компании: ПЭК, Деловые Линии, СДЭК, Байкал-Сервис, Энергия, КИТ, ЖелДорЭкспедиция.
Самовывоз возможен напрямую со склада в Москве.
Сроки доставки
Срок зависит от региона и выбранной транспортной компании. Все заказы комплектуются и отправляются в кратчайшие сроки со склада в Москве.
Надёжность и сохранность
Вся продукция упаковывается с учётом требований транспортировки. Мы гарантируем, что подшипники и комплектующие прибудут к заказчику в полной сохранности.
Доставка в страны ЕАЭС
Мы работаем с проверенными логистическими партнёрами, что позволяет оперативно доставлять заказы в Беларусь, Казахстан, Армению и другие страны ЕАЭС.
Варианты оплаты:
Минимальная сумма заказа и скидки:
Документы и гарантии:
Да, конечно! Наши технические специалисты готовы помочь вам с подбором точного аналога или замены подшипника. Просто позвоните нам по телефону +7 (495) 104-99-04 или напишите на почту zakaz@podsnab.ru.
Для оперативной консультации подготовьте, пожалуйста, имеющиеся данные: маркировку, размеры, тип оборудования или артикул старого подшипника.
Да, конечно! Мы высоко ценим долгосрочное сотрудничество и доверие клиентов по всей России. Для постоянных клиентов действует персональная система скидок.
Условия формируются индивидуально и зависят от:
Чтобы узнать свои условия и получить максимально выгодное предложение, свяжитесь с персональным менеджером или напишите нам на почту zakaz@podsnab.ru.
Вы можете оформить заказ несколькими способами:
Для оформления заказа от юридического лица свяжитесь с нашим отделом по работе с корпоративными клиентами по телефону +7 (495) 104-99-04 или напишите на email zakaz@podsnab.ru, прикрепив реквизиты вашей организации.
Мы оперативно подготовим коммерческое предложение и выставим счет.
Возврат товара надлежащего качества возможен в течение 10 дней с момента получения, если товар не был в употреблении, сохранен товарный вид, упаковка не вскрывалась и присутствуют все сопроводительные документы.
Возврат денежных средств осуществляется в течение 10 рабочих дней после проверки товара складом.
В соответствии с законодательством возврату не подлежат подшипники надлежащего качества, если отсутствует оригинальная упаковка или имеются следы монтажа.
В случае выявления брака или гарантийного случая мы гарантируем возврат или обмен товара.
Да, гарантийный срок хранения устанавливается заводом-изготовителем и в среднем составляет 2 года при соблюдении условий хранения: сухое помещение, оригинальная упаковка и смазка.
Точный срок для конкретного типа подшипника уточняйте у наших менеджеров.
Пн–Пт: с 8:00 до 17:00 (МСК).
Сб–Вс: выходные дни.
Заказы на сайте принимаются круглосуточно. Заявки, поступившие после окончания рабочего дня, обрабатываются на следующий рабочий день.
Минимальная сумма заказа для доставки составляет 3000 рублей. Самовывоз со склада возможен на любую сумму при наличии товара.
ООО «УралТехГрупп»
ИНН: 7415093830
КПП: 772401001
ОГРН: 1167456069021
Банк: ПАО Сбербанк
Р/с: 40702810838000475273
К/с: 30101810400000000225
БИК: 044525225
У подшипника SL04-5011PPX пока нет отзывов. Вы можете стать первым покупателем, поделившимся своим мнением.