Поиск подшипника
Статьи
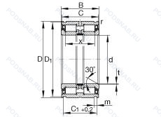
SL04-5032PP — Подшипник роликовый цилиндрический двухрядный, модификация основного исполнения SL045032, выпускается производителями: EBF, INA, Подшипники NBS.
Размер подшипника: 160x240x109 мм.
Тип: Узкое внутреннее кольцо, легкая нагрузка, корпус из штампованной стали, установочный винт, манжетные уплотнения с обеих сторон подшипника.
Альтернативное обозначение: NNF5032V.2LS.
Международная стандартизации ISO
SL045032PP
В наличии
| Обозначение | Конструктивные изменения |
|---|---|
| SL045032-D-PP | Усовершенствованный профиль внешнего кольца. Манжетные уплотнения с обеих сторон подшипника. |
| SL045032-PP-C3-L091 | Внутренний зазор больше нормального. Манжетные уплотнения с обеих сторон подшипника. Optimized Grease For All Purposes. Temperature Range Approximately -50°C / +120°C - Description/ Isoflex® LDS 18 Special A)-Is A Dynamically Light Long-Term Grease For Plain And Rolling Bearings. It Consists Of Ester Oil. Mineral Oil And Lithium Soap. The Product Is Resistant To Ageing. Oxidation And Water. And It Protects Reliably Against Corrosion. Application/ Isoflex® LDS 18 Special A Is Suitable For Plain And Rolling Bearings Operating At Low Temperatures And/Or High Speeds. For Example In Grinding Spindles. Machine Tool Spindles. Spindle Bearings. Textile Spindles. Bearings In Oe-Spinning Turbines. Bearings In Precision And Optical Equipment. |
| SL045032-PP-C3 | Внутренний зазор больше нормального. Манжетные уплотнения с обеих сторон подшипника. |
| SL045032-D-PP-C3 | Усовершенствованный профиль внешнего кольца. Внутренний зазор больше нормального. Манжетные уплотнения с обеих сторон подшипника. |
| SL045032-PP-2NR | Манжетные уплотнения с обеих сторон подшипника. Supplied With Two Loose-Packed Retaining Rings WRE. |
| SL045032-D-PP-2NR-C3 | Усовершенствованный профиль внешнего кольца. Внутренний зазор больше нормального. Манжетные уплотнения с обеих сторон подшипника. Supplied With Two Loose-Packed Retaining Rings WRE. |
| SL045032-D | Усовершенствованный профиль внешнего кольца. |
| SL045032-D-PP-2NR | Усовершенствованный профиль внешнего кольца. Манжетные уплотнения с обеих сторон подшипника. Supplied With Two Loose-Packed Retaining Rings WRE. |
| SL045032-D-PP-2NR-C3-GA22 | Усовершенствованный профиль внешнего кольца. Внутренний зазор больше нормального. Манжетные уплотнения с обеих сторон подшипника. Supplied With Two Loose-Packed Retaining Rings WRE. Optimized Grease For All Purposes. Temperature Range Approximately -40°C / +80°C - Description/ Isoflex® LDS 18 Special A)-Is A Dynamically Light Long-Term Grease For Plain And Rolling Bearings. It Consists Of Ester Oil. Mineral Oil And Lithium Soap. The Product Is Resistant To Ageing. Oxidation And Water. And It Protects Reliably Against Corrosion. Application/ Isoflex® LDS 18 Special A Is Suitable For Plain And Rolling Bearings Operating At Low Temperatures And/Or High Speeds. For Example In Grinding Spindles. Machine Tool Spindles. Spindle Bearings. Textile Spindles. Bearings In Oe-Spinning Turbines. Bearings In Precision And Optical Equipment. |
| SL045032-PP-2NR-C3-GA22 | Внутренний зазор больше нормального. Уплотнения на каждой стороне подшипника. Supplied With Two Loose-Packed Retaining Rings WRE. Optimized Grease For All Purposes. Temperature Range Approximately -40°C / +80°C - Description/ Isoflex® LDS 18 Special A)-Is A Dynamically Light Long-Term Grease For Plain And Rolling Bearings. It Consists Of Ester Oil. Mineral Oil And Lithium Soap. The Product Is Resistant To Ageing. Oxidation And Water. And It Protects Reliably Against Corrosion. Application/ Isoflex® LDS 18 Special A Is Suitable For Plain And Rolling Bearings Operating At Low Temperatures And/Or High Speeds. For Example In Grinding Spindles. Machine Tool Spindles. Spindle Bearings. Textile Spindles. Bearings In Oe-Spinning Turbines. Bearings In Precision And Optical Equipment. |
| SL045032-PP-2NR-C3-L091 | Внутренний зазор больше нормального. Манжетные уплотнения с обеих сторон подшипника. Optimized Grease For All Purposes. Temperature Range Approximately -50°C / +120°C - Description/ Isoflex® LDS 18 Special A)-Is A Dynamically Light Long-Term Grease For Plain And Rolling Bearings. It Consists Of Ester Oil. Mineral Oil And Lithium Soap. The Product Is Resistant To Ageing. Oxidation And Water. And It Protects Reliably Against Corrosion. Application/ Isoflex® LDS 18 Special A Is Suitable For Plain And Rolling Bearings Operating At Low Temperatures And/Or High Speeds. For Example In Grinding Spindles. Machine Tool Spindles. Spindle Bearings. Textile Spindles. Bearings In Oe-Spinning Turbines. Bearings In Precision And Optical Equipment. Supplied With Two Loose-Packed Retaining Rings WRE. |
| SL04-5032PP 2NRX | Подшипники и детали подшипников. наружный диаметр которых был скорректирован в соответствии с международными стандартами. Этот суффикс будет использоваться только в течение некоторого времени. (См. INA-каталог № 307 - январь 1999 г.). Манжетные уплотнения с обеих сторон подшипника. Supplied With Two Loose-Packed Retaining Rings WRE. |
| SL045032-PP-2NR-C3 | Внутренний зазор больше нормального. Манжетные уплотнения с обеих сторон подшипника. Supplied With Two Loose-Packed Retaining Rings WRE. |
| SL045032 | Подшипник роликовый цилиндрический двухрядный. Основное конструктивное исполнение. |
| SL045032-PP-2NR-C3-L0 | Внутренний зазор больше нормального. Манжетные уплотнения с обеих сторон подшипника. Supplied With Two Loose-Packed Retaining Rings WRE. |
| SL04-5032NR | Подшипник роликовый цилиндрический двухрядный. |
| SL04-5032LLNR | Подшипник роликовый цилиндрический двухрядный. |
Модификации цилиндрического роликового подшипника SL04-5032PP — это измененное основное конструктивное исполнение SL045032, основные размеры (160x240x109) не отличаются.
| Обозначение | Гост | Конструктивные особенности |
|---|---|---|
| NNCF5032V C3 | ISO | Внутренний зазор больше нормального. Подшипник без сепаратора. С полным комплектом тел качения. |
| NNCF5032CV | ISO | Внутренние изменения в конструкции. Полноразмерный цилиндрический роликоподшипник с модифицированной внутренней конструкцией. |
| NNF5032.2LS.V.2NR | ISO | Контактное уплотнение с обеих сторон подшипника. Подшипник без сепаратора. С полным комплектом тел качения. Две стопорные канавки во внешнем кольце. |
| SL185032-BR-A-C3-2S | ISO | Внутренний зазор больше нормального. Особенность внутренней конструкции. Чёрный цвет. Bearings Matched In Set Of Two For Side-By-Side Mounting. |
| RS-5032DSE7NAS5/AS2X | ISO | 1/4 Full. Смазка Aeroshell 7. Диапазон от –10°C до 110°C.. Защищенная поверхность. Фосфатированый. Смазочные канавки и отверстия. внешние и внутренние. |
| NNF5032ADA-2LSV | ISO | Контактное уплотнение из полиуретана (AU) с обеих сторон подшипника. Полный комплект роликов (без сепаратора). Широкие канавки для стопорных колец на внешнем кольце. Внутреннее кольцо из двух частей. удерживаемое вместе стопорным кольцом. |
| SL08032-A | ISO | Особенность внутренней конструкции. |
| SL185032-A-C3-2S | ISO | Внутренний зазор больше нормального. Особенность внутренней конструкции. Bearings Matched In Set Of Two For Side-By-Side Mounting. |
| SL185032-BR-A-C3 | ISO | Внутренний зазор больше нормального. Особенность внутренней конструкции. Чёрный цвет. |
| NAS5032ZZ NR | ISO | Защитные металлические шайбы с обеих сторон. Канавка под стопорное кольцо на наружном кольце с соответствующим стопорным кольцом. |
| SL185032-A-BR-C3 | ISO | Внутренний зазор больше нормального. Особенность внутренней конструкции. Чёрный цвет. |
| SL185032-A-BR-C3-2S | ISO | Внутренний зазор больше нормального. Особенность внутренней конструкции. Чёрный цвет. Bearings Matched In Set Of Two For Side-By-Side Mounting. |
| SL185032-A-BR | ISO | Особенность внутренней конструкции. Чёрный цвет. |
| SL06032-E-C3 | ISO | Внутренний зазор больше нормального. Повышенная грузоподъемность. |
| SL06032-E-C4 | ISO | Внутренний зазор подшипника больше. чем C3. Повышенная грузоподъемность. |
| NNF5032 2LS | ISO | Контактное уплотнение с обеих сторон подшипника. |
| NNF5032 2RS V | ISO | Резиновые уплотнения с каждой стороны подшипника. Подшипник без сепаратора. С полным комплектом тел качения. |
| NNF5032V.2LS | ISO | Контактное уплотнение с обеих сторон подшипника. Подшипник без сепаратора. С полным комплектом тел качения. |
| NNCF5032CV/C3 | ISO | Внутренний зазор больше нормального. Полноразмерный цилиндрический роликоподшипник с модифицированной внутренней конструкцией. |
| NAS5032UU NR | ISO | Канавка под стопорное кольцо на наружном кольце с соответствующим стопорным кольцом. Резиновые уплотнения с каждой стороны подшипника. |
Аналог цилиндрического роликового подшипника SL04-5032PP — это подшипник такого же размера dx160,Dx240,Bx109, типа и конструкции.
| Обозначение | Конструктивные особенности | Внутренний (d) | Наружный (D) | Ширина (B) |
|---|---|---|---|---|
| RS-5032 | Роликовый радиальный двухрядный подшипник. | 160.00 | 240.00 | 109.00 |
| RS-5032NR | Роликовый радиальный двухрядный подшипник. Канавка под стопорное кольцо на наружном кольце с соответствующим стопорным кольцом. | 160.00 | 240.00 | 109.00 |
| NNF5032PP | Роликовый радиальный двухрядный подшипник. Уплотнения на каждой стороне подшипника. | 160.00 | 240.00 | 109.00 |
| 4-697732 Л | Роликовый радиальный-упорный двухрядный подшипник. Сепаратор из латуни.. | 160.00 | 240.00 | 110.00 |
| NNF5032 V | Роликовый радиальный двухрядный подшипник. Бессепараторный подшипник. | 160.00 | 240.00 | 109.00 |
| DC5032N | Роликовый радиальный двухрядный подшипник. Канавка под стопорное кольцо на внешнем кольце. | 160.00 | 240.00 | 109.00 |
| DC5032NR | Роликовый радиальный двухрядный подшипник. Канавка под стопорное кольцо на наружном кольце с соответствующим стопорным кольцом. | 160.00 | 240.00 | 109.00 |
| E5032NR | Роликовый радиальный цилиндрический двухрядный подшипник. Канавка под стопорное кольцо на наружном кольце с соответствующим стопорным кольцом. | 160.00 | 240.00 | 109.00 |
| E5032NRNT | Роликовый радиальный цилиндрический двухрядный подшипник. | 160.00 | 240.00 | 109.00 |
| E5032 | Роликовый радиальный цилиндрический двухрядный подшипник. | 160.00 | 240.00 | 109.00 |
| 160KBE2401+L | Роликовый радиальный-упорный двухрядный подшипник. Одно механическое уплотнение. | 160.00 | 240.00 | 110.00 |
| CRD-3254 | Роликовый радиальный-упорный двухрядный подшипник. | 160.00 | 240.00 | 110.00 |
| CRI-3256 | Роликовый радиальный-упорный двухрядный подшипник. | 160.00 | 240.00 | 110.00 |
Способы доставки
Отправка через ведущие транспортные и курьерские компании: ПЭК, Деловые Линии, СДЭК, Байкал-Сервис, Энергия, КИТ, ЖелДорЭкспедиция.
Самовывоз возможен напрямую со склада в Москве.
Сроки доставки
Срок зависит от региона и выбранной транспортной компании. Все заказы комплектуются и отправляются в кратчайшие сроки со склада в Москве.
Надёжность и сохранность
Вся продукция упаковывается с учётом требований транспортировки. Мы гарантируем, что подшипники и комплектующие прибудут к заказчику в полной сохранности.
Доставка в страны ЕАЭС
Мы работаем с проверенными логистическими партнёрами, что позволяет оперативно доставлять заказы в Беларусь, Казахстан, Армению и другие страны ЕАЭС.
Варианты оплаты:
Минимальная сумма заказа и скидки:
Документы и гарантии:
Да, конечно! Наши технические специалисты готовы помочь вам с подбором точного аналога или замены подшипника. Просто позвоните нам по телефону +7 (495) 104-99-04 или напишите на почту zakaz@podsnab.ru.
Для оперативной консультации подготовьте, пожалуйста, имеющиеся данные: маркировку, размеры, тип оборудования или артикул старого подшипника.
Да, конечно! Мы высоко ценим долгосрочное сотрудничество и доверие клиентов по всей России. Для постоянных клиентов действует персональная система скидок.
Условия формируются индивидуально и зависят от:
Чтобы узнать свои условия и получить максимально выгодное предложение, свяжитесь с персональным менеджером или напишите нам на почту zakaz@podsnab.ru.
Вы можете оформить заказ несколькими способами:
Для оформления заказа от юридического лица свяжитесь с нашим отделом по работе с корпоративными клиентами по телефону +7 (495) 104-99-04 или напишите на email zakaz@podsnab.ru, прикрепив реквизиты вашей организации.
Мы оперативно подготовим коммерческое предложение и выставим счет.
Возврат товара надлежащего качества возможен в течение 10 дней с момента получения, если товар не был в употреблении, сохранен товарный вид, упаковка не вскрывалась и присутствуют все сопроводительные документы.
Возврат денежных средств осуществляется в течение 10 рабочих дней после проверки товара складом.
В соответствии с законодательством возврату не подлежат подшипники надлежащего качества, если отсутствует оригинальная упаковка или имеются следы монтажа.
В случае выявления брака или гарантийного случая мы гарантируем возврат или обмен товара.
Да, гарантийный срок хранения устанавливается заводом-изготовителем и в среднем составляет 2 года при соблюдении условий хранения: сухое помещение, оригинальная упаковка и смазка.
Точный срок для конкретного типа подшипника уточняйте у наших менеджеров.
Пн–Пт: с 8:00 до 17:00 (МСК).
Сб–Вс: выходные дни.
Заказы на сайте принимаются круглосуточно. Заявки, поступившие после окончания рабочего дня, обрабатываются на следующий рабочий день.
Минимальная сумма заказа для доставки составляет 3000 рублей. Самовывоз со склада возможен на любую сумму при наличии товара.
ООО «УралТехГрупп»
ИНН: 7415093830
КПП: 772401001
ОГРН: 1167456069021
Банк: ПАО Сбербанк
Р/с: 40702810838000475273
К/с: 30101810400000000225
БИК: 044525225
У подшипника SL04-5032PP пока нет отзывов. Вы можете стать первым покупателем, поделившимся своим мнением.