Поиск подшипника
Статьи
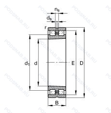
NN3044ASK.M.SP — Подшипник роликовый цилиндрический двухрядный, модификация основного исполнения NN3044, выпускается производителями: FAG, INA.
Размер подшипника: 220x340x90 мм.
Двухрядный цилиндрический роликоподшипник, подшипник супер точный, канавка для смазки и три отверстия во внешнем кольце подшипника, коническое отверстие. конус 1/12, цилиндрические роликоподшипники. взаимозаменяемые детали, латунный сепаратор. центрированный по роликам.
Аналоги: NN3044-AS-K-M-SP FAG.
Международная стандартизации ISO
NN3044ASKMSP
В наличии
| Обозначение | Конструктивные изменения |
|---|---|
| NN3044K/SPW33 | Канавка для смазки и три отверстия во внешнем кольце подшипника. Коническое отверстие. конус 1/12. Точность размеров примерно соответствует классу точности Р5. биения — классу точности Р4. Двухрядный цилиндрический роликовый подшипник. |
| NN3044MBKRE44CC1P4 | Обработанный латунный сепаратор. Центрированное внутреннее кольцо. Класс точности Р4 по ISO (точнее. чем P5) - Abec.7. Коническое отверстие. Для невзаимозаменяемых цилиндрических роликоподшипников. Зазор менее СС2. Наружное кольцо с обработанной смазочной канавкой и отверстиями (только для двурядных). |
| NN3044-AS-K-M-UP | Коническое отверстие. конус 1/12. Латунный сепаратор. Центрированный по роликам. Специальный класс допуска для подшипников шпинделя станков точность размеров приблизительно соответствует классу допуска ISO 4. а точность хода лучше. чем класс ISO 4. Смазка Aeroshell 7. Диапазон от –10°C до 110°C.. |
| NN3044K P5 | Коническое отверстие. конус 1/12. Размерная и рабочая точность соответствует классу допуска ISO 5. |
| NN3044ASK.M.SP.C3 | Канавка для смазки и три отверстия во внешнем кольце подшипника. Внутренний зазор больше нормального. Коническое отверстие. конус 1/12. Цилиндрические роликоподшипники. Взаимозаменяемые детали. Латунный сепаратор. Центрированный по роликам. Подшипник супер точный. |
| NN3044KM P51 | Сочетание P5 (размерная точность и точность хода в соответствии с классом допуска ISO 5 (лучше. чем P6)) и C1 (радиальный зазор и сниженный уровень вибрации). Type Of Model. |
| NN3044K P51 | Коническое отверстие. конус 1/12. Комбинация P5 и C1. Радиальный зазор и сниженный уровень вибрации. |
| NN3044AS.M.SP | Латунный сепаратор. Центрированный по роликам. Подшипник супер точный. Смазка Aeroshell 7. Диапазон от –10°C до 110°C.. |
| NN3044C1NAP5 | Подшипник роликовый цилиндрический двухрядный. |
| NN3044C1NAP4 | Подшипник роликовый цилиндрический двухрядный. |
| NN3044KC1NAP4 | Подшипник роликовый цилиндрический двухрядный. |
| NN3044KC9NAP4 | Подшипник роликовый цилиндрический двухрядный. |
| NN3044KC9NAP5 | Подшипник роликовый цилиндрический двухрядный. |
| NN3044KD1C0NAP5 | Подшипник роликовый цилиндрический двухрядный. |
| NN3044KC1NAP5 | Подшипник роликовый цилиндрический двухрядный. |
| NN3044 | Канавка под стопорное кольцо на наружном кольце подшипника. Двухрядный цилиндрический роликовый подшипник. Основное конструктивное исполнение. |
| NN3044K | Коническое внутреннее отверстие. Двухрядный цилиндрический роликовый подшипник. |
Модификации цилиндрического роликового подшипника NN3044ASK.M.SP — это измененное основное конструктивное исполнение NN3044, основные размеры (220x340x90) не отличаются.
| Обозначение | Гост | Конструктивные особенности |
|---|---|---|
| 565531K.C5.W209B | ISO | Коническое отверстие. конус 1/12. Внутренний зазор подшипника больше. чем С4. Закаленное внутреннее кольцо. |
| Z565531.ZL-K-W209B-C5 | ISO | Коническое отверстие. конус 1/12. Внутренний зазор подшипника больше. чем С4. Цилиндрический роликовый подшипник. Закаленное внутреннее кольцо. |
Аналог цилиндрического роликового подшипника NN3044ASK.M.SP — это подшипник такого же размера dx220,Dx340,Bx90, типа и конструкции.
| Обозначение | Конструктивные особенности | Внутренний (d) | Наружный (D) | Ширина (B) |
|---|---|---|---|---|
| 23044BK | Роликовый радиальный сферический двухрядный подшипник. Игольчатый роликовый подшипник со штампованным наружным кольцом с закрытым торцом. | 220.00 | 340.00 | 90.00 |
| 23044-2CS5/VT143 | Роликовый радиальный сферический двухрядный подшипник. Контактное уплотнение из листовой стали, усиленное гидрогенизированным акрилонитрил-бутадиеновым каучуком (HNBR) с обеих сторон. Свободное пространство в подшипнике на 70–100 % заполнено высокотемпературной смазкой.. Заполнение пластичной смазкой SKF LGEP 2 на 25–35 %. | 220.00 | 340.00 | 90.00 |
| 23044-2CS5K/VT143 | Роликовый радиальный сферический двухрядный подшипник. Заполнение пластичной смазкой SKF LGEP 2 на 25–35 %. | 220.00 | 340.00 | 90.00 |
| 23044YM | Роликовый радиальный сферический двухрядный подшипник. 1 Piece Bronze Cage - Finger Type. | 220.00 | 340.00 | 90.00 |
| 23044 KCW33+AH3044 | Роликовый радиальный сферический двухрядный подшипник. Кольцевая канавка и три отверстия для смазывания в наружном кольце подшипника. Коническое внутреннее отверстие. | 220.00 | 340.00 | 90.00 |
| 23044 KCW33+H3044 | Роликовый радиальный сферический двухрядный подшипник. Кольцевая канавка и три отверстия для смазывания в наружном кольце подшипника. Коническое внутреннее отверстие. | 220.00 | 340.00 | 90.00 |
| 23044-K-MB+AH3044G | Роликовый радиальный сферический двухрядный подшипник. Коническое отверстие. Конусность 1/12. сепаратор из латуни. центрированный по внутреннему кольцу. | 220.00 | 340.00 | 90.00 |
| Z-565531.ZL-K-C5 | Роликовый радиальный подшипник. Коническое отверстие. Конусность 1/12. Внутренний зазор подшипника больше. чем С4. Цилиндрический роликовый подшипник. | 220.00 | 340.00 | 90.00 |
| NN 3044/SPW33 | Роликовый радиальный двухрядный подшипник. Двухрядный цилиндрический роликовый подшипник. | 220.00 | 340.00 | 90.00 |
| 23044A2X | Роликовый радиальный сферический двухрядный подшипник. High Speed Spherical Roller Bearing. | 220.00 | 340.00 | 90.00 |
| 23044E | Роликовый радиальный сферический двухрядный подшипник. Повышенная грузоподъемность. | 220.00 | 340.00 | 90.00 |
| 23044EK | Роликовый радиальный сферический двухрядный подшипник. | 220.00 | 340.00 | 90.00 |
| 220KBE30+L | Роликовый радиальный-упорный двухрядный подшипник. Одно механическое уплотнение. | 220.00 | 340.00 | 90.00 |
| 323044E1 | Роликовый радиальный-упорный двухрядный подшипник. Конструкция с увеличенной грузоподьемностью. | 220.00 | 340.00 | 90.00 |
| 413044E1 | Роликовый радиальный-упорный двухрядный подшипник. Конструкция с увеличенной грузоподьемностью. | 220.00 | 340.00 | 90.00 |
Способы доставки
Отправка через ведущие транспортные и курьерские компании: ПЭК, Деловые Линии, СДЭК, Байкал-Сервис, Энергия, КИТ, ЖелДорЭкспедиция.
Самовывоз возможен напрямую со склада в Москве.
Сроки доставки
Срок зависит от региона и выбранной транспортной компании. Все заказы комплектуются и отправляются в кратчайшие сроки со склада в Москве.
Надёжность и сохранность
Вся продукция упаковывается с учётом требований транспортировки. Мы гарантируем, что подшипники и комплектующие прибудут к заказчику в полной сохранности.
Доставка в страны ЕАЭС
Мы работаем с проверенными логистическими партнёрами, что позволяет оперативно доставлять заказы в Беларусь, Казахстан, Армению и другие страны ЕАЭС.
Варианты оплаты:
Минимальная сумма заказа и скидки:
Документы и гарантии:
Да, конечно! Наши технические специалисты готовы помочь вам с подбором точного аналога или замены подшипника. Просто позвоните нам по телефону +7 (495) 104-99-04 или напишите на почту zakaz@podsnab.ru.
Для оперативной консультации подготовьте, пожалуйста, имеющиеся данные: маркировку, размеры, тип оборудования или артикул старого подшипника.
Да, конечно! Мы высоко ценим долгосрочное сотрудничество и доверие клиентов по всей России. Для постоянных клиентов действует персональная система скидок.
Условия формируются индивидуально и зависят от:
Чтобы узнать свои условия и получить максимально выгодное предложение, свяжитесь с персональным менеджером или напишите нам на почту zakaz@podsnab.ru.
Вы можете оформить заказ несколькими способами:
Для оформления заказа от юридического лица свяжитесь с нашим отделом по работе с корпоративными клиентами по телефону +7 (495) 104-99-04 или напишите на email zakaz@podsnab.ru, прикрепив реквизиты вашей организации.
Мы оперативно подготовим коммерческое предложение и выставим счет.
Возврат товара надлежащего качества возможен в течение 10 дней с момента получения, если товар не был в употреблении, сохранен товарный вид, упаковка не вскрывалась и присутствуют все сопроводительные документы.
Возврат денежных средств осуществляется в течение 10 рабочих дней после проверки товара складом.
В соответствии с законодательством возврату не подлежат подшипники надлежащего качества, если отсутствует оригинальная упаковка или имеются следы монтажа.
В случае выявления брака или гарантийного случая мы гарантируем возврат или обмен товара.
Да, гарантийный срок хранения устанавливается заводом-изготовителем и в среднем составляет 2 года при соблюдении условий хранения: сухое помещение, оригинальная упаковка и смазка.
Точный срок для конкретного типа подшипника уточняйте у наших менеджеров.
Пн–Пт: с 8:00 до 17:00 (МСК).
Сб–Вс: выходные дни.
Заказы на сайте принимаются круглосуточно. Заявки, поступившие после окончания рабочего дня, обрабатываются на следующий рабочий день.
Минимальная сумма заказа для доставки составляет 3000 рублей. Самовывоз со склада возможен на любую сумму при наличии товара.
ООО «УралТехГрупп»
ИНН: 7415093830
КПП: 772401001
ОГРН: 1167456069021
Банк: ПАО Сбербанк
Р/с: 40702810838000475273
К/с: 30101810400000000225
БИК: 044525225
У подшипника NN3044ASK.M.SP пока нет отзывов. Вы можете стать первым покупателем, поделившимся своим мнением.