Поиск подшипника
Статьи
SL04-5038PP — Подшипник роликовый цилиндрический двухрядный, модификация основного исполнения SL045038, выпускается производителями: INA, Подшипники NBS.
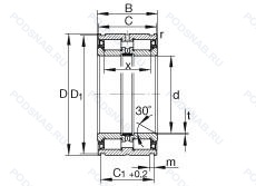
Размер подшипника: 190x290x136 мм.
Тип: Узкое внутреннее кольцо, легкая нагрузка, корпус из штампованной стали, установочный винт, манжетные уплотнения с обеих сторон подшипника.
Альтернативное обозначение: NNF5038-2LSV.
Аналоги: SL045038-D-PP INA.
Международная стандартизации ISO
SL045038PP
В наличии
| Обозначение | Конструктивные изменения |
|---|---|
| SL045038-PP-C3 | Внутренний зазор больше нормального. Манжетные уплотнения с обеих сторон подшипника. |
| SL045038-PP-2NR | Манжетные уплотнения с обеих сторон подшипника. Supplied With Two Loose-Packed Retaining Rings WRE. |
| SL045038-PP-2NR-C3 | Внутренний зазор больше нормального. Манжетные уплотнения с обеих сторон подшипника. Supplied With Two Loose-Packed Retaining Rings WRE. |
| SL045038-PP-2NR-C3-L091 | Внутренний зазор больше нормального. Манжетные уплотнения с обеих сторон подшипника. Optimized Grease For All Purposes. Temperature Range Approximately -50°C / +120°C - Description/ Isoflex® LDS 18 Special A)-Is A Dynamically Light Long-Term Grease For Plain And Rolling Bearings. It Consists Of Ester Oil. Mineral Oil And Lithium Soap. The Product Is Resistant To Ageing. Oxidation And Water. And It Protects Reliably Against Corrosion. Application/ Isoflex® LDS 18 Special A Is Suitable For Plain And Rolling Bearings Operating At Low Temperatures And/Or High Speeds. For Example In Grinding Spindles. Machine Tool Spindles. Spindle Bearings. Textile Spindles. Bearings In Oe-Spinning Turbines. Bearings In Precision And Optical Equipment. Supplied With Two Loose-Packed Retaining Rings WRE. |
| SL045038-D-PP-C3 | Усовершенствованный профиль внешнего кольца. Внутренний зазор больше нормального. Манжетные уплотнения с обеих сторон подшипника. |
| SL045038-D-PP-2NR | Усовершенствованный профиль внешнего кольца. Манжетные уплотнения с обеих сторон подшипника. Supplied With Two Loose-Packed Retaining Rings WRE. |
| SL045038-D-PP | Усовершенствованный профиль внешнего кольца. Манжетные уплотнения с обеих сторон подшипника. |
| SL045038-D | Усовершенствованный профиль внешнего кольца. |
| SL045038-X-PP | Подшипники и детали подшипников. наружный диаметр которых был скорректирован в соответствии с международными стандартами. Этот суффикс будет использоваться только в течение некоторого времени. (См. INA-каталог № 307 - январь 1999 г.). Манжетные уплотнения с обеих сторон подшипника. |
| SL045038-D-PP-2NR-C3-GA22 | Усовершенствованный профиль внешнего кольца. Внутренний зазор больше нормального. Манжетные уплотнения с обеих сторон подшипника. Supplied With Two Loose-Packed Retaining Rings WRE. Optimized Grease For All Purposes. Temperature Range Approximately -40°C / +80°C - Description/ Isoflex® LDS 18 Special A)-Is A Dynamically Light Long-Term Grease For Plain And Rolling Bearings. It Consists Of Ester Oil. Mineral Oil And Lithium Soap. The Product Is Resistant To Ageing. Oxidation And Water. And It Protects Reliably Against Corrosion. Application/ Isoflex® LDS 18 Special A Is Suitable For Plain And Rolling Bearings Operating At Low Temperatures And/Or High Speeds. For Example In Grinding Spindles. Machine Tool Spindles. Spindle Bearings. Textile Spindles. Bearings In Oe-Spinning Turbines. Bearings In Precision And Optical Equipment. |
| SL045038-D-PP-2NR-C3 | Усовершенствованный профиль внешнего кольца. Внутренний зазор больше нормального. Манжетные уплотнения с обеих сторон подшипника. Supplied With Two Loose-Packed Retaining Rings WRE. |
| SL045038-D-C3 | Усовершенствованный профиль внешнего кольца. Внутренний зазор больше нормального. |
| SL04-5038NR | Подшипник роликовый цилиндрический двухрядный. |
| SL04 5038 | Подшипник роликовый цилиндрический двухрядный. |
Модификации цилиндрического роликового подшипника SL04-5038PP — это измененное основное конструктивное исполнение SL045038, основные размеры (190x290x136) не отличаются.
| Обозначение | Гост | Конструктивные особенности |
|---|---|---|
| NNF5038.2LS.V.2NR | ISO | Контактное уплотнение с обеих сторон подшипника. Подшипник без сепаратора. С полным комплектом тел качения. Supplied With Two Loose-Packed Retaining Rings WRE. |
| NNF5038.A.2LS.V | ISO | Двухрядный радиально-упорный шарикоподшипник без отверстия для смазки. Контактное уплотнение с обеих сторон подшипника. Подшипник без сепаратора. С полным комплектом тел качения. |
| NNCF5038CV | ISO | Полноразмерный цилиндрический роликоподшипник с модифицированной внутренней конструкцией. |
| SL18-5038C3 | ISO | Подшипник роликовый цилиндрический двухрядный. |
| NNF5038PP 2NR | ISO | Манжетные уплотнения с обеих сторон подшипника. Две стопорные канавки во внешнем кольце. |
| SL185038-TB-C3-2S | ISO | Внутренний зазор больше нормального. Textite (Fabric-Reinforced Phenolic Resin) Cage Guided On The Inner Ring. Bearings Matched In Set Of Two For Side-By-Side Mounting. |
| NAS5038ZZ NR | ISO | Защитные металлические шайбы с обеих сторон. Канавка под стопорное кольцо на наружном кольце с соответствующим стопорным кольцом. |
| RS-5038NRS5-1 | ISO | Две стопорные канавки во внешнем кольце. Number Of Carriages Per Rail Track. Защищенная поверхность. Фосфатированый. |
| RS-5038NRS5-5 | ISO | Две стопорные канавки во внешнем кольце. Distance Between Beginning Of The Rail And First Hole In MM. Защищенная поверхность. Фосфатированый. |
| NNF5038ADA 2DS V C3 | ISO | Внутренний зазор больше нормального. Подшипник без сепаратора. С полным комплектом тел качения. Широкие канавки для стопорных колец на внешнем кольце. Внутреннее кольцо из двух частей. удерживаемое вместе стопорным кольцом. Black Seals On Both Sides Of The Bearing. |
| NNCF5038A C3 | ISO | Внутренний зазор больше нормального. Двухрядный радиально-упорный шарикоподшипник без отверстия для смазки. |
| SL185038-A-C3 | ISO | Внутренний зазор больше нормального. Особенность внутренней конструкции. |
| NAS5038UU NR | ISO | Канавка под стопорное кольцо на наружном кольце с соответствующим стопорным кольцом. Резиновые уплотнения с каждой стороны подшипника. |
| SL185038-A-BR-C3 | ISO | Внутренний зазор больше нормального. Особенность внутренней конструкции. Чёрный цвет. |
| NNCF5038V C3 | ISO | Внутренний зазор больше нормального. Подшипник без сепаратора. С полным комплектом тел качения. |
| SL185038-TB | ISO | Подшипник с увеличенной осевой груподъемностью. |
| SL185038-TB-C3 | ISO | Внутренний зазор больше нормального. Подшипник с увеличенной осевой груподъемностью. |
| SL185038-A | ISO | Особенность внутренней конструкции. |
| NNCF5038CV/C3 | ISO | Внутренний зазор больше нормального. Полноразмерный цилиндрический роликоподшипник с модифицированной внутренней конструкцией. |
| SL185038-TB-BR-C3 | ISO | Внутренний зазор больше нормального. Чёрный цвет. Подшипник с увеличенной осевой груподъемностью. |
Аналог цилиндрического роликового подшипника SL04-5038PP — это подшипник такого же размера dx190,Dx290,Bx136, типа и конструкции.
| Обозначение | Конструктивные особенности | Внутренний (d) | Наружный (D) | Ширина (B) |
|---|---|---|---|---|
| RS-5038 | Роликовый радиальный двухрядный подшипник. | 190.00 | 290.00 | 136.00 |
| RS-5038NR | Роликовый радиальный двухрядный подшипник. Канавка под стопорное кольцо на наружном кольце с соответствующим стопорным кольцом. | 190.00 | 290.00 | 136.00 |
| NNF 5038 ADA-2LSV | Роликовый радиальный двухрядный подшипник. На наружном кольце широкие канавки под стопор. | 190.00 | 290.00 | 136.00 |
| NNF5038PP | Роликовый радиальный двухрядный подшипник. Уплотнения на каждой стороне подшипника. | 190.00 | 290.00 | 136.00 |
| NNF5038 V | Роликовый радиальный двухрядный подшипник. Бессепараторный подшипник. | 190.00 | 290.00 | 136.00 |
| SL185038 | Роликовый радиальный подшипник. | 190.00 | 290.00 | 136.00 |
| DC5038N | Роликовый радиальный двухрядный подшипник. Канавка под стопорное кольцо на внешнем кольце. | 190.00 | 290.00 | 136.00 |
| DC5038NR | Роликовый радиальный двухрядный подшипник. Канавка под стопорное кольцо на наружном кольце с соответствующим стопорным кольцом. | 190.00 | 290.00 | 136.00 |
| E5038 | Роликовый радиальный цилиндрический двухрядный подшипник. | 190.00 | 290.00 | 136.00 |
| E5038NRNT | Роликовый радиальный цилиндрический двухрядный подшипник. | 190.00 | 290.00 | 136.00 |
| E5038NR | Роликовый радиальный цилиндрический двухрядный подшипник. Канавка под стопорное кольцо на наружном кольце с соответствующим стопорным кольцом. | 190.00 | 290.00 | 136.00 |
Способы доставки
Отправка через ведущие транспортные и курьерские компании: ПЭК, Деловые Линии, СДЭК, Байкал-Сервис, Энергия, КИТ, ЖелДорЭкспедиция.
Самовывоз возможен напрямую со склада в Москве.
Сроки доставки
Срок зависит от региона и выбранной транспортной компании. Все заказы комплектуются и отправляются в кратчайшие сроки со склада в Москве.
Надёжность и сохранность
Вся продукция упаковывается с учётом требований транспортировки. Мы гарантируем, что подшипники и комплектующие прибудут к заказчику в полной сохранности.
Доставка в страны ЕАЭС
Мы работаем с проверенными логистическими партнёрами, что позволяет оперативно доставлять заказы в Беларусь, Казахстан, Армению и другие страны ЕАЭС.
Варианты оплаты:
Минимальная сумма заказа и скидки:
Документы и гарантии:
Да, конечно! Наши технические специалисты готовы помочь вам с подбором точного аналога или замены подшипника. Просто позвоните нам по телефону +7 (495) 104-99-04 или напишите на почту zakaz@podsnab.ru.
Для оперативной консультации подготовьте, пожалуйста, имеющиеся данные: маркировку, размеры, тип оборудования или артикул старого подшипника.
Да, конечно! Мы высоко ценим долгосрочное сотрудничество и доверие клиентов по всей России. Для постоянных клиентов действует персональная система скидок.
Условия формируются индивидуально и зависят от:
Чтобы узнать свои условия и получить максимально выгодное предложение, свяжитесь с персональным менеджером или напишите нам на почту zakaz@podsnab.ru.
Вы можете оформить заказ несколькими способами:
Для оформления заказа от юридического лица свяжитесь с нашим отделом по работе с корпоративными клиентами по телефону +7 (495) 104-99-04 или напишите на email zakaz@podsnab.ru, прикрепив реквизиты вашей организации.
Мы оперативно подготовим коммерческое предложение и выставим счет.
Возврат товара надлежащего качества возможен в течение 10 дней с момента получения, если товар не был в употреблении, сохранен товарный вид, упаковка не вскрывалась и присутствуют все сопроводительные документы.
Возврат денежных средств осуществляется в течение 10 рабочих дней после проверки товара складом.
В соответствии с законодательством возврату не подлежат подшипники надлежащего качества, если отсутствует оригинальная упаковка или имеются следы монтажа.
В случае выявления брака или гарантийного случая мы гарантируем возврат или обмен товара.
Да, гарантийный срок хранения устанавливается заводом-изготовителем и в среднем составляет 2 года при соблюдении условий хранения: сухое помещение, оригинальная упаковка и смазка.
Точный срок для конкретного типа подшипника уточняйте у наших менеджеров.
Пн–Пт: с 8:00 до 17:00 (МСК).
Сб–Вс: выходные дни.
Заказы на сайте принимаются круглосуточно. Заявки, поступившие после окончания рабочего дня, обрабатываются на следующий рабочий день.
Минимальная сумма заказа для доставки составляет 3000 рублей. Самовывоз со склада возможен на любую сумму при наличии товара.
ООО «УралТехГрупп»
ИНН: 7415093830
КПП: 772401001
ОГРН: 1167456069021
Банк: ПАО Сбербанк
Р/с: 40702810838000475273
К/с: 30101810400000000225
БИК: 044525225
У подшипника SL04-5038PP пока нет отзывов. Вы можете стать первым покупателем, поделившимся своим мнением.