Поиск подшипника
Статьи
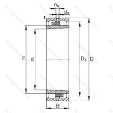
NNU4952SK.M.SP — Подшипник роликовый цилиндрический двухрядный, модификация основного исполнения NNU4952, производство FAG.
Размер подшипника: 260x360x100 мм.
Двухрядный цилиндрический роликоподшипник. Коническое отверстие позволяет регулировать внутренний зазор. Имеются масляная канавка и масляное отверстие в центре наружного кольца, кулачковый толкатель штифтового типа. с шестигранной головкой, точность размеров примерно соответствует классу точности р5. биения — классу точности р4, латунный сепаратор. центрированный по роликам.
Аналоги: NNU4952-S-K-M-SP FAG.
Международная стандартизации ISO
NNU4952SKMSP
В наличии
| Обозначение | Конструктивные изменения |
|---|---|
| NNU4952B SP C3 W33 | Внутренний зазор больше нормального. Канавка для смазки и три отверстия во внешнем кольце подшипника. Конический роликовый подшипник. Угол контакта 20 градусов. Точность размеров примерно соответствует классу точности Р5. биения — классу точности Р4. |
| NNU4952S.M.SP | Запечатанная версия кулачкового ролика. Подшипник с латунным сепаратором. центрированный по телам качения. Точность размеров примерно соответствует классу точности Р5. биения — классу точности Р4. |
| NNU4952BK/SPW33 | Канавка для смазки и три отверстия во внешнем кольце подшипника. Специальный класс точности для станочных подшипников. Точность размеров приблизительно до P5. Точность хода приблизительно P4. Двухрядный цилиндрический роликовый подшипник. Игольчатый роликовый подшипник со штампованным наружным кольцом с закрытым торцом. |
| NNU4952-S-K-M-SP-R60-90 | Канавка для смазки и три отверстия во внешнем кольце подшипника. Коническое отверстие. конус 1/12. Латунный сепаратор. Центрированный по роликам. Точность размеров примерно соответствует классу точности Р5. биения — классу точности Р4. Radial Clearance In μm. |
| NNU4952D1C3PX2 | Внутренний зазор больше нормального. Канавка и три смазочных отверстия на наружном кольце. Специальный допуск. |
| NNU4952KCC1P5 | Коническое отверстие. конус 1/12. Размерная и рабочая точность соответствует классу допуска ISO 5. Для невзаимозаменяемых цилиндрических роликоподшипников. Зазор менее СС2. |
| NNU4952S.M.SP.C3 | Канавка для смазки и три отверстия во внешнем кольце подшипника. Внутренний зазор больше нормального. Латунный сепаратор. Центрированный по роликам. Точность размеров примерно соответствует классу точности Р5. биения — классу точности Р4. |
| NNU4952 | Сталь сквозной закалки SUJ2 (японская) и взаимозаменяемость (только для метрических серий). Канавка под стопорное кольцо на наружном кольце подшипника. Двухрядный цилиндрический роликовый подшипник. Основное конструктивное исполнение. |
| NNU4952S.M.P53 | Канавка для смазки и три отверстия во внешнем кольце подшипника. Латунный сепаратор. Центрированный по роликам. Комбинация P5 (точность размеров и пробега в соответствии с классом допуска ISO 5) и C3 (внутренний зазор больше нормы). |
| NNU4952KD1C1NAP5 | Подшипник роликовый цилиндрический двухрядный. |
| NNU4952KC1NAP4 | Подшипник роликовый цилиндрический двухрядный. |
| NNU4952KC1NAP5 | Подшипник роликовый цилиндрический двухрядный. |
| NNU4952C1NAP4 | Подшипник роликовый цилиндрический двухрядный. |
| NNU4952W33M | Подшипник роликовый цилиндрический двухрядный. |
| NNU4952K | Коническое внутреннее отверстие. Двухрядный цилиндрический роликовый подшипник. |
| NNU4952 V | Бессепараторный подшипник. Двухрядный цилиндрический роликовый подшипник. |
| NNU4952K V | Коническое внутреннее отверстие. Бессепараторный подшипник. Двухрядный цилиндрический роликовый подшипник. |
Модификации цилиндрического роликового подшипника NNU4952SK.M.SP — это измененное основное конструктивное исполнение NNU4952, основные размеры (260x360x100) не отличаются.
| Обозначение | Гост | Конструктивные особенности |
|---|---|---|
| NNC4952V.S.SIR | ISO | Канавка для смазки и три отверстия во внешнем кольце подшипника. Бессепараторный или полностью выпуклый. Bearings With Circular Lubrication Groove And Three Lubrication Holes. Staggered By 120° At The Inner Ring. |
| NNC4952V | ISO | Бессепараторный подшипник. |
| SL184952-A-C3 | ISO | Внутренний зазор больше нормального. Особенность внутренней конструкции. |
| SL014952-A-C3 | ISO | Внутренний зазор больше нормального. Особенность внутренней конструкции. |
| SL024952-A-2S | ISO | Особенность внутренней конструкции. Bearings Matched In Set Of Two For Side-By-Side Mounting. |
| SL024952-A-C3 | ISO | Внутренний зазор больше нормального. Особенность внутренней конструкции. |
| SL01-4952C3 | ISO | Внутренний зазор больше нормального. |
| SL18-4952A | ISO | Особенность внутренней конструкции. |
| SL014952-A | ISO | Особенность внутренней конструкции. |
| NNCL4952V | ISO | Подшипник без сепаратора. С полным комплектом тел качения. |
| SL024952-A | ISO | Особенность внутренней конструкции. |
Аналог цилиндрического роликового подшипника NNU4952SK.M.SP — это подшипник такого же размера dx260,Dx360,Bx100, типа и конструкции.
| Обозначение | Конструктивные особенности | Внутренний (d) | Наружный (D) | Ширина (B) |
|---|---|---|---|---|
| NA4952 | Роликовый игольчатый подшипник. Изменения внутренней конструкции. Игольчатый роликовый подшипник с размерами по ISO 15. Канавка под стопорное кольцо на наружном кольце подшипника. | 260.00 | 360.00 | 100.00 |
| 24952-B-MB | Подшипник роликовый сферический. Модифицированная внутренняя конструкция. сепаратор из латуни. центрированный по внутреннему кольцу. | 260.00 | 360.00 | 100.00 |
| RS-4952E4 | Роликовый радиальный двухрядный подшипник. Канавка для смазки и три отверстия во внешнем кольце подшипника. | 260.00 | 360.00 | 100.00 |
| RSF-4952E4 | Роликовый радиальный двухрядный подшипник. Канавка для смазки и три отверстия во внешнем кольце подшипника. | 260.00 | 360.00 | 100.00 |
| NNP4952V | Роликовый радиальный двухрядный подшипник. Подшипник без сепаратора. С полным комплектом тел качения. | 260.00 | 360.00 | 100.00 |
| NNU 4952 B/SPW33 | Роликовый радиальный двухрядный подшипник. Конический роликовый подшипник. Угол контакта 20 градусов. Двухрядный цилиндрический роликовый подшипник. | 260.00 | 360.00 | 100.00 |
| 4162952 | Роликовый радиальный двухрядный подшипник. | 260.00 | 360.00 | 100.00 |
| 4262952 | Роликовый радиальный двухрядный подшипник. | 260.00 | 360.00 | 100.00 |
| NNCF 4952 CV | Роликовый радиальный цилиндрический двухрядный подшипник. Полноразмерный цилиндрический роликоподшипник с модифицированной внутренней конструкцией. | 260.00 | 360.00 | 100.00 |
| NNC 4952 CV | Роликовый радиальный цилиндрический двухрядный подшипник. Полноразмерный цилиндрический роликоподшипник с модифицированной внутренней конструкцией. | 260.00 | 360.00 | 100.00 |
| NNCL 4952 CV | Роликовый радиальный цилиндрический двухрядный подшипник. Полноразмерный цилиндрический роликоподшипник с модифицированной внутренней конструкцией. | 260.00 | 360.00 | 100.00 |
| NN4952K | Роликовый радиальный двухрядный подшипник. Коническое внутреннее отверстие. Двухрядный цилиндрический роликовый подшипник. | 260.00 | 360.00 | 100.00 |
| NN4952 | Роликовый радиальный двухрядный подшипник. Канавка под стопорное кольцо на наружном кольце подшипника. Двухрядный цилиндрический роликовый подшипник. | 260.00 | 360.00 | 100.00 |
| NNU 4952 K/SPW33 | Роликовый радиальный двухрядный подшипник. Коническое отверстие. Конусность 1/12. | 260.00 | 360.00 | 100.00 |
| 4722952M | Роликовый радиальный двухрядный подшипник. Подшипник с латунным сепаратором. центрированный по телам качения. | 260.00 | 360.00 | 100.00 |
Способы доставки
Отправка через ведущие транспортные и курьерские компании: ПЭК, Деловые Линии, СДЭК, Байкал-Сервис, Энергия, КИТ, ЖелДорЭкспедиция.
Самовывоз возможен напрямую со склада в Москве.
Сроки доставки
Срок зависит от региона и выбранной транспортной компании. Все заказы комплектуются и отправляются в кратчайшие сроки со склада в Москве.
Надёжность и сохранность
Вся продукция упаковывается с учётом требований транспортировки. Мы гарантируем, что подшипники и комплектующие прибудут к заказчику в полной сохранности.
Доставка в страны ЕАЭС
Мы работаем с проверенными логистическими партнёрами, что позволяет оперативно доставлять заказы в Беларусь, Казахстан, Армению и другие страны ЕАЭС.
Варианты оплаты:
Минимальная сумма заказа и скидки:
Документы и гарантии:
Да, конечно! Наши технические специалисты готовы помочь вам с подбором точного аналога или замены подшипника. Просто позвоните нам по телефону +7 (495) 104-99-04 или напишите на почту zakaz@podsnab.ru.
Для оперативной консультации подготовьте, пожалуйста, имеющиеся данные: маркировку, размеры, тип оборудования или артикул старого подшипника.
Да, конечно! Мы высоко ценим долгосрочное сотрудничество и доверие клиентов по всей России. Для постоянных клиентов действует персональная система скидок.
Условия формируются индивидуально и зависят от:
Чтобы узнать свои условия и получить максимально выгодное предложение, свяжитесь с персональным менеджером или напишите нам на почту zakaz@podsnab.ru.
Вы можете оформить заказ несколькими способами:
Для оформления заказа от юридического лица свяжитесь с нашим отделом по работе с корпоративными клиентами по телефону +7 (495) 104-99-04 или напишите на email zakaz@podsnab.ru, прикрепив реквизиты вашей организации.
Мы оперативно подготовим коммерческое предложение и выставим счет.
Возврат товара надлежащего качества возможен в течение 10 дней с момента получения, если товар не был в употреблении, сохранен товарный вид, упаковка не вскрывалась и присутствуют все сопроводительные документы.
Возврат денежных средств осуществляется в течение 10 рабочих дней после проверки товара складом.
В соответствии с законодательством возврату не подлежат подшипники надлежащего качества, если отсутствует оригинальная упаковка или имеются следы монтажа.
В случае выявления брака или гарантийного случая мы гарантируем возврат или обмен товара.
Да, гарантийный срок хранения устанавливается заводом-изготовителем и в среднем составляет 2 года при соблюдении условий хранения: сухое помещение, оригинальная упаковка и смазка.
Точный срок для конкретного типа подшипника уточняйте у наших менеджеров.
Пн–Пт: с 8:00 до 17:00 (МСК).
Сб–Вс: выходные дни.
Заказы на сайте принимаются круглосуточно. Заявки, поступившие после окончания рабочего дня, обрабатываются на следующий рабочий день.
Минимальная сумма заказа для доставки составляет 3000 рублей. Самовывоз со склада возможен на любую сумму при наличии товара.
ООО «УралТехГрупп»
ИНН: 7415093830
КПП: 772401001
ОГРН: 1167456069021
Банк: ПАО Сбербанк
Р/с: 40702810838000475273
К/с: 30101810400000000225
БИК: 044525225
У подшипника NNU4952SK.M.SP пока нет отзывов. Вы можете стать первым покупателем, поделившимся своим мнением.