Поиск подшипника
Статьи
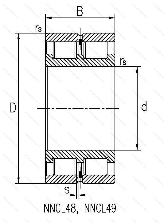
NNCL4926-V-C3 — Подшипник роликовый цилиндрический двухрядный, модификация основного исполнения NNCL4926, производство NKE.
Размер подшипника: 130x180x50 мм.
Внутренний зазор больше нормального, подшипник без сепаратора. с полным комплектом тел качения.
Альтернативное обозначение: SL024926-A-C3.
Аналоги: SL024926-A-C3 INA,NNCL4926V.C3 NKE.
Международная стандартизации ISO
NNCL4926VC3
В наличии
| Обозначение | Конструктивные изменения |
|---|---|
| NNCL4926V | Бессепараторный подшипник. |
Модификации цилиндрического роликового подшипника NNCL4926-V-C3 — это измененное основное конструктивное исполнение NNCL4926, основные размеры (130x180x50) не отличаются.
| Обозначение | Гост | Конструктивные особенности |
|---|---|---|
| NNU4926B/SPW33 | ISO | Канавка для смазки и три отверстия во внешнем кольце подшипника. Стандартная конструкция с латунным сепаратором двухконтактного типа. Точность размеров примерно соответствует классу точности Р5. биения — классу точности Р4. Двухрядный цилиндрический роликовый подшипник. |
| NNU4926BK/SPW33 | ISO | Канавка для смазки и три отверстия во внешнем кольце подшипника. Специальный класс точности для станочных подшипников. Точность размеров приблизительно до P5. Точность хода приблизительно P4. Двухрядный цилиндрический роликовый подшипник. Игольчатый роликовый подшипник со штампованным наружным кольцом с закрытым торцом. |
| NNU4926-S-M-SP | ISO | Канавка для смазки и три отверстия во внешнем кольце подшипника. Латунный сепаратор. Центрированный по роликам. Точность размеров примерно соответствует классу точности Р5. биения — классу точности Р4. |
| NNU4926-S-K-M-SP | ISO | Канавка для смазки и три отверстия во внешнем кольце подшипника. Коническое отверстие. конус 1/12. Латунный сепаратор. Центрированный по роликам. Точность размеров примерно соответствует классу точности Р5. биения — классу точности Р4. |
| NNU4926-S-M-SP-C2 | ISO | Канавка для смазки и три отверстия во внешнем кольце подшипника. Внутренний зазор подшипника меньше нормального. Латунный сепаратор. Центрированный по роликам. Точность размеров примерно соответствует классу точности Р5. биения — классу точности Р4. |
| SL184926-A-C3 | ISO | Внутренний зазор больше нормального. Особенность внутренней конструкции. |
| NNU4926K MB E3 CC1 P4 | ISO | Коническое отверстие. конус 1/12. Механически обработанный латунный сепаратор. клёпаный. центрируемый по внутреннему кольцу. Точность размеров и хода по классу точности 4 по ISO (более точная. чем P5) - Abec7. Для невзаимозаменяемых цилиндрических роликоподшипников. Зазор менее СС2. Cast Iron Cover Mounting Groove. |
| NN4926KC1NAP4 | ISO | Коническое отверстие. конус 1/12. Радиальный зазор меньше. чем C2. Нет особого значения для цилиндрического подшипника. Класс точности 4. |
| NNU4926KC1NAP4 | ISO | Коническое отверстие. конус 1/12. Радиальный зазор меньше. чем C2. Нет особого значения для цилиндрического подшипника. Класс точности 4. |
| NNU4926MBKRE3CC1P4 | ISO | Обработанный латунный сепаратор. Центрированное внутреннее кольцо. Класс точности Р4 по ISO (точнее. чем P5) - Abec.7. Сверхточное коническое отверстие (1/12). Для невзаимозаменяемых цилиндрических роликоподшипников. Зазор менее СС2. |
| NNU4926-S-K-M-SP-F12 | ISO | Канавка для смазки и три отверстия во внешнем кольце подшипника. Коническое отверстие. конус 1/12. Латунный сепаратор. Центрированный по роликам. Точность размеров примерно соответствует классу точности Р5. биения — классу точности Р4. Separable Cylindrical Roller Bearings_ The Raceway Of Separable Ring Is Rough-Ground.(F12 Replaced By T43). |
| SL024926-A | ISO | Особенность внутренней конструкции. |
| NNU4926S.M.SP.C3 | ISO | Канавка для смазки и три отверстия во внешнем кольце подшипника. Внутренний зазор больше нормального. Латунный сепаратор. Центрированный по роликам. Точность размеров примерно соответствует классу точности Р5. биения — классу точности Р4. |
| NNU4926S.M.SP.C4 | ISO | Запечатанная версия кулачкового ролика. Внутренний зазор подшипника больше. чем C3. Подшипник с латунным сепаратором. центрированный по телам качения. Точность размеров примерно соответствует классу точности Р5. биения — классу точности Р4. |
| SL014926-A-C3 | ISO | Внутренний зазор больше нормального. Особенность внутренней конструкции. |
| SL18-4926A | ISO | Особенность внутренней конструкции. |
| NNU4926KM NA W33 P51 | ISO | Канавка для смазки и три отверстия во внешнем кольце подшипника. Нет особого значения для цилиндрического подшипника. Сочетание P5 (размерная точность и точность хода в соответствии с классом допуска ISO 5 (лучше. чем P6)) и C1 (радиальный зазор и сниженный уровень вибрации). Type Of Model. |
| SL014926-A | ISO | Особенность внутренней конструкции. |
| NNC4926-V-C2 | ISO | Внутренний зазор подшипника меньше нормального. Подшипник без сепаратора. С полным комплектом тел качения. |
| NNCF4926V.C3 | ISO | Внутренний зазор больше нормального. Подшипник без сепаратора. С полным комплектом тел качения. |
Аналог цилиндрического роликового подшипника NNCL4926-V-C3 — это подшипник такого же размера dx130,Dx180,Bx50, типа и конструкции.
| Обозначение | Конструктивные особенности | Внутренний (d) | Наружный (D) | Ширина (B) |
|---|---|---|---|---|
| RSF-4926E4 | Роликовый радиальный двухрядный подшипник. Канавка для смазки и три отверстия во внешнем кольце подшипника. | 130.00 | 180.00 | 50.00 |
| 2R2677V | Роликовый радиальный цилиндрический двухрядный подшипник. Подшипник без сепаратора. С полным комплектом тел качения. | 130.00 | 180.00 | 50.00 |
| NNCF 4926 CV | Роликовый радиальный цилиндрический двухрядный подшипник. Полноразмерный цилиндрический роликоподшипник с модифицированной внутренней конструкцией. | 130.00 | 180.00 | 50.00 |
| NNCL 4926 CV | Роликовый радиальный цилиндрический двухрядный подшипник. Полноразмерный цилиндрический роликоподшипник с модифицированной внутренней конструкцией. | 130.00 | 180.00 | 50.00 |
| NN4926K | Роликовый радиальный двухрядный подшипник. Коническое внутреннее отверстие. Двухрядный цилиндрический роликовый подшипник. | 130.00 | 180.00 | 50.00 |
| NN4926 | Роликовый радиальный двухрядный подшипник. Канавка под стопорное кольцо на наружном кольце подшипника. Двухрядный цилиндрический роликовый подшипник. | 130.00 | 180.00 | 50.00 |
| NNU4926 V | Роликовый радиальный двухрядный подшипник. Бессепараторный подшипник. Двухрядный цилиндрический роликовый подшипник. | 130.00 | 180.00 | 50.00 |
| NNU4926K V | Роликовый радиальный двухрядный подшипник. Коническое внутреннее отверстие. Бессепараторный подшипник. Двухрядный цилиндрический роликовый подшипник. | 130.00 | 180.00 | 50.00 |
| NNU4926/W33 | Роликовый радиальный цилиндрический однорядный подшипник. Канавка для смазки и три отверстия во внешнем кольце подшипника. | 130.00 | 180.00 | 50.00 |
| NNU4926K/W33 | Роликовый радиальный цилиндрический однорядный подшипник. Канавка для смазки и три отверстия во внешнем кольце подшипника. Коническое отверстие. Конусность 1/12. | 130.00 | 180.00 | 50.00 |
| NAU 4926UU | Роликовый радиальный двухрядный подшипник. Символ защиты от загрязнения. | 130.00 | 180.00 | 50.00 |
| NNU 4926 K/SPW33 | Роликовый радиальный двухрядный подшипник. Коническое отверстие. Конусность 1/12. | 130.00 | 180.00 | 50.00 |
| NA4926-2RS | Роликовый игольчатый подшипник однорядный. Резиновые уплотнения с каждой стороны подшипника. | 130.00 | 180.00 | 50.00 |
| NA 4926U | Роликовый игольчатый подшипник однорядный. Универсальный одиночный подшипник. | 130.00 | 180.00 | 51.00 |
| 4074926-К1 | Роликовый радиальный однорядный подшипник. Кольцевая проточка на середине цилиндрической наружной поверхности наружного кольца плюс три отверстия для смазки. | 130.00 | 180.00 | 50.00 |
Способы доставки
Отправка через ведущие транспортные и курьерские компании: ПЭК, Деловые Линии, СДЭК, Байкал-Сервис, Энергия, КИТ, ЖелДорЭкспедиция.
Самовывоз возможен напрямую со склада в Москве.
Сроки доставки
Срок зависит от региона и выбранной транспортной компании. Все заказы комплектуются и отправляются в кратчайшие сроки со склада в Москве.
Надёжность и сохранность
Вся продукция упаковывается с учётом требований транспортировки. Мы гарантируем, что подшипники и комплектующие прибудут к заказчику в полной сохранности.
Доставка в страны ЕАЭС
Мы работаем с проверенными логистическими партнёрами, что позволяет оперативно доставлять заказы в Беларусь, Казахстан, Армению и другие страны ЕАЭС.
Варианты оплаты:
Минимальная сумма заказа и скидки:
Документы и гарантии:
Да, конечно! Наши технические специалисты готовы помочь вам с подбором точного аналога или замены подшипника. Просто позвоните нам по телефону +7 (495) 104-99-04 или напишите на почту zakaz@podsnab.ru.
Для оперативной консультации подготовьте, пожалуйста, имеющиеся данные: маркировку, размеры, тип оборудования или артикул старого подшипника.
Да, конечно! Мы высоко ценим долгосрочное сотрудничество и доверие клиентов по всей России. Для постоянных клиентов действует персональная система скидок.
Условия формируются индивидуально и зависят от:
Чтобы узнать свои условия и получить максимально выгодное предложение, свяжитесь с персональным менеджером или напишите нам на почту zakaz@podsnab.ru.
Вы можете оформить заказ несколькими способами:
Для оформления заказа от юридического лица свяжитесь с нашим отделом по работе с корпоративными клиентами по телефону +7 (495) 104-99-04 или напишите на email zakaz@podsnab.ru, прикрепив реквизиты вашей организации.
Мы оперативно подготовим коммерческое предложение и выставим счет.
Возврат товара надлежащего качества возможен в течение 10 дней с момента получения, если товар не был в употреблении, сохранен товарный вид, упаковка не вскрывалась и присутствуют все сопроводительные документы.
Возврат денежных средств осуществляется в течение 10 рабочих дней после проверки товара складом.
В соответствии с законодательством возврату не подлежат подшипники надлежащего качества, если отсутствует оригинальная упаковка или имеются следы монтажа.
В случае выявления брака или гарантийного случая мы гарантируем возврат или обмен товара.
Да, гарантийный срок хранения устанавливается заводом-изготовителем и в среднем составляет 2 года при соблюдении условий хранения: сухое помещение, оригинальная упаковка и смазка.
Точный срок для конкретного типа подшипника уточняйте у наших менеджеров.
Пн–Пт: с 8:00 до 17:00 (МСК).
Сб–Вс: выходные дни.
Заказы на сайте принимаются круглосуточно. Заявки, поступившие после окончания рабочего дня, обрабатываются на следующий рабочий день.
Минимальная сумма заказа для доставки составляет 3000 рублей. Самовывоз со склада возможен на любую сумму при наличии товара.
ООО «УралТехГрупп»
ИНН: 7415093830
КПП: 772401001
ОГРН: 1167456069021
Банк: ПАО Сбербанк
Р/с: 40702810838000475273
К/с: 30101810400000000225
БИК: 044525225
У подшипника NNCL4926-V-C3 пока нет отзывов. Вы можете стать первым покупателем, поделившимся своим мнением.