Поиск подшипника
Статьи
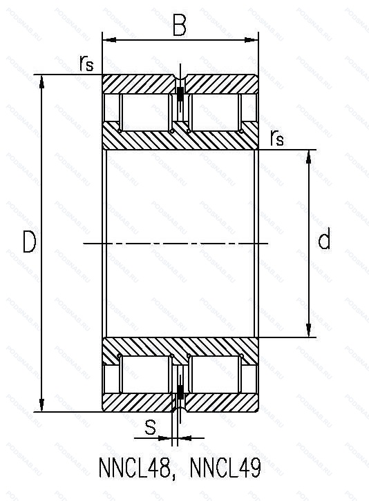
NNCL4916-V-C3 — Подшипник роликовый цилиндрический двухрядный, модификация основного исполнения NNCL4916, производство NKE.
Размер подшипника: 80x110x30 мм.
Внутренний зазор больше нормального, подшипник без сепаратора. с полным комплектом тел качения.
Альтернативное обозначение: SL024916-A-C3.
Аналоги: SL024916-A-C3 INA,NNCL4916V.C3 NKE.
Международная стандартизации ISO
NNCL4916VC3
В наличии
| Обозначение | Конструктивные изменения |
|---|---|
| NNCL4916CV | Внутренние изменения в конструкции. Полноразмерный цилиндрический роликоподшипник с модифицированной внутренней конструкцией. |
| NNCL4916V | Подшипник без сепаратора. С полным комплектом тел качения. |
Модификации цилиндрического роликового подшипника NNCL4916-V-C3 — это измененное основное конструктивное исполнение NNCL4916, основные размеры (80x110x30) не отличаются.
| Обозначение | Гост | Конструктивные особенности |
|---|---|---|
| SL184916 | ISO | Подшипник роликовый цилиндрический двухрядный. |
| NAG4916 | ISO | Полнокомплектный неразборной подшипник с большой номинальной нагрузкой.. |
| NAG4916UU | ISO | Символ защиты от загрязнения. Полнокомплектный неразборной подшипник с большой номинальной нагрузкой.. |
| NNC4916V | ISO | Бессепараторный подшипник. |
| SL01-4916V | ISO | Подшипник без сепаратора. С полным комплектом тел качения. |
| SL01-4916 | ISO | Подшипник роликовый цилиндрический двухрядный. |
| SL02-4916 | ISO | Подшипник роликовый цилиндрический двухрядный. |
| SL184916-A | ISO | Особенность внутренней конструкции. |
| NNC4916V.C3 | ISO | Внутренний зазор больше нормального. Подшипник без сепаратора. С полным комплектом тел качения. |
| SL014916-A-C5 | ISO | Особенность внутренней конструкции. Внутренний зазор подшипника больше. чем С4. |
| NNC4916CV | ISO | Полноразмерный цилиндрический роликоподшипник с модифицированной внутренней конструкцией. |
| SL01-4916A | ISO | Особенность внутренней конструкции. |
| SL014916-A-C4 | ISO | Внутренний зазор подшипника больше. чем C3. Особенность внутренней конструкции. |
| SL184916-A-C3 | ISO | Внутренний зазор больше нормального. Особенность внутренней конструкции. |
| SL01-4916A C3 | ISO | Внутренний зазор больше нормального. Особенность внутренней конструкции. |
| SL02-4916A C3 | ISO | Внутренний зазор больше нормального. Особенность внутренней конструкции. |
| SL024916-A | ISO | Особенность внутренней конструкции. |
Аналог цилиндрического роликового подшипника NNCL4916-V-C3 — это подшипник такого же размера dx80,Dx110,Bx30, типа и конструкции.
| Обозначение | Конструктивные особенности | Внутренний (d) | Наружный (D) | Ширина (B) |
|---|---|---|---|---|
| NA4916R | Роликовый игольчатый подшипник. Тип ребра. | 80.00 | 110.00 | 30.00 |
| NA4916-XL | Роликовый игольчатый подшипник. Серия X-Life премиум-класс. увеличиный срок службы. | 80.00 | 110.00 | 30.00 |
| NA4916-XL-C3 | Роликовый игольчатый подшипник. Внутренний зазор больше нормального. Серия X-Life премиум-класс. увеличиный срок службы. | 80.00 | 110.00 | 30.00 |
| C4916V | Тороидальный роликовый подшипник CARB. Тороидальный подшипник CARB. Подшипник без сепаратора. С полным комплектом тел качения. | 80.00 | 110.00 | 30.00 |
| C4916K30V | Тороидальный роликовый подшипник CARB. Тороидальный подшипник CARB. Коническое отверстие. Конусность 1/30. | 80.00 | 110.00 | 30.00 |
| NA4916-P52 | Роликовый игольчатый подшипник. Комбинация P5 (точность размеров и пробега в соответствии с классом допуска ISO 5) и C2 (внутренний зазор подшипника меньше нормального). | 80.00 | 110.00 | 30.00 |
| RS-4916E4 | Роликовый радиальный двухрядный подшипник. Канавка для смазки и три отверстия во внешнем кольце подшипника. | 80.00 | 110.00 | 30.00 |
| RSF-4916E4 | Роликовый радиальный двухрядный подшипник. Канавка для смазки и три отверстия во внешнем кольце подшипника. | 80.00 | 110.00 | 30.00 |
| NNCF 4916 CV | Роликовый радиальный цилиндрический двухрядный подшипник. Полноразмерный цилиндрический роликоподшипник с модифицированной внутренней конструкцией. | 80.00 | 110.00 | 30.00 |
| NAU 4916UU | Роликовый радиальный двухрядный подшипник. Символ защиты от загрязнения. | 80.00 | 110.00 | 30.00 |
| NA4916-2RS | Роликовый игольчатый подшипник однорядный. Резиновые уплотнения с каждой стороны подшипника. | 80.00 | 110.00 | 30.00 |
| NA 4916U | Роликовый игольчатый подшипник однорядный. Универсальный одиночный подшипник. | 80.00 | 110.00 | 31.00 |
| NA4916TT | Роликовый игольчатый подшипник однорядный. Комплект из трех согласованных однорядных радиально-упорных шарикоподшипников или радиально-упорных шарикоподшипников, расположенных тандемно. | 80.00 | 110.00 | 31.00 |
| NA4916S | Роликовый игольчатый подшипник однорядный. Сварной стальной сепаратор. | 80.00 | 110.00 | 30.00 |
| 4244916-Л | Роликовый радиальный однорядный подшипник. Сепаратор из латуни.. | 80.00 | 110.00 | 30.00 |
Способы доставки
Отправка через ведущие транспортные и курьерские компании: ПЭК, Деловые Линии, СДЭК, Байкал-Сервис, Энергия, КИТ, ЖелДорЭкспедиция.
Самовывоз возможен напрямую со склада в Москве.
Сроки доставки
Срок зависит от региона и выбранной транспортной компании. Все заказы комплектуются и отправляются в кратчайшие сроки со склада в Москве.
Надёжность и сохранность
Вся продукция упаковывается с учётом требований транспортировки. Мы гарантируем, что подшипники и комплектующие прибудут к заказчику в полной сохранности.
Доставка в страны ЕАЭС
Мы работаем с проверенными логистическими партнёрами, что позволяет оперативно доставлять заказы в Беларусь, Казахстан, Армению и другие страны ЕАЭС.
Варианты оплаты:
Минимальная сумма заказа и скидки:
Документы и гарантии:
Да, конечно! Наши технические специалисты готовы помочь вам с подбором точного аналога или замены подшипника. Просто позвоните нам по телефону +7 (495) 104-99-04 или напишите на почту zakaz@podsnab.ru.
Для оперативной консультации подготовьте, пожалуйста, имеющиеся данные: маркировку, размеры, тип оборудования или артикул старого подшипника.
Да, конечно! Мы высоко ценим долгосрочное сотрудничество и доверие клиентов по всей России. Для постоянных клиентов действует персональная система скидок.
Условия формируются индивидуально и зависят от:
Чтобы узнать свои условия и получить максимально выгодное предложение, свяжитесь с персональным менеджером или напишите нам на почту zakaz@podsnab.ru.
Вы можете оформить заказ несколькими способами:
Для оформления заказа от юридического лица свяжитесь с нашим отделом по работе с корпоративными клиентами по телефону +7 (495) 104-99-04 или напишите на email zakaz@podsnab.ru, прикрепив реквизиты вашей организации.
Мы оперативно подготовим коммерческое предложение и выставим счет.
Возврат товара надлежащего качества возможен в течение 10 дней с момента получения, если товар не был в употреблении, сохранен товарный вид, упаковка не вскрывалась и присутствуют все сопроводительные документы.
Возврат денежных средств осуществляется в течение 10 рабочих дней после проверки товара складом.
В соответствии с законодательством возврату не подлежат подшипники надлежащего качества, если отсутствует оригинальная упаковка или имеются следы монтажа.
В случае выявления брака или гарантийного случая мы гарантируем возврат или обмен товара.
Да, гарантийный срок хранения устанавливается заводом-изготовителем и в среднем составляет 2 года при соблюдении условий хранения: сухое помещение, оригинальная упаковка и смазка.
Точный срок для конкретного типа подшипника уточняйте у наших менеджеров.
Пн–Пт: с 8:00 до 17:00 (МСК).
Сб–Вс: выходные дни.
Заказы на сайте принимаются круглосуточно. Заявки, поступившие после окончания рабочего дня, обрабатываются на следующий рабочий день.
Минимальная сумма заказа для доставки составляет 3000 рублей. Самовывоз со склада возможен на любую сумму при наличии товара.
ООО «УралТехГрупп»
ИНН: 7415093830
КПП: 772401001
ОГРН: 1167456069021
Банк: ПАО Сбербанк
Р/с: 40702810838000475273
К/с: 30101810400000000225
БИК: 044525225
У подшипника NNCL4916-V-C3 пока нет отзывов. Вы можете стать первым покупателем, поделившимся своим мнением.