Поиск подшипника
Статьи
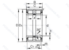
SL04-5007PP — Подшипник роликовый цилиндрический двухрядный, модификация основного исполнения SL045007, выпускается производителями: HMEC BEARING CHINA, INA, Подшипники NBS.
Размер подшипника: 35x62x36 мм.
Тип: Узкое внутреннее кольцо, легкая нагрузка, корпус из штампованной стали, установочный винт.
Альтернативное обозначение: NNF5007ADA-2LSV.
Международная стандартизации ISO
SL045007PP
В наличии
| Обозначение | Конструктивные изменения |
|---|---|
| SL045007-PP-2NR | Уплотнения на каждой стороне подшипника. Supplied With Two Loose-Packed Retaining Rings WRE. |
| SL04-5007X C4 | Внутренний зазор подшипника больше. чем C3. Подшипники и детали подшипников. наружный диаметр которых был скорректирован в соответствии с международными стандартами. Этот суффикс будет использоваться только в течение некоторого времени. (См. INA-каталог № 307 - январь 1999 г.). |
| SL045007-2Z | Защитные металлические шайбы с обеих сторон. |
| SL045007-P | Манжетное уплотнение с одной стороны подшипника. |
| SL045007-PP-RR | Манжетные уплотнения с обеих сторон подшипника. Защищен от коррозии специальным покрытием Corrotect®.. |
| SL04-5007 | Подшипник роликовый цилиндрический двухрядный. |
| SL045007-WRE62-C3 | Внутренний зазор больше нормального. Designation For Snap Ring WRE (Not Included In Delivery). |
| SL045007-C3 | Внутренний зазор больше нормального. |
| SL04-5007X | Подшипники и детали подшипников. наружный диаметр которых был скорректирован в соответствии с международными стандартами. Этот суффикс будет использоваться только в течение некоторого времени. (См. INA-каталог № 307 - январь 1999 г.). |
Модификации цилиндрического роликового подшипника SL04-5007PP — это измененное основное конструктивное исполнение SL045007, основные размеры (35x62x36) не отличаются.
| Обозначение | Гост | Конструктивные особенности |
|---|---|---|
| NNF5007-2LS-V-2NR | ISO | Контактное уплотнение с обеих сторон подшипника. Подшипник без сепаратора. С полным комплектом тел качения. Supplied With Two Loose-Packed Retaining Rings WRE. |
| NNCF5007V C3 | ISO | Внутренний зазор больше нормального. Подшипник без сепаратора. С полным комплектом тел качения. |
| NNF5007PP 2NR | ISO | Уплотнения на каждой стороне подшипника. Supplied With Two Loose-Packed Retaining Rings WRE. |
| SL18-5007 | ISO | Подшипник роликовый цилиндрический двухрядный. |
| NNF5007ADB-2LSV | ISO | Контактное уплотнение из полиуретана (AU) с обеих сторон подшипника. Полный комплект роликов (без сепаратора). Modified Snap Ring Grooves In The Outer Ring_ Two-Piece Inner Ring Held Together By A Retaining Ring. |
| NNF5007ADA-2LSV | ISO | Контактное уплотнение из полиуретана (AU) с обеих сторон подшипника. Полный комплект роликов (без сепаратора). Широкие канавки для стопорных колец на внешнем кольце. Внутреннее кольцо из двух частей. удерживаемое вместе стопорным кольцом. |
| NNF5007B.2LS.V | ISO | Внутренние изменения в конструкции. Контактное уплотнение с обеих сторон подшипника. Подшипник без сепаратора. С полным комплектом тел качения. |
| SL185007-A-XL | ISO | Особенность внутренней конструкции. Серия X-Life премиум-класс. увеличиный срок службы. |
| NNF5007-2LS-V-C3 | ISO | Внутренний зазор больше нормального. Контактное уплотнение из полиуретана (AU) с обеих сторон подшипника. Полный комплект роликов (без сепаратора). |
| NNCF5007V | ISO | Подшипник без сепаратора. С полным комплектом тел качения. |
| NNF5007 2LS | ISO | Контактное уплотнение с обеих сторон подшипника. |
| SL185007-A-C3 | ISO | Внутренний зазор больше нормального. Особенность внутренней конструкции. |
| SL18-5007A | ISO | Особенность внутренней конструкции. |
| SL18-5007C99 | ISO | Подшипник роликовый цилиндрический двухрядный. |
| SL18-5007C3 | ISO | Внутренний зазор больше нормального. |
Аналог цилиндрического роликового подшипника SL04-5007PP — это подшипник такого же размера dx35,Dx62,Bx36, типа и конструкции.
| Обозначение | Конструктивные особенности | Внутренний (d) | Наружный (D) | Ширина (B) |
|---|---|---|---|---|
| GE35-FO-2RS-C2 | Сферический подшипник скольжения. Radial Internal Clearance Smaller Than Normal (For Spherical Plain Bearings Requiring Maintenance). Манжетное уплотнение с двух сторон. Стальная скользящая контактная поверхность. Более широкое внутреннее кольцо. | 35.00 | 62.00 | 35.00 |
| GE35-FO-2RS-HLN | Сферический подшипник скольжения. Манжетное уплотнение с двух сторон. Стальная скользящая контактная поверхность. Более широкое внутреннее кольцо. Код местонахождения завода. может использоваться в стандартной комплектации. | 35.00 | 62.00 | 35.00 |
| 561447.J22C | Подшипник шариковый двухрядный радиально-упорный. Продукция без маркировки или с ограниченной маркировкой. Технические характеристики упаковки J22C. Заменяет Z67. | 34.00 | 62.00 | 37.00 |
| GE35-FW-2RS-A | Сферический подшипник скольжения. Особенность внутренней конструкции. Манжетное уплотнение с двух сторон. СкользящаКонтактная поверхность из хром/PTFE. Широкое внутреннее кольцо. | 35.00 | 62.00 | 35.00 |
| 531910DB | Подшипник шариковый двухрядный радиально-упорный. Two Single Row Deep Groove Ball Bearings. Single Row Angular Contact Ball Bearings Or Single Row Tapered Roller Bearings Matched For Mounting In A Back-To-Back Arrangement. | 34.00 | 62.00 | 37.00 |
| NNCF 5007 CV | Роликовый радиальный цилиндрический двухрядный подшипник. Полноразмерный цилиндрический роликоподшипник с модифицированной внутренней конструкцией. | 35.00 | 62.00 | 36.00 |
| NNF5007 V | Роликовый радиальный двухрядный подшипник. Бессепараторный подшипник. | 35.00 | 62.00 | 36.00 |
| PW34620037CS | Шариковый радиально-упорный двухрядный подшипник. Высокоуглеродистая сталь. | 34.00 | 62.00 | 37.00 |
| GE 035 HS-2RS | Шарнирный подшипник. Контактные уплотнения типа RS с обеих сторон игольчатого роликоподшипника. Антизадирная пластичная смазка. | 35.00 | 62.00 | 35.00 |
| GE 035 XES | Шарнирный подшипник. Габаритные размеры отличаются от стандарта ISO или опорные ролики с цилиндрической наружной поверхностью. Антизадирная пластичная смазка. | 35.00 | 62.00 | 35.00 |
| GE 035 HCR-2RS | Шарнирный подшипник. Контактные уплотнения типа RS с обеих сторон игольчатого роликоподшипника. Антизадирная пластичная смазка. | 35.00 | 62.00 | 35.00 |
| GE 035 XES-2RS | Шарнирный подшипник. Контактные уплотнения типа RS с обеих сторон игольчатого роликоподшипника. Габаритные размеры отличаются от стандарта ISO или опорные ролики с цилиндрической наружной поверхностью. Антизадирная пластичная смазка. | 35.00 | 62.00 | 35.00 |
| GE35XDO-2RS | Шарнирный подшипник. Резиновые уплотнения с каждой стороны подшипника. | 35.00 | 62.00 | 35.00 |
| GEG35N | Шарнирный подшипник. Канавка под стопорное кольцо на внешнем кольце. | 35.00 | 62.00 | 35.00 |
| GEG35C | Шарнирный подшипник. 15° Угол контакта. | 35.00 | 62.00 | 35.00 |
Способы доставки
Отправка через ведущие транспортные и курьерские компании: ПЭК, Деловые Линии, СДЭК, Байкал-Сервис, Энергия, КИТ, ЖелДорЭкспедиция.
Самовывоз возможен напрямую со склада в Москве.
Сроки доставки
Срок зависит от региона и выбранной транспортной компании. Все заказы комплектуются и отправляются в кратчайшие сроки со склада в Москве.
Надёжность и сохранность
Вся продукция упаковывается с учётом требований транспортировки. Мы гарантируем, что подшипники и комплектующие прибудут к заказчику в полной сохранности.
Доставка в страны ЕАЭС
Мы работаем с проверенными логистическими партнёрами, что позволяет оперативно доставлять заказы в Беларусь, Казахстан, Армению и другие страны ЕАЭС.
Варианты оплаты:
Минимальная сумма заказа и скидки:
Документы и гарантии:
Да, конечно! Наши технические специалисты готовы помочь вам с подбором точного аналога или замены подшипника. Просто позвоните нам по телефону +7 (495) 104-99-04 или напишите на почту zakaz@podsnab.ru.
Для оперативной консультации подготовьте, пожалуйста, имеющиеся данные: маркировку, размеры, тип оборудования или артикул старого подшипника.
Да, конечно! Мы высоко ценим долгосрочное сотрудничество и доверие клиентов по всей России. Для постоянных клиентов действует персональная система скидок.
Условия формируются индивидуально и зависят от:
Чтобы узнать свои условия и получить максимально выгодное предложение, свяжитесь с персональным менеджером или напишите нам на почту zakaz@podsnab.ru.
Вы можете оформить заказ несколькими способами:
Для оформления заказа от юридического лица свяжитесь с нашим отделом по работе с корпоративными клиентами по телефону +7 (495) 104-99-04 или напишите на email zakaz@podsnab.ru, прикрепив реквизиты вашей организации.
Мы оперативно подготовим коммерческое предложение и выставим счет.
Возврат товара надлежащего качества возможен в течение 10 дней с момента получения, если товар не был в употреблении, сохранен товарный вид, упаковка не вскрывалась и присутствуют все сопроводительные документы.
Возврат денежных средств осуществляется в течение 10 рабочих дней после проверки товара складом.
В соответствии с законодательством возврату не подлежат подшипники надлежащего качества, если отсутствует оригинальная упаковка или имеются следы монтажа.
В случае выявления брака или гарантийного случая мы гарантируем возврат или обмен товара.
Да, гарантийный срок хранения устанавливается заводом-изготовителем и в среднем составляет 2 года при соблюдении условий хранения: сухое помещение, оригинальная упаковка и смазка.
Точный срок для конкретного типа подшипника уточняйте у наших менеджеров.
Пн–Пт: с 8:00 до 17:00 (МСК).
Сб–Вс: выходные дни.
Заказы на сайте принимаются круглосуточно. Заявки, поступившие после окончания рабочего дня, обрабатываются на следующий рабочий день.
Минимальная сумма заказа для доставки составляет 3000 рублей. Самовывоз со склада возможен на любую сумму при наличии товара.
ООО «УралТехГрупп»
ИНН: 7415093830
КПП: 772401001
ОГРН: 1167456069021
Банк: ПАО Сбербанк
Р/с: 40702810838000475273
К/с: 30101810400000000225
БИК: 044525225
У подшипника SL04-5007PP пока нет отзывов. Вы можете стать первым покупателем, поделившимся своим мнением.