Поиск подшипника
Статьи
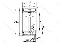
SL04-5008PP — Подшипник роликовый цилиндрический двухрядный, модификация основного исполнения SL045008, выпускается производителями: INA, ISB, NBI, NEUTRAL, Подшипники NBS.
Размер подшипника: 40x68x38 мм.
Тип: Узкое внутреннее кольцо, легкая нагрузка, корпус из штампованной стали, установочный винт.
Альтернативное обозначение: NNF5008ADA-2LSV, NNF5008B.2LSV.
Аналоги: SL045008-PP INA,SL04-5008PP NBS,SL04-5008PP-H MTK.
Международная стандартизации ISO
SL045008PP
В наличии
| Обозначение | Конструктивные изменения |
|---|---|
| SL045008-PP-C3-L091 | Внутренний зазор больше нормального. Манжетные уплотнения с обеих сторон подшипника. Optimized Grease For All Purposes. Temperature Range Approximately -50°C / +120°C - Description/ Isoflex® LDS 18 Special A)-Is A Dynamically Light Long-Term Grease For Plain And Rolling Bearings. It Consists Of Ester Oil. Mineral Oil And Lithium Soap. The Product Is Resistant To Ageing. Oxidation And Water. And It Protects Reliably Against Corrosion. Application/ Isoflex® LDS 18 Special A Is Suitable For Plain And Rolling Bearings Operating At Low Temperatures And/Or High Speeds. For Example In Grinding Spindles. Machine Tool Spindles. Spindle Bearings. Textile Spindles. Bearings In Oe-Spinning Turbines. Bearings In Precision And Optical Equipment. |
| SL045008-PP-C4 | Внутренний зазор подшипника больше. чем C3. Манжетные уплотнения с обеих сторон подшипника. |
| SL045008-PP-RR | Манжетные уплотнения с обеих сторон подшипника. Защищен от коррозии специальным покрытием Corrotect®.. |
| SL04-5008S3 C3 | Внутренний зазор больше нормального. Кольца или шайбы подшипников, стабилизированные по размерам для использования при рабочих температурах до +300°C (572°F). |
| SL04-5008NR | Две стопорные канавки во внешнем кольце. Внутреннее кольцо с сепаратором не совместимо с другим наружным кольцом. |
| SL04-5008LLNR | Канавка под стопорное кольцо на наружном кольце с соответствующим стопорным кольцом. Манжетные уплотнения с обеих сторон подшипника. |
| SL045008-D-P | Усовершенствованный профиль внешнего кольца. Манжетное уплотнение с одной стороны подшипника. |
| SL045008-D-PP-C3 | Усовершенствованный профиль внешнего кольца. Внутренний зазор больше нормального. Манжетные уплотнения с обеих сторон подшипника. |
| SL045008-D | Усовершенствованный профиль внешнего кольца. |
| SL045008-C4 | Внутренний зазор подшипника больше. чем C3. |
| SL045008-PP-2NR-C3-L091 | Внутренний зазор больше нормального. Манжетные уплотнения с обеих сторон подшипника. Optimized Grease For All Purposes. Temperature Range Approximately -50°C / +120°C - Description/ Isoflex® LDS 18 Special A)-Is A Dynamically Light Long-Term Grease For Plain And Rolling Bearings. It Consists Of Ester Oil. Mineral Oil And Lithium Soap. The Product Is Resistant To Ageing. Oxidation And Water. And It Protects Reliably Against Corrosion. Application/ Isoflex® LDS 18 Special A Is Suitable For Plain And Rolling Bearings Operating At Low Temperatures And/Or High Speeds. For Example In Grinding Spindles. Machine Tool Spindles. Spindle Bearings. Textile Spindles. Bearings In Oe-Spinning Turbines. Bearings In Precision And Optical Equipment. Supplied With Two Loose-Packed Retaining Rings WRE. |
| SL04-5008S3 | Кольца или шайбы подшипников, стабилизированные по размерам для использования при рабочих температурах до +300°C (572°F). |
| SL045008-S3-R200-250 | Кольца или шайбы подшипников, стабилизированные по размерам для использования при рабочих температурах до +300°C (572°F). Radial Clearance In μm. |
| SL04-5008PP-H | Манжетные уплотнения с обеих сторон подшипника. |
| SL045008-PP-C3 | Внутренний зазор больше нормального. Манжетные уплотнения с обеих сторон подшипника. |
| SL04-5008NR V11 | Две стопорные канавки во внешнем кольце. |
| SL045008-2Z | Защитные металлические шайбы с обеих сторон. |
| SL045008-D-C3 | Усовершенствованный профиль внешнего кольца. Внутренний зазор больше нормального. |
| SL045008-D-PP-2NR-C2 | Усовершенствованный профиль внешнего кольца. Внутренний зазор подшипника меньше нормального. Манжетные уплотнения с обеих сторон подшипника. Supplied With Two Loose-Packed Retaining Rings WRE. |
| SL045008-D-C4 | Усовершенствованный профиль внешнего кольца. Внутренний зазор подшипника больше. чем C3. |
| SL045008-D-PP-2NR-C3-L091 | Усовершенствованный профиль внешнего кольца. Внутренний зазор больше нормального. Манжетные уплотнения с обеих сторон подшипника. Optimized Grease For All Purposes. Temperature Range Approximately -40°C / +80°C - Description/ Isoflex® LDS 18 Special A)-Is A Dynamically Light Long-Term Grease For Plain And Rolling Bearings. It Consists Of Ester Oil. Mineral Oil And Lithium Soap. The Product Is Resistant To Ageing. Oxidation And Water. And It Protects Reliably Against Corrosion. Application/ Isoflex® LDS 18 Special A Is Suitable For Plain And Rolling Bearings Operating At Low Temperatures And/Or High Speeds. For Example In Grinding Spindles. Machine Tool Spindles. Spindle Bearings. Textile Spindles. Bearings In Oe-Spinning Turbines. Bearings In Precision And Optical Equipment. Supplied With Two Loose-Packed Retaining Rings WRE. |
| SL045008-D-PP-2NR | Усовершенствованный профиль внешнего кольца. Манжетные уплотнения с обеих сторон подшипника. Supplied With Two Loose-Packed Retaining Rings WRE. |
| SL045008-D-PP-C4 | Усовершенствованный профиль внешнего кольца. Внутренний зазор подшипника больше. чем C3. Манжетные уплотнения с обеих сторон подшипника. |
| SL045008-D-S3-C4 | Усовершенствованный профиль внешнего кольца. Внутренний зазор подшипника больше. чем C3. Кольца или шайбы подшипников, стабилизированные по размерам для использования при рабочих температурах до +300°C (572°F). |
| SL045008-D-PP-C2 | Усовершенствованный профиль внешнего кольца. Внутренний зазор подшипника меньше нормального. Манжетные уплотнения с обеих сторон подшипника. |
Модификации цилиндрического роликового подшипника SL04-5008PP — это измененное основное конструктивное исполнение SL045008, основные размеры (40x68x38) не отличаются.
| Обозначение | Гост | Конструктивные особенности |
|---|---|---|
| NNCF5008CV C3 | ISO | Внутренний зазор больше нормального. Полноразмерный цилиндрический роликоподшипник с модифицированной внутренней конструкцией. |
| NNF5008ADB-2LSV | ISO | Контактное уплотнение из полиуретана (AU) с обеих сторон подшипника. Полный комплект роликов (без сепаратора). Modified Snap Ring Grooves In The Outer Ring_ Two-Piece Inner Ring Held Together By A Retaining Ring. |
| NNF5008B.2LS.V | ISO | Внутренние изменения в конструкции. Контактное уплотнение с обеих сторон подшипника. Подшипник без сепаратора. С полным комплектом тел качения. |
| NNCF5008V.R200.250.S3 | ISO | Подшипник без сепаратора. С полным комплектом тел качения. Кольца или шайбы подшипников, стабилизированные по размерам для использования при рабочих температурах до +300°C (572°F). Radial Clearance In μm. |
| NNCF5008CV | ISO | Внутренние изменения в конструкции. Полноразмерный цилиндрический роликоподшипник с модифицированной внутренней конструкцией. |
| NNF5008C.V.R200.250.S | ISO | Запечатанная версия кулачкового ролика. Internal Design Modification. Revised And Amended Nut. Nut Spacing On Outer Ring. Split Inner Ring. Подшипник без сепаратора. С полным комплектом тел качения. Radial Clearance In μm. |
| NNCF5008S3 C4 | ISO | Внутренний зазор подшипника больше. чем C3. Кольца или шайбы подшипников, стабилизированные по размерам для использования при рабочих температурах до +300°C (572°F). |
| MRF5008A | ISO | Двухрядный радиально-упорный шарикоподшипник без отверстия для смазки. |
| NNCF5008AVE1C4X305 | ISO | Внутренний зазор подшипника больше. чем C3. Подшипник без сепаратора. С полным комплектом тел качения. Notch Or Lubricating Groove In Ring. |
| SL185008-A-C4 | ISO | Внутренний зазор подшипника больше. чем C3. Особенность внутренней конструкции. |
| NNCF5008A 2RS | ISO | Двухрядный радиально-упорный шарикоподшипник без отверстия для смазки. Резиновые уплотнения с каждой стороны подшипника. |
| NNCF5008V/C3 | ISO | Внутренний зазор больше нормального. Полный комплект роликов (без сепаратора). |
| SL18-5008A C3 | ISO | Внутренний зазор больше нормального. Особенность внутренней конструкции. |
| NNCF5008-V-C4-S3 | ISO | Внутренний зазор подшипника больше. чем C3. Подшипник без сепаратора. С полным комплектом тел качения. Кольца или шайбы подшипников, стабилизированные по размерам для использования при рабочих температурах до +300°C (572°F). |
| SL18-5008C4 | ISO | Внутренний зазор подшипника больше. чем C3. |
| SL18-5008S3 C4 | ISO | Внутренний зазор подшипника больше. чем C3. Кольца или шайбы подшипников, стабилизированные по размерам для использования при рабочих температурах до +300°C (572°F). |
| SL18-5008C3 | ISO | Внутренний зазор больше нормального. |
| SL185008-A-C3-2S | ISO | Внутренний зазор больше нормального. Особенность внутренней конструкции. Bearings Matched In Set Of Two For Side-By-Side Mounting. |
| NNCF5008V | ISO | Подшипник без сепаратора. С полным комплектом тел качения. |
| NNF5008 2LS | ISO | Контактное уплотнение с обеих сторон подшипника. |
Аналог цилиндрического роликового подшипника SL04-5008PP — это подшипник такого же размера dx40,Dx68,Bx38, типа и конструкции.
| Обозначение | Конструктивные особенности | Внутренний (d) | Наружный (D) | Ширина (B) |
|---|---|---|---|---|
| DAC39680037 | Подшипник шариковый двухрядный радиально-упорный. Однорядный радиально-упорный шарикоподшипник с углом контакта 25°. | 39.00 | 68.07 | 37.00 |
| 540733BA | Подшипник шариковый двухрядный радиально-упорный. Modified Internal Design. Increased Угол контакта. | 39.00 | 68.00 | 37.00 |
| 134-746BD TNG 2RS | Подшипник шариковый двухрядный радиально-упорный. Bearing With Two Rubber Seals (With One Lip) Mounted On Outer Ring On Both Faces. Bearing With Solid Polyamide Cage Reinforced By Glass Fibre. Centred On Rolling Elements. Модифицированная или измененная внутренняя конструкция. | 39.00 | 68.00 | 37.00 |
| 540733CB.J22C | Подшипник шариковый двухрядный радиально-упорный. Подшипник для универсального монтажа. Два подшипника. установленные по О-образной или Х-образной схеме. имеют нормальный осевой внутренний зазор. Продукция без маркировки или с ограниченной маркировкой. Технические характеристики упаковки J22C. Заменяет Z67. | 39.00 | 68.00 | 37.00 |
| 39BWD02D-A | Подшипник шариковый двухрядный радиально-упорный. Нет слотов для заполнения. | 39.00 | 68.00 | 37.00 |
| RS-5008NR | Роликовый радиальный двухрядный подшипник. Канавка под стопорное кольцо на наружном кольце с соответствующим стопорным кольцом. | 40.00 | 68.00 | 38.00 |
| 6У-537808 С17 | Роликовый радиальный-упорный подшипник. Смазка Литол-24. | 39.00 | 68.00 | 37.00 |
| NNF5008 V | Роликовый радиальный двухрядный подшипник. Бессепараторный подшипник. | 40.00 | 68.00 | 38.00 |
| DC5008NR | Роликовый радиальный двухрядный подшипник. Канавка под стопорное кольцо на наружном кольце с соответствующим стопорным кольцом. | 40.00 | 68.00 | 38.00 |
| DC5008N | Роликовый радиальный двухрядный подшипник. Канавка под стопорное кольцо на внешнем кольце. | 40.00 | 68.00 | 38.00 |
| E5008NR | Роликовый радиальный цилиндрический двухрядный подшипник. Канавка под стопорное кольцо на наружном кольце с соответствующим стопорным кольцом. | 40.00 | 68.00 | 38.00 |
| DE0819LLCS38/5C | Шариковый радиально-упорный двухрядный подшипник. Угол контакта 15°. Chevron SRI-2 Grease High Temperature -29°C to 177°C. | 39.00 | 68.00 | 37.00 |
| PW39680737CS | Шариковый радиально-упорный двухрядный подшипник. Высокоуглеродистая сталь. | 39.00 | 68.07 | 37.00 |
| PW39680037CS | Шариковый радиально-упорный двухрядный подшипник. Высокоуглеродистая сталь. | 39.00 | 68.00 | 37.00 |
| SAB38 | Шариковый радиально-упорный двухрядный подшипник. Модифицированная внутренняя конструкция. | 39.00 | 68.00 | 37.00 |
Способы доставки
Отправка через ведущие транспортные и курьерские компании: ПЭК, Деловые Линии, СДЭК, Байкал-Сервис, Энергия, КИТ, ЖелДорЭкспедиция.
Самовывоз возможен напрямую со склада в Москве.
Сроки доставки
Срок зависит от региона и выбранной транспортной компании. Все заказы комплектуются и отправляются в кратчайшие сроки со склада в Москве.
Надёжность и сохранность
Вся продукция упаковывается с учётом требований транспортировки. Мы гарантируем, что подшипники и комплектующие прибудут к заказчику в полной сохранности.
Доставка в страны ЕАЭС
Мы работаем с проверенными логистическими партнёрами, что позволяет оперативно доставлять заказы в Беларусь, Казахстан, Армению и другие страны ЕАЭС.
Варианты оплаты:
Минимальная сумма заказа и скидки:
Документы и гарантии:
Да, конечно! Наши технические специалисты готовы помочь вам с подбором точного аналога или замены подшипника. Просто позвоните нам по телефону +7 (495) 104-99-04 или напишите на почту zakaz@podsnab.ru.
Для оперативной консультации подготовьте, пожалуйста, имеющиеся данные: маркировку, размеры, тип оборудования или артикул старого подшипника.
Да, конечно! Мы высоко ценим долгосрочное сотрудничество и доверие клиентов по всей России. Для постоянных клиентов действует персональная система скидок.
Условия формируются индивидуально и зависят от:
Чтобы узнать свои условия и получить максимально выгодное предложение, свяжитесь с персональным менеджером или напишите нам на почту zakaz@podsnab.ru.
Вы можете оформить заказ несколькими способами:
Для оформления заказа от юридического лица свяжитесь с нашим отделом по работе с корпоративными клиентами по телефону +7 (495) 104-99-04 или напишите на email zakaz@podsnab.ru, прикрепив реквизиты вашей организации.
Мы оперативно подготовим коммерческое предложение и выставим счет.
Возврат товара надлежащего качества возможен в течение 10 дней с момента получения, если товар не был в употреблении, сохранен товарный вид, упаковка не вскрывалась и присутствуют все сопроводительные документы.
Возврат денежных средств осуществляется в течение 10 рабочих дней после проверки товара складом.
В соответствии с законодательством возврату не подлежат подшипники надлежащего качества, если отсутствует оригинальная упаковка или имеются следы монтажа.
В случае выявления брака или гарантийного случая мы гарантируем возврат или обмен товара.
Да, гарантийный срок хранения устанавливается заводом-изготовителем и в среднем составляет 2 года при соблюдении условий хранения: сухое помещение, оригинальная упаковка и смазка.
Точный срок для конкретного типа подшипника уточняйте у наших менеджеров.
Пн–Пт: с 8:00 до 17:00 (МСК).
Сб–Вс: выходные дни.
Заказы на сайте принимаются круглосуточно. Заявки, поступившие после окончания рабочего дня, обрабатываются на следующий рабочий день.
Минимальная сумма заказа для доставки составляет 3000 рублей. Самовывоз со склада возможен на любую сумму при наличии товара.
ООО «УралТехГрупп»
ИНН: 7415093830
КПП: 772401001
ОГРН: 1167456069021
Банк: ПАО Сбербанк
Р/с: 40702810838000475273
К/с: 30101810400000000225
БИК: 044525225
У подшипника SL04-5008PP пока нет отзывов. Вы можете стать первым покупателем, поделившимся своим мнением.