Поиск подшипника
Статьи
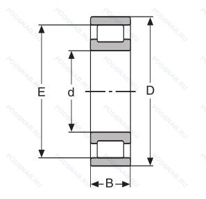
RLS21 — Однорядный цилиндрический роликовый подшипник, основное исполнение, производство FAG.
Размер подшипника: 101x184x31 мм.
Цилиндрический роликовый подшипник, однорядный, двухкромочное внутреннее кольцо, цилиндрическое наружное кольцо, легкая дюймовая серия.
Альтернативное обозначение: CRL32A.
Аналоги: LRJ4M RBC Bearings Industrial.
Международная стандартизации ISO
RLS21
В наличии
| Обозначение | Конструктивные изменения |
|---|---|
| RLS21.1/2 | ISO Tolerance Class ABEC.9. Number Of Carriages Per Rail Track. |
Модификации цилиндрического роликового подшипника RLS21 — это измененное основное конструктивное исполнение RLS21, основные размеры (101x184x31) не отличаются.
| Обозначение | Гост | Конструктивные особенности |
|---|---|---|
| LRJ4 | ISO | Однорядный цилиндрический роликовый подшипник. |
| LRJA4E | ISO | Повышенная грузоподъемность. |
| LRJ4E | ISO | Повышенная грузоподъемность. |
| CRL32MB/C3 | ISO | Внутренний зазор больше нормального. Двухкомпонентный латунный сепаратор с механической обработкой. Направляющее внутреннее кольцо. |
| RL21L | ISO | Механически обработанный алюминиевый фиксатор. Направляющий роликовый элемент. |
| LRJ4M | ISO | Подшипник с латунным сепаратором. центрированный по телам качения. |
| CRL32MB | ISO | Двухкомпонентный латунный сепаратор с механической обработкой. Направляющее внутреннее кольцо. |
| LRJA4MB CN S | ISO | Специальная термическая обработка. Латунный сепаратор. Центрированный на внутреннем кольце. Нормальный уровень радиального внутреннего зазора (не маркируется). |
| CRL32A | ISO | Цилиндрический роликоподшипник. С углом фланца 1 градус 40 минут. Сферические роликовые наконечники. |
| LRJ4M C3 | ISO | Внутренний зазор больше нормального. Механически обработанный латунный сепаратор .Расположенный на элементах качения. |
| CRL32AMB | ISO | Цилиндрический роликоподшипник. С углом фланца 1 градус 40 минут. Сферические роликовые наконечники. Двухкомпонентный латунный сепаратор с механической обработкой. Направляющее внутреннее кольцо. |
| LRJA4EMC3 | ISO | Повышенная грузоподъемность. (Миниатюрные радиальные шарикоподшипники серии Metric. M = без латунного сепаратора) = Нормальный радиальный внутренний зазор. |
| LRJA4EM | ISO | Повышенная грузоподъемность. Механически обработанный латунный сепаратор .Расположенный на элементах качения. |
| LRJA4E MB C3 | ISO | Внутренний зазор больше нормального. Увеличенная грузоподъёмность. Brass Cage Centered On The Inner Ring. |
| LRJ4EM | ISO | Стандартный фланцевый ( с резьбой и сквозным отверстием). |
| LLRJB4E | ISO | Повышенная грузоподъемность. |
| LLRJN4 | ISO | Однорядный цилиндрический роликовый подшипник. |
| LRJA4M | ISO | Подшипник с латунным сепаратором. центрированный по телам качения. |
Аналог цилиндрического роликового подшипника RLS21 — это подшипник такого же размера dx101,Dx184,Bx31, типа и конструкции.
| Обозначение | Конструктивные особенности | Внутренний (d) | Наружный (D) | Ширина (B) |
|---|---|---|---|---|
| LS21ACD | Подшипник шариковый однорядный радиально-упорный. 25° Угол контакта. | 101.60 | 184.15 | 31.75 |
| LJT4E | Подшипник шариковый однорядный радиально-упорный. Повышенная грузоподъемность. | 101.60 | 184.15 | 31.75 |
| LJT4M | Подшипник шариковый однорядный радиально-упорный. Подшипник с латунным сепаратором. центрированный по телам качения. | 101.60 | 184.15 | 31.75 |
| RLS32/C3 | Подшипник однорядный шариковый радиальный. Внутренний зазор больше нормального. | 101.60 | 184.15 | 31.75 |
| LJ4J | Подшипник однорядный шариковый радиальный. Прессованный стальной сепаратор. | 101.60 | 184.15 | 31.75 |
| LS21A.C3 | Подшипник шариковый однорядный радиально-упорный. Внутренний зазор больше нормального. 30° Угол контакта. | 101.60 | 184.15 | 31.75 |
| LJ4E | Подшипник однорядный шариковый радиальный. Повышенная грузоподъемность. | 101.60 | 184.15 | 31.75 |
| LJ4JCNS | Подшипник однорядный шариковый радиальный. Специальная термическая обработка. Нормальный уровень радиального внутреннего зазора (не маркируется). | 101.60 | 184.15 | 31.75 |
| LS21.C3 | Подшипник однорядный шариковый радиальный. Внутренний зазор больше нормального. | 101.60 | 184.15 | 31.75 |
| LJT4MB | Подшипник шариковый однорядный радиально-упорный. Цельное внутреннее кольцо. Центрированный обработанный латунный сепаратор. | 101.60 | 184.15 | 31.75 |
| LJ4JC4 | Подшипник однорядный шариковый радиальный. Внутренний зазор подшипника больше. чем C3. | 101.60 | 184.15 | 31.75 |
| LS21AC | Подшипник шариковый однорядный радиально-упорный. Суффикс для радиально-упорного шарикоподшипника. | 101.60 | 184.15 | 31.75 |
| ALS32ABP | Подшипник шариковый однорядный радиально-упорный. Внутренние изменения в конструкции. Single Row Angular Contact Ball Bearing With A 40° Угол контакта. Однорядный подшипник с сепаратором из стеклонаполненного полиамида PA66. центрируемым по шарикам. | 101.60 | 184.15 | 31.75 |
| LJ4JC3 | Подшипник однорядный шариковый радиальный. Внутренний зазор больше нормального. | 101.60 | 184.15 | 31.75 |
| NLJ4E | Подшипник шариковый двухрядный самоустанавливающийся. Повышенная грузоподъемность. | 101.60 | 184.15 | 31.75 |
Способы доставки
Отправка через ведущие транспортные и курьерские компании: ПЭК, Деловые Линии, СДЭК, Байкал-Сервис, Энергия, КИТ, ЖелДорЭкспедиция.
Самовывоз возможен напрямую со склада в Москве.
Сроки доставки
Срок зависит от региона и выбранной транспортной компании. Все заказы комплектуются и отправляются в кратчайшие сроки со склада в Москве.
Надёжность и сохранность
Вся продукция упаковывается с учётом требований транспортировки. Мы гарантируем, что подшипники и комплектующие прибудут к заказчику в полной сохранности.
Доставка в страны ЕАЭС
Мы работаем с проверенными логистическими партнёрами, что позволяет оперативно доставлять заказы в Беларусь, Казахстан, Армению и другие страны ЕАЭС.
Варианты оплаты:
Минимальная сумма заказа и скидки:
Документы и гарантии:
Да, конечно! Наши технические специалисты готовы помочь вам с подбором точного аналога или замены подшипника. Просто позвоните нам по телефону +7 (495) 104-99-04 или напишите на почту zakaz@podsnab.ru.
Для оперативной консультации подготовьте, пожалуйста, имеющиеся данные: маркировку, размеры, тип оборудования или артикул старого подшипника.
Да, конечно! Мы высоко ценим долгосрочное сотрудничество и доверие клиентов по всей России. Для постоянных клиентов действует персональная система скидок.
Условия формируются индивидуально и зависят от:
Чтобы узнать свои условия и получить максимально выгодное предложение, свяжитесь с персональным менеджером или напишите нам на почту zakaz@podsnab.ru.
Вы можете оформить заказ несколькими способами:
Для оформления заказа от юридического лица свяжитесь с нашим отделом по работе с корпоративными клиентами по телефону +7 (495) 104-99-04 или напишите на email zakaz@podsnab.ru, прикрепив реквизиты вашей организации.
Мы оперативно подготовим коммерческое предложение и выставим счет.
Возврат товара надлежащего качества возможен в течение 10 дней с момента получения, если товар не был в употреблении, сохранен товарный вид, упаковка не вскрывалась и присутствуют все сопроводительные документы.
Возврат денежных средств осуществляется в течение 10 рабочих дней после проверки товара складом.
В соответствии с законодательством возврату не подлежат подшипники надлежащего качества, если отсутствует оригинальная упаковка или имеются следы монтажа.
В случае выявления брака или гарантийного случая мы гарантируем возврат или обмен товара.
Да, гарантийный срок хранения устанавливается заводом-изготовителем и в среднем составляет 2 года при соблюдении условий хранения: сухое помещение, оригинальная упаковка и смазка.
Точный срок для конкретного типа подшипника уточняйте у наших менеджеров.
Пн–Пт: с 8:00 до 17:00 (МСК).
Сб–Вс: выходные дни.
Заказы на сайте принимаются круглосуточно. Заявки, поступившие после окончания рабочего дня, обрабатываются на следующий рабочий день.
Минимальная сумма заказа для доставки составляет 3000 рублей. Самовывоз со склада возможен на любую сумму при наличии товара.
ООО «УралТехГрупп»
ИНН: 7415093830
КПП: 772401001
ОГРН: 1167456069021
Банк: ПАО Сбербанк
Р/с: 40702810838000475273
К/с: 30101810400000000225
БИК: 044525225
У подшипника RLS21 пока нет отзывов. Вы можете стать первым покупателем, поделившимся своим мнением.