Поиск подшипника
Статьи
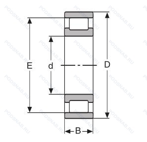
RMS23 — Однорядный цилиндрический роликовый подшипник, основное исполнение, производство FAG.
Размер подшипника: 127x254x50 мм.
Цилиндрический роликоподшипник, однорядный, двухкромочное внутреннее кольцо, цилиндрическое наружное кольцо, серия средних дюймов.
Альтернативное обозначение: CRM40AMB, MRJ5EVM.
Международная стандартизации ISO
RMS23
В наличии
| Обозначение | Конструктивные изменения |
|---|---|
| RMS23.1/2 | ISO Tolerance Class ABEC.9. Number Of Carriages Per Rail Track. |
Модификации цилиндрического роликового подшипника RMS23 — это измененное основное конструктивное исполнение RMS23, основные размеры (127x254x50) не отличаются.
| Обозначение | Гост | Конструктивные особенности |
|---|---|---|
| MRJA5EVM C3 | ISO | Внутренний зазор больше нормального. Подшипник повышенной грузоподъемности с латунным сепаратором. |
| MRJ5 | ISO | Однорядный цилиндрический роликовый подшипник. |
| MRJ5EM | ISO | Стандартный фланцевый ( с резьбой и сквозным отверстием). |
| MRJ5M | ISO | Механически обработанный латунный сепаратор .Расположенный на элементах качения. |
| MRJ5EVM | ISO | Подшипник повышенной грузоподъемности с латунным сепаратором. |
| CRM40AMB | ISO | Цилиндрический роликоподшипник. С углом фланца 1 градус 40 минут. Сферические роликовые наконечники. Двухкомпонентный латунный сепаратор с механической обработкой. Направляющее внутреннее кольцо. |
| CRM40M | ISO | Механически обработанный латунный сепаратор. клёпаный. центрируемый по роликам. |
| NM40 | ISO | Однорядный цилиндрический роликовый подшипник. |
| CRM40MB | ISO | Двухкомпонентный латунный сепаратор с механической обработкой. Направляющее внутреннее кольцо. |
Аналог цилиндрического роликового подшипника RMS23 — это подшипник такого же размера dx127,Dx254,Bx50, типа и конструкции.
| Обозначение | Конструктивные особенности | Внутренний (d) | Наружный (D) | Ширина (B) |
|---|---|---|---|---|
| MJT5 | Подшипник шариковый однорядный радиально-упорный. | 127.00 | 254.00 | 50.80 |
| MJT 5E | Шариковый радиально-упорный подшипник однонаправленный. | 127.00 | 254.00 | 50.80 |
| T740 | Роликовый цилиндрический упорный подшипник. | 127.00 | 254.00 | 50.80 |
| MJ5E | Подшипник однорядный шариковый радиальный. Повышенная грузоподъемность. | 127.00 | 254.00 | 50.80 |
| RMS40 | Подшипник однорядный шариковый радиальный. | 127.00 | 254.00 | 50.80 |
| MJ5 | Подшипник однорядный шариковый радиальный. | 127.00 | 254.00 | 50.80 |
| MJ5J CN | Подшипник однорядный шариковый радиальный. Прессованный стальной сепаратор. Нормальный уровень радиального внутреннего зазора (не маркируется). | 127.00 | 254.00 | 50.80 |
| MS23 | Подшипник однорядный шариковый радиальный. | 127.00 | 254.00 | 50.80 |
| MJ5J | Подшипник однорядный шариковый радиальный. Дорожки качения наружного кольца. угол контакта и ширина наружного кольца в соответствии с ISO. | 127.00 | 254.00 | 50.80 |
| AMS40 | Подшипник шариковый однорядный радиально-упорный. | 127.00 | 254.00 | 50.80 |
| 50TP121 | Роликовый цилиндрический упорный подшипник. | 127.00 | 254.00 | 50.80 |
| MJ5M | Подшипник однорядный шариковый радиальный. Механически обработанный латунный сепаратор .Расположенный на элементах качения. | 127.00 | 254.00 | 50.80 |
| MMRJ5 | Роликовый радиальный однорядный подшипник. | 127.00 | 254.00 | 50.80 |
| RT-740 | Роликовый упорный трехрядный подшипник. | 127.00 | 254.00 | 50.80 |
| NMJ5 | Сферический двухрядный подшипник. | 127.00 | 254.00 | 50.80 |
Способы доставки
Отправка через ведущие транспортные и курьерские компании: ПЭК, Деловые Линии, СДЭК, Байкал-Сервис, Энергия, КИТ, ЖелДорЭкспедиция.
Самовывоз возможен напрямую со склада в Москве.
Сроки доставки
Срок зависит от региона и выбранной транспортной компании. Все заказы комплектуются и отправляются в кратчайшие сроки со склада в Москве.
Надёжность и сохранность
Вся продукция упаковывается с учётом требований транспортировки. Мы гарантируем, что подшипники и комплектующие прибудут к заказчику в полной сохранности.
Доставка в страны ЕАЭС
Мы работаем с проверенными логистическими партнёрами, что позволяет оперативно доставлять заказы в Беларусь, Казахстан, Армению и другие страны ЕАЭС.
Варианты оплаты:
Минимальная сумма заказа и скидки:
Документы и гарантии:
Да, конечно! Наши технические специалисты готовы помочь вам с подбором точного аналога или замены подшипника. Просто позвоните нам по телефону +7 (495) 104-99-04 или напишите на почту zakaz@podsnab.ru.
Для оперативной консультации подготовьте, пожалуйста, имеющиеся данные: маркировку, размеры, тип оборудования или артикул старого подшипника.
Да, конечно! Мы высоко ценим долгосрочное сотрудничество и доверие клиентов по всей России. Для постоянных клиентов действует персональная система скидок.
Условия формируются индивидуально и зависят от:
Чтобы узнать свои условия и получить максимально выгодное предложение, свяжитесь с персональным менеджером или напишите нам на почту zakaz@podsnab.ru.
Вы можете оформить заказ несколькими способами:
Для оформления заказа от юридического лица свяжитесь с нашим отделом по работе с корпоративными клиентами по телефону +7 (495) 104-99-04 или напишите на email zakaz@podsnab.ru, прикрепив реквизиты вашей организации.
Мы оперативно подготовим коммерческое предложение и выставим счет.
Возврат товара надлежащего качества возможен в течение 10 дней с момента получения, если товар не был в употреблении, сохранен товарный вид, упаковка не вскрывалась и присутствуют все сопроводительные документы.
Возврат денежных средств осуществляется в течение 10 рабочих дней после проверки товара складом.
В соответствии с законодательством возврату не подлежат подшипники надлежащего качества, если отсутствует оригинальная упаковка или имеются следы монтажа.
В случае выявления брака или гарантийного случая мы гарантируем возврат или обмен товара.
Да, гарантийный срок хранения устанавливается заводом-изготовителем и в среднем составляет 2 года при соблюдении условий хранения: сухое помещение, оригинальная упаковка и смазка.
Точный срок для конкретного типа подшипника уточняйте у наших менеджеров.
Пн–Пт: с 8:00 до 17:00 (МСК).
Сб–Вс: выходные дни.
Заказы на сайте принимаются круглосуточно. Заявки, поступившие после окончания рабочего дня, обрабатываются на следующий рабочий день.
Минимальная сумма заказа для доставки составляет 3000 рублей. Самовывоз со склада возможен на любую сумму при наличии товара.
ООО «УралТехГрупп»
ИНН: 7415093830
КПП: 772401001
ОГРН: 1167456069021
Банк: ПАО Сбербанк
Р/с: 40702810838000475273
К/с: 30101810400000000225
БИК: 044525225
У подшипника RMS23 пока нет отзывов. Вы можете стать первым покупателем, поделившимся своим мнением.