Поиск подшипника
Статьи
SL18-2928 — однорядный цилиндрический роликовый подшипник, основное исполнение, выпускается производителями: INA, ISO, ROLLWAY, STEYR, Подшипники NBS.
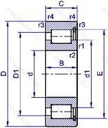
Размер подшипника: 140x190x30 мм.
Тип: Узкое внутреннее кольцо, легкая нагрузка, корпус из штампованной стали, установочный винт.
Альтернативное обозначение: NCF2928V.
Аналоги: SL182928-B-XL INA,NCF2928CV Rollway.
Международная стандартизации ISO
SL182928
В наличии
| Обозначение | Конструктивные изменения |
|---|---|
| SL182928-B-XL-C3 | Внутренний зазор больше нормального. Конический роликовый подшипник. Угол контакта 20 градусов. Серия X-Life премиум-класс. увеличиный срок службы. |
| SL18-2928C3 | Внутренний зазор больше нормального. |
| SL182928-B-C3 | Внутренний зазор больше нормального. Особенность внутренней конструкции. |
| SL182928-B-XL-C2 | Внутренний зазор подшипника меньше нормального. Особенность внутренней конструкции. Серия X-Life премиум-класс. увеличиный срок службы. |
| SL182928-B | Особенность внутренней конструкции. |
| SL182928-B-XL | Особенность внутренней конструкции. Серия X-Life премиум-класс. увеличиный срок службы. |
| SL18-2928B C4 | Внутренний зазор подшипника больше. чем C3. Особенность внутренней конструкции. |
Модификации цилиндрического роликового подшипника SL18-2928 — это измененное основное конструктивное исполнение SL182928, основные размеры (140x190x30) не отличаются.
| Обозначение | Гост | Конструктивные особенности |
|---|---|---|
| NCF2928-VX | ISO | Подшипник без сепаратора. С полным комплектом тел качения. |
| NCF2928-VX-C3 | ISO | Внутренний зазор больше нормального. Подшипник без сепаратора. С полным комплектом тел качения. |
| NCF2928V | ISO | Бессепараторный подшипник. Однорядный без сепараторный цилиндрический роликовый подшипник. Два борта на внутреннем кольце и один борт на наружном. |
| NCF2928CV | ISO | Полноразмерный цилиндрический роликоподшипник с модифицированной внутренней конструкцией. Однорядный без сепараторный цилиндрический роликовый подшипник. |
| NCF2928V C3 | ISO | Внутренний зазор больше нормального. Подшипник без сепаратора. С полным комплектом тел качения. |
| NCF2928CV C3 | ISO | Внутренние изменения в конструкции. Внутренний зазор больше нормального. Полноразмерный цилиндрический роликоподшипник с модифицированной внутренней конструкцией. |
Аналог цилиндрического роликового подшипника SL18-2928 — это подшипник такого же размера dx140,Dx190,Bx30, типа и конструкции.
| Обозначение | Конструктивные особенности | Внутренний (d) | Наружный (D) | Ширина (B) |
|---|---|---|---|---|
| R2841V | Роликовый радиальный однорядный подшипник. Подшипник без сепаратора. С полным комплектом тел качения. | 140.00 | 190.00 | 30.00 |
| 2007928М1 | Роликовый радиальный-упорный однорядный подшипник. Модифицированный контакт.. | 140.00 | 190.00 | 30.00 |
| N2928 | Роликовый радиальный однорядный подшипник. Однорядный цилиндрический роликовый подшипник. Внутреннее кольцо подшипника имеет два борта. Два смещенных на 180° стопорных паза на наружной поверхности наружного кольца подшипника. | 140.00 | 190.00 | 30.00 |
| NF2928 | Роликовый радиальный однорядный подшипник. Механически обработанный сепаратор из стали или специального чугуна. Канавка под стопорное кольцо на наружном кольце подшипника. | 140.00 | 190.00 | 30.00 |
| NJ2928 | Роликовый радиальный однорядный подшипник. Штампованный сепаратор из стального листа. Канавка под стопорное кольцо на наружном кольце подшипника. Однорядный цилиндрический роликовый подшипник. Наружное кольцо имеет два борта. | 140.00 | 190.00 | 30.00 |
| NP2928 | Роликовый радиальный однорядный подшипник. Канавка под стопорное кольцо на наружном кольце подшипника. | 140.00 | 190.00 | 30.00 |
| NU2928 | Роликовый радиальный однорядный подшипник. Сталь сквозной закалки SUJ2 (японская) и взаимозаменяемость (только для метрических серий). Канавка под стопорное кольцо на наружном кольце подшипника. Однорядные цилиндрические роликоподшипники. Наружное кольцо подшипника имеет два борта. | 140.00 | 190.00 | 30.00 |
| NUP2928 | Роликовый радиальный однорядный подшипник. Канавка под стопорное кольцо на наружном кольце подшипника. Точность размеров примерно соответствует классу точности Р4. Однорядный цилиндрический роликовый подшипник. Наружное кольцо имеет два борта. | 140.00 | 190.00 | 30.00 |
| 85-1126928 Р1 | Шариковый радиально-упорный однорядный подшипник. Детали из теплоустойчивой (быстрорежущие) стали.. | 140.00 | 190.00 | 30.00 |
| 562928 | Шариковый упорный двухрядный подшипник. | 140.00 | 190.00 | 30.00 |
| 234928 | Шариковый упорный двухрядный подшипник. | 140.00 | 190.00 | 30.00 |
Способы доставки
Отправка через ведущие транспортные и курьерские компании: ПЭК, Деловые Линии, СДЭК, Байкал-Сервис, Энергия, КИТ, ЖелДорЭкспедиция.
Самовывоз возможен напрямую со склада в Москве.
Сроки доставки
Срок зависит от региона и выбранной транспортной компании. Все заказы комплектуются и отправляются в кратчайшие сроки со склада в Москве.
Надёжность и сохранность
Вся продукция упаковывается с учётом требований транспортировки. Мы гарантируем, что подшипники и комплектующие прибудут к заказчику в полной сохранности.
Доставка в страны ЕАЭС
Мы работаем с проверенными логистическими партнёрами, что позволяет оперативно доставлять заказы в Беларусь, Казахстан, Армению и другие страны ЕАЭС.
Варианты оплаты:
Минимальная сумма заказа и скидки:
Документы и гарантии:
Да, конечно! Наши технические специалисты готовы помочь вам с подбором точного аналога или замены подшипника. Просто позвоните нам по телефону +7 (495) 104-99-04 или напишите на почту zakaz@podsnab.ru.
Для оперативной консультации подготовьте, пожалуйста, имеющиеся данные: маркировку, размеры, тип оборудования или артикул старого подшипника.
Да, конечно! Мы высоко ценим долгосрочное сотрудничество и доверие клиентов по всей России. Для постоянных клиентов действует персональная система скидок.
Условия формируются индивидуально и зависят от:
Чтобы узнать свои условия и получить максимально выгодное предложение, свяжитесь с персональным менеджером или напишите нам на почту zakaz@podsnab.ru.
Вы можете оформить заказ несколькими способами:
Для оформления заказа от юридического лица свяжитесь с нашим отделом по работе с корпоративными клиентами по телефону +7 (495) 104-99-04 или напишите на email zakaz@podsnab.ru, прикрепив реквизиты вашей организации.
Мы оперативно подготовим коммерческое предложение и выставим счет.
Возврат товара надлежащего качества возможен в течение 10 дней с момента получения, если товар не был в употреблении, сохранен товарный вид, упаковка не вскрывалась и присутствуют все сопроводительные документы.
Возврат денежных средств осуществляется в течение 10 рабочих дней после проверки товара складом.
В соответствии с законодательством возврату не подлежат подшипники надлежащего качества, если отсутствует оригинальная упаковка или имеются следы монтажа.
В случае выявления брака или гарантийного случая мы гарантируем возврат или обмен товара.
Да, гарантийный срок хранения устанавливается заводом-изготовителем и в среднем составляет 2 года при соблюдении условий хранения: сухое помещение, оригинальная упаковка и смазка.
Точный срок для конкретного типа подшипника уточняйте у наших менеджеров.
Пн–Пт: с 8:00 до 17:00 (МСК).
Сб–Вс: выходные дни.
Заказы на сайте принимаются круглосуточно. Заявки, поступившие после окончания рабочего дня, обрабатываются на следующий рабочий день.
Минимальная сумма заказа для доставки составляет 3000 рублей. Самовывоз со склада возможен на любую сумму при наличии товара.
ООО «УралТехГрупп»
ИНН: 7415093830
КПП: 772401001
ОГРН: 1167456069021
Банк: ПАО Сбербанк
Р/с: 40702810838000475273
К/с: 30101810400000000225
БИК: 044525225
У подшипника SL18-2928 пока нет отзывов. Вы можете стать первым покупателем, поделившимся своим мнением.