Поиск подшипника
Статьи
SL18-1876 — однорядный цилиндрический роликовый подшипник, основное исполнение, выпускается производителями: INA, ISO, KUGEL & ROLLENLAGER WERK, Подшипники NBS.
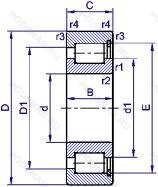
Размер подшипника: 380x480x46 мм.
Тип: Узкое внутреннее кольцо, легкая нагрузка, корпус из штампованной стали, установочный винт.
Альтернативное обозначение: NCF1876V.
Аналоги: SL181876-E INA,NCF1876-V NKE.
Международная стандартизации ISO
SL181876
В наличии
| Обозначение | Конструктивные изменения |
|---|---|
| SL18-1876A C3 | однорядный цилиндрический роликовый подшипник. |
| SL181876-BR-E | Повышенная грузоподъемность. Чёрный цвет. |
| SL18-1876E C3 | Внутренний зазор больше нормального. Повышенная грузоподъемность. |
| SL181876-BR-E-IR/T-CN/3L | Повышенная грузоподъемность. Нормальный радиальный внутренний зазор. Чёрный цвет. Clearance Range Corresponding To The Lower Half Of The Actual Clearance Range. Канавки во внутреннем кольце находятся со стороны стопорного кольца. |
| SL181876-E-BR | Повышенная грузоподъемность. Чёрный цвет. |
| SL181876-E-BR-C3 | Внутренний зазор больше нормального. Повышенная грузоподъемность. Чёрный цвет. |
| SL181876-E-BR-IR/T-CN/3L | Повышенная грузоподъемность. Нормальный радиальный внутренний зазор. Чёрный цвет. Clearance Range Corresponding To The Lower Half Of The Actual Clearance Range. Канавки во внутреннем кольце находятся со стороны стопорного кольца. |
| SL181876-A | Особенность внутренней конструкции. |
| SL181876-E | Повышенная грузоподъемность. |
Модификации цилиндрического роликового подшипника SL18-1876 — это измененное основное конструктивное исполнение SL181876, основные размеры (380x480x46) не отличаются.
| Обозначение | Гост | Конструктивные особенности |
|---|---|---|
| NCF1876V | ISO | Бессепараторный подшипник. Однорядный без сепараторный цилиндрический роликовый подшипник. Два борта на внутреннем кольце и один борт на наружном. |
| NCF1876V C3 | ISO | Внутренний зазор больше нормального. Подшипник без сепаратора. С полным комплектом тел качения. |
| NU1876ECMA/VE900 | ISO | Изготовленный из двух частей латунный сепаратор. внешнее кольцо по центру. Оптимизированная внутренняя конструкция предусматривает увеличенное количество роликов и/или ролики большего размера с улучшенными условиями контакта торцов роликов с бортами внутреннего кольца. Preliminary Standard Design. |
| NU1876M.C3 | ISO | Внутренний зазор больше нормального. Механически обработанный латунный сепаратор .Расположенный на элементах качения. |
| NU1876M | ISO | Механически обработанный латунный сепаратор .Расположенный на элементах качения. |
| NJ1876-M1-C3 | ISO | Внутренний зазор больше нормального. Механически обработанный латунный сепаратор. вращающийся элемент качения (крестовина на заклепках). |
| NU1876-E-MPA-P63H-SQ115A | ISO | Повышенная грузоподъемность. Комбинация P6 (Точность размеров и пробега в соответствии с классом допуска ISO 6 (лучше нормы)) и C3 (Внутренний зазор больше нормы). Твердый латунный сепаратор. |
| NJ1876-MPAX-C3 | ISO | Внутренний зазор больше нормального. Ребристый однокомпонентный цельнолатунный сепаратор является дальнейшим развитием сепараторов FAG типов MPA и MP1A и будет последовательно заменять эти типы. Он обладает большей прочностью по отношению к ударным нагрузкам и вибрациям. чем его предшественники. и особенно хорошо подходит для применения в условиях высоких нагрузок. |
| NUP1876-M1-M15CS | ISO | Механически обработанный латунный сепаратор. вращающийся элемент качения (крестовина на заклепках). Измерительный отчет. показывающий фактические значения различных количеств. |
Аналог цилиндрического роликового подшипника SL18-1876 — это подшипник такого же размера dx380,Dx480,Bx46, типа и конструкции.
| Обозначение | Конструктивные особенности | Внутренний (d) | Наружный (D) | Ширина (B) |
|---|---|---|---|---|
| 61876MBS C3 S1 | Подшипник однорядный шариковый радиальный. Внутренний зазор больше нормального. Стабильность размеров при рабочих температурах до +200°C. Механически обработанный латунный сепаратор. Направляющие внутреннего кольца. Со смазочными канавками на направляющих поверхностях. | 380.00 | 480.00 | 46.00 |
| 71876-MP-P5-UL | Подшипник шариковый однорядный радиально-упорный. Два однорядных радиально-упорных шарикоподшипника для универсального сопряжения. т. е. в паре для монтажа «спиной к спине». «лицом к лицу» или «тандем». Размерная и рабочая точность соответствует классу допуска ISO 5. Механически обработанный латунный сепаратор оконного типа. | 380.00 | 480.00 | 46.00 |
| 61876MB C3 | Подшипник однорядный шариковый радиальный. Внутренний зазор больше нормального. Механически обработанный латунный сепаратор. направляющий по внутреннему кольцу. | 380.00 | 480.00 | 46.00 |
| 61876MB | Подшипник однорядный шариковый радиальный. Механически обработанный латунный сепаратор. направляющий по внутреннему кольцу. | 380.00 | 480.00 | 46.00 |
| 61876M | Подшипник однорядный шариковый радиальный. Твердый латунный сепаратор. Шариковые направляющие. | 380.00 | 480.00 | 46.00 |
| 61876MA/C4 | Подшипник однорядный шариковый радиальный. Внутренний зазор подшипника больше. чем C3. Механически обработанный латунный сепаратор. Центрирование по внешнему кольцу. | 380.00 | 480.00 | 46.00 |
| 61876-M-C4 | Подшипник однорядный шариковый радиальный. Внутренний зазор подшипника больше. чем C3. Твердый латунный сепаратор. Шариковые направляющие. | 380.00 | 480.00 | 46.00 |
| NU 1876 ECM | Роликовый радиальный цилиндрический однорядный подшипник. Однорядный цилиндрический роликовый подшипник. | 380.00 | 480.00 | 46.00 |
| NUP 1876 ECM | Роликовый радиальный цилиндрический однорядный подшипник. Однорядный цилиндрический роликовый подшипник. | 380.00 | 480.00 | 46.00 |
| NJ1876 | Роликовый радиальный однорядный подшипник. Штампованный сепаратор из стального листа. Канавка под стопорное кольцо на наружном кольце подшипника. Однорядный цилиндрический роликовый подшипник. Наружное кольцо имеет два борта. | 380.00 | 480.00 | 46.00 |
| NU1876 | Роликовый радиальный однорядный подшипник. Канавка под стопорное кольцо на наружном кольце подшипника. Однорядные цилиндрические роликоподшипники. Наружное кольцо подшипника имеет два борта. | 380.00 | 480.00 | 46.00 |
| NUP1876 | Роликовый радиальный однорядный подшипник. Канавка под стопорное кольцо на наружном кольце подшипника. Точность размеров примерно соответствует классу точности Р4. Однорядный цилиндрический роликовый подшипник. Наружное кольцо имеет два борта. | 380.00 | 480.00 | 46.00 |
| 71876 ACGAMB | Шариковый радиально-упорный однорядный подшипник. Измененная или модифицированная внутренняя конструкция при неизменных основных размерах. Однорядный с углом контакта 25°. | 380.00 | 480.00 | 46.00 |
| 7876B | Шариковый радиально-упорный однорядный подшипник. Угол контакта 40 градусов. | 380.00 | 480.00 | 46.00 |
| 61876 TN9 | Шариковый радиальный однорядный подшипник. Литой защелкивающийся сепаратор из полиамида. армированного стекловолокном 6.6. | 380.00 | 480.00 | 46.00 |
Способы доставки
Отправка через ведущие транспортные и курьерские компании: ПЭК, Деловые Линии, СДЭК, Байкал-Сервис, Энергия, КИТ, ЖелДорЭкспедиция.
Самовывоз возможен напрямую со склада в Москве.
Сроки доставки
Срок зависит от региона и выбранной транспортной компании. Все заказы комплектуются и отправляются в кратчайшие сроки со склада в Москве.
Надёжность и сохранность
Вся продукция упаковывается с учётом требований транспортировки. Мы гарантируем, что подшипники и комплектующие прибудут к заказчику в полной сохранности.
Доставка в страны ЕАЭС
Мы работаем с проверенными логистическими партнёрами, что позволяет оперативно доставлять заказы в Беларусь, Казахстан, Армению и другие страны ЕАЭС.
Варианты оплаты:
Минимальная сумма заказа и скидки:
Документы и гарантии:
Да, конечно! Наши технические специалисты готовы помочь вам с подбором точного аналога или замены подшипника. Просто позвоните нам по телефону +7 (495) 104-99-04 или напишите на почту zakaz@podsnab.ru.
Для оперативной консультации подготовьте, пожалуйста, имеющиеся данные: маркировку, размеры, тип оборудования или артикул старого подшипника.
Да, конечно! Мы высоко ценим долгосрочное сотрудничество и доверие клиентов по всей России. Для постоянных клиентов действует персональная система скидок.
Условия формируются индивидуально и зависят от:
Чтобы узнать свои условия и получить максимально выгодное предложение, свяжитесь с персональным менеджером или напишите нам на почту zakaz@podsnab.ru.
Вы можете оформить заказ несколькими способами:
Для оформления заказа от юридического лица свяжитесь с нашим отделом по работе с корпоративными клиентами по телефону +7 (495) 104-99-04 или напишите на email zakaz@podsnab.ru, прикрепив реквизиты вашей организации.
Мы оперативно подготовим коммерческое предложение и выставим счет.
Возврат товара надлежащего качества возможен в течение 10 дней с момента получения, если товар не был в употреблении, сохранен товарный вид, упаковка не вскрывалась и присутствуют все сопроводительные документы.
Возврат денежных средств осуществляется в течение 10 рабочих дней после проверки товара складом.
В соответствии с законодательством возврату не подлежат подшипники надлежащего качества, если отсутствует оригинальная упаковка или имеются следы монтажа.
В случае выявления брака или гарантийного случая мы гарантируем возврат или обмен товара.
Да, гарантийный срок хранения устанавливается заводом-изготовителем и в среднем составляет 2 года при соблюдении условий хранения: сухое помещение, оригинальная упаковка и смазка.
Точный срок для конкретного типа подшипника уточняйте у наших менеджеров.
Пн–Пт: с 8:00 до 17:00 (МСК).
Сб–Вс: выходные дни.
Заказы на сайте принимаются круглосуточно. Заявки, поступившие после окончания рабочего дня, обрабатываются на следующий рабочий день.
Минимальная сумма заказа для доставки составляет 3000 рублей. Самовывоз со склада возможен на любую сумму при наличии товара.
ООО «УралТехГрупп»
ИНН: 7415093830
КПП: 772401001
ОГРН: 1167456069021
Банк: ПАО Сбербанк
Р/с: 40702810838000475273
К/с: 30101810400000000225
БИК: 044525225
У подшипника SL18-1876 пока нет отзывов. Вы можете стать первым покупателем, поделившимся своим мнением.