Поиск подшипника
Статьи
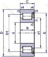
SL18-1848 — однорядный цилиндрический роликовый подшипник, основное исполнение, выпускается производителями: INA, ISO, KUGEL & ROLLENLAGER WERK, STEYR, Подшипники NBS.
Размер подшипника: 240x300x28 мм.
Тип: Узкое внутреннее кольцо, легкая нагрузка, корпус из штампованной стали, установочный винт.
Альтернативное обозначение: NCF1848V.
Аналоги: SL181848-E INA,NCF1848V IDC/Interprecise Donath GmbH,NCF1848CV Rollway.
Международная стандартизации ISO
SL181848
В наличии
| Обозначение | Конструктивные изменения |
|---|---|
| SL181848-E-C4 | Внутренний зазор подшипника больше. чем C3. Повышенная грузоподъемность. |
| SL181848-BR-E-C3 | Внутренний зазор больше нормального. Повышенная грузоподъемность. Чёрный цвет. |
| SL18-1848A | Особенность внутренней конструкции. |
| SL181848-E-CN/3L | Повышенная грузоподъемность. Нормальный радиальный внутренний зазор. Clearance Range Corresponding To The Lower Half Of The Actual Clearance Range. |
| SL18-1848C3 | Внутренний зазор больше нормального. |
| SL181848-E-BR | Повышенная грузоподъемность. Чёрный цвет. |
| SL181848-E-BR-C3 | Внутренний зазор больше нормального. Повышенная грузоподъемность. Чёрный цвет. |
| SL181848-E-IR/T-CN/3L | Повышенная грузоподъемность. Нормальный радиальный внутренний зазор. Clearance Range Corresponding To The Lower Half Of The Actual Clearance Range. Канавки во внутреннем кольце находятся со стороны стопорного кольца. |
| SL181848-E-C3 | Внутренний зазор больше нормального. Повышенная грузоподъемность. |
| SL181848-E | Повышенная грузоподъемность. |
Модификации цилиндрического роликового подшипника SL18-1848 — это измененное основное конструктивное исполнение SL181848, основные размеры (240x300x28) не отличаются.
| Обозначение | Гост | Конструктивные особенности |
|---|---|---|
| NCF1848V | ISO | Бессепараторный подшипник. Однорядный без сепараторный цилиндрический роликовый подшипник. Два борта на внутреннем кольце и один борт на наружном. |
| NCF1848V C3 | ISO | Внутренний зазор больше нормального. Подшипник без сепаратора. С полным комплектом тел качения. |
| NCF1848CV | ISO | Внутренние изменения в конструкции. Полноразмерный цилиндрический роликоподшипник с модифицированной внутренней конструкцией. |
Аналог цилиндрического роликового подшипника SL18-1848 — это подшипник такого же размера dx240,Dx300,Bx28, типа и конструкции.
| Обозначение | Конструктивные особенности | Внутренний (d) | Наружный (D) | Ширина (B) |
|---|---|---|---|---|
| 61848 BRS | Шариковый радиальный однорядный подшипник. Бесконтактные лабиринтные уплотнения с одной стороны. | 240.00 | 300.00 | 28.00 |
| 61848 RS | Шариковый радиальный однорядный подшипник. Резиновое уплотнение с одной стороны. | 240.00 | 300.00 | 28.00 |
| 61848 Z | Шариковый радиальный однорядный подшипник. щит из листовой прессованной стали с одной стороны подшипника. | 240.00 | 300.00 | 28.00 |
| 6848-ZZ | Шариковый радиальный однорядный подшипник. Защитные металлические шайбы с обеих сторон. | 240.00 | 300.00 | 28.00 |
| 6848-RZ | Шариковый радиальный однорядный подшипник. Один стальное уплотнение и одно резиновое. | 240.00 | 300.00 | 28.00 |
| 6848N | Шариковый радиальный однорядный подшипник. Канавка под стопорное кольцо на внешнем кольце. | 240.00 | 300.00 | 28.00 |
| 6848NR | Шариковый радиальный однорядный подшипник. Канавка под стопорное кольцо на наружном кольце с соответствующим стопорным кольцом. | 240.00 | 300.00 | 28.00 |
| 6848-2RZ | Шариковый радиальный однорядный подшипник. Шарикоподшипник. С уплотнением и низким коэффициентом трения с обеих сторон. Уплотнение состоит из шайбы из листовой стали с вулканизированной резиной. | 240.00 | 300.00 | 28.00 |
| 6848-RS | Шариковый радиальный однорядный подшипник. Резиновое уплотнение с одной стороны. | 240.00 | 300.00 | 28.00 |
| 6848-Z | Шариковый радиальный однорядный подшипник. щит из листовой прессованной стали с одной стороны подшипника. | 240.00 | 300.00 | 28.00 |
| 6848-2RS | Шариковый радиальный однорядный подшипник. Резиновые уплотнения с каждой стороны подшипника. | 240.00 | 300.00 | 28.00 |
| 7568148-Л | Шариковый упорный однорядный подшипник. Сепаратор из латуни.. | 240.00 | 300.00 | 27.00 |
| 6848LLB | Шариковый радиальный однорядный подшипник. Уплотнение бесконтактного типа из синтетического каучука. | 240.00 | 300.00 | 28.00 |
| 6848C | Шариковый радиальный однорядный подшипник. 15° Угол контакта. | 240.00 | 300.00 | 28.00 |
| 1000848-АЛ | Шариковый радиальный однорядный подшипник. Сепаратор из латуни.. Повышенная грузоподъемность. | 240.00 | 300.00 | 28.00 |
Способы доставки
Отправка через ведущие транспортные и курьерские компании: ПЭК, Деловые Линии, СДЭК, Байкал-Сервис, Энергия, КИТ, ЖелДорЭкспедиция.
Самовывоз возможен напрямую со склада в Москве.
Сроки доставки
Срок зависит от региона и выбранной транспортной компании. Все заказы комплектуются и отправляются в кратчайшие сроки со склада в Москве.
Надёжность и сохранность
Вся продукция упаковывается с учётом требований транспортировки. Мы гарантируем, что подшипники и комплектующие прибудут к заказчику в полной сохранности.
Доставка в страны ЕАЭС
Мы работаем с проверенными логистическими партнёрами, что позволяет оперативно доставлять заказы в Беларусь, Казахстан, Армению и другие страны ЕАЭС.
Варианты оплаты:
Минимальная сумма заказа и скидки:
Документы и гарантии:
Да, конечно! Наши технические специалисты готовы помочь вам с подбором точного аналога или замены подшипника. Просто позвоните нам по телефону +7 (495) 104-99-04 или напишите на почту zakaz@podsnab.ru.
Для оперативной консультации подготовьте, пожалуйста, имеющиеся данные: маркировку, размеры, тип оборудования или артикул старого подшипника.
Да, конечно! Мы высоко ценим долгосрочное сотрудничество и доверие клиентов по всей России. Для постоянных клиентов действует персональная система скидок.
Условия формируются индивидуально и зависят от:
Чтобы узнать свои условия и получить максимально выгодное предложение, свяжитесь с персональным менеджером или напишите нам на почту zakaz@podsnab.ru.
Вы можете оформить заказ несколькими способами:
Для оформления заказа от юридического лица свяжитесь с нашим отделом по работе с корпоративными клиентами по телефону +7 (495) 104-99-04 или напишите на email zakaz@podsnab.ru, прикрепив реквизиты вашей организации.
Мы оперативно подготовим коммерческое предложение и выставим счет.
Возврат товара надлежащего качества возможен в течение 10 дней с момента получения, если товар не был в употреблении, сохранен товарный вид, упаковка не вскрывалась и присутствуют все сопроводительные документы.
Возврат денежных средств осуществляется в течение 10 рабочих дней после проверки товара складом.
В соответствии с законодательством возврату не подлежат подшипники надлежащего качества, если отсутствует оригинальная упаковка или имеются следы монтажа.
В случае выявления брака или гарантийного случая мы гарантируем возврат или обмен товара.
Да, гарантийный срок хранения устанавливается заводом-изготовителем и в среднем составляет 2 года при соблюдении условий хранения: сухое помещение, оригинальная упаковка и смазка.
Точный срок для конкретного типа подшипника уточняйте у наших менеджеров.
Пн–Пт: с 8:00 до 17:00 (МСК).
Сб–Вс: выходные дни.
Заказы на сайте принимаются круглосуточно. Заявки, поступившие после окончания рабочего дня, обрабатываются на следующий рабочий день.
Минимальная сумма заказа для доставки составляет 3000 рублей. Самовывоз со склада возможен на любую сумму при наличии товара.
ООО «УралТехГрупп»
ИНН: 7415093830
КПП: 772401001
ОГРН: 1167456069021
Банк: ПАО Сбербанк
Р/с: 40702810838000475273
К/с: 30101810400000000225
БИК: 044525225
У подшипника SL18-1848 пока нет отзывов. Вы можете стать первым покупателем, поделившимся своим мнением.