Поиск подшипника
Статьи
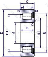
SL18-2948 — однорядный цилиндрический роликовый подшипник, основное исполнение, выпускается производителями: INA, ISO, ROLLWAY, STEYR, WB, Подшипники NBS.
Размер подшипника: 240x320x48 мм.
Тип: Узкое внутреннее кольцо, легкая нагрузка, корпус из штампованной стали, установочный винт.
Альтернативное обозначение: NCF2948V.
Аналоги: SL182948-B INA,NCF2948V NKE,NCF2948V APB/Austria Precision Bearing,NCF2948CV Rollway.
Международная стандартизации ISO
SL182948
В наличии
| Обозначение | Конструктивные изменения |
|---|---|
| SL182948-BR-B | Особенность внутренней конструкции. Чёрный цвет. |
| SL182948-B-C3-L091 | Внутренний зазор больше нормального. Особенность внутренней конструкции. Optimized Grease For All Purposes. Temperature Range Approximately -50°C / +120°C - Description/ Isoflex® LDS 18 Special A)-Is A Dynamically Light Long-Term Grease For Plain And Rolling Bearings. It Consists Of Ester Oil. Mineral Oil And Lithium Soap. The Product Is Resistant To Ageing. Oxidation And Water. And It Protects Reliably Against Corrosion. Application/ Isoflex® LDS 18 Special A Is Suitable For Plain And Rolling Bearings Operating At Low Temperatures And/Or High Speeds. For Example In Grinding Spindles. Machine Tool Spindles. Spindle Bearings. Textile Spindles. Bearings In Oe-Spinning Turbines. Bearings In Precision And Optical Equipment. |
| SL182948-BR-B-C3 | Внутренний зазор больше нормального. Особенность внутренней конструкции. Чёрный цвет. |
| SL18-2948B | Особенность внутренней конструкции. |
| SL18-2948B C4 | Внутренний зазор подшипника больше. чем C3. Особенность внутренней конструкции. |
| SL182948-B-XL-C3 | Внутренний зазор больше нормального. Особенность внутренней конструкции. Серия X-Life премиум-класс. увеличиный срок службы. |
| SL182948-B-BR-C3 | Внутренний зазор больше нормального. Особенность внутренней конструкции. Чёрный цвет. |
| SL182948-B-BR | Особенность внутренней конструкции. Чёрный цвет. |
| SL18-2948B C3 | Внутренний зазор больше нормального. Особенность внутренней конструкции. |
Модификации цилиндрического роликового подшипника SL18-2948 — это измененное основное конструктивное исполнение SL182948, основные размеры (240x320x48) не отличаются.
| Обозначение | Гост | Конструктивные особенности |
|---|---|---|
| NCF2948CV | ISO | Полноразмерный цилиндрический роликоподшипник с модифицированной внутренней конструкцией. Однорядный без сепараторный цилиндрический роликовый подшипник. |
| NCF2948V | ISO | Бессепараторный подшипник. Однорядный без сепараторный цилиндрический роликовый подшипник. Два борта на внутреннем кольце и один борт на наружном. |
| NCF2948V C3 | ISO | Внутренний зазор больше нормального. Подшипник без сепаратора. С полным комплектом тел качения. |
| NU2948A.M.C4 | ISO | Внутренний зазор подшипника больше. чем C3. Цилиндрические роликоподшипники. Взаимозаменяемые детали. Механически обработанный латунный сепаратор .Расположенный на элементах качения. |
| NU2948A.MA.C4 | ISO | Внутренний зазор подшипника больше. чем C3. Цилиндрические роликоподшипники. Взаимозаменяемые детали. Механически обработанный латунный сепаратор. Центрирование по внешнему кольцу. |
| NCF2948CV/C3 | ISO | Внутренние изменения в конструкции. Внутренний зазор больше нормального. Полноразмерный цилиндрический роликоподшипник с модифицированной внутренней конструкцией. |
| NU2948M1A C3 | ISO | Внутренний зазор больше нормального. Массивный латунный сепаратор. двухтельный. центрированный по бортам. |
| NU2948-A-HPA-P6-QP51-F59-C3 | ISO | Внутренний зазор больше нормального. Цилиндрические роликоподшипники. Взаимозаменяемые детали. Спецификация виброгрохота. Размерные и геометрические допуски соответствуют классу точности P6. Replaced By. Machined Window-Type Cage Of Forging Bronze. Outer Ring Riding. |
Аналог цилиндрического роликового подшипника SL18-2948 — это подшипник такого же размера dx240,Dx320,Bx48, типа и конструкции.
| Обозначение | Конструктивные особенности | Внутренний (d) | Наружный (D) | Ширина (B) |
|---|---|---|---|---|
| N2948 | Роликовый радиальный однорядный подшипник. | 240.00 | 320.00 | 48.00 |
| NU2948 | Роликовый радиальный однорядный подшипник. | 240.00 | 320.00 | 48.00 |
| R4808V | Роликовый радиальный однорядный подшипник. Подшипник без сепаратора. С полным комплектом тел качения. | 240.00 | 320.00 | 48.00 |
| 2097948К | Роликовый радиальный-упорный двухрядный подшипник. Кольцевая проточка на середине цилиндрической наружной поверхности наружного кольца плюс три отверстия для смазки. | 240.00 | 320.00 | 48.00 |
| 848 | Шариковый радиальный однорядный подшипник. | 240.00 | 320.00 | 48.00 |
| 562948 | Шариковый упорный двухрядный подшипник. | 240.00 | 320.00 | 48.00 |
| 234948 | Шариковый упорный двухрядный подшипник. | 240.00 | 320.00 | 48.00 |
Способы доставки
Отправка через ведущие транспортные и курьерские компании: ПЭК, Деловые Линии, СДЭК, Байкал-Сервис, Энергия, КИТ, ЖелДорЭкспедиция.
Самовывоз возможен напрямую со склада в Москве.
Сроки доставки
Срок зависит от региона и выбранной транспортной компании. Все заказы комплектуются и отправляются в кратчайшие сроки со склада в Москве.
Надёжность и сохранность
Вся продукция упаковывается с учётом требований транспортировки. Мы гарантируем, что подшипники и комплектующие прибудут к заказчику в полной сохранности.
Доставка в страны ЕАЭС
Мы работаем с проверенными логистическими партнёрами, что позволяет оперативно доставлять заказы в Беларусь, Казахстан, Армению и другие страны ЕАЭС.
Варианты оплаты:
Минимальная сумма заказа и скидки:
Документы и гарантии:
Да, конечно! Наши технические специалисты готовы помочь вам с подбором точного аналога или замены подшипника. Просто позвоните нам по телефону +7 (495) 104-99-04 или напишите на почту zakaz@podsnab.ru.
Для оперативной консультации подготовьте, пожалуйста, имеющиеся данные: маркировку, размеры, тип оборудования или артикул старого подшипника.
Да, конечно! Мы высоко ценим долгосрочное сотрудничество и доверие клиентов по всей России. Для постоянных клиентов действует персональная система скидок.
Условия формируются индивидуально и зависят от:
Чтобы узнать свои условия и получить максимально выгодное предложение, свяжитесь с персональным менеджером или напишите нам на почту zakaz@podsnab.ru.
Вы можете оформить заказ несколькими способами:
Для оформления заказа от юридического лица свяжитесь с нашим отделом по работе с корпоративными клиентами по телефону +7 (495) 104-99-04 или напишите на email zakaz@podsnab.ru, прикрепив реквизиты вашей организации.
Мы оперативно подготовим коммерческое предложение и выставим счет.
Возврат товара надлежащего качества возможен в течение 10 дней с момента получения, если товар не был в употреблении, сохранен товарный вид, упаковка не вскрывалась и присутствуют все сопроводительные документы.
Возврат денежных средств осуществляется в течение 10 рабочих дней после проверки товара складом.
В соответствии с законодательством возврату не подлежат подшипники надлежащего качества, если отсутствует оригинальная упаковка или имеются следы монтажа.
В случае выявления брака или гарантийного случая мы гарантируем возврат или обмен товара.
Да, гарантийный срок хранения устанавливается заводом-изготовителем и в среднем составляет 2 года при соблюдении условий хранения: сухое помещение, оригинальная упаковка и смазка.
Точный срок для конкретного типа подшипника уточняйте у наших менеджеров.
Пн–Пт: с 8:00 до 17:00 (МСК).
Сб–Вс: выходные дни.
Заказы на сайте принимаются круглосуточно. Заявки, поступившие после окончания рабочего дня, обрабатываются на следующий рабочий день.
Минимальная сумма заказа для доставки составляет 3000 рублей. Самовывоз со склада возможен на любую сумму при наличии товара.
ООО «УралТехГрупп»
ИНН: 7415093830
КПП: 772401001
ОГРН: 1167456069021
Банк: ПАО Сбербанк
Р/с: 40702810838000475273
К/с: 30101810400000000225
БИК: 044525225
У подшипника SL18-2948 пока нет отзывов. Вы можете стать первым покупателем, поделившимся своим мнением.