Поиск подшипника
Статьи
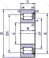
SL18-2960 — однорядный цилиндрический роликовый подшипник, основное исполнение, выпускается производителями: INA, ISO, ROLLWAY, Подшипники NBS.
Размер подшипника: 300x420x72 мм.
Тип: Узкое внутреннее кольцо, легкая нагрузка, корпус из штампованной стали, установочный винт.
Альтернативное обозначение: NCF2960V.
Аналоги: SL18-2960B INA,SL182960-TB INA.
Международная стандартизации ISO
SL182960
В наличии
| Обозначение | Конструктивные изменения |
|---|---|
| SL18-2960B C3 | однорядный цилиндрический роликовый подшипник. |
| SL18-2960B | однорядный цилиндрический роликовый подшипник. |
| SL18-2960C3 | Внутренний зазор больше нормального. |
| SL18-2960B C4 | Внутренний зазор подшипника больше. чем C3. Особенность внутренней конструкции. |
| SL182960-TB-BR | Обработанный латунный сепаратор. Textite (Fabric-Reinforced Phenolic Resin) Cage Guided On The Inner Ring. |
| SL182960-BR-B | Особенность внутренней конструкции. Чёрный цвет. |
| SL182960-TB-BR-C3 | Внутренний зазор больше нормального. Обработанный латунный сепаратор. Textite (Fabric-Reinforced Phenolic Resin) Cage Guided On The Inner Ring. |
| SL182960-TB-C4 | Внутренний зазор подшипника больше. чем C3. Textite (Fabric-Reinforced Phenolic Resin) Cage Guided On The Inner Ring. |
| SL182960-TB | Подшипник с увеличенной осевой груподъемностью. |
| SL182960-TB-C3 | Внутренний зазор больше нормального. Подшипник с увеличенной осевой груподъемностью. |
| SL18-2960BE | Повышенная грузоподъемность. Особенность внутренней конструкции. |
Модификации цилиндрического роликового подшипника SL18-2960 — это измененное основное конструктивное исполнение SL182960, основные размеры (300x420x72) не отличаются.
| Обозначение | Гост | Конструктивные особенности |
|---|---|---|
| NCF2960V | ISO | Бессепараторный подшипник. Однорядный без сепараторный цилиндрический роликовый подшипник. Два борта на внутреннем кольце и один борт на наружном. |
| NCF2960-V-C3 | ISO | Внутренний зазор больше нормального. Подшипник без сепаратора. С полным комплектом тел качения. |
| NCF2960CV | ISO | Полноразмерный цилиндрический роликоподшипник с модифицированной внутренней конструкцией. Однорядный без сепараторный цилиндрический роликовый подшипник. |
| NU2960-E-M1-C4 | ISO | Внутренний зазор подшипника больше. чем C3. Повышенная грузоподъемность. Механически обработанный латунный сепаратор. вращающийся элемент качения (крестовина на заклепках). |
| NUP2960-E-M1-C4 | ISO | Внутренний зазор подшипника больше. чем C3. Повышенная грузоподъемность. Механически обработанный латунный сепаратор. вращающийся элемент качения (крестовина на заклепках). |
| NU2960-E-MPAX-W10B-C3 | ISO | Внутренний зазор больше нормального. Повышенная грузоподъемность. Ребристый однокомпонентный цельнолатунный сепаратор является дальнейшим развитием сепараторов FAG типов MPA и MP1A и будет последовательно заменять эти типы. Он обладает большей прочностью по отношению к ударным нагрузкам и вибрациям. чем его предшественники. и особенно хорошо подходит для применения в условиях высоких нагрузок. Bearing Rings And Rolling Elements Of Through Hardening Rolling Bearing Steel Isotemp Heat Treated.(W10B Replaces Z43B). |
| NJ2960-E-MPAX-J30PC-C3 | ISO | Внутренний зазор больше нормального. Повышенная грузоподъемность. Ребристый однокомпонентный цельнолатунный сепаратор является дальнейшим развитием сепараторов FAG типов MPA и MP1A и будет последовательно заменять эти типы. Он обладает большей прочностью по отношению к ударным нагрузкам и вибрациям. чем его предшественники. и особенно хорошо подходит для применения в условиях высоких нагрузок. Кольца и тела качения с черным оксидным покрытием. |
| NJ2960-E-M1-C3 | ISO | Внутренний зазор больше нормального. Повышенная грузоподъемность. Механически обработанный латунный сепаратор. вращающийся элемент качения (крестовина на заклепках). |
Аналог цилиндрического роликового подшипника SL18-2960 — это подшипник такого же размера dx300,Dx420,Bx72, типа и конструкции.
| Обозначение | Конструктивные особенности | Внутренний (d) | Наружный (D) | Ширина (B) |
|---|---|---|---|---|
| 29260 | Подшипник роликовый упорный сферический. | 300.00 | 420.00 | 73.00 |
| 29260E | Подшипник роликовый упорный сферический. Повышенная грузоподъемность. | 300.00 | 420.00 | 73.00 |
| 29260B.M | Подшипник роликовый упорный сферический. Внутренние изменения в конструкции. Механически обработанный латунный сепаратор .Расположенный на элементах качения. | 300.00 | 420.00 | 73.00 |
| 29260M | Подшипник роликовый упорный сферический. Механически обработанный латунный сепаратор .Расположенный на элементах качения. | 300.00 | 420.00 | 73.00 |
| 29260-E-MB | Подшипник роликовый упорный сферический. Повышенная грузоподъемность. Механически обработанный латунный сепаратор. клёпаный. центрируемый по внутреннему кольцу. | 300.00 | 420.00 | 73.00 |
| 29260EM | Подшипник роликовый упорный сферический. Стандартный фланцевый ( с резьбой и сквозным отверстием). | 300.00 | 420.00 | 73.00 |
| 29260E1.MB | Подшипник роликовый упорный сферический. Механически обработанный латунный сепаратор. клёпаный. центрируемый по внутреннему кольцу. Конструкция с увеличенной грузоподьемностью. | 300.00 | 420.00 | 73.00 |
| 29260EM EVO | Подшипник роликовый упорный сферический. Стандартный фланцевый ( с резьбой и сквозным отверстием). значение этого символа. прикрепленного к базовому коду. специально не зафиксировано. Они используются в соответствии с требованиями к выявлению изменений конструкции подшипника и определенным конструктивным особенностям. Также их можно совмещать между собой. | 300.00 | 420.00 | 73.00 |
| NU2960 | Роликовый радиальный однорядный подшипник. | 300.00 | 420.00 | 72.00 |
| 2097960ЛМ | Роликовый радиальный-упорный двухрядный подшипник. Сепаратор из латуни.. Модифицированный контакт.. | 300.00 | 420.00 | 72.00 |
| 9039260 | Роликовый упорно-радиальный однорядный подшипник. | 300.00 | 420.00 | 73.00 |
| 6-9039260 | Роликовый упорно-радиальный однорядный подшипник. | 300.00 | 420.00 | 73.00 |
| 562960 | Шариковый упорный двухрядный подшипник. | 300.00 | 420.00 | 72.00 |
| 234960 | Шариковый упорный двухрядный подшипник. | 300.00 | 420.00 | 72.00 |
Способы доставки
Отправка через ведущие транспортные и курьерские компании: ПЭК, Деловые Линии, СДЭК, Байкал-Сервис, Энергия, КИТ, ЖелДорЭкспедиция.
Самовывоз возможен напрямую со склада в Москве.
Сроки доставки
Срок зависит от региона и выбранной транспортной компании. Все заказы комплектуются и отправляются в кратчайшие сроки со склада в Москве.
Надёжность и сохранность
Вся продукция упаковывается с учётом требований транспортировки. Мы гарантируем, что подшипники и комплектующие прибудут к заказчику в полной сохранности.
Доставка в страны ЕАЭС
Мы работаем с проверенными логистическими партнёрами, что позволяет оперативно доставлять заказы в Беларусь, Казахстан, Армению и другие страны ЕАЭС.
Варианты оплаты:
Минимальная сумма заказа и скидки:
Документы и гарантии:
Да, конечно! Наши технические специалисты готовы помочь вам с подбором точного аналога или замены подшипника. Просто позвоните нам по телефону +7 (495) 104-99-04 или напишите на почту zakaz@podsnab.ru.
Для оперативной консультации подготовьте, пожалуйста, имеющиеся данные: маркировку, размеры, тип оборудования или артикул старого подшипника.
Да, конечно! Мы высоко ценим долгосрочное сотрудничество и доверие клиентов по всей России. Для постоянных клиентов действует персональная система скидок.
Условия формируются индивидуально и зависят от:
Чтобы узнать свои условия и получить максимально выгодное предложение, свяжитесь с персональным менеджером или напишите нам на почту zakaz@podsnab.ru.
Вы можете оформить заказ несколькими способами:
Для оформления заказа от юридического лица свяжитесь с нашим отделом по работе с корпоративными клиентами по телефону +7 (495) 104-99-04 или напишите на email zakaz@podsnab.ru, прикрепив реквизиты вашей организации.
Мы оперативно подготовим коммерческое предложение и выставим счет.
Возврат товара надлежащего качества возможен в течение 10 дней с момента получения, если товар не был в употреблении, сохранен товарный вид, упаковка не вскрывалась и присутствуют все сопроводительные документы.
Возврат денежных средств осуществляется в течение 10 рабочих дней после проверки товара складом.
В соответствии с законодательством возврату не подлежат подшипники надлежащего качества, если отсутствует оригинальная упаковка или имеются следы монтажа.
В случае выявления брака или гарантийного случая мы гарантируем возврат или обмен товара.
Да, гарантийный срок хранения устанавливается заводом-изготовителем и в среднем составляет 2 года при соблюдении условий хранения: сухое помещение, оригинальная упаковка и смазка.
Точный срок для конкретного типа подшипника уточняйте у наших менеджеров.
Пн–Пт: с 8:00 до 17:00 (МСК).
Сб–Вс: выходные дни.
Заказы на сайте принимаются круглосуточно. Заявки, поступившие после окончания рабочего дня, обрабатываются на следующий рабочий день.
Минимальная сумма заказа для доставки составляет 3000 рублей. Самовывоз со склада возможен на любую сумму при наличии товара.
ООО «УралТехГрупп»
ИНН: 7415093830
КПП: 772401001
ОГРН: 1167456069021
Банк: ПАО Сбербанк
Р/с: 40702810838000475273
К/с: 30101810400000000225
БИК: 044525225
У подшипника SL18-2960 пока нет отзывов. Вы можете стать первым покупателем, поделившимся своим мнением.