Поиск подшипника
Статьи
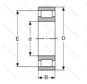
CRL11 — Однорядный цилиндрический роликовый подшипник, основное исполнение, выпускается производителями: NEUTRAL, RANSOME & MARLES, SKF, STERLING.
Размер подшипника: 34x76x17 мм.
Альтернативное обозначение: LRJ1.3/8, RLS12.1/2.
Международная стандартизации ISO
CRL11
В наличии
| Обозначение | Конструктивные изменения |
|---|---|
| CRL11MB | Двухкомпонентный латунный сепаратор с механической обработкой. Направляющее внутреннее кольцо. |
| CRL11M | Механически обработанный латунный сепаратор .Расположенный на элементах качения. |
| CRL11A | Цилиндрический роликоподшипник. С углом фланца 1 градус 40 минут. Сферические роликовые наконечники. |
Модификации цилиндрического роликового подшипника CRL11 — это измененное основное конструктивное исполнение CRL11, основные размеры (34x76x17) не отличаются.
| Обозначение | Гост | Конструктивные особенности |
|---|---|---|
| LRJ1.3/8DESA | ISO | Конструкция А. |
| LLRJ1.3/8DESA C3 | ISO | Внутренний зазор больше нормального. Конструкция А. |
| LRJ1.3/8MT | ISO | Traction Motor Specification. |
| 566096.H49A.X44 | ISO | Подшипники и детали подшипников в специальном исполнении для Ford-Werke AG. Cologne. Промышленная упаковка. |
| RLS12.1/2M | ISO | Механически обработанный латунный сепаратор .Расположенный на элементах качения. |
| RL12.1/2E | ISO | Повышенная грузоподъемность. |
| LLRJ1.3/8 | ISO | Размерные и геометрические допуски соответствуют классу точности P6. Средний предварительный натяг. |
| LRJ1.3/8J | ISO | Прессованный стальной сепаратор. |
| LLRJN1.3/8 | ISO | Размерные и геометрические допуски соответствуют классу точности P6. Средний предварительный натяг. |
| RLS12.1/2 | ISO | ISO Tolerance Class ABEC.9. Number Of Carriages Per Rail Track. |
| RL12.1/2 | ISO | ISO Tolerance Class ABEC.9. Number Of Carriages Per Rail Track. |
| LRJA1.3/8 | ISO | Размерные и геометрические допуски соответствуют классу точности P6. Средний предварительный натяг. |
| LRJA1.3/8J | ISO | Прессованный стальной сепаратор. |
| LRJ1.3/8J CNS | ISO | Специальная термическая обработка. Прессованный стальной сепаратор. Нормальный уровень радиального внутреннего зазора (не маркируется). |
| 566096.H49A | ISO | Подшипники и детали подшипников в специальном исполнении для Ford-Werke AG. Cologne. |
| LRJA1.3/8MB C3 | ISO | Внутренний зазор больше нормального. Цельное внутреннее кольцо. Центрированный обработанный латунный сепаратор. |
| LRJA1+3/8-C3 | ISO | Внутренний зазор больше нормального. |
| LLRJ1.3/8C3 | ISO | Внутренний зазор больше нормального. |
| 566096A.H49A | ISO | Цилиндрические роликоподшипники. Взаимозаменяемые детали. Подшипники и детали подшипников в специальном исполнении для Ford-Werke AG. Cologne. |
| LLRJ1.3/8J | ISO | Прессованный стальной сепаратор. |
Аналог цилиндрического роликового подшипника CRL11 — это подшипник такого же размера dx34,Dx76,Bx17, типа и конструкции.
| Обозначение | Конструктивные особенности | Внутренний (d) | Наружный (D) | Ширина (B) |
|---|---|---|---|---|
| LS12.1/2 2RS | Подшипник однорядный шариковый радиальный. Резиновые уплотнения с каждой стороны подшипника. | 34.93 | 76.20 | 17.46 |
| LJ1.3/8ZZJ | Подшипник однорядный шариковый радиальный. Защитные металлические шайбы с обеих сторон. Прессованный стальной сепаратор. | 34.93 | 76.20 | 17.46 |
| LJ1.3/8M | Подшипник однорядный шариковый радиальный. Механически обработанный латунный сепаратор .Расположенный на элементах качения. | 34.93 | 76.20 | 17.46 |
| NLJ1.3/8K5 E1 | Подшипник шариковый двухрядный самоустанавливающийся. Ближе к стандартным допускам. | 34.93 | 76.20 | 17.46 |
| QJL1.3/8 | Подшипник шариковый с четырехточечным контактом. Размерные и геометрические допуски соответствуют классу точности P6. Средний предварительный натяг. | 34.92 | 76.20 | 17.46 |
| NLJ1.3/8 | Подшипник шариковый двухрядный самоустанавливающийся. Размерные и геометрические допуски соответствуют классу точности P6. Средний предварительный натяг. | 34.92 | 76.20 | 17.46 |
| LJ1.3/8N | Подшипник однорядный шариковый радиальный. Канавка под стопорное кольцо на внешнем кольце. Размерные и геометрические допуски соответствуют классу точности P6. | 34.92 | 76.20 | 17.46 |
| RLS11-2Z | Подшипник однорядный шариковый радиальный. Защитные металлические шайбы с обеих сторон подшипника. | 34.93 | 76.20 | 17.46 |
| LJ1.3/8-2RSJ | Подшипник однорядный шариковый радиальный. Резиновые уплотнения с каждой стороны подшипника. Сепаратор из стали. | 34.93 | 76.20 | 17.46 |
| LJ1.3/8J C3 | Подшипник однорядный шариковый радиальный. Внутренний зазор больше нормального. Сепаратор из стали. | 34.93 | 76.20 | 17.46 |
| LJ1.3/8 2ZJ | Подшипник однорядный шариковый радиальный. Сепаратор из штампованной стали. Центрированный элемент качения. Защитные металлические шайбы с обеих сторон подшипника. | 34.93 | 76.20 | 17.46 |
| 83A072-9C3 | Шариковый радиальный однорядный подшипник. Угол контакта 20 градусов. | 35.00 | 75.00 | 17.00 |
| 83B551ASH29T2CS41 | Шариковый радиальный однорядный подшипник. Угол контакта 20 градусов. | 35.00 | 75.00 | 17.00 |
| LJ1.3/8-Z | Шариковый радиальный однорядный подшипник. щит из листовой прессованной стали с одной стороны подшипника. Размерные и геометрические допуски соответствуют классу точности P6. Средний предварительный натяг. | 34.92 | 76.20 | 17.46 |
| LJ1.3/8-RS | Шариковый радиальный однорядный подшипник. Резиновое уплотнение с одной стороны. Размерные и геометрические допуски соответствуют классу точности P6. Средний предварительный натяг. | 34.92 | 76.20 | 17.46 |
Способы доставки
Отправка через ведущие транспортные и курьерские компании: ПЭК, Деловые Линии, СДЭК, Байкал-Сервис, Энергия, КИТ, ЖелДорЭкспедиция.
Самовывоз возможен напрямую со склада в Москве.
Сроки доставки
Срок зависит от региона и выбранной транспортной компании. Все заказы комплектуются и отправляются в кратчайшие сроки со склада в Москве.
Надёжность и сохранность
Вся продукция упаковывается с учётом требований транспортировки. Мы гарантируем, что подшипники и комплектующие прибудут к заказчику в полной сохранности.
Доставка в страны ЕАЭС
Мы работаем с проверенными логистическими партнёрами, что позволяет оперативно доставлять заказы в Беларусь, Казахстан, Армению и другие страны ЕАЭС.
Варианты оплаты:
Минимальная сумма заказа и скидки:
Документы и гарантии:
Да, конечно! Наши технические специалисты готовы помочь вам с подбором точного аналога или замены подшипника. Просто позвоните нам по телефону +7 (495) 104-99-04 или напишите на почту zakaz@podsnab.ru.
Для оперативной консультации подготовьте, пожалуйста, имеющиеся данные: маркировку, размеры, тип оборудования или артикул старого подшипника.
Да, конечно! Мы высоко ценим долгосрочное сотрудничество и доверие клиентов по всей России. Для постоянных клиентов действует персональная система скидок.
Условия формируются индивидуально и зависят от:
Чтобы узнать свои условия и получить максимально выгодное предложение, свяжитесь с персональным менеджером или напишите нам на почту zakaz@podsnab.ru.
Вы можете оформить заказ несколькими способами:
Для оформления заказа от юридического лица свяжитесь с нашим отделом по работе с корпоративными клиентами по телефону +7 (495) 104-99-04 или напишите на email zakaz@podsnab.ru, прикрепив реквизиты вашей организации.
Мы оперативно подготовим коммерческое предложение и выставим счет.
Возврат товара надлежащего качества возможен в течение 10 дней с момента получения, если товар не был в употреблении, сохранен товарный вид, упаковка не вскрывалась и присутствуют все сопроводительные документы.
Возврат денежных средств осуществляется в течение 10 рабочих дней после проверки товара складом.
В соответствии с законодательством возврату не подлежат подшипники надлежащего качества, если отсутствует оригинальная упаковка или имеются следы монтажа.
В случае выявления брака или гарантийного случая мы гарантируем возврат или обмен товара.
Да, гарантийный срок хранения устанавливается заводом-изготовителем и в среднем составляет 2 года при соблюдении условий хранения: сухое помещение, оригинальная упаковка и смазка.
Точный срок для конкретного типа подшипника уточняйте у наших менеджеров.
Пн–Пт: с 8:00 до 17:00 (МСК).
Сб–Вс: выходные дни.
Заказы на сайте принимаются круглосуточно. Заявки, поступившие после окончания рабочего дня, обрабатываются на следующий рабочий день.
Минимальная сумма заказа для доставки составляет 3000 рублей. Самовывоз со склада возможен на любую сумму при наличии товара.
ООО «УралТехГрупп»
ИНН: 7415093830
КПП: 772401001
ОГРН: 1167456069021
Банк: ПАО Сбербанк
Р/с: 40702810838000475273
К/с: 30101810400000000225
БИК: 044525225
У подшипника CRL11 пока нет отзывов. Вы можете стать первым покупателем, поделившимся своим мнением.