Поиск подшипника
Статьи
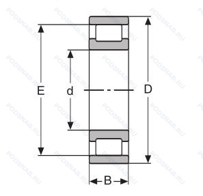
CRM10 — Однорядный цилиндрический роликовый подшипник, основное исполнение, выпускается производителями: NEUTRAL, RHP, SKF.
Размер подшипника: 31x79x22 мм.
Альтернативное обозначение: RMS12.
Международная стандартизации ISO
CRM10
В наличии
| Обозначение | Конструктивные изменения |
|---|---|
| CRM10A | Цилиндрический роликоподшипник. С углом фланца 1 градус 40 минут. Сферические роликовые наконечники. |
| CRM10A/C2 | Внутренний зазор подшипника меньше нормального. Цилиндрический роликоподшипник. С углом фланца 1 градус 40 минут. Сферические роликовые наконечники. |
Модификации цилиндрического роликового подшипника CRM10 — это измененное основное конструктивное исполнение CRM10, основные размеры (31x79x22) не отличаются.
| Обозначение | Гост | Конструктивные особенности |
|---|---|---|
| RMS12 | ISO | Однорядный цилиндрический роликовый подшипник. |
| FUY1307TM | ISO | Cylindrical Roller Bearing. Outer Ring With Two Snap Rings In Inside Diameter. Full Complement. |
| MRJA1.1/4 | ISO | Number Of Carriages Per Rail Track. Подшипник с чрезвычайно высокой точностью вращения (Abec9) и допуском формы (Abec7). |
| RMS12.C3 | ISO | Внутренний зазор больше нормального. |
| 409307B | ISO | Измененный внутренний дизайн. |
| 2F-UY1307TAM | ISO | Сепаратор из ламинированной фенольной смолы, направляемый на шаровый фиксатор наружного кольца. |
| MRJA1.1/4DESB | ISO | Design B. |
| MRJA1.1/4J | ISO | Прессованный стальной сепаратор. |
| R0694V | ISO | Цельный стальной сепаратор. |
| MMRJ1.1/4M | ISO | Механически обработанный латунный сепаратор .Расположенный на элементах качения. |
| MMRJA1.1/4M | ISO | Механически обработанный латунный сепаратор .Расположенный на элементах качения. Силиконовая смазка SH44M TORAY SILICONE. Number Of Carriages Per Rail Track. |
| MRJA1.1/4M | ISO | Механически обработанный латунный сепаратор .Расположенный на элементах качения. |
| MRJ1.1/4MB | ISO | Однокомпонентное внутреннее кольцо с центрированным сепаратором из механически обработанной латуни. |
| MRJA1.1/4MB C3 | ISO | Внутренний зазор больше нормального. Цельное внутреннее кольцо. Центрированный обработанный латунный сепаратор. |
| MRJA1.1/4MB | ISO | Однокомпонентное внутреннее кольцо с центрированным сепаратором из механически обработанной латуни. |
| MRJ1.1/4-C3 | ISO | Внутренний зазор больше нормального. |
| MMRJ1.1/4 | ISO | Number Of Carriages Per Rail Track. Подшипник с чрезвычайно высокой точностью вращения (Abec9) и допуском формы (Abec7). |
| MMRJ1.1/4J | ISO | Прессованный стальной сепаратор. |
| MRJ1.1/4J | ISO | Прессованный стальной сепаратор. |
| CFM10A | ISO | Цилиндрический роликоподшипник. С углом фланца 1 градус 40 минут. Сферические роликовые наконечники. |
| 3F-UY1307TM | ISO | Cylindrical Roller Bearing. Outer Ring With Two Snap Rings In Inside Diameter. Full Complement. |
Аналог цилиндрического роликового подшипника CRM10 — это подшипник такого же размера dx31,Dx79,Bx22, типа и конструкции.
| Обозначение | Конструктивные особенности | Внутренний (d) | Наружный (D) | Ширина (B) |
|---|---|---|---|---|
| F-803196.07.KL | Шариковый радиальный однорядный подшипник. Flanged Type (2 Thru holes)-Medium Load. | 32.00 | 80.00 | 21.00 |
| F-803196.02.KL-H95A | Шариковый радиальный однорядный подшипник. Design. Flanged Type (2 Thru holes)-Medium Load. | 32.00 | 80.00 | 21.00 |
| F-803196.02 | Шариковый радиальный однорядный подшипник. Design. | 32.00 | 80.00 | 21.00 |
| B32-18NXC3 | Шариковый радиальный однорядный подшипник. Подшипник со специальными размерами. | 32.00 | 80.00 | 23.00 |
| 6TS2-SX06C12LLH1C3/L588 | Шариковый радиальный однорядный подшипник. Внутренний радиальный зазор С3. Бесконтактное нитриловое уплотнение с пониженным трением. | 32.00 | 80.00 | 21.00 |
| 6TS2-SX06C12LLH1C3/L014 | Шариковый радиальный однорядный подшипник. Внутренний радиальный зазор С3. Бесконтактное нитриловое уплотнение с пониженным трением. | 32.00 | 80.00 | 21.00 |
| MJ1.1/4-Z | Шариковый радиальный однорядный подшипник. щит из листовой прессованной стали с одной стороны подшипника. Number Of Carriages Per Rail Track. Подшипник с чрезвычайно высокой точностью вращения (Abec9) и допуском формы (Abec7). | 31.75 | 79.38 | 22.23 |
| MJ1.1/4-RS | Шариковый радиальный однорядный подшипник. Резиновое уплотнение с одной стороны. Number Of Carriages Per Rail Track. Подшипник с чрезвычайно высокой точностью вращения (Abec9) и допуском формы (Abec7). | 31.75 | 79.38 | 22.23 |
| MJ1.1/4-2Z | Шариковый радиальный однорядный подшипник. Защитные металлические шайбы с обеих сторон подшипника. Number Of Carriages Per Rail Track. Подшипник с чрезвычайно высокой точностью вращения (Abec9) и допуском формы (Abec7). | 31.75 | 79.38 | 22.23 |
| MJ1.1/4-NR | Шариковый радиальный однорядный подшипник. Канавка под стопорное кольцо на наружном кольце с соответствующим стопорным кольцом. Number Of Carriages Per Rail Track. Подшипник с чрезвычайно высокой точностью вращения (Abec9) и допуском формы (Abec7). | 31.75 | 79.38 | 22.23 |
| MJ1.1/4-N | Шариковый радиальный однорядный подшипник. Канавка под стопорное кольцо на внешнем кольце. Number Of Carriages Per Rail Track. Подшипник с чрезвычайно высокой точностью вращения (Abec9) и допуском формы (Abec7). | 31.75 | 79.38 | 22.23 |
| 1307-K-TVH-C3 + H307 | Шариковый сферический двухрядный подшипник. Внутренний зазор больше нормального. Коническое отверстие. Конусность 1/12. Твердая клетка из полиамида. | 30.00 | 80.00 | 21.00 |
| 460706-АС17 | Шариковый радиальный однорядный подшипник. Смазка Литол-24. Повышенная грузоподъемность. | 30.00 | 79.00 | 22.00 |
| 460706-КС17 | Шариковый радиальный однорядный подшипник. Смазка Литол-24. | 30.00 | 79.00 | 22.00 |
| 460706-С17 | Шариковый радиальный однорядный подшипник. Смазка Литол-24. | 30.00 | 79.00 | 22.00 |
Способы доставки
Отправка через ведущие транспортные и курьерские компании: ПЭК, Деловые Линии, СДЭК, Байкал-Сервис, Энергия, КИТ, ЖелДорЭкспедиция.
Самовывоз возможен напрямую со склада в Москве.
Сроки доставки
Срок зависит от региона и выбранной транспортной компании. Все заказы комплектуются и отправляются в кратчайшие сроки со склада в Москве.
Надёжность и сохранность
Вся продукция упаковывается с учётом требований транспортировки. Мы гарантируем, что подшипники и комплектующие прибудут к заказчику в полной сохранности.
Доставка в страны ЕАЭС
Мы работаем с проверенными логистическими партнёрами, что позволяет оперативно доставлять заказы в Беларусь, Казахстан, Армению и другие страны ЕАЭС.
Варианты оплаты:
Минимальная сумма заказа и скидки:
Документы и гарантии:
Да, конечно! Наши технические специалисты готовы помочь вам с подбором точного аналога или замены подшипника. Просто позвоните нам по телефону +7 (495) 104-99-04 или напишите на почту zakaz@podsnab.ru.
Для оперативной консультации подготовьте, пожалуйста, имеющиеся данные: маркировку, размеры, тип оборудования или артикул старого подшипника.
Да, конечно! Мы высоко ценим долгосрочное сотрудничество и доверие клиентов по всей России. Для постоянных клиентов действует персональная система скидок.
Условия формируются индивидуально и зависят от:
Чтобы узнать свои условия и получить максимально выгодное предложение, свяжитесь с персональным менеджером или напишите нам на почту zakaz@podsnab.ru.
Вы можете оформить заказ несколькими способами:
Для оформления заказа от юридического лица свяжитесь с нашим отделом по работе с корпоративными клиентами по телефону +7 (495) 104-99-04 или напишите на email zakaz@podsnab.ru, прикрепив реквизиты вашей организации.
Мы оперативно подготовим коммерческое предложение и выставим счет.
Возврат товара надлежащего качества возможен в течение 10 дней с момента получения, если товар не был в употреблении, сохранен товарный вид, упаковка не вскрывалась и присутствуют все сопроводительные документы.
Возврат денежных средств осуществляется в течение 10 рабочих дней после проверки товара складом.
В соответствии с законодательством возврату не подлежат подшипники надлежащего качества, если отсутствует оригинальная упаковка или имеются следы монтажа.
В случае выявления брака или гарантийного случая мы гарантируем возврат или обмен товара.
Да, гарантийный срок хранения устанавливается заводом-изготовителем и в среднем составляет 2 года при соблюдении условий хранения: сухое помещение, оригинальная упаковка и смазка.
Точный срок для конкретного типа подшипника уточняйте у наших менеджеров.
Пн–Пт: с 8:00 до 17:00 (МСК).
Сб–Вс: выходные дни.
Заказы на сайте принимаются круглосуточно. Заявки, поступившие после окончания рабочего дня, обрабатываются на следующий рабочий день.
Минимальная сумма заказа для доставки составляет 3000 рублей. Самовывоз со склада возможен на любую сумму при наличии товара.
ООО «УралТехГрупп»
ИНН: 7415093830
КПП: 772401001
ОГРН: 1167456069021
Банк: ПАО Сбербанк
Р/с: 40702810838000475273
К/с: 30101810400000000225
БИК: 044525225
У подшипника CRM10 пока нет отзывов. Вы можете стать первым покупателем, поделившимся своим мнением.