Поиск подшипника
Статьи
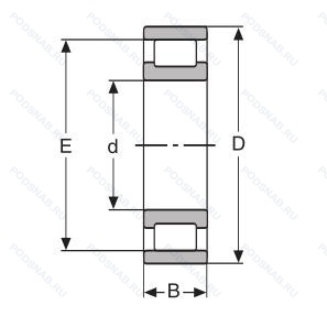
MRJ4E — Однорядный цилиндрический роликовый подшипник, модификация основного исполнения MRJ4, производство RHP.
Размер подшипника: 101x215x44 мм.
Однорядный цилиндрический роликоподшипник, два фланца на внутреннем кольце, средняя серия, дюймовая серия, повышенная грузоподъемность.
Альтернативное обозначение: 40RIN133, CRM32, NM32, PBPV32, RMS21.
Международная стандартизации ISO
MRJ4E
В наличии
| Обозначение | Конструктивные изменения |
|---|---|
| MRJ4.1/4 | Number Of Carriages Per Rail Track. Подшипник с чрезвычайно высокой точностью вращения (Abec9) и допуском формы (Abec7). |
| MRJ4.3/4 | Размерные и геометрические допуски соответствуют классу точности P6. Подшипник с чрезвычайно высокой точностью вращения (Abec9) и допуском формы (Abec7). |
| MRJ 4 | |
| MRJ4.1/2 | ISO Tolerance Class ABEC.9. Number Of Carriages Per Rail Track. |
| MRJ4EVM | Подшипник повышенной грузоподъемности с латунным сепаратором. |
| MRJ4EM | Механически обработанный латунный сепаратор .Расположенный на элементах качения. Стандартный фланцевый ( с резьбой и сквозным отверстием). |
Модификации цилиндрического роликового подшипника MRJ4E — это измененное основное конструктивное исполнение MRJ4, основные размеры (101x215x44) не отличаются.
| Обозначение | Гост | Конструктивные особенности |
|---|---|---|
| MRJ 4 | ISO | Однорядный цилиндрический роликовый подшипник. |
| MRJA4EM | ISO | Механически обработанный латунный сепаратор .Расположенный на элементах качения. Стандартный фланцевый ( с резьбой и сквозным отверстием). |
| RMS21 | ISO | Однорядный цилиндрический роликовый подшипник. |
| CRM32C3 | ISO | Внутренний зазор больше нормального. |
| CRM32A | ISO | Цилиндрический роликоподшипник. С углом фланца 1 градус 40 минут. Сферические роликовые наконечники. |
| CRM32AMB | ISO | Цилиндрический роликоподшипник. С углом фланца 1 градус 40 минут. Сферические роликовые наконечники. Двухкомпонентный латунный сепаратор с механической обработкой. Направляющее внутреннее кольцо. |
| CRM32MB | ISO | Двухкомпонентный латунный сепаратор с механической обработкой. Направляющее внутреннее кольцо. |
| 40RIN133 | ISO | Однорядный цилиндрический роликовый подшипник. |
Аналог цилиндрического роликового подшипника MRJ4E — это подшипник такого же размера dx101,Dx215,Bx44, типа и конструкции.
| Обозначение | Конструктивные особенности | Внутренний (d) | Наружный (D) | Ширина (B) |
|---|---|---|---|---|
| AMS32MB | Подшипник шариковый однорядный радиально-упорный. Механически обработанный латунный сепаратор. Центрированное внутреннее кольцо. | 101.60 | 215.90 | 44.45 |
| AMS32M | Подшипник шариковый однорядный радиально-упорный. Механически обработанный латунный сепаратор. центрируемый по шарикам. Разные конструкции или материалы обозначаются цифрой после буквы М. например. М2. | 101.60 | 215.90 | 44.45 |
| AMS32MP | Подшипник шариковый однорядный радиально-упорный. Механически обработанный латунный сепаратор оконного типа. | 101.60 | 215.90 | 44.45 |
| MJT4EM | Подшипник шариковый однорядный радиально-упорный. Механически обработанный латунный сепаратор .Расположенный на элементах качения. Стандартный фланцевый ( с резьбой и сквозным отверстием). | 101.60 | 215.90 | 44.45 |
| MJT4E MB | Подшипник шариковый однорядный радиально-упорный. 25° Угол контакта. Механически обработанный латунный фиксатор. Направляющее внутреннее кольцо. | 101.60 | 215.90 | 44.45 |
| MJ4J | Подшипник однорядный шариковый радиальный. Дорожки качения наружного кольца. угол контакта и ширина наружного кольца в соответствии с ISO. | 101.60 | 215.90 | 44.45 |
| MJT4MBS | Подшипник шариковый однорядный радиально-упорный. Механически обработанный латунный сепаратор. Направляющие внутреннего кольца. Со смазочными канавками на направляющих поверхностях. | 101.60 | 215.90 | 44.45 |
| MJ4E | Подшипник однорядный шариковый радиальный. Повышенная грузоподъемность. | 101.60 | 215.90 | 44.45 |
| MS21AC | Подшипник шариковый однорядный радиально-упорный. Суффикс для радиально-упорного шарикоподшипника. | 101.60 | 215.90 | 44.45 |
| MJT4M | Подшипник шариковый однорядный радиально-упорный. Подшипник с латунным сепаратором. центрированный по телам качения. | 101.60 | 215.90 | 44.45 |
| QJM4E | Подшипник шариковый с четырехточечным контактом. Повышенная грузоподъемность. | 101.60 | 215.90 | 44.45 |
| QJM4MB | Подшипник шариковый с четырехточечным контактом. Цельное внутреннее кольцо. Центрированный обработанный латунный сепаратор. | 101.60 | 215.90 | 44.45 |
| RMS32/C3 | Подшипник однорядный шариковый радиальный. Внутренний зазор больше нормального. | 101.60 | 215.90 | 44.45 |
| QJM4M | Подшипник шариковый с четырехточечным контактом. Сепаратор из латуни. | 101.60 | 215.90 | 44.45 |
| QJM4LOC MB | Подшипник шариковый с четырехточечным контактом. Machined Brass Cage Located On The Inner Ring Outside Diameter. Установочный подшипник с уменьшенным наружным диаметром. | 101.60 | 215.90 | 44.45 |
Способы доставки
Отправка через ведущие транспортные и курьерские компании: ПЭК, Деловые Линии, СДЭК, Байкал-Сервис, Энергия, КИТ, ЖелДорЭкспедиция.
Самовывоз возможен напрямую со склада в Москве.
Сроки доставки
Срок зависит от региона и выбранной транспортной компании. Все заказы комплектуются и отправляются в кратчайшие сроки со склада в Москве.
Надёжность и сохранность
Вся продукция упаковывается с учётом требований транспортировки. Мы гарантируем, что подшипники и комплектующие прибудут к заказчику в полной сохранности.
Доставка в страны ЕАЭС
Мы работаем с проверенными логистическими партнёрами, что позволяет оперативно доставлять заказы в Беларусь, Казахстан, Армению и другие страны ЕАЭС.
Варианты оплаты:
Минимальная сумма заказа и скидки:
Документы и гарантии:
Да, конечно! Наши технические специалисты готовы помочь вам с подбором точного аналога или замены подшипника. Просто позвоните нам по телефону +7 (495) 104-99-04 или напишите на почту zakaz@podsnab.ru.
Для оперативной консультации подготовьте, пожалуйста, имеющиеся данные: маркировку, размеры, тип оборудования или артикул старого подшипника.
Да, конечно! Мы высоко ценим долгосрочное сотрудничество и доверие клиентов по всей России. Для постоянных клиентов действует персональная система скидок.
Условия формируются индивидуально и зависят от:
Чтобы узнать свои условия и получить максимально выгодное предложение, свяжитесь с персональным менеджером или напишите нам на почту zakaz@podsnab.ru.
Вы можете оформить заказ несколькими способами:
Для оформления заказа от юридического лица свяжитесь с нашим отделом по работе с корпоративными клиентами по телефону +7 (495) 104-99-04 или напишите на email zakaz@podsnab.ru, прикрепив реквизиты вашей организации.
Мы оперативно подготовим коммерческое предложение и выставим счет.
Возврат товара надлежащего качества возможен в течение 10 дней с момента получения, если товар не был в употреблении, сохранен товарный вид, упаковка не вскрывалась и присутствуют все сопроводительные документы.
Возврат денежных средств осуществляется в течение 10 рабочих дней после проверки товара складом.
В соответствии с законодательством возврату не подлежат подшипники надлежащего качества, если отсутствует оригинальная упаковка или имеются следы монтажа.
В случае выявления брака или гарантийного случая мы гарантируем возврат или обмен товара.
Да, гарантийный срок хранения устанавливается заводом-изготовителем и в среднем составляет 2 года при соблюдении условий хранения: сухое помещение, оригинальная упаковка и смазка.
Точный срок для конкретного типа подшипника уточняйте у наших менеджеров.
Пн–Пт: с 8:00 до 17:00 (МСК).
Сб–Вс: выходные дни.
Заказы на сайте принимаются круглосуточно. Заявки, поступившие после окончания рабочего дня, обрабатываются на следующий рабочий день.
Минимальная сумма заказа для доставки составляет 3000 рублей. Самовывоз со склада возможен на любую сумму при наличии товара.
ООО «УралТехГрупп»
ИНН: 7415093830
КПП: 772401001
ОГРН: 1167456069021
Банк: ПАО Сбербанк
Р/с: 40702810838000475273
К/с: 30101810400000000225
БИК: 044525225
У подшипника MRJ4E пока нет отзывов. Вы можете стать первым покупателем, поделившимся своим мнением.