Поиск подшипника
Статьи
NJ238ECMA — Однорядный цилиндрический роликовый подшипник, модификация основного исполнения NJ238, производство SKF.
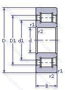
Размер подшипника: 190x340x55 мм.
Однорядный цилиндрический роликоподшипник. Наружное кольцо имеет два борта, наружное — один борт, изготовленный из двух частей латунный сепаратор. внешнее кольцо по центру, оптимизированная внутренняя конструкция предусматривает увеличенное количество роликов и/или ролики большего размера с улучшенными условиями контакта торцов роликов с бортами внутреннего кольца.
Аналоги: NJ238MA URB.
Международная стандартизации ISO
NJ238ECMA
В наличии
| Обозначение | Конструктивные изменения |
|---|---|
| NJ238M | Подшипник с латунным сепаратором. центрированный по телам качения. |
| NJ238 | Штампованный сепаратор из стального листа. Канавка под стопорное кольцо на наружном кольце подшипника. Однорядный цилиндрический роликовый подшипник. Наружное кольцо имеет два борта. Основное конструктивное исполнение. |
| NJ238EM | Стандартный фланцевый ( с резьбой и сквозным отверстием). |
| NJ238-E-M1-C3 | Внутренний зазор больше нормального. Повышенная грузоподъемность. Механически обработанный латунный сепаратор. вращающийся элемент качения (крестовина на заклепках). |
| NJ238-E-M1 | Повышенная грузоподъемность. Механически обработанный латунный сепаратор. вращающийся элемент качения (крестовина на заклепках). |
| NJ238ECMA/C3 | Внутренний зазор больше нормального. Изготовленный из двух частей латунный сепаратор. внешнее кольцо по центру. Оптимизированная внутренняя конструкция предусматривает увеличенное количество роликов и/или ролики большего размера с улучшенными условиями контакта торцов роликов с бортами внутреннего кольца. |
| NJ238MA | Механически обработанный латунный сепаратор. Центрирование по внешнему кольцу. |
| NJ238C3 | Внутренний зазор больше нормального. |
| NJ238-E-M6-C3 | Внутренний зазор больше нормального. Увеличенная грузоподъёмность. Цельный латунный сепаратор с роликовыми направляющими для цилиндрических роликоподшипников. |
| NJ238ECML | Оптимизированная внутренняя конструкция предусматривает увеличенное количество роликов и/или ролики большего размера с улучшенными условиями контакта торцов роликов с бортами внутреннего кольца. Механически обработанный латунный сепаратор. оконного типа. центрируемый по внутреннему или наружному кольцу в зависимости от типа подшипника. Однорядный цилиндрический роликовый подшипник. |
| NJ238-E-M1A-C3 | Внутренний зазор больше нормального. Повышенная грузоподъемность. Массивный латунный сепаратор. двухтельный. центрированный по бортам. |
| NJ238-E-M1A | Повышенная грузоподъемность. Массивный латунный сепаратор. двухтельный. центрированный по бортам. |
| NJ238E MA | Конструкция с увеличенной грузоподьемностью. Механически обработанный латунный сепаратор. Центрирование по внешнему кольцу. |
| NJ238EMAC3 | Внутренний зазор больше нормального. Конструкция с увеличенной грузоподьемностью. Механически обработанный латунный сепаратор. Центрирование по внешнему кольцу. |
| NJ238E | Повышенная грузоподъемность. |
| NJ238-E-M1 + HJ238-E | Повышенная грузоподъемность. Механически обработанный латунный сепаратор. вращающийся элемент качения (крестовина на заклепках). |
| NJ238R | С выпуклыми асимметричными роликами и обработанным сепаратором. |
| NJ238-E-M6 | Повышенная грузоподъемность. 20-28 UM (C3 & C4). |
| NJ238-E-MA6+HJ238-E | Повышенная грузоподъемность. Изготовленный из двух частей латунный сепаратор. Центрирование по внешнему кольцу. Различные конструкции или сорта материалов обозначаются цифрой или буквой.. |
| NJ238-E-MPA+HJ238-E | Повышенная грузоподъемность. Твердый латунный сепаратор. |
| NJ238-E-MPA | Повышенная грузоподъемность. Твердый латунный сепаратор. |
| NJ238-E-M6+HJ238-E | Повышенная грузоподъемность. 20-28 UM (C3 & C4). |
| NJ238-E-MA6 | Повышенная грузоподъемность. Изготовленный из двух частей латунный сепаратор. Центрирование по внешнему кольцу. Различные конструкции или сорта материалов обозначаются цифрой или буквой.. |
Модификации цилиндрического роликового подшипника NJ238ECMA — это измененное основное конструктивное исполнение NJ238, основные размеры (190x340x55) не отличаются.
| Обозначение | Гост | Конструктивные особенности |
|---|---|---|
| NU238E.M1.C3.J20C | ISO | Внутренний зазор больше нормального. Повышенная грузоподъемность. Механически обработанный латунный сепаратор. вращающийся элемент качения (крестовина на заклепках). Внутреннее кольцо. изолированное тонким керамическим покрытием. |
| NU238-E-M6-C3 | ISO | Внутренний зазор больше нормального. Увеличенная грузоподъёмность. Цельный латунный сепаратор с роликовыми направляющими для цилиндрических роликоподшипников. |
| NU238-E-M1-J30PC-C3 | ISO | Внутренний зазор больше нормального. Повышенная грузоподъемность. Механически обработанный латунный сепаратор. вращающийся элемент качения (крестовина на заклепках). Кольца и тела качения с черным оксидным покрытием. |
| NU238EMP64S1 | ISO | Механически обработанный латунный сепаратор .Расположенный на элементах качения. Стабилизирован для рабочих температур до +200°C. P6 + C4. |
| NU238C3 | ISO | Внутренний зазор больше нормального. |
| N238E.M1 | ISO | Повышенная грузоподъемность. Механически обработанный латунный сепаратор. вращающийся элемент качения (крестовина на заклепках). |
| NU238EMA | ISO | Шарикоподшипник или цилиндрический роликоподшипник c увеличенной грузоподъемностью. Изготовленный из двух частей латунный сепаратор. внешнее кольцо по центру. |
| NU238EM J30 | ISO | Внутренний зазор больше нормального. Стандартный фланцевый ( с резьбой и сквозным отверстием). |
| Z-580962.ZL | ISO | Цилиндрический роликовый подшипник. |
| Z-567114.ZL | ISO | Цилиндрический роликовый подшипник. |
| NU238EM | ISO | Стандартный фланцевый ( с резьбой и сквозным отверстием). |
| NUP238ECMA | ISO | Изготовленный из двух частей латунный сепаратор. внешнее кольцо по центру. Оптимизированная внутренняя конструкция предусматривает увеличенное количество роликов и/или ролики большего размера с улучшенными условиями контакта торцов роликов с бортами внутреннего кольца. Однорядный цилиндрический роликовый подшипник. |
| NU238E.M1.C4.F1 | ISO | Внутренний зазор подшипника больше. чем C3. Повышенная грузоподъемность. Механически обработанный латунный сепаратор. вращающийся элемент качения (крестовина на заклепках). Подшипники качения для тяговых двигателей. |
| NUP238M1 | ISO | Механически обработанный латунный сепаратор. вращающийся элемент качения (крестовина на заклепках). |
| NUP238M1.C3 | ISO | Внутренний зазор больше нормального. Механически обработанный латунный сепаратор. вращающийся элемент качения (крестовина на заклепках). |
| NU238CM | ISO | Специальный радиальный внутренний зазор для электродвигателей. |
| NU238EMC3 | ISO | Внутренний зазор больше нормального. Повышенная грузоподъемность. Механически обработанный латунный сепаратор .Расположенный на элементах качения. |
| NU238-E-M1-J20AA-C3 | ISO | Внутренний зазор больше нормального. Повышенная грузоподъемность. Механически обработанный латунный сепаратор. вращающийся элемент качения (крестовина на заклепках). Электроизоляция. наружное кольцо с керамическим покрытием. |
| NUP238-E-M1-T58EA | ISO | Повышенная грузоподъемность. Механически обработанный латунный сепаратор. вращающийся элемент качения (крестовина на заклепках). NUP Cylindrical Roller Bearings With Restricted Axial Clearance For Siemens NMA. Nuremberg. |
| NUP238-E-M1A-C3 | ISO | Внутренний зазор больше нормального. Повышенная грузоподъемность. Массивный латунный сепаратор. двухтельный. центрированный по бортам. |
Аналог цилиндрического роликового подшипника NJ238ECMA — это подшипник такого же размера dx190,Dx340,Bx55, типа и конструкции.
| Обозначение | Конструктивные особенности | Внутренний (d) | Наружный (D) | Ширина (B) |
|---|---|---|---|---|
| 76-238 Л | Шариковый радиальный однорядный подшипник. Сепаратор из латуни.. | 190.00 | 340.00 | 55.00 |
| 8-238-Л | Шариковый радиальный однорядный подшипник. Сепаратор из латуни.. | 190.00 | 340.00 | 55.00 |
| 6-238 Л | Шариковый радиальный однорядный подшипник. Сепаратор из латуни.. | 190.00 | 340.00 | 55.00 |
| 70-32238 ЛМ | Роликовый радиальный однорядный подшипник. Сепаратор из латуни.. Модифицированный контакт.. | 190.00 | 340.00 | 55.00 |
| 75-238 Л1 | Шариковый радиальный однорядный подшипник. Сепаратор из латуни.. | 190.00 | 340.00 | 55.00 |
| 76-238 Л1 | Шариковый радиальный однорядный подшипник. Сепаратор из латуни.. | 190.00 | 340.00 | 55.00 |
| 6238Z | Шариковый радиальный однорядный подшипник. Стальная шайба. | 190.00 | 340.00 | 55.00 |
| 238-Л | Шариковый радиальный однорядный подшипник. Сепаратор из латуни.. | 190.00 | 340.00 | 55.00 |
| 2В0-238 Л | Шариковый радиальный однорядный подшипник. Сепаратор из латуни.. | 190.00 | 340.00 | 55.00 |
| NJ 238 ECM | Роликовый радиальный однорядный подшипник. Однорядный цилиндрический роликовый подшипник. | 190.00 | 340.00 | 55.00 |
| NU 238 ECML | Роликовый радиальный однорядный подшипник. Однорядный цилиндрический роликовый подшипник. | 190.00 | 340.00 | 55.00 |
| NUP 238 ECML | Роликовый радиальный однорядный подшипник. Однорядный цилиндрический роликовый подшипник. | 190.00 | 340.00 | 55.00 |
| 42238Л1М | Роликовый радиальный однорядный подшипник. Модифицированный контакт.. Сепаратор из латуни.. | 190.00 | 340.00 | 55.00 |
| 46238К | Шариковый радиально-упорный однорядный подшипник. «Замок» (скос) на внутреннем кольце плюс массивный сепаратор из текстолита. | 190.00 | 340.00 | 55.00 |
| 6-176238 Л | Шариковый радиально-упорный однорядный подшипник. Сепаратор из латуни.. | 190.00 | 340.00 | 55.00 |
Способы доставки
Отправка через ведущие транспортные и курьерские компании: ПЭК, Деловые Линии, СДЭК, Байкал-Сервис, Энергия, КИТ, ЖелДорЭкспедиция.
Самовывоз возможен напрямую со склада в Москве.
Сроки доставки
Срок зависит от региона и выбранной транспортной компании. Все заказы комплектуются и отправляются в кратчайшие сроки со склада в Москве.
Надёжность и сохранность
Вся продукция упаковывается с учётом требований транспортировки. Мы гарантируем, что подшипники и комплектующие прибудут к заказчику в полной сохранности.
Доставка в страны ЕАЭС
Мы работаем с проверенными логистическими партнёрами, что позволяет оперативно доставлять заказы в Беларусь, Казахстан, Армению и другие страны ЕАЭС.
Варианты оплаты:
Минимальная сумма заказа и скидки:
Документы и гарантии:
Да, конечно! Наши технические специалисты готовы помочь вам с подбором точного аналога или замены подшипника. Просто позвоните нам по телефону +7 (495) 104-99-04 или напишите на почту zakaz@podsnab.ru.
Для оперативной консультации подготовьте, пожалуйста, имеющиеся данные: маркировку, размеры, тип оборудования или артикул старого подшипника.
Да, конечно! Мы высоко ценим долгосрочное сотрудничество и доверие клиентов по всей России. Для постоянных клиентов действует персональная система скидок.
Условия формируются индивидуально и зависят от:
Чтобы узнать свои условия и получить максимально выгодное предложение, свяжитесь с персональным менеджером или напишите нам на почту zakaz@podsnab.ru.
Вы можете оформить заказ несколькими способами:
Для оформления заказа от юридического лица свяжитесь с нашим отделом по работе с корпоративными клиентами по телефону +7 (495) 104-99-04 или напишите на email zakaz@podsnab.ru, прикрепив реквизиты вашей организации.
Мы оперативно подготовим коммерческое предложение и выставим счет.
Возврат товара надлежащего качества возможен в течение 10 дней с момента получения, если товар не был в употреблении, сохранен товарный вид, упаковка не вскрывалась и присутствуют все сопроводительные документы.
Возврат денежных средств осуществляется в течение 10 рабочих дней после проверки товара складом.
В соответствии с законодательством возврату не подлежат подшипники надлежащего качества, если отсутствует оригинальная упаковка или имеются следы монтажа.
В случае выявления брака или гарантийного случая мы гарантируем возврат или обмен товара.
Да, гарантийный срок хранения устанавливается заводом-изготовителем и в среднем составляет 2 года при соблюдении условий хранения: сухое помещение, оригинальная упаковка и смазка.
Точный срок для конкретного типа подшипника уточняйте у наших менеджеров.
Пн–Пт: с 8:00 до 17:00 (МСК).
Сб–Вс: выходные дни.
Заказы на сайте принимаются круглосуточно. Заявки, поступившие после окончания рабочего дня, обрабатываются на следующий рабочий день.
Минимальная сумма заказа для доставки составляет 3000 рублей. Самовывоз со склада возможен на любую сумму при наличии товара.
ООО «УралТехГрупп»
ИНН: 7415093830
КПП: 772401001
ОГРН: 1167456069021
Банк: ПАО Сбербанк
Р/с: 40702810838000475273
К/с: 30101810400000000225
БИК: 044525225
У подшипника NJ238ECMA пока нет отзывов. Вы можете стать первым покупателем, поделившимся своим мнением.