Поиск подшипника
Статьи
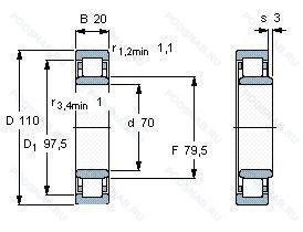
NU1014-M1-C3 — Однорядный цилиндрический роликовый подшипник, модификация основного исполнения NU1014, производство FAG.
Размер подшипника: 70x110x20 мм.
Однорядный цилиндрический роликоподшипник. Наружное кольцо подшипника имеет два борта, а внутреннее кольцо бортов не имеет, внутренний зазор больше нормального, механически обработанный латунный сепаратор. вращающийся элемент качения (крестовина на заклепках).
Альтернативное обозначение: NU1014-XL-M1-C3.
Аналоги: NU1014-XL-M1-C3 FAG.
Международная стандартизации ISO
NU1014M1C3
В наличии
| Обозначение | Конструктивные изменения |
|---|---|
| NU1014-XL-M1A-C3 | Внутренний зазор больше нормального. Серия X-Life премиум-класс. увеличиный срок службы. Массивный латунный сепаратор. двухтельный. центрированный по бортам. |
| NU1014-XL-M1 | Серия X-Life премиум-класс. увеличиный срок службы. Механически обработанный латунный сепаратор. вращающийся элемент качения (крестовина на заклепках). |
| NU1014-XL-M1-C3 | Внутренний зазор больше нормального. Серия X-Life премиум-класс. увеличиный срок службы. Механически обработанный латунный сепаратор. вращающийся элемент качения (крестовина на заклепках). |
| NU1014-M1 | Механически обработанный латунный сепаратор. вращающийся элемент качения (крестовина на заклепках). |
| NU1014ML | Механически обработанный латунный сепаратор. оконного типа. центрируемый по внутреннему или наружному кольцу в зависимости от типа подшипника. Однорядный цилиндрический роликовый подшипник. |
| NU1014-M1-F1-C4 | Внутренний зазор подшипника больше. чем C3. Механически обработанный латунный сепаратор. вращающийся элемент качения (крестовина на заклепках). Спецификация производства и контроля FAG для цилиндрических роликоподшипников в тяговых двигателях. |
| NU1014-M1-F1-J20AA-C4 | Внутренний зазор подшипника больше. чем C3. Механически обработанный латунный сепаратор. вращающийся элемент качения (крестовина на заклепках). Спецификация производства и контроля FAG для цилиндрических роликоподшипников в тяговых двигателях. Электроизоляция. наружное кольцо с керамическим покрытием. |
| NU1014-M1A-C4 | Внутренний зазор подшипника больше. чем C3. Массивный латунный сепаратор. двухтельный. центрированный по бортам. |
| NU1014-M1A-C3 | Внутренний зазор больше нормального. Массивный латунный сепаратор. двухтельный. центрированный по бортам. |
| NU1014-N-M1A-C3 | Внутренний зазор больше нормального. Канавка под стопорное кольцо на внешнем кольце. Массивный латунный сепаратор. двухтельный. центрированный по бортам. |
| NU1014-M-C3 | Внутренний зазор больше нормального. Механически обработанный латунный сепаратор .Расположенный на элементах качения. |
| NU1014C3 | Внутренний зазор больше нормального. |
| NU1014M.P6 | Механически обработанный латунный сепаратор .Расположенный на элементах качения. Размерные и геометрические допуски соответствуют классу точности P6. |
| NU1014-XL-N-M1A-C3 | Внутренний зазор больше нормального. Серия X-Life премиум-класс. увеличиный срок службы. Канавка под стопорное кольцо на внешнем кольце. Массивный латунный сепаратор. двухтельный. центрированный по бортам. |
| NU1014-XL-M1-F1-J20AA-C4 | Внутренний зазор подшипника больше. чем C3. Серия X-Life премиум-класс. увеличиный срок службы. Механически обработанный латунный сепаратор. вращающийся элемент качения (крестовина на заклепках). Спецификация производства и контроля FAG для цилиндрических роликоподшипников в тяговых двигателях. Электроизоляция. наружное кольцо с керамическим покрытием. |
| NU1014-M1-F1-C4-M15CS-M32AX | Внутренний зазор подшипника больше. чем C3. Механически обработанный латунный сепаратор. вращающийся элемент качения (крестовина на заклепках). Спецификация производства и контроля FAG для цилиндрических роликоподшипников в тяговых двигателях. Измерительный отчет. показывающий фактические значения различных количеств. Продукция с протоколом приемочных испытаний согласно EN10204-3.1B. |
| NU1014-M1-C4 | Внутренний зазор подшипника больше. чем C3. Механически обработанный латунный сепаратор. вращающийся элемент качения (крестовина на заклепках). |
| NU1014ECM/C3VL0241 | Внутренний зазор больше нормального. Механически обработанный латунный сепаратор. клёпаный. центрируемый по роликам. Оптимизированная внутренняя конструкция предусматривает увеличенное количество роликов и/или ролики большего размера с улучшенными условиями контакта торцов роликов с бортами внутреннего кольца. Электрическое сопротивление/мин. 50 МОм. Напряжение пробоя/Макс. Рабочее напряжение 1000 В постоянного тока. Однорядный цилиндрический роликовый подшипник. |
| NU1014ECP/C3VL0241 | Внутренний зазор больше нормального. Оптимизированная внутренняя конструкция предусматривает увеличенное количество роликов и/или ролики большего размера с улучшенными условиями контакта торцов роликов с бортами внутреннего кольца. Сепаратор из стеклонаполненного полиамида PA66. центрируемый по роликам. Электрическое сопротивление/мин. 50 МОм. Напряжение пробоя/Макс. Рабочее напряжение 1000 В постоянного тока. Однорядный цилиндрический роликовый подшипник. |
| NU1014-M1A | Массивный латунный сепаратор. двухтельный. центрированный по бортам. |
| NU1014-XL-M1A | Серия X-Life премиум-класс. увеличиный срок службы. Массивный латунный сепаратор. двухтельный. центрированный по бортам. |
| NU1014-XL-M1-F1-C4-M15CS-32AX | Внутренний зазор подшипника больше. чем C3. Серия X-Life премиум-класс. увеличиный срок службы. Механически обработанный латунный сепаратор. вращающийся элемент качения (крестовина на заклепках). Подшипники качения для тяговых двигателей. Измерительный отчет. показывающий фактические значения различных количеств. |
| NU1014ECP/HC5C3 | Однорядный цилиндрический роликовый подшипник. |
| NU1014-E-MPA | Повышенная грузоподъемность. Твердый латунный сепаратор. |
| NU1014-E-M6 | Повышенная грузоподъемность. 20-28 UM (C3 & C4). |
Модификации цилиндрического роликового подшипника NU1014-M1-C3 — это измененное основное конструктивное исполнение NU1014, основные размеры (70x110x20) не отличаются.
| Обозначение | Гост | Конструктивные особенности |
|---|---|---|
| NJ1014 | ISO | Штампованный сепаратор из стального листа. Канавка под стопорное кольцо на наружном кольце подшипника. Однорядный цилиндрический роликовый подшипник. Наружное кольцо имеет два борта. |
| NJ1014M | ISO | Подшипник с латунным сепаратором. центрированный по телам качения. |
| NJ1014-XL-M1A | ISO | Серия X-Life премиум-класс. увеличиный срок службы. Массивный латунный сепаратор. двухтельный. центрированный по бортам. |
| HCN1014-K-PVPA-SP | ISO | Коническое отверстие. конус 1/12. Подшипник супер точный. Solid PEEK Cage (Polyether Ether Ketone). Outer Ring Guidance. |
| HCN1014K.M1.SP | ISO | Коническое отверстие. конус 1/12. Механически обработанный латунный сепаратор. вращающийся элемент качения (крестовина на заклепках). Подшипник супер точный. |
| NJ1014M1A | ISO | Массивный латунный сепаратор. двухтельный. центрированный по бортам. |
| N1014RSTPCCG8P4 | ISO | Rings Are Made Of Bearing Steel (SUJ2). Rolling Element Are Made Of Bearing Steel (SUJ2). Класс точности Р4 по ISO (точнее. чем P5) - Abec.7. Outer Ring Guided PEEK Resin Cage. Для невзаимозаменяемых цилиндрических роликоподшипников. Специальный радиальный зазор в микронах. |
| N1014-K-PVPA1-SP | ISO | Коническое отверстие. конус 1/12. Подшипник супер точный. Сепаратор PEEK. направляемый с одной стороны. |
| N1014-D-K-TVP-SP-XL | ISO | Подшипники с модифицированной внутренней конструкцией и суффиксом D не имеют смазочного отверстия или смазочной канавки в стандартной комплектации. Коническое отверстие. конус 1/12. Серия X-Life премиум-класс. увеличиный срок службы. Формованный полиамидный сепаратор оконного типа. Роликовые тела качения. Подшипник супер точный. |
| N1014-D-TVP-SP-XL | ISO | Подшипники с модифицированной внутренней конструкцией и суффиксом D не имеют смазочного отверстия или смазочной канавки в стандартной комплектации. Серия X-Life премиум-класс. увеличиный срок службы. Формованный полиамидный сепаратор оконного типа. Роликовые тела качения. Подшипник супер точный. |
| N1014-K-PVPA-SP | ISO | Коническое отверстие. конус 1/12. Подшипник супер точный. Solid PEEK Cage (Polyether Ether Ketone). Outer Ring Guidance. |
| N1014MRKRCC9P4 | ISO | Класс точности Р4 по ISO (точнее. чем P5) - Abec.7. Коническое отверстие. Обработанный латунный сепаратор с роликовыми направляющими. Clearance CC9 Is Applicable To Cylindrical Roller Bearings With Tapered Bores In ISO Tolerance Classes 5 And 4. |
| N1014-D-K-TVP-SP-T50EC-XL-C2 | ISO | Подшипники с модифицированной внутренней конструкцией и суффиксом D не имеют смазочного отверстия или смазочной канавки в стандартной комплектации. Коническое отверстие. конус 1/12. Внутренний зазор подшипника меньше нормального. Серия X-Life премиум-класс. увеличиный срок службы. Формованный полиамидный сепаратор оконного типа. Роликовые тела качения. Подшипник супер точный. |
| N1014-K-TR-PVPA1-SP | ISO | Коническое отверстие. конус 1/12. Подшипник супер точный. Thermally Robust Design. Сепаратор PEEK. направляемый с одной стороны. |
| N1014KPHA/SP | ISO | Коническое отверстие. конус 1/12. Точность размеров примерно соответствует классу точности Р5. биения — классу точности Р4. Однорядный цилиндрический роликовый подшипник. Армированный стекловолокном сепаратор PEEK. Внешнее кольцо центрировано. |
| N1014KTN/SP | ISO | Коническое отверстие. конус 1/12. Пластиковый сепаратор. отлитый под давлением. Альтернативные конструкции и/или материалы обозначаются добавленной цифрой. Точность размеров примерно соответствует классу точности Р5. биения — классу точности Р4. Однорядный цилиндрический роликовый подшипник. |
Аналог цилиндрического роликового подшипника NU1014-M1-C3 — это подшипник такого же размера dx70,Dx110,Bx20, типа и конструкции.
| Обозначение | Конструктивные особенности | Внутренний (d) | Наружный (D) | Ширина (B) |
|---|---|---|---|---|
| 46114-АЛ | Шариковый радиально-упорный однорядный подшипник. Сепаратор из латуни.. Повышенная грузоподъемность. | 70.00 | 110.00 | 20.00 |
| 46114-КЕ | Шариковый радиально-упорный однорядный подшипник. «Замок» (скос) на внутреннем кольце плюс массивный сепаратор из текстолита. Сепаратор из текстолита.. | 70.00 | 110.00 | 20.00 |
| 46114-Л | Шариковый радиально-упорный однорядный подшипник. Сепаратор из латуни.. | 70.00 | 110.00 | 20.00 |
| 46114К | Шариковый радиально-упорный однорядный подшипник. «Замок» (скос) на внутреннем кольце плюс массивный сепаратор из текстолита. | 70.00 | 110.00 | 20.00 |
| 5-114 А | Шариковый радиальный однорядный подшипник. Повышенная грузоподъемность. | 70.00 | 110.00 | 20.00 |
| 5-32114 Б1Т | Роликовый радиальный однорядный подшипник. Температура отпуска. 160°. Сепаратор из безоловянистой бронзы.. | 70.00 | 110.00 | 20.00 |
| 5-32114 Р | Роликовый радиальный однорядный подшипник. Детали из теплоустойчивой (быстрорежущие) стали.. | 70.00 | 110.00 | 20.00 |
| 5-36114 К | Шариковый радиально-упорный однорядный подшипник. «Замок» (скос) на внутреннем кольце плюс массивный сепаратор из текстолита. | 70.00 | 110.00 | 20.00 |
| 5-46114 К | Шариковый радиально-упорный однорядный подшипник. «Замок» (скос) на внутреннем кольце плюс массивный сепаратор из текстолита. | 70.00 | 110.00 | 20.00 |
| 5-46114 Л | Шариковый радиально-упорный однорядный подшипник. Сепаратор из латуни.. | 70.00 | 110.00 | 20.00 |
| 55-32114 Б1Т | Роликовый радиальный однорядный подшипник. Температура отпуска. 160°. Сепаратор из безоловянистой бронзы.. | 70.00 | 110.00 | 20.00 |
| 6-114 А | Шариковый радиальный однорядный подшипник. Повышенная грузоподъемность. | 70.00 | 110.00 | 20.00 |
| 6-114 Е5 | Шариковый радиальный однорядный подшипник. Сепаратор из текстолита.. | 70.00 | 110.00 | 20.00 |
| 6-180114 АС17 | Шариковый радиальный однорядный подшипник. Смазка Литол-24. Повышенная грузоподъемность. | 70.00 | 110.00 | 20.00 |
| 6-180114 С17 | Шариковый радиальный однорядный подшипник. Смазка Литол-24. | 70.00 | 110.00 | 20.00 |
Способы доставки
Отправка через ведущие транспортные и курьерские компании: ПЭК, Деловые Линии, СДЭК, Байкал-Сервис, Энергия, КИТ, ЖелДорЭкспедиция.
Самовывоз возможен напрямую со склада в Москве.
Сроки доставки
Срок зависит от региона и выбранной транспортной компании. Все заказы комплектуются и отправляются в кратчайшие сроки со склада в Москве.
Надёжность и сохранность
Вся продукция упаковывается с учётом требований транспортировки. Мы гарантируем, что подшипники и комплектующие прибудут к заказчику в полной сохранности.
Доставка в страны ЕАЭС
Мы работаем с проверенными логистическими партнёрами, что позволяет оперативно доставлять заказы в Беларусь, Казахстан, Армению и другие страны ЕАЭС.
Варианты оплаты:
Минимальная сумма заказа и скидки:
Документы и гарантии:
Да, конечно! Наши технические специалисты готовы помочь вам с подбором точного аналога или замены подшипника. Просто позвоните нам по телефону +7 (495) 104-99-04 или напишите на почту zakaz@podsnab.ru.
Для оперативной консультации подготовьте, пожалуйста, имеющиеся данные: маркировку, размеры, тип оборудования или артикул старого подшипника.
Да, конечно! Мы высоко ценим долгосрочное сотрудничество и доверие клиентов по всей России. Для постоянных клиентов действует персональная система скидок.
Условия формируются индивидуально и зависят от:
Чтобы узнать свои условия и получить максимально выгодное предложение, свяжитесь с персональным менеджером или напишите нам на почту zakaz@podsnab.ru.
Вы можете оформить заказ несколькими способами:
Для оформления заказа от юридического лица свяжитесь с нашим отделом по работе с корпоративными клиентами по телефону +7 (495) 104-99-04 или напишите на email zakaz@podsnab.ru, прикрепив реквизиты вашей организации.
Мы оперативно подготовим коммерческое предложение и выставим счет.
Возврат товара надлежащего качества возможен в течение 10 дней с момента получения, если товар не был в употреблении, сохранен товарный вид, упаковка не вскрывалась и присутствуют все сопроводительные документы.
Возврат денежных средств осуществляется в течение 10 рабочих дней после проверки товара складом.
В соответствии с законодательством возврату не подлежат подшипники надлежащего качества, если отсутствует оригинальная упаковка или имеются следы монтажа.
В случае выявления брака или гарантийного случая мы гарантируем возврат или обмен товара.
Да, гарантийный срок хранения устанавливается заводом-изготовителем и в среднем составляет 2 года при соблюдении условий хранения: сухое помещение, оригинальная упаковка и смазка.
Точный срок для конкретного типа подшипника уточняйте у наших менеджеров.
Пн–Пт: с 8:00 до 17:00 (МСК).
Сб–Вс: выходные дни.
Заказы на сайте принимаются круглосуточно. Заявки, поступившие после окончания рабочего дня, обрабатываются на следующий рабочий день.
Минимальная сумма заказа для доставки составляет 3000 рублей. Самовывоз со склада возможен на любую сумму при наличии товара.
ООО «УралТехГрупп»
ИНН: 7415093830
КПП: 772401001
ОГРН: 1167456069021
Банк: ПАО Сбербанк
Р/с: 40702810838000475273
К/с: 30101810400000000225
БИК: 044525225
У подшипника NU1014-M1-C3 пока нет отзывов. Вы можете стать первым покупателем, поделившимся своим мнением.