Поиск подшипника
Статьи
NU2238-E-M1-C3 — Однорядный цилиндрический роликовый подшипник, модификация основного исполнения NU2238, производство FAG.
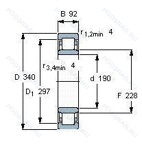
Размер подшипника: 190x340x92 мм.
Однорядный цилиндрический роликоподшипник. Наружное кольцо подшипника имеет два борта, а внутреннее кольцо бортов не имеет, внутренний зазор больше нормального, механически обработанный латунный сепаратор. вращающийся элемент качения (крестовина на заклепках), повышенная грузоподъемность.
Аналоги: NU2238ECM/C3 SKF,NU2238E G1 C3 NTN.
Международная стандартизации ISO
NU2238EM1C3
В наличии
| Обозначение | Конструктивные изменения |
|---|---|
| NU2238EM | Стандартный фланцевый ( с резьбой и сквозным отверстием). |
| NU2238E G1 C3 | Внутренний зазор больше нормального. Повышенная грузоподъемность. Обработанный латунный сепаратор для цилиндрических роликоподшипников. |
| NU2238EMC3U303 | Внутренний зазор больше нормального. Повышенная грузоподъемность. Механически обработанный латунный сепаратор .Расположенный на элементах качения. Код U303 в артикуле подшипника NSK показывает. что он был специально разработан и произведен для использования в ветроэнергетике. Эти подшипники для ветряных турбин изготовлены из высококлассной высокочистой подшипниковой стали и специальных сталей. используемых исключительно компанией NSK. Они также собираются на отдельных производственных участках и подлежат специальной упаковке. что предотвращает загрязнение.. |
| NU2238-E-M1 | Повышенная грузоподъемность. Механически обработанный латунный сепаратор. вращающийся элемент качения (крестовина на заклепках). |
| NU2238ECMA | Изготовленный из двух частей латунный сепаратор. внешнее кольцо по центру. Оптимизированная внутренняя конструкция предусматривает увеличенное количество роликов и/или ролики большего размера с улучшенными условиями контакта торцов роликов с бортами внутреннего кольца. Однорядный цилиндрический роликовый подшипник. |
| NU2238ECMA/C3 | Внутренний зазор больше нормального. Изготовленный из двух частей латунный сепаратор. внешнее кольцо по центру. Оптимизированная внутренняя конструкция предусматривает увеличенное количество роликов и/или ролики большего размера с улучшенными условиями контакта торцов роликов с бортами внутреннего кольца. |
| NU2238ECM/C3 | Внутренний зазор больше нормального. Механически обработанный латунный сепаратор. клёпаный. центрируемый по роликам. Оптимизированная внутренняя конструкция предусматривает увеличенное количество роликов и/или ролики большего размера с улучшенными условиями контакта торцов роликов с бортами внутреннего кольца. |
| NU2238M | Механически обработанный латунный сепаратор .Расположенный на элементах качения. |
| NU2238-E-M1-J30PC-C3 | Внутренний зазор больше нормального. Повышенная грузоподъемность. Механически обработанный латунный сепаратор. вращающийся элемент качения (крестовина на заклепках). Кольца и тела качения с черным оксидным покрытием. |
| NU2238EMA | Конструкция с увеличенной грузоподьемностью. Механически обработанный латунный сепаратор. Центрирование по внешнему кольцу. |
| NU2238-E-M6-C3 | Внутренний зазор больше нормального. Увеличенная грузоподъёмность. Цельный латунный сепаратор с роликовыми направляющими для цилиндрических роликоподшипников. |
| NU2238EM C3 | Внутренний зазор больше нормального. Стандартный фланцевый ( с резьбой и сквозным отверстием). |
| NU2238-E-M1A | Повышенная грузоподъемность. Массивный латунный сепаратор. двухтельный. центрированный по бортам. |
| NU2238-E-XL-MPAX-J30PC-C3 | Внутренний зазор больше нормального. Повышенная грузоподъемность. Серия X-Life премиум-класс. увеличиный срок службы. Ребристый однокомпонентный цельнолатунный сепаратор является дальнейшим развитием сепараторов FAG типов MPA и MP1A и будет последовательно заменять эти типы. Он обладает большей прочностью по отношению к ударным нагрузкам и вибрациям. чем его предшественники. и особенно хорошо подходит для применения в условиях высоких нагрузок. Кольца и тела качения с черным оксидным покрытием. |
| NU2238-E-M1-R170-195NA | Повышенная грузоподъемность. Механически обработанный латунный сепаратор. вращающийся элемент качения (крестовина на заклепках). Нет особого значения для цилиндрического подшипника. Radial Clearance In μm. |
| NU2238-E-M1A-J30PC-C3 | Внутренний зазор больше нормального. Повышенная грузоподъемность. Массивный латунный сепаратор. двухтельный. центрированный по бортам. Кольца и тела качения с черным оксидным покрытием. |
| NU2238-E-M1A-J30PC | Повышенная грузоподъемность. Массивный латунный сепаратор. двухтельный. центрированный по бортам. Кольца и тела качения с черным оксидным покрытием. |
| NU2238MA C3 | Внутренний зазор больше нормального. Механически обработанный латунный сепаратор. Центрирование по внешнему кольцу. |
| NU2238M C3 | Внутренний зазор больше нормального. Механически обработанный латунный сепаратор .Расположенный на элементах качения. |
| NU2238ECM | Механически обработанный латунный сепаратор. клёпаный. центрируемый по роликам. Оптимизированная внутренняя конструкция предусматривает увеличенное количество роликов и/или ролики большего размера с улучшенными условиями контакта торцов роликов с бортами внутреннего кольца. Однорядный цилиндрический роликовый подшипник. |
| NU2238E | Повышенная грузоподъемность. |
| NU2238R | С выпуклыми асимметричными роликами и обработанным сепаратором. |
| NU2238-E-MPA | Повышенная грузоподъемность. Твердый латунный сепаратор. |
| NU2238-E-MA6 | Повышенная грузоподъемность. Изготовленный из двух частей латунный сепаратор. Центрирование по внешнему кольцу. Различные конструкции или сорта материалов обозначаются цифрой или буквой.. |
| NU2238-E-M6 | Повышенная грузоподъемность. 20-28 UM (C3 & C4). |
Модификации цилиндрического роликового подшипника NU2238-E-M1-C3 — это измененное основное конструктивное исполнение NU2238, основные размеры (190x340x92) не отличаются.
| Обозначение | Гост | Конструктивные особенности |
|---|---|---|
| NJ2238-E-M1 | ISO | Повышенная грузоподъемность. Механически обработанный латунный сепаратор. вращающийся элемент качения (крестовина на заклепках). |
| SL182238-TB-XL-BR | ISO | Серия X-Life премиум-класс. увеличиный срок службы. Обработанный латунный сепаратор. Textite (Fabric-Reinforced Phenolic Resin) Cage Guided On The Inner Ring. |
| SL182238-TB-XL-C3 | ISO | Внутренний зазор больше нормального. Серия X-Life премиум-класс. увеличиный срок службы. Textite (Fabric-Reinforced Phenolic Resin) Cage Guided On The Inner Ring. |
| SL182238-XL-BR | ISO | Серия X-Life премиум-класс. увеличиный срок службы. Чёрный цвет. |
| SL182238-TB-XL | ISO | Серия X-Life премиум-класс. увеличиный срок службы. Textite (Fabric-Reinforced Phenolic Resin) Cage Guided On The Inner Ring. |
| RNU2238M | ISO | Механически обработанный латунный сепаратор .Расположенный на элементах качения. |
| NJ2238-E-M1-J30PC-C3 | ISO | Внутренний зазор больше нормального. Повышенная грузоподъемность. Механически обработанный латунный сепаратор. вращающийся элемент качения (крестовина на заклепках). Кольца и тела качения с черным оксидным покрытием. |
| 566170K.C5.W209B | ISO | Коническое отверстие. конус 1/12. Внутренний зазор подшипника больше. чем С4. Закаленное внутреннее кольцо. |
| SL182238-XL-BR-C3 | ISO | Внутренний зазор больше нормального. Серия X-Life премиум-класс. увеличиный срок службы. Чёрный цвет. |
| NCF2238CV | ISO | Внутренние изменения в конструкции. Полноразмерный цилиндрический роликоподшипник с модифицированной внутренней конструкцией. |
| NJ2238-E-MPAX-C3 | ISO | Внутренний зазор больше нормального. Повышенная грузоподъемность. Ребристый однокомпонентный цельнолатунный сепаратор является дальнейшим развитием сепараторов FAG типов MPA и MP1A и будет последовательно заменять эти типы. Он обладает большей прочностью по отношению к ударным нагрузкам и вибрациям. чем его предшественники. и особенно хорошо подходит для применения в условиях высоких нагрузок. |
| SL182238-BR-A | ISO | Особенность внутренней конструкции. Чёрный цвет. |
| SL182238-BR-XL | ISO | Серия X-Life премиум-класс. увеличиный срок службы. Чёрный цвет. |
| NJ2238-E-MPAX-J30PC-C3 | ISO | Внутренний зазор больше нормального. Повышенная грузоподъемность. Ребристый однокомпонентный цельнолатунный сепаратор является дальнейшим развитием сепараторов FAG типов MPA и MP1A и будет последовательно заменять эти типы. Он обладает большей прочностью по отношению к ударным нагрузкам и вибрациям. чем его предшественники. и особенно хорошо подходит для применения в условиях высоких нагрузок. Кольца и тела качения с черным оксидным покрытием. |
| SL182238-A | ISO | Особенность внутренней конструкции. |
| NJ2238-E-M1-C3 | ISO | Внутренний зазор больше нормального. Повышенная грузоподъемность. Механически обработанный латунный сепаратор. вращающийся элемент качения (крестовина на заклепках). |
| NCF2238-V-C3-SQ94D | ISO | Внутренний зазор больше нормального. Подшипник без сепаратора. С полным комплектом тел качения. Чёрный цвет. |
| SL182238-TB-XL-BR-C3 | ISO | Внутренний зазор больше нормального. Серия X-Life премиум-класс. увеличиный срок службы. Чёрный цвет. Подшипник с увеличенной осевой груподъемностью. |
| NJ2238E MA C3 | ISO | Внутренний зазор больше нормального. Конструкция с увеличенной грузоподьемностью. Механически обработанный латунный сепаратор. Центрирование по внешнему кольцу. |
| NJ2238E MA | ISO | Конструкция с увеличенной грузоподьемностью. Механически обработанный латунный сепаратор. Центрирование по внешнему кольцу. |
Аналог цилиндрического роликового подшипника NU2238-E-M1-C3 — это подшипник такого же размера dx190,Dx340,Bx92, типа и конструкции.
| Обозначение | Конструктивные особенности | Внутренний (d) | Наружный (D) | Ширина (B) |
|---|---|---|---|---|
| NH2238 | Роликовый радиальный однорядный подшипник. Канавка под стопорное кольцо на наружном кольце подшипника. | 190.00 | 340.00 | 92.00 |
| NJ2238R | Роликовый радиальный однорядный подшипник. С выпуклыми асимметричными роликами и обработанным сепаратором. | 190.00 | 340.00 | 92.00 |
| NUP2238R | Роликовый радиальный цилиндрический однорядный подшипник. С выпуклыми асимметричными роликами и обработанным сепаратором. | 190.00 | 340.00 | 92.00 |
| 22238E | Роликовый радиальный сферический двухрядный подшипник. Повышенная грузоподъемность. | 190.00 | 340.00 | 92.00 |
| 22238EK | Роликовый радиальный сферический двухрядный подшипник. | 190.00 | 340.00 | 92.00 |
| NJ2238-E-MA6 | Роликовый радиальный однорядный подшипник. Повышенная грузоподъемность. Изготовленный из двух частей латунный сепаратор. Центрирование по внешнему кольцу. Различные конструкции или сорта материалов обозначаются цифрой или буквой.. | 190.00 | 340.00 | 92.00 |
| NJ2238-E-M6+HJ2238-E | Роликовый радиальный однорядный подшипник. Повышенная грузоподъемность. 20-28 UM (C3 & C4). | 190.00 | 340.00 | 92.00 |
| NJ2238-E-M6 | Роликовый радиальный однорядный подшипник. Повышенная грузоподъемность. 20-28 UM (C3 & C4). | 190.00 | 340.00 | 92.00 |
| NJ2238-E-MPA | Роликовый радиальный однорядный подшипник. Повышенная грузоподъемность. Твердый латунный сепаратор. | 190.00 | 340.00 | 92.00 |
| NJ2238-E-MA6+HJ2238-E | Роликовый радиальный однорядный подшипник. Повышенная грузоподъемность. Изготовленный из двух частей латунный сепаратор. Центрирование по внешнему кольцу. Различные конструкции или сорта материалов обозначаются цифрой или буквой.. | 190.00 | 340.00 | 92.00 |
| NJ2238-E-MPA+HJ2238-E | Роликовый радиальный однорядный подшипник. Повышенная грузоподъемность. Твердый латунный сепаратор. | 190.00 | 340.00 | 92.00 |
| NJ2238 M | Роликовый радиальный однорядный подшипник. Подшипник с латунным сепаратором. центрированный по телам качения. | 190.00 | 340.00 | 92.00 |
| 7538A | Роликовый радиальный-упорный однорядный подшипник. Двухрядный радиально-упорный шарикоподшипник без отверстия для смазки. | 190.00 | 340.00 | 92.00 |
| NU 2238 ECML | Роликовый радиальный однорядный подшипник. Однорядный цилиндрический роликовый подшипник. | 190.00 | 340.00 | 92.00 |
| 53538Н | Роликовый радиальный двухрядный подшипник. Детали из теплостойкой стали. | 190.00 | 340.00 | 92.00 |
Способы доставки
Отправка через ведущие транспортные и курьерские компании: ПЭК, Деловые Линии, СДЭК, Байкал-Сервис, Энергия, КИТ, ЖелДорЭкспедиция.
Самовывоз возможен напрямую со склада в Москве.
Сроки доставки
Срок зависит от региона и выбранной транспортной компании. Все заказы комплектуются и отправляются в кратчайшие сроки со склада в Москве.
Надёжность и сохранность
Вся продукция упаковывается с учётом требований транспортировки. Мы гарантируем, что подшипники и комплектующие прибудут к заказчику в полной сохранности.
Доставка в страны ЕАЭС
Мы работаем с проверенными логистическими партнёрами, что позволяет оперативно доставлять заказы в Беларусь, Казахстан, Армению и другие страны ЕАЭС.
Варианты оплаты:
Минимальная сумма заказа и скидки:
Документы и гарантии:
Да, конечно! Наши технические специалисты готовы помочь вам с подбором точного аналога или замены подшипника. Просто позвоните нам по телефону +7 (495) 104-99-04 или напишите на почту zakaz@podsnab.ru.
Для оперативной консультации подготовьте, пожалуйста, имеющиеся данные: маркировку, размеры, тип оборудования или артикул старого подшипника.
Да, конечно! Мы высоко ценим долгосрочное сотрудничество и доверие клиентов по всей России. Для постоянных клиентов действует персональная система скидок.
Условия формируются индивидуально и зависят от:
Чтобы узнать свои условия и получить максимально выгодное предложение, свяжитесь с персональным менеджером или напишите нам на почту zakaz@podsnab.ru.
Вы можете оформить заказ несколькими способами:
Для оформления заказа от юридического лица свяжитесь с нашим отделом по работе с корпоративными клиентами по телефону +7 (495) 104-99-04 или напишите на email zakaz@podsnab.ru, прикрепив реквизиты вашей организации.
Мы оперативно подготовим коммерческое предложение и выставим счет.
Возврат товара надлежащего качества возможен в течение 10 дней с момента получения, если товар не был в употреблении, сохранен товарный вид, упаковка не вскрывалась и присутствуют все сопроводительные документы.
Возврат денежных средств осуществляется в течение 10 рабочих дней после проверки товара складом.
В соответствии с законодательством возврату не подлежат подшипники надлежащего качества, если отсутствует оригинальная упаковка или имеются следы монтажа.
В случае выявления брака или гарантийного случая мы гарантируем возврат или обмен товара.
Да, гарантийный срок хранения устанавливается заводом-изготовителем и в среднем составляет 2 года при соблюдении условий хранения: сухое помещение, оригинальная упаковка и смазка.
Точный срок для конкретного типа подшипника уточняйте у наших менеджеров.
Пн–Пт: с 8:00 до 17:00 (МСК).
Сб–Вс: выходные дни.
Заказы на сайте принимаются круглосуточно. Заявки, поступившие после окончания рабочего дня, обрабатываются на следующий рабочий день.
Минимальная сумма заказа для доставки составляет 3000 рублей. Самовывоз со склада возможен на любую сумму при наличии товара.
ООО «УралТехГрупп»
ИНН: 7415093830
КПП: 772401001
ОГРН: 1167456069021
Банк: ПАО Сбербанк
Р/с: 40702810838000475273
К/с: 30101810400000000225
БИК: 044525225
У подшипника NU2238-E-M1-C3 пока нет отзывов. Вы можете стать первым покупателем, поделившимся своим мнением.