Поиск подшипника
Статьи
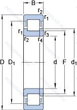
NUP307ECM — Однорядный цилиндрический роликовый подшипник, модификация основного исполнения NUP307, производство SKF.
Размер подшипника: 35x80x21 мм.
Однорядный цилиндрический роликоподшипник. Наружное кольцо имеет два борта, внутреннее — один борт и одно свободное фланцевое кольцо. Основные размеры по DIN 5412-1, относится к подтипу фиксированные подшипники, разъемные, с сепаратором, оптимизированная внутренняя конструкция предусматривает увеличенное количество роликов и/или ролики большего размера с улучшенными условиями контакта торцов роликов с бортами внутреннего кольца, механически обработанный латунный сепаратор. клёпаный. центрируемый по роликам.
Международная стандартизации ISO
NUP307ECM
В наличии
| Обозначение | Конструктивные изменения |
|---|---|
| NUP307-E-XL-TVP2-C3 | Внутренний зазор больше нормального. Повышенная грузоподъемность. Серия X-Life премиум-класс. увеличиный срок службы. Cепаратор изготовленный из полиамида PA66. армированного стекловолокном. |
| NUP307-E-XL-TVP2 | Повышенная грузоподъемность. Серия X-Life премиум-класс. увеличиный срок службы. Cепаратор изготовленный из полиамида PA66. армированного стекловолокном. |
| NUP307-E-TVP2 | Повышенная грузоподъемность. Cепаратор изготовленный из полиамида PA66. армированного стекловолокном. |
| NUP307C2 | Внутренний зазор подшипника меньше нормального. |
| NUP307-E-TVP2-C3 | Внутренний зазор больше нормального. Повышенная грузоподъемность. Cепаратор изготовленный из полиамида PA66. армированного стекловолокном. |
| NUP307ECP | Оптимизированная внутренняя конструкция предусматривает увеличенное количество роликов и/или ролики большего размера с улучшенными условиями контакта торцов роликов с бортами внутреннего кольца. Сепаратор из стеклонаполненного полиамида PA66. центрируемый по роликам. Однорядный цилиндрический роликовый подшипник. |
| NUP307-E-M1-C3 | Внутренний зазор больше нормального. Повышенная грузоподъемность. Механически обработанный латунный сепаратор. вращающийся элемент качения (крестовина на заклепках). |
| NUP307E C3 | Внутренний зазор больше нормального. Повышенная грузоподъемность. |
| NUP307-E-TVP3 | Повышенная грузоподъемность. Цельный сепаратор из полиамида PA66-GF25. сепаратор оконного типа. направляемый телами качения. |
| NUP307-E-TVP3-C3 | Внутренний зазор больше нормального. Увеличенная грузоподъёмность. Цельный сепаратор из полиамида PA66-GF25. сепаратор оконного типа. направляемый телами качения. |
| NUP307ET | Сквозная закалка и шлифовка стали с переломом в одной точке. |
| NUP307-E-XL-M1 | Повышенная грузоподъемность. Серия X-Life премиум-класс. увеличиный срок службы. Механически обработанный латунный сепаратор. вращающийся элемент качения (крестовина на заклепках). |
| NUP307W C3 | Внутренний зазор больше нормального. Цельный прессованный сепаратор. |
| NUP307W | Цельный прессованный сепаратор. |
| NUP307E.M1 | Повышенная грузоподъемность. Механически обработанный латунный сепаратор. вращающийся элемент качения (крестовина на заклепках). |
| NUP307ECNRP | Канавка под стопорное кольцо на наружном кольце с соответствующим стопорным кольцом. Оптимизированная внутренняя конструкция предусматривает увеличенное количество роликов и/или ролики большего размера с улучшенными условиями контакта торцов роликов с бортами внутреннего кольца. Сепаратор из стеклонаполненного полиамида PA66. центрируемый по роликам. |
| NUP307E G15 | Повышенная грузоподъемность. Литой сепаратор из полиамида 6.6. армированного стекловолокном. Элемент качения по центру. |
| NUP307ET2XU | Повышенная грузоподъемность. Одно ребро. Одно стопорное кольцо в наружном кольце. Полиамидный сепаратор 4.6 для цилиндрических роликоподшипников. |
| NUP307ET2X | Повышенная грузоподъемность. Полиамидный сепаратор 4.6 для цилиндрических роликоподшипников. |
| NUP307-E-XL-JP1 | Повышенная грузоподъемность. Серия X-Life премиум-класс. увеличиный срок службы. Прессованный сепаратор из листового металла. |
| NUP307-E-MPA | Повышенная грузоподъемность. Твердый латунный сепаратор. |
| NUP307EM | Стандартный фланцевый ( с резьбой и сквозным отверстием). |
| NUP307EJ | Land-Riding Steel Cage_ One Per Row. |
| NUP307E.TVP | Повышенная грузоподъемность. Molded Snap-Type Cage Of Glass Fibre Reinforced Polyamide. Rolling Element Riding. |
| NUP307R | С выпуклыми асимметричными роликами и обработанным сепаратором. |
Модификации цилиндрического роликового подшипника NUP307ECM — это измененное основное конструктивное исполнение NUP307, основные размеры (35x80x21) не отличаются.
| Обозначение | Гост | Конструктивные особенности |
|---|---|---|
| NJ307E MA | ISO | Повышенная грузоподъемность. Механически обработанный латунный сепаратор. Центрирование по внешнему кольцу. |
| N307ECP/C3 | ISO | Внутренний зазор больше нормального. Оптимизированная внутренняя конструкция предусматривает увеличенное количество роликов и/или ролики большего размера с улучшенными условиями контакта торцов роликов с бортами внутреннего кольца. Сепаратор из стеклонаполненного полиамида PA66. центрируемый по роликам. |
| NJ307E G15 J30 | ISO | Повышенная грузоподъемность. Внутренний зазор больше нормального. Литой сепаратор из полиамида 6.6. армированного стекловолокном. Элемент качения по центру. |
| N.307.E.G15 | ISO | Повышенная грузоподъемность. Литой сепаратор из полиамида 6.6. армированного стекловолокном. Элемент качения по центру. |
| NU307E G15 | ISO | Повышенная грузоподъемность. Литой сепаратор из полиамида 6.6. армированного стекловолокном. Элемент качения по центру. |
| NU307E G15 J30 | ISO | Повышенная грузоподъемность. Внутренний зазор больше нормального. Литой сепаратор из полиамида 6.6. армированного стекловолокном. Элемент качения по центру. |
| NU307C3 NA | ISO | Внутренний зазор больше нормального. Радиальный зазор для подшипников с невзаимозаменяемыми кольцами (Обозначает всегда после символа радиального зазора. например. NU215P63 NA). |
| NJ307EG | ISO | Игольчатые сепараторы для шатунов двигателей. |
| NU307EG1C3 | ISO | Внутренний зазор больше нормального. Повышенная грузоподъемность. Обработанный латунный сепаратор для цилиндрических роликоподшипников. |
| NU307G1C3 | ISO | Внутренний зазор больше нормального. Обработанный латунный сепаратор для цилиндрических роликоподшипников. |
| NF307ET | ISO | Сквозная закалка и шлифовка стали с переломом в одной точке. |
| NU307G1 CM | ISO | Обработанный латунный сепаратор для цилиндрических роликоподшипников. Специальный радиальный внутренний зазор для электродвигателей. |
| NU307R | ISO | Повышенная грузоподъемность по сравнению со стандартной серией. Различная внутренняя конструкция. |
| NF307M C3 | ISO | Внутренний зазор больше нормального. Механически обработанный латунный сепаратор .Расположенный на элементах качения. |
| N307-E-TVP-C3 | ISO | Внутренний зазор больше нормального. Увеличенная грузоподъёмность. Формованный полиамидный сепаратор оконного типа. Роликовые тела качения. |
| N307-E-TVP | ISO | Увеличенная грузоподъёмность. Формованный полиамидный сепаратор оконного типа. Роликовые тела качения. |
| NJ307E C3 | ISO | Внутренний зазор больше нормального. Повышенная грузоподъемность. |
| NU307-E-XL-N-M1A-F59-C3 | ISO | Внутренний зазор больше нормального. Повышенная грузоподъемность. Серия X-Life премиум-класс. увеличиный срок службы. Канавка под стопорное кольцо на внешнем кольце. Массивный латунный сепаратор. двухтельный. центрированный по бортам. Replaced By. |
| NU307-E-XL-M1A | ISO | Повышенная грузоподъемность. Серия X-Life премиум-класс. увеличиный срок службы. Массивный латунный сепаратор. двухтельный. центрированный по бортам. |
| NU307ET2XC3 | ISO | Внутренний зазор больше нормального. Увеличенная грузоподъёмность. Полиамидный сепаратор 4.6 для цилиндрических роликоподшипников. |
Аналог цилиндрического роликового подшипника NUP307ECM — это подшипник такого же размера dx35,Dx80,Bx21, типа и конструкции.
| Обозначение | Конструктивные особенности | Внутренний (d) | Наружный (D) | Ширина (B) |
|---|---|---|---|---|
| 46307-Б | Шариковый радиально-упорный однорядный подшипник. Сепаратор из безоловянистой бронзы.. | 35.00 | 80.00 | 21.00 |
| 46307-Е | Шариковый радиально-упорный однорядный подшипник. Сепаратор из текстолита.. | 35.00 | 80.00 | 21.00 |
| 46307-Л | Шариковый радиально-упорный однорядный подшипник. Сепаратор из латуни.. | 35.00 | 80.00 | 21.00 |
| 46307К | Шариковый радиально-упорный однорядный подшипник. «Замок» (скос) на внутреннем кольце плюс массивный сепаратор из текстолита. | 35.00 | 80.00 | 21.00 |
| 5-46307 АЛ | Шариковый радиально-упорный однорядный подшипник. Сепаратор из латуни.. Повышенная грузоподъемность. | 35.00 | 80.00 | 21.00 |
| 5-46307 АЛШ2 | Шариковый радиально-упорный однорядный подшипник. Сепаратор из латуни.. Нормы шумности. Повышенная грузоподъемность. | 35.00 | 80.00 | 21.00 |
| 5-46307 ЕШ2 | Шариковый радиально-упорный однорядный подшипник. Сепаратор из текстолита.. Нормы шумности. | 35.00 | 80.00 | 21.00 |
| 5-46307 Л | Шариковый радиально-упорный однорядный подшипник. Сепаратор из латуни.. | 35.00 | 80.00 | 21.00 |
| 50307-А | Шариковый радиальный однорядный подшипник. Повышенная грузоподъемность. | 35.00 | 80.00 | 21.00 |
| 50307-А1 | Шариковый радиальный однорядный подшипник. Повышенная грузоподъемность. | 35.00 | 80.00 | 21.00 |
| 50307-АК | Шариковый радиальный однорядный подшипник. Повышенная грузоподъемность. | 35.00 | 80.00 | 21.00 |
| 50307-АКШ | Шариковый радиальный однорядный подшипник. Повышенная грузоподъемность. Нормы шумности. | 35.00 | 80.00 | 21.00 |
| 6-176307 Л | Шариковый радиально-упорный однорядный подшипник. Сепаратор из латуни.. | 35.00 | 80.00 | 21.00 |
| 6-180307 АКС9 | Шариковый радиальный однорядный подшипник. Повышенная грузоподъемность. Смазка ЛЗ-31. | 35.00 | 80.00 | 21.00 |
| 6-180307 Ш | Шариковый радиальный однорядный подшипник. Нормы шумности. | 35.00 | 80.00 | 21.00 |
Способы доставки
Отправка через ведущие транспортные и курьерские компании: ПЭК, Деловые Линии, СДЭК, Байкал-Сервис, Энергия, КИТ, ЖелДорЭкспедиция.
Самовывоз возможен напрямую со склада в Москве.
Сроки доставки
Срок зависит от региона и выбранной транспортной компании. Все заказы комплектуются и отправляются в кратчайшие сроки со склада в Москве.
Надёжность и сохранность
Вся продукция упаковывается с учётом требований транспортировки. Мы гарантируем, что подшипники и комплектующие прибудут к заказчику в полной сохранности.
Доставка в страны ЕАЭС
Мы работаем с проверенными логистическими партнёрами, что позволяет оперативно доставлять заказы в Беларусь, Казахстан, Армению и другие страны ЕАЭС.
Варианты оплаты:
Минимальная сумма заказа и скидки:
Документы и гарантии:
Да, конечно! Наши технические специалисты готовы помочь вам с подбором точного аналога или замены подшипника. Просто позвоните нам по телефону +7 (495) 104-99-04 или напишите на почту zakaz@podsnab.ru.
Для оперативной консультации подготовьте, пожалуйста, имеющиеся данные: маркировку, размеры, тип оборудования или артикул старого подшипника.
Да, конечно! Мы высоко ценим долгосрочное сотрудничество и доверие клиентов по всей России. Для постоянных клиентов действует персональная система скидок.
Условия формируются индивидуально и зависят от:
Чтобы узнать свои условия и получить максимально выгодное предложение, свяжитесь с персональным менеджером или напишите нам на почту zakaz@podsnab.ru.
Вы можете оформить заказ несколькими способами:
Для оформления заказа от юридического лица свяжитесь с нашим отделом по работе с корпоративными клиентами по телефону +7 (495) 104-99-04 или напишите на email zakaz@podsnab.ru, прикрепив реквизиты вашей организации.
Мы оперативно подготовим коммерческое предложение и выставим счет.
Возврат товара надлежащего качества возможен в течение 10 дней с момента получения, если товар не был в употреблении, сохранен товарный вид, упаковка не вскрывалась и присутствуют все сопроводительные документы.
Возврат денежных средств осуществляется в течение 10 рабочих дней после проверки товара складом.
В соответствии с законодательством возврату не подлежат подшипники надлежащего качества, если отсутствует оригинальная упаковка или имеются следы монтажа.
В случае выявления брака или гарантийного случая мы гарантируем возврат или обмен товара.
Да, гарантийный срок хранения устанавливается заводом-изготовителем и в среднем составляет 2 года при соблюдении условий хранения: сухое помещение, оригинальная упаковка и смазка.
Точный срок для конкретного типа подшипника уточняйте у наших менеджеров.
Пн–Пт: с 8:00 до 17:00 (МСК).
Сб–Вс: выходные дни.
Заказы на сайте принимаются круглосуточно. Заявки, поступившие после окончания рабочего дня, обрабатываются на следующий рабочий день.
Минимальная сумма заказа для доставки составляет 3000 рублей. Самовывоз со склада возможен на любую сумму при наличии товара.
ООО «УралТехГрупп»
ИНН: 7415093830
КПП: 772401001
ОГРН: 1167456069021
Банк: ПАО Сбербанк
Р/с: 40702810838000475273
К/с: 30101810400000000225
БИК: 044525225
У подшипника NUP307ECM пока нет отзывов. Вы можете стать первым покупателем, поделившимся своим мнением.