Поиск подшипника
Статьи
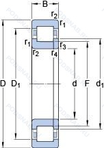
NUP2203ECP — Однорядный цилиндрический роликовый подшипник, модификация основного исполнения NUP2203, производство SKF.
Размер подшипника: 17x40x16 мм.
Однорядный цилиндрический роликоподшипник. Наружное кольцо имеет два борта, внутреннее — один борт и одно свободное фланцевое кольцо. Основные размеры по DIN 5412-1, относится к подтипу фиксированные подшипники, разъемные, с сепаратором, оптимизированная внутренняя конструкция предусматривает увеличенное количество роликов и/или ролики большего размера с улучшенными условиями контакта торцов роликов с бортами внутреннего кольца, сепаратор из стеклонаполненного полиамида pa66. центрируемый по роликам.
Аналоги: NUP2203-E-XL-TVP2 FAG,NUP2203E TGP1 Steyr,NUP2203EAP IBC Bearings.
Международная стандартизации ISO
NUP2203ECP
В наличии
| Обозначение | Конструктивные изменения |
|---|---|
| NUP2203 | Канавка под стопорное кольцо на наружном кольце подшипника. Точность размеров примерно соответствует классу точности Р4. Однорядный цилиндрический роликовый подшипник. Наружное кольцо имеет два борта. Основное конструктивное исполнение. |
| NUP2203E TGP1 | Повышенная грузоподъемность. Прочный сепаратор из полиамида. армированного стекловолокном. |
| NUP2203EAP | Однорядный цилиндрический роликовый подшипник. |
| NUP2203-E-XL-TVP2 | Повышенная грузоподъемность. Серия X-Life премиум-класс. увеличиный срок службы. Cепаратор изготовленный из полиамида PA66. армированного стекловолокном. |
| NUP2203-E-XL-TVP2-C3 | Внутренний зазор больше нормального. Повышенная грузоподъемность. Серия X-Life премиум-класс. увеличиный срок службы. Cепаратор изготовленный из полиамида PA66. армированного стекловолокном. |
| NUP2203P6 | Размерные и геометрические допуски соответствуют классу точности P6. |
| NUP2203-E-TVP2 | Повышенная грузоподъемность. Cепаратор изготовленный из полиамида PA66. армированного стекловолокном. |
| NUP2203.C3 | Внутренний зазор больше нормального. |
| NUP2203E.TVP2.C3 | Внутренний зазор больше нормального. Повышенная грузоподъемность. Cепаратор изготовленный из полиамида PA66. армированного стекловолокном. |
| NUP2203-E-XL-M1A | Повышенная грузоподъемность. Серия X-Life премиум-класс. увеличиный срок службы. Массивный латунный сепаратор. двухтельный. центрированный по бортам. |
| NUP2203-E-TVP3 | Повышенная грузоподъемность. Цельный сепаратор из полиамида PA66-GF25. сепаратор оконного типа. направляемый телами качения. |
| NUP2203E.TVP | Повышенная грузоподъемность. Molded Snap-Type Cage Of Glass Fibre Reinforced Polyamide. Rolling Element Riding. |
| NUP2203 E | Повышенная грузоподъемность. |
Модификации цилиндрического роликового подшипника NUP2203ECP — это измененное основное конструктивное исполнение NUP2203, основные размеры (17x40x16) не отличаются.
| Обозначение | Гост | Конструктивные особенности |
|---|---|---|
| NJ2203-E-XL-TVP2 | ISO | Повышенная грузоподъемность. Серия X-Life премиум-класс. увеличиный срок службы. Cепаратор изготовленный из полиамида PA66. армированного стекловолокном. |
| NU2203-E-XL-TVP2 | ISO | Повышенная грузоподъемность. Серия X-Life премиум-класс. увеличиный срок службы. Cепаратор изготовленный из полиамида PA66. армированного стекловолокном. |
| NU2203-E-XL-TVP2-C3 | ISO | Внутренний зазор больше нормального. Повышенная грузоподъемность. Серия X-Life премиум-класс. увеличиный срок службы. Cепаратор изготовленный из полиамида PA66. армированного стекловолокном. |
| NU2206-E-XL-TVP2-C3 | ISO | Внутренний зазор больше нормального. Повышенная грузоподъемность. Серия X-Life премиум-класс. увеличиный срок службы. Cепаратор изготовленный из полиамида PA66. армированного стекловолокном. |
| NJ2203-E-XL-TVP2-C3 | ISO | Внутренний зазор больше нормального. Повышенная грузоподъемность. Серия X-Life премиум-класс. увеличиный срок службы. Cепаратор изготовленный из полиамида PA66. армированного стекловолокном. |
| NJ2203-E-TVP2 | ISO | Повышенная грузоподъемность. Cепаратор изготовленный из полиамида PA66. армированного стекловолокном. |
| NJ2203-E-TVP2-C3 | ISO | Внутренний зазор больше нормального. Повышенная грузоподъемность. Cепаратор изготовленный из полиамида PA66. армированного стекловолокном. |
| NJ2203-M1-C4 | ISO | Внутренний зазор подшипника больше. чем C3. Механически обработанный латунный сепаратор. вращающийся элемент качения (крестовина на заклепках). |
| NU2203ECP | ISO | Оптимизированная внутренняя конструкция предусматривает увеличенное количество роликов и/или ролики большего размера с улучшенными условиями контакта торцов роликов с бортами внутреннего кольца. Сепаратор из стеклонаполненного полиамида PA66. центрируемый по роликам. Однорядный цилиндрический роликовый подшипник. |
| NJ2203M | ISO | Механически обработанный латунный сепаратор .Расположенный на элементах качения. |
| NU2203C3 | ISO | Внутренний зазор больше нормального. |
| NU2203E | ISO | Повышенная грузоподъемность. |
| NJ2203ECP/C3 | ISO | Внутренний зазор больше нормального. Оптимизированная внутренняя конструкция предусматривает увеличенное количество роликов и/или ролики большего размера с улучшенными условиями контакта торцов роликов с бортами внутреннего кольца. Сепаратор из стеклонаполненного полиамида PA66. центрируемый по роликам. |
| NJ2203E TVP | ISO | Повышенная грузоподъемность. Формованный полиамидный сепаратор оконного типа. Роликовые тела качения. |
| NJ2203-E-XL-M1A | ISO | Повышенная грузоподъемность. Серия X-Life премиум-класс. увеличиный срок службы. Массивный латунный сепаратор. двухтельный. центрированный по бортам. |
| NU2203M/C4 | ISO | Внутренний зазор подшипника больше. чем C3. Механически обработанный латунный сепаратор. клёпаный. центрируемый по роликам. |
| NJ2203ET | ISO | Сквозная закалка и шлифовка стали с переломом в одной точке. |
| NU2203E G15 | ISO | Повышенная грузоподъемность. Литой сепаратор из полиамида 6.6. армированного стекловолокном. Элемент качения по центру. |
| NU2203E.TVP2.C3 | ISO | Внутренний зазор больше нормального. Повышенная грузоподъемность. Cепаратор изготовленный из полиамида PA66. армированного стекловолокном. |
| NJ2203TNG | ISO | Прочный сепаратор из полиамида. армированного стекловолокном. |
Аналог цилиндрического роликового подшипника NUP2203ECP — это подшипник такого же размера dx17,Dx40,Bx16, типа и конструкции.
| Обозначение | Конструктивные особенности | Внутренний (d) | Наружный (D) | Ширина (B) |
|---|---|---|---|---|
| 6-180503 АК4С9И | Шариковый радиальный однорядный подшипник. Повышенная грузоподъемность. Изменение ТУ на поставку комплектующих деталей или исходных материалов. Смазка ЛЗ-31. | 17.00 | 40.00 | 16.00 |
| 6-180503 АК4С9Ш1 | Шариковый радиальный однорядный подшипник. Нормы шумности. Повышенная грузоподъемность. Смазка ЛЗ-31. | 17.00 | 40.00 | 16.00 |
| 6-180503 АК4С9Ш1И | Шариковый радиальный однорядный подшипник. Нормы шумности. Повышенная грузоподъемность. Изменение ТУ на поставку комплектующих деталей или исходных материалов. Смазка ЛЗ-31. | 17.00 | 40.00 | 16.00 |
| 6-180503 АК4С9ШИ | Шариковый радиальный однорядный подшипник. Повышенная грузоподъемность. Изменение ТУ на поставку комплектующих деталей или исходных материалов. Нормы шумности. Смазка ЛЗ-31. | 17.00 | 40.00 | 16.00 |
| 6-180503 АС9 | Шариковый радиальный однорядный подшипник. Повышенная грузоподъемность. Смазка ЛЗ-31. | 17.00 | 40.00 | 16.00 |
| 6-180503 АС9Ш1 | Шариковый радиальный однорядный подшипник. Повышенная грузоподъемность. Нормы шумности. Смазка ЛЗ-31. | 17.00 | 40.00 | 16.00 |
| 6-180503 АС9Ш1К4 | Шариковый радиальный однорядный подшипник. Повышенная грузоподъемность. Нормы шумности. Смазка ЛЗ-31. | 17.00 | 40.00 | 16.00 |
| 6-180503 К1С9 | Шариковый радиальный однорядный подшипник. Смазка ЛЗ-31. | 17.00 | 40.00 | 16.00 |
| 6-180503 К2С9Ш1 | Шариковый радиальный однорядный подшипник. Нормы шумности. Смазка ЛЗ-31. | 17.00 | 40.00 | 16.00 |
| 6-180503 К3С9 | Шариковый радиальный однорядный подшипник. «Замок» (скос) на внутреннем кольце плюс массивный сепаратор из текстолита. Смазка ЛЗ-31. | 17.00 | 40.00 | 16.00 |
| 6-180503 К4С9 | Шариковый радиальный однорядный подшипник. «Замок» (скос) на внутреннем кольце плюс массивный сепаратор из текстолита. Смазка ЛЗ-31. | 17.00 | 40.00 | 16.00 |
| 6-180503 К4С9И | Шариковый радиальный однорядный подшипник. «Замок» (скос) на внутреннем кольце плюс массивный сепаратор из текстолита. Изменение ТУ на поставку комплектующих деталей или исходных материалов. Смазка ЛЗ-31. | 17.00 | 40.00 | 16.00 |
| 6-180503 К4С9Ш1 | Шариковый радиальный однорядный подшипник. Нормы шумности. Смазка ЛЗ-31. | 17.00 | 40.00 | 16.00 |
| 6-180503 С17 | Шариковый радиальный однорядный подшипник. Смазка Литол-24. | 17.00 | 40.00 | 16.00 |
| 6-180503 С9 | Шариковый радиальный однорядный подшипник. Смазка ЛЗ-31. | 17.00 | 40.00 | 16.00 |
Способы доставки
Отправка через ведущие транспортные и курьерские компании: ПЭК, Деловые Линии, СДЭК, Байкал-Сервис, Энергия, КИТ, ЖелДорЭкспедиция.
Самовывоз возможен напрямую со склада в Москве.
Сроки доставки
Срок зависит от региона и выбранной транспортной компании. Все заказы комплектуются и отправляются в кратчайшие сроки со склада в Москве.
Надёжность и сохранность
Вся продукция упаковывается с учётом требований транспортировки. Мы гарантируем, что подшипники и комплектующие прибудут к заказчику в полной сохранности.
Доставка в страны ЕАЭС
Мы работаем с проверенными логистическими партнёрами, что позволяет оперативно доставлять заказы в Беларусь, Казахстан, Армению и другие страны ЕАЭС.
Варианты оплаты:
Минимальная сумма заказа и скидки:
Документы и гарантии:
Да, конечно! Наши технические специалисты готовы помочь вам с подбором точного аналога или замены подшипника. Просто позвоните нам по телефону +7 (495) 104-99-04 или напишите на почту zakaz@podsnab.ru.
Для оперативной консультации подготовьте, пожалуйста, имеющиеся данные: маркировку, размеры, тип оборудования или артикул старого подшипника.
Да, конечно! Мы высоко ценим долгосрочное сотрудничество и доверие клиентов по всей России. Для постоянных клиентов действует персональная система скидок.
Условия формируются индивидуально и зависят от:
Чтобы узнать свои условия и получить максимально выгодное предложение, свяжитесь с персональным менеджером или напишите нам на почту zakaz@podsnab.ru.
Вы можете оформить заказ несколькими способами:
Для оформления заказа от юридического лица свяжитесь с нашим отделом по работе с корпоративными клиентами по телефону +7 (495) 104-99-04 или напишите на email zakaz@podsnab.ru, прикрепив реквизиты вашей организации.
Мы оперативно подготовим коммерческое предложение и выставим счет.
Возврат товара надлежащего качества возможен в течение 10 дней с момента получения, если товар не был в употреблении, сохранен товарный вид, упаковка не вскрывалась и присутствуют все сопроводительные документы.
Возврат денежных средств осуществляется в течение 10 рабочих дней после проверки товара складом.
В соответствии с законодательством возврату не подлежат подшипники надлежащего качества, если отсутствует оригинальная упаковка или имеются следы монтажа.
В случае выявления брака или гарантийного случая мы гарантируем возврат или обмен товара.
Да, гарантийный срок хранения устанавливается заводом-изготовителем и в среднем составляет 2 года при соблюдении условий хранения: сухое помещение, оригинальная упаковка и смазка.
Точный срок для конкретного типа подшипника уточняйте у наших менеджеров.
Пн–Пт: с 8:00 до 17:00 (МСК).
Сб–Вс: выходные дни.
Заказы на сайте принимаются круглосуточно. Заявки, поступившие после окончания рабочего дня, обрабатываются на следующий рабочий день.
Минимальная сумма заказа для доставки составляет 3000 рублей. Самовывоз со склада возможен на любую сумму при наличии товара.
ООО «УралТехГрупп»
ИНН: 7415093830
КПП: 772401001
ОГРН: 1167456069021
Банк: ПАО Сбербанк
Р/с: 40702810838000475273
К/с: 30101810400000000225
БИК: 044525225
У подшипника NUP2203ECP пока нет отзывов. Вы можете стать первым покупателем, поделившимся своим мнением.