Поиск подшипника
Статьи
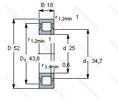
NUP2205-E-TVP2-C3 — Однорядный цилиндрический роликовый подшипник, модификация основного исполнения NUP2205, производство FAG.
Размер подшипника: 25x52x18 мм.
Однорядный цилиндрический роликоподшипник. Наружное кольцо имеет два борта, внутреннее — один борт и одно свободное фланцевое кольцо. Основные размеры по DIN 5412-1, относится к подтипу фиксированные подшипники, разъемные, с сепаратором, cепаратор изготовленный из полиамида pa66. армированного стекловолокном, внутренний зазор больше нормального, повышенная грузоподъемность.
Альтернативное обозначение: NUP2205-E-XL-TVP2-C3.
Аналоги: NUP2205-E-XL-TVP2-C3 FAG.
Международная стандартизации ISO
NUP2205ETVP2C3
В наличии
| Обозначение | Конструктивные изменения |
|---|---|
| NUP2205ECJ | Два стальных сепаратора оконного типа. внутреннее кольцо без фланца. направляющее кольцо с усиленным роликом. |
| NUP2205-E-MPAX-C3 | Внутренний зазор больше нормального. Повышенная грузоподъемность. Ребристый однокомпонентный цельнолатунный сепаратор является дальнейшим развитием сепараторов FAG типов MPA и MP1A и будет последовательно заменять эти типы. Он обладает большей прочностью по отношению к ударным нагрузкам и вибрациям. чем его предшественники. и особенно хорошо подходит для применения в условиях высоких нагрузок. |
| NUP2205-E-XL-MPAX-C3 | Внутренний зазор больше нормального. Повышенная грузоподъемность. Серия X-Life премиум-класс. увеличиный срок службы. Ребристый однокомпонентный цельнолатунный сепаратор является дальнейшим развитием сепараторов FAG типов MPA и MP1A и будет последовательно заменять эти типы. Он обладает большей прочностью по отношению к ударным нагрузкам и вибрациям. чем его предшественники. и особенно хорошо подходит для применения в условиях высоких нагрузок. |
| NUP2205-E-XL-TVP2 | Повышенная грузоподъемность. Серия X-Life премиум-класс. увеличиный срок службы. Cепаратор изготовленный из полиамида PA66. армированного стекловолокном. |
| NUP2205-E-XL-TVP2-C3 | Внутренний зазор больше нормального. Повышенная грузоподъемность. Серия X-Life премиум-класс. увеличиный срок службы. Cепаратор изготовленный из полиамида PA66. армированного стекловолокном. |
| NUP2205ETNGKLF-ZVL | Повышенная грузоподъемность. Прочный сепаратор из полиамида. армированного стекловолокном. |
| NUP2205ECP | Оптимизированная внутренняя конструкция предусматривает увеличенное количество роликов и/или ролики большего размера с улучшенными условиями контакта торцов роликов с бортами внутреннего кольца. Сепаратор из стеклонаполненного полиамида PA66. центрируемый по роликам. Однорядный цилиндрический роликовый подшипник. |
| NUP2205F3 | Низкий уровень шума. |
| NUP2205M | Механически обработанный латунный сепаратор .Расположенный на элементах качения. |
| NUP2205-E-TVP3 | Повышенная грузоподъемность. Цельный сепаратор из полиамида PA66-GF25. сепаратор оконного типа. направляемый телами качения. |
| NUP2205-E-TVP2-C2 | Внутренний зазор подшипника меньше нормального. Повышенная грузоподъемность. Cепаратор изготовленный из полиамида PA66. армированного стекловолокном. |
| NUP2205-E-XL-M1-C3 | Внутренний зазор больше нормального. Повышенная грузоподъемность. Серия X-Life премиум-класс. увеличиный срок службы. Механически обработанный латунный сепаратор. вращающийся элемент качения (крестовина на заклепках). |
| NUP2205-E-XL-M1 | Повышенная грузоподъемность. Серия X-Life премиум-класс. увеличиный срок службы. Механически обработанный латунный сепаратор. вращающийся элемент качения (крестовина на заклепках). |
| NUP2205NR | Две стопорные канавки во внешнем кольце. |
| NUP2205ECP/C3 | Внутренний зазор больше нормального. Оптимизированная внутренняя конструкция предусматривает увеличенное количество роликов и/или ролики большего размера с улучшенными условиями контакта торцов роликов с бортами внутреннего кольца. Сепаратор из стеклонаполненного полиамида PA66. центрируемый по роликам. |
| NUP2205ET2XU | Повышенная грузоподъемность. Одно ребро. Одно стопорное кольцо в наружном кольце. Полиамидный сепаратор 4.6 для цилиндрических роликоподшипников. |
| NUP2205W | Цельный прессованный сепаратор. |
| NUP2205E.M1 | Повышенная грузоподъемность. Механически обработанный латунный сепаратор. вращающийся элемент качения (крестовина на заклепках). |
| NUP2205VH | Полный комплект цилиндрических роликоподшипников с набором самоудерживающихся роликов. |
| NUP2205-E-MPA | Повышенная грузоподъемность. Твердый латунный сепаратор. |
| NUP2205E.TVP | Повышенная грузоподъемность. Molded Snap-Type Cage Of Glass Fibre Reinforced Polyamide. Rolling Element Riding. |
| NUP2205 ET | Сквозная закалка и шлифовка стали с переломом в одной точке. |
| NUP2205FM/C3 | Внутренний зазор больше нормального. Y-образный подшипник серии YET2 (внутреннее кольцо выдвинуто с одной стороны. Эксцентриковая стопорная втулка). Стандартное уплотнение без фланца с каждой стороны. |
| NUP2205R | С выпуклыми асимметричными роликами и обработанным сепаратором. |
| NUP2205EG | Игольчатые сепараторы для шатунов двигателей. |
Модификации цилиндрического роликового подшипника NUP2205-E-TVP2-C3 — это измененное основное конструктивное исполнение NUP2205, основные размеры (25x52x18) не отличаются.
| Обозначение | Гост | Конструктивные особенности |
|---|---|---|
| NU2205ET2X | ISO | Повышенная грузоподъемность. Полиамидный сепаратор 4.6 для цилиндрических роликоподшипников. |
| N2205W | ISO | Цельный прессованный сепаратор. |
| NJ2205TNG | ISO | Прочный сепаратор из полиамида. армированного стекловолокном. |
| NU2205E.M1 | ISO | Повышенная грузоподъемность. Механически обработанный латунный сепаратор. вращающийся элемент качения (крестовина на заклепках). |
| NU2205-E-M1A | ISO | Повышенная грузоподъемность. Массивный латунный сепаратор. двухтельный. центрированный по бортам. |
| 025-5NR C3 | ISO | Внутренний зазор больше нормального. Канавка под стопорное кольцо на наружном кольце с соответствующим стопорным кольцом. |
| SL182205-A-XL | ISO | Особенность внутренней конструкции. Серия X-Life премиум-класс. увеличиный срок службы. |
| SL182205-A-XL-C3 | ISO | Внутренний зазор больше нормального. Особенность внутренней конструкции. Серия X-Life премиум-класс. увеличиный срок службы. |
| NJ2205E.M1A.C4 | ISO | Внутренний зазор подшипника больше. чем C3. Повышенная грузоподъемность. Массивный латунный сепаратор. двухтельный. центрированный по бортам. |
| NJ.2205.E.G15 | ISO | Повышенная грузоподъемность. Литой сепаратор из полиамида 6.6. армированного стекловолокном. Элемент качения по центру. |
| NU.2205.E.G15 | ISO | Повышенная грузоподъемность. Литой сепаратор из полиамида 6.6. армированного стекловолокном. Элемент качения по центру. |
| NU.2205.E.G15.J30 | ISO | Повышенная грузоподъемность. Внутренний зазор больше нормального. Литой сепаратор из полиамида 6.6. армированного стекловолокном. Элемент качения по центру. |
| NU2205E MA C3 | ISO | Внутренний зазор больше нормального. Повышенная грузоподъемность. Механически обработанный латунный сепаратор. Центрирование по внешнему кольцу. |
| NJ2205E/TGP1/C3 | ISO | Внутренний зазор больше нормального. Повышенная грузоподъемность. Прочный сепаратор из полиамида. армированного стекловолокном. |
| NU2205W | ISO | Цельный прессованный сепаратор. |
| NU2205ECML/C3L | ISO | Оптимизированная внутренняя конструкция предусматривает увеличенное количество роликов и/или ролики большего размера с улучшенными условиями контакта торцов роликов с бортами внутреннего кольца. Механически обработанный латунный сепаратор. оконного типа. центрируемый по внутреннему или наружному кольцу в зависимости от типа подшипника. Уменьшенный диапазон зазоров. |
| NU2205-E-TVP3 | ISO | Повышенная грузоподъемность. Цельный сепаратор из полиамида PA66-GF25. сепаратор оконного типа. направляемый телами качения. |
| NU2205ETC3 | ISO | Внутренний зазор больше нормального. Увеличенная грузоподъёмность. Сепаратор из полиамида. армированного стекловолокном. |
| NJ2205M | ISO | Механически обработанный латунный сепаратор .Расположенный на элементах качения. |
| NJ2205A12 | ISO | Осевой люфт в микронах. |
Аналог цилиндрического роликового подшипника NUP2205-E-TVP2-C3 — это подшипник такого же размера dx25,Dx52,Bx18, типа и конструкции.
| Обозначение | Конструктивные особенности | Внутренний (d) | Наружный (D) | Ширина (B) |
|---|---|---|---|---|
| NU 2205 ECML | Роликовый радиальный однорядный подшипник. Однорядный цилиндрический роликовый подшипник. | 25.00 | 52.00 | 18.00 |
| 42505-ЛМ | Роликовый радиальный однорядный подшипник. Сепаратор из латуни.. Модифицированный контакт.. | 25.00 | 52.00 | 18.00 |
| 53505-Н | Роликовый радиальный двухрядный подшипник. Детали из теплостойкой стали. | 25.00 | 52.00 | 18.00 |
| 537905C17 | Роликовый радиальный-упорный двухрядный подшипник. Литол-24. | 25.00 | 52.00 | 18.50 |
| 6-180505 А1УС17 | Шариковый радиальный однорядный подшипник. Смазка Литол-24. Дополнительные технические требования. Повышенная грузоподъемность. | 25.00 | 52.00 | 18.00 |
| 6-180505 А1УС17Ш1 | Шариковый радиальный однорядный подшипник. Смазка Литол-24. Дополнительные технические требования. Повышенная грузоподъемность. Нормы шумности. | 25.00 | 52.00 | 18.00 |
| 6-180505 А1УС9 | Шариковый радиальный однорядный подшипник. Дополнительные технические требования. Повышенная грузоподъемность. Смазка ЛЗ-31. | 25.00 | 52.00 | 18.00 |
| 6-180505 А1УС9Ш1 | Шариковый радиальный однорядный подшипник. Дополнительные технические требования. Повышенная грузоподъемность. Нормы шумности. Смазка ЛЗ-31. | 25.00 | 52.00 | 18.00 |
| 6-180505 АС17 | Шариковый радиальный однорядный подшипник. Смазка Литол-24. Повышенная грузоподъемность. | 25.00 | 52.00 | 18.00 |
| 6-180505 С17 | Шариковый радиальный однорядный подшипник. Смазка Литол-24. | 25.00 | 52.00 | 18.00 |
| 6-180505 С17Ш1 | Шариковый радиальный однорядный подшипник. Смазка Литол-24. Нормы шумности. | 25.00 | 52.00 | 18.00 |
| 6-180505 У1С17 | Шариковый радиальный однорядный подшипник. Смазка Литол-24. Дополнительные технические требования. | 25.00 | 52.00 | 18.00 |
| 6-180505 У1С17Ш1 | Шариковый радиальный однорядный подшипник. Смазка Литол-24. Нормы шумности. Дополнительные технические требования. | 25.00 | 52.00 | 18.00 |
| 6-180505 УС17 | Шариковый радиальный однорядный подшипник. Смазка Литол-24. Дополнительные технические требования. | 25.00 | 52.00 | 18.00 |
| 6-180505 УС17Ш1 | Шариковый радиальный однорядный подшипник. Смазка Литол-24. Дополнительные технические требования. Нормы шумности. | 25.00 | 52.00 | 18.00 |
Способы доставки
Отправка через ведущие транспортные и курьерские компании: ПЭК, Деловые Линии, СДЭК, Байкал-Сервис, Энергия, КИТ, ЖелДорЭкспедиция.
Самовывоз возможен напрямую со склада в Москве.
Сроки доставки
Срок зависит от региона и выбранной транспортной компании. Все заказы комплектуются и отправляются в кратчайшие сроки со склада в Москве.
Надёжность и сохранность
Вся продукция упаковывается с учётом требований транспортировки. Мы гарантируем, что подшипники и комплектующие прибудут к заказчику в полной сохранности.
Доставка в страны ЕАЭС
Мы работаем с проверенными логистическими партнёрами, что позволяет оперативно доставлять заказы в Беларусь, Казахстан, Армению и другие страны ЕАЭС.
Варианты оплаты:
Минимальная сумма заказа и скидки:
Документы и гарантии:
Да, конечно! Наши технические специалисты готовы помочь вам с подбором точного аналога или замены подшипника. Просто позвоните нам по телефону +7 (495) 104-99-04 или напишите на почту zakaz@podsnab.ru.
Для оперативной консультации подготовьте, пожалуйста, имеющиеся данные: маркировку, размеры, тип оборудования или артикул старого подшипника.
Да, конечно! Мы высоко ценим долгосрочное сотрудничество и доверие клиентов по всей России. Для постоянных клиентов действует персональная система скидок.
Условия формируются индивидуально и зависят от:
Чтобы узнать свои условия и получить максимально выгодное предложение, свяжитесь с персональным менеджером или напишите нам на почту zakaz@podsnab.ru.
Вы можете оформить заказ несколькими способами:
Для оформления заказа от юридического лица свяжитесь с нашим отделом по работе с корпоративными клиентами по телефону +7 (495) 104-99-04 или напишите на email zakaz@podsnab.ru, прикрепив реквизиты вашей организации.
Мы оперативно подготовим коммерческое предложение и выставим счет.
Возврат товара надлежащего качества возможен в течение 10 дней с момента получения, если товар не был в употреблении, сохранен товарный вид, упаковка не вскрывалась и присутствуют все сопроводительные документы.
Возврат денежных средств осуществляется в течение 10 рабочих дней после проверки товара складом.
В соответствии с законодательством возврату не подлежат подшипники надлежащего качества, если отсутствует оригинальная упаковка или имеются следы монтажа.
В случае выявления брака или гарантийного случая мы гарантируем возврат или обмен товара.
Да, гарантийный срок хранения устанавливается заводом-изготовителем и в среднем составляет 2 года при соблюдении условий хранения: сухое помещение, оригинальная упаковка и смазка.
Точный срок для конкретного типа подшипника уточняйте у наших менеджеров.
Пн–Пт: с 8:00 до 17:00 (МСК).
Сб–Вс: выходные дни.
Заказы на сайте принимаются круглосуточно. Заявки, поступившие после окончания рабочего дня, обрабатываются на следующий рабочий день.
Минимальная сумма заказа для доставки составляет 3000 рублей. Самовывоз со склада возможен на любую сумму при наличии товара.
ООО «УралТехГрупп»
ИНН: 7415093830
КПП: 772401001
ОГРН: 1167456069021
Банк: ПАО Сбербанк
Р/с: 40702810838000475273
К/с: 30101810400000000225
БИК: 044525225
У подшипника NUP2205-E-TVP2-C3 пока нет отзывов. Вы можете стать первым покупателем, поделившимся своим мнением.