Поиск подшипника
Статьи
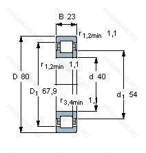
NUP2208-E-TVP2-C3 — Однорядный цилиндрический роликовый подшипник, модификация основного исполнения NUP2208, производство FAG.
Размер подшипника: 40x80x23 мм.
Однорядный цилиндрический роликоподшипник. Наружное кольцо имеет два борта, внутреннее — один борт и одно свободное фланцевое кольцо. Основные размеры по DIN 5412-1, относится к подтипу фиксированные подшипники, разъемные, с сепаратором, cепаратор изготовленный из полиамида pa66. армированного стекловолокном, внутренний зазор больше нормального, повышенная грузоподъемность.
Альтернативное обозначение: NUP2208-E-XL-TVP2-C3.
Аналоги: NUP2208-E-XL-TVP2-C3 FAG,NUP2208ECP/C3 SKF,NUP2208ET C3 NSK.
Международная стандартизации ISO
NUP2208ETVP2C3
В наличии
| Обозначение | Конструктивные изменения |
|---|---|
| NUP2208-E-XL-TVP2 | Повышенная грузоподъемность. Серия X-Life премиум-класс. увеличиный срок службы. Cепаратор изготовленный из полиамида PA66. армированного стекловолокном. |
| NUP2208-E-XL-TVP2-C3 | Внутренний зазор больше нормального. Повышенная грузоподъемность. Серия X-Life премиум-класс. увеличиный срок службы. Cепаратор изготовленный из полиамида PA66. армированного стекловолокном. |
| NUP2208E.M1 | Повышенная грузоподъемность. Механически обработанный латунный сепаратор. вращающийся элемент качения (крестовина на заклепках). |
| NUP2208ECP | Оптимизированная внутренняя конструкция предусматривает увеличенное количество роликов и/или ролики большего размера с улучшенными условиями контакта торцов роликов с бортами внутреннего кольца. Сепаратор из стеклонаполненного полиамида PA66. центрируемый по роликам. Однорядный цилиндрический роликовый подшипник. |
| NUP2208ECP/C3 | Внутренний зазор больше нормального. Оптимизированная внутренняя конструкция предусматривает увеличенное количество роликов и/или ролики большего размера с улучшенными условиями контакта торцов роликов с бортами внутреннего кольца. Сепаратор из стеклонаполненного полиамида PA66. центрируемый по роликам. |
| NUP2208E.M1A.C3 | Внутренний зазор больше нормального. Повышенная грузоподъемность. Массивный латунный сепаратор. двухтельный. центрированный по бортам. |
| NUP2208ECJ/VB067 | Два стальных сепаратора оконного типа. внутреннее кольцо без фланца. направляющее кольцо с усиленным роликом. |
| NUP2208E TNG | Повышенная грузоподъемность. Прочный сепаратор из полиамида. армированного стекловолокном. |
| NUP2208R C3 | Внутренний зазор больше нормального. Повышенная грузоподъемность по сравнению со стандартной серией. Различная внутренняя конструкция. |
| NUP2208ET2XU | Повышенная грузоподъемность. Одно ребро. Одно стопорное кольцо в наружном кольце. Полиамидный сепаратор 4.6 для цилиндрических роликоподшипников. |
| NUP2208E.TVP3 | Увеличенная грузоподъёмность. Цельный сепаратор из полиамида PA66-GF25. сепаратор оконного типа. направляемый телами качения. |
| NUP2208-E-TVP3-C3 | Внутренний зазор больше нормального. Увеличенная грузоподъёмность. Цельный сепаратор из полиамида PA66-GF25. сепаратор оконного типа. направляемый телами качения. |
| NUP2208W | Цельный прессованный сепаратор. |
| NUP2208E MA | Повышенная грузоподъемность. Механически обработанный латунный сепаратор. Центрирование по внешнему кольцу. |
| NUP2208ET C3 | Внутренний зазор больше нормального. Сквозная закалка и шлифовка стали с переломом в одной точке. |
| NUP2208EM C3 | Внутренний зазор больше нормального. Стандартный фланцевый ( с резьбой и сквозным отверстием). |
| NUP2208-E-XL-M1 | Повышенная грузоподъемность. Серия X-Life премиум-класс. увеличиный срок службы. Механически обработанный латунный сепаратор. вращающийся элемент качения (крестовина на заклепках). |
| NUP2208-E-XL-M1-C3 | Внутренний зазор больше нормального. Повышенная грузоподъемность. Серия X-Life премиум-класс. увеличиный срок службы. Механически обработанный латунный сепаратор. вращающийся элемент качения (крестовина на заклепках). |
| NUP2208ET2 | Увеличенная грузоподъёмность. Сепаратор из полиамида. армированного стекловолокном. |
| NUP2208E.M1.C3 | Внутренний зазор больше нормального. Повышенная грузоподъемность. Механически обработанный латунный сепаратор. вращающийся элемент качения (крестовина на заклепках). |
| NUP.2208.E.G15 | Повышенная грузоподъемность. Литой сепаратор из полиамида 6.6. армированного стекловолокном. Элемент качения по центру. |
| NUP2208-E-XL-M1A-C3 | Внутренний зазор больше нормального. Повышенная грузоподъемность. Серия X-Life премиум-класс. увеличиный срок службы. Массивный латунный сепаратор. двухтельный. центрированный по бортам. |
| NUP2208-E-MPA | Повышенная грузоподъемность. Твердый латунный сепаратор. |
| NUP2208E.TVP | Повышенная грузоподъемность. Molded Snap-Type Cage Of Glass Fibre Reinforced Polyamide. Rolling Element Riding. |
| NUP2208EG | Игольчатые сепараторы для шатунов двигателей. |
Модификации цилиндрического роликового подшипника NUP2208-E-TVP2-C3 — это измененное основное конструктивное исполнение NUP2208, основные размеры (40x80x23) не отличаются.
| Обозначение | Гост | Конструктивные особенности |
|---|---|---|
| NJ2208E G15 | ISO | Повышенная грузоподъемность. Литой сепаратор из полиамида 6.6. армированного стекловолокном. Элемент качения по центру. |
| NU2208E.TVP2.C4 | ISO | Внутренний зазор подшипника больше. чем C3. Повышенная грузоподъемность. Cепаратор изготовленный из полиамида PA66. армированного стекловолокном. |
| NJ2208E.M1A.C4 | ISO | Внутренний зазор подшипника больше. чем C3. Повышенная грузоподъемность. Массивный латунный сепаратор. двухтельный. центрированный по бортам. |
| NJ2208E TNG | ISO | Повышенная грузоподъемность. Прочный сепаратор из полиамида. армированного стекловолокном. |
| SL182208-A-XL-C3 | ISO | Внутренний зазор больше нормального. Особенность внутренней конструкции. Серия X-Life премиум-класс. увеличиный срок службы. |
| NJ2208E.TVP2.C4 | ISO | Внутренний зазор подшипника больше. чем C3. Повышенная грузоподъемность. Cепаратор изготовленный из полиамида PA66. армированного стекловолокном. |
| NU.2208.E.G15 | ISO | Повышенная грузоподъемность. Литой сепаратор из полиамида 6.6. армированного стекловолокном. Элемент качения по центру. |
| N2208W | ISO | Цельный прессованный сепаратор. |
| NJ2208M | ISO | Механически обработанный латунный сепаратор .Расположенный на элементах качения. |
| SL18-2208XL | ISO | Серия X-Life премиум-класс. увеличиный срок службы. |
| NU2208ECML/C3 | ISO | Внутренний зазор больше нормального. Оптимизированная внутренняя конструкция предусматривает увеличенное количество роликов и/или ролики большего размера с улучшенными условиями контакта торцов роликов с бортами внутреннего кольца. Механически обработанный латунный сепаратор. оконного типа. центрируемый по внутреннему или наружному кольцу в зависимости от типа подшипника. |
| NUB208ESK | ISO | Коническое отверстие. конус 1/12. Увеличенная грузоподъемность подшипника. |
| NU2208E MA C3 | ISO | Внутренний зазор больше нормального. Повышенная грузоподъемность. Механически обработанный латунный сепаратор. Центрирование по внешнему кольцу. |
| NJ2208-E-TVP3-C3 | ISO | Внутренний зазор больше нормального. Увеличенная грузоподъёмность. Цельный сепаратор из полиамида PA66-GF25. сепаратор оконного типа. направляемый телами качения. |
| NJ2208-E-XL-JP1-C3 | ISO | Внутренний зазор больше нормального. Повышенная грузоподъемность. Серия X-Life премиум-класс. увеличиный срок службы. Прессованный сепаратор из листового металла. |
| SL182208-A-2S | ISO | Особенность внутренней конструкции. Bearings Matched In Set Of Two For Side-By-Side Mounting. |
| SL182208-A-XL-2S | ISO | Особенность внутренней конструкции. Серия X-Life премиум-класс. увеличиный срок службы. Bearings Matched In Set Of Two For Side-By-Side Mounting. |
| NUB208E C3 | ISO | Внутренний зазор больше нормального. Однорядный цилиндрический роликоподшипник с увеличенной грузоподъемностью. |
| NJ2208ET7 | ISO | Увеличенная грузоподъёмность. Композитный высокотемпературный сепаратор (сепаратор из смолы L-PPS). |
| NJ2208C3 FY | ISO | Внутренний зазор больше нормального. Обработанный латунный сепаратор. |
Аналог цилиндрического роликового подшипника NUP2208-E-TVP2-C3 — это подшипник такого же размера dx40,Dx80,Bx23, типа и конструкции.
| Обозначение | Конструктивные особенности | Внутренний (d) | Наружный (D) | Ширина (B) |
|---|---|---|---|---|
| 2208-K-2RS+H308 | Шариковый сферический двухрядный подшипник. Коническое внутреннее отверстие. Контактные уплотнения типа RS с обеих сторон игольчатого роликоподшипника. | 40.00 | 80.00 | 23.00 |
| 2208 TN9 | Шариковый сферический двухрядный подшипник. Литой защелкивающийся сепаратор из полиамида. армированного стекловолокном 6.6. | 40.00 | 80.00 | 23.00 |
| 2208SK | Шариковый сферический двухрядный подшипник. Кулачковый толкатель штифтового типа. С шестигранной головкой. Только для внутреннего и наружного колец. | 40.00 | 80.00 | 23.00 |
| S2208-2RS | Шариковый сферический двухрядный подшипник. Резиновые уплотнения с каждой стороны подшипника. | 40.00 | 80.00 | 23.00 |
| NJ 2208 ECPH | Роликовый радиальный однорядный подшипник. Однорядный цилиндрический роликовый подшипник. | 40.00 | 80.00 | 23.00 |
| NU 2208 ECPH | Роликовый радиальный однорядный подшипник. Однорядный цилиндрический роликовый подшипник. | 40.00 | 80.00 | 23.00 |
| 40-3508 Н | Роликовый радиальный двухрядный подшипник. Детали из теплостойкой стали. | 40.00 | 80.00 | 23.00 |
| 5-32508 Д | Роликовый радиальный подшипник. Сепаратор из алюминиевого сплава.. | 40.00 | 80.00 | 23.00 |
| 5-32508 Д1 | Роликовый радиальный подшипник. Сепаратор из алюминиевого сплава.. | 40.00 | 80.00 | 23.00 |
| 502308-КМ | Роликовый радиальный однорядный подшипник. Кольцевая проточка на середине цилиндрической наружной поверхности наружного кольца плюс три отверстия для смазки. Модифицированный контакт.. | 40.00 | 77.00 | 23.00 |
| 53508-Н(22208CCW33C3) | Роликовый радиальный двухрядный подшипник. ВНИИНП-210. Детали из вакуумированной стали.. Детали из теплостойкой стали. | 40.00 | 80.00 | 23.00 |
| 580508АК | Шариковый радиальный однорядный подшипник. Повышенная грузоподъемность. | 40.00 | 80.00 | 23.00 |
| 6-180508 АК2УС9 | Шариковый радиальный однорядный подшипник. Дополнительные технические требования. Повышенная грузоподъемность. Смазка ЛЗ-31. | 40.00 | 80.00 | 23.00 |
| 6-180508 К2С9 | Шариковый радиальный однорядный подшипник. Смазка ЛЗ-31. | 40.00 | 80.00 | 23.00 |
| 6-180508 К2УС9 | Шариковый радиальный однорядный подшипник. Дополнительные технические требования. Смазка ЛЗ-31. | 40.00 | 80.00 | 23.00 |
Способы доставки
Отправка через ведущие транспортные и курьерские компании: ПЭК, Деловые Линии, СДЭК, Байкал-Сервис, Энергия, КИТ, ЖелДорЭкспедиция.
Самовывоз возможен напрямую со склада в Москве.
Сроки доставки
Срок зависит от региона и выбранной транспортной компании. Все заказы комплектуются и отправляются в кратчайшие сроки со склада в Москве.
Надёжность и сохранность
Вся продукция упаковывается с учётом требований транспортировки. Мы гарантируем, что подшипники и комплектующие прибудут к заказчику в полной сохранности.
Доставка в страны ЕАЭС
Мы работаем с проверенными логистическими партнёрами, что позволяет оперативно доставлять заказы в Беларусь, Казахстан, Армению и другие страны ЕАЭС.
Варианты оплаты:
Минимальная сумма заказа и скидки:
Документы и гарантии:
Да, конечно! Наши технические специалисты готовы помочь вам с подбором точного аналога или замены подшипника. Просто позвоните нам по телефону +7 (495) 104-99-04 или напишите на почту zakaz@podsnab.ru.
Для оперативной консультации подготовьте, пожалуйста, имеющиеся данные: маркировку, размеры, тип оборудования или артикул старого подшипника.
Да, конечно! Мы высоко ценим долгосрочное сотрудничество и доверие клиентов по всей России. Для постоянных клиентов действует персональная система скидок.
Условия формируются индивидуально и зависят от:
Чтобы узнать свои условия и получить максимально выгодное предложение, свяжитесь с персональным менеджером или напишите нам на почту zakaz@podsnab.ru.
Вы можете оформить заказ несколькими способами:
Для оформления заказа от юридического лица свяжитесь с нашим отделом по работе с корпоративными клиентами по телефону +7 (495) 104-99-04 или напишите на email zakaz@podsnab.ru, прикрепив реквизиты вашей организации.
Мы оперативно подготовим коммерческое предложение и выставим счет.
Возврат товара надлежащего качества возможен в течение 10 дней с момента получения, если товар не был в употреблении, сохранен товарный вид, упаковка не вскрывалась и присутствуют все сопроводительные документы.
Возврат денежных средств осуществляется в течение 10 рабочих дней после проверки товара складом.
В соответствии с законодательством возврату не подлежат подшипники надлежащего качества, если отсутствует оригинальная упаковка или имеются следы монтажа.
В случае выявления брака или гарантийного случая мы гарантируем возврат или обмен товара.
Да, гарантийный срок хранения устанавливается заводом-изготовителем и в среднем составляет 2 года при соблюдении условий хранения: сухое помещение, оригинальная упаковка и смазка.
Точный срок для конкретного типа подшипника уточняйте у наших менеджеров.
Пн–Пт: с 8:00 до 17:00 (МСК).
Сб–Вс: выходные дни.
Заказы на сайте принимаются круглосуточно. Заявки, поступившие после окончания рабочего дня, обрабатываются на следующий рабочий день.
Минимальная сумма заказа для доставки составляет 3000 рублей. Самовывоз со склада возможен на любую сумму при наличии товара.
ООО «УралТехГрупп»
ИНН: 7415093830
КПП: 772401001
ОГРН: 1167456069021
Банк: ПАО Сбербанк
Р/с: 40702810838000475273
К/с: 30101810400000000225
БИК: 044525225
У подшипника NUP2208-E-TVP2-C3 пока нет отзывов. Вы можете стать первым покупателем, поделившимся своим мнением.