Поиск подшипника
Статьи
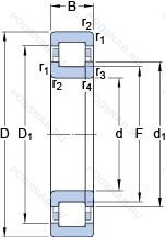
NUP2212ECP — Однорядный цилиндрический роликовый подшипник, модификация основного исполнения NUP2212, производство SKF.
Размер подшипника: 60x110x28 мм.
Однорядный цилиндрический роликоподшипник. Наружное кольцо имеет два борта, внутреннее — один борт и одно свободное фланцевое кольцо. Основные размеры по DIN 5412-1, относится к подтипу фиксированные подшипники, разъемные, с сепаратором, оптимизированная внутренняя конструкция предусматривает увеличенное количество роликов и/или ролики большего размера с улучшенными условиями контакта торцов роликов с бортами внутреннего кольца, сепаратор из стеклонаполненного полиамида pa66. центрируемый по роликам.
Аналоги: NUP2212ET NSK.
Международная стандартизации ISO
NUP2212ECP
В наличии
| Обозначение | Конструктивные изменения |
|---|---|
| NUP2212E.JP1 | Повышенная грузоподъемность. Прессованный сепаратор из листового металла. |
| NUP2212-E-M1-C3 | Внутренний зазор больше нормального. Повышенная грузоподъемность. Механически обработанный латунный сепаратор. вращающийся элемент качения (крестовина на заклепках). |
| NUP2212-E-TVP2-C3 | Внутренний зазор больше нормального. Повышенная грузоподъемность. Cепаратор изготовленный из полиамида PA66. армированного стекловолокном. |
| NUP2212-E-N-M1-C3 | Внутренний зазор больше нормального. Повышенная грузоподъемность. Механически обработанный латунный сепаратор. вращающийся элемент качения (крестовина на заклепках). Канавка под стопорное кольцо на внешнем кольце. |
| NUP2212E.M1.C4 | Внутренний зазор подшипника больше. чем C3. Повышенная грузоподъемность. Механически обработанный латунный сепаратор. вращающийся элемент качения (крестовина на заклепках). |
| NUP2212EM C4 | Внутренний зазор подшипника больше. чем C3. Стандартный фланцевый ( с резьбой и сквозным отверстием). |
| NUP2212-E-TVP3-C3 | Внутренний зазор больше нормального. Увеличенная грузоподъёмность. Цельный сепаратор из полиамида PA66-GF25. сепаратор оконного типа. направляемый телами качения. |
| NUP2212EC | Оптимизированная внутренняя конструкция предусматривает увеличенное количество роликов и/или ролики большего размера с улучшенными условиями контакта торцов роликов с бортами внутреннего кольца. |
| NUP2212E TGP C3 | Внутренний зазор больше нормального. Повышенная грузоподъемность. Формованный полиамидный сепаратор оконного типа. Роликовые тела качения. |
| NUP2212-E-M6 | Повышенная грузоподъемность. Цельный латунный сепаратор с роликовыми направляющими для цилиндрических роликоподшипников. |
| NUP2212ECNRJ/C3 | Внутренний зазор больше нормального. Сепаратор из штампованной стали. Центрирование роликов. Незакаленный. Канавка под стопорное кольцо на наружном кольце с соответствующим стопорным кольцом. Оптимизированная внутренняя конструкция предусматривает увеличенное количество роликов и/или ролики большего размера с улучшенными условиями контакта торцов роликов с бортами внутреннего кольца. |
| NUP2212ECP/C3 | Внутренний зазор больше нормального. Оптимизированная внутренняя конструкция предусматривает увеличенное количество роликов и/или ролики большего размера с улучшенными условиями контакта торцов роликов с бортами внутреннего кольца. Сепаратор из стеклонаполненного полиамида PA66. центрируемый по роликам. |
| NUP2212.E.G15 | Повышенная грузоподъемность. Литой сепаратор из полиамида 6.6. армированного стекловолокном. Элемент качения по центру. |
| NUP2212ET2 C3 | Внутренний зазор больше нормального. Увеличенная грузоподъёмность. Сепаратор из полиамида. армированного стекловолокном. |
| NUP2212ECNRJ/C3VB288 | Внутренний зазор больше нормального. Сепаратор из штампованной стали. Центрирование роликов. Незакаленный. Канавка под стопорное кольцо на наружном кольце с соответствующим стопорным кольцом. Оптимизированная внутренняя конструкция предусматривает увеличенное количество роликов и/или ролики большего размера с улучшенными условиями контакта торцов роликов с бортами внутреннего кольца. |
| NUP2212ET2X C3 | Внутренний зазор больше нормального. |
| NUP2212ET | Сквозная закалка и шлифовка стали с переломом в одной точке. |
| NUP2212E | Однорядный цилиндрический роликоподшипник с увеличенной грузоподъемностью. |
| NUP2212-E-XL-N-M1-C3 | Внутренний зазор больше нормального. Повышенная грузоподъемность. Серия X-Life премиум-класс. увеличиный срок службы. Механически обработанный латунный сепаратор. вращающийся элемент качения (крестовина на заклепках). Канавка под стопорное кольцо на внешнем кольце. |
| NUP2212-E-MPA | Повышенная грузоподъемность. Твердый латунный сепаратор. |
| NUP2212-E-TVP3 | Повышенная грузоподъемность. Цельный сепаратор из полиамида PA66-GF25. сепаратор оконного типа. направляемый телами качения. |
| NUP2212-E-MA6 | Повышенная грузоподъемность. Изготовленный из двух частей латунный сепаратор. Центрирование по внешнему кольцу. Различные конструкции или сорта материалов обозначаются цифрой или буквой.. |
| NUP2212E.TVP | Повышенная грузоподъемность. Molded Snap-Type Cage Of Glass Fibre Reinforced Polyamide. Rolling Element Riding. |
| NUP2212FM/C3 | Внутренний зазор больше нормального. Y-образный подшипник серии YET2 (внутреннее кольцо выдвинуто с одной стороны. Эксцентриковая стопорная втулка). Стандартное уплотнение без фланца с каждой стороны. |
| NUP2212R | С выпуклыми асимметричными роликами и обработанным сепаратором. |
Модификации цилиндрического роликового подшипника NUP2212ECP — это измененное основное конструктивное исполнение NUP2212, основные размеры (60x110x28) не отличаются.
| Обозначение | Гост | Конструктивные особенности |
|---|---|---|
| SL182212-A | ISO | Особенность внутренней конструкции. |
| NJ2212EM | ISO | Стандартный фланцевый ( с резьбой и сквозным отверстием). |
| NJ2212E G15 | ISO | Повышенная грузоподъемность. Литой сепаратор из полиамида 6.6. армированного стекловолокном. Элемент качения по центру. |
| NU.2212.E.G15 | ISO | Повышенная грузоподъемность. Литой сепаратор из полиамида 6.6. армированного стекловолокном. Элемент качения по центру. |
| NU2212ECLA/P5 | ISO | Precision Class ABEC5. |
| NJ2212ET2X C3 | ISO | Внутренний зазор больше нормального. Повышенная грузоподъемность. Полиамидный сепаратор 4.6 для цилиндрических роликоподшипников. |
| NU2212ET2XC3 | ISO | Внутренний зазор больше нормального. Увеличенная грузоподъёмность. Полиамидный сепаратор 4.6 для цилиндрических роликоподшипников. |
| NJ2212A12 | ISO | Осевой люфт в микронах. |
| NJ2212E G1 C3 | ISO | Внутренний зазор больше нормального. Повышенная грузоподъемность. Обработанный латунный сепаратор для цилиндрических роликоподшипников. |
| NJ2212E C3 | ISO | Внутренний зазор больше нормального. Повышенная грузоподъемность. |
| NU2212-E-XL-MP1A-J30PC-C3 | ISO | Внутренний зазор больше нормального. Повышенная грузоподъемность. Серия X-Life премиум-класс. увеличиный срок службы. Твердый латунный сепаратор. Однорядный. С ребрами на внешнем кольце. Качество X-Life (грузоподъемность до 18 % больше. чем обычно). Кольца и тела качения с черным оксидным покрытием. |
| NU2212-E-MP1A-J30PC-C3 | ISO | Внутренний зазор больше нормального. Повышенная грузоподъемность. Твердый латунный сепаратор. Однорядный. С ребрами на внешнем кольце. Качество X-Life (грузоподъемность до 18 % больше. чем обычно). Кольца и тела качения с черным оксидным покрытием. |
| NU2212E TVP3 | ISO | Увеличенная грузоподъёмность. Цельный сепаратор из полиамида PA66-GF25. сепаратор оконного типа. направляемый телами качения. |
| NJ2212-E-XL-MPAX-C4 | ISO | Внутренний зазор подшипника больше. чем C3. Повышенная грузоподъемность. Серия X-Life премиум-класс. увеличиный срок службы. Ребристый однокомпонентный цельнолатунный сепаратор является дальнейшим развитием сепараторов FAG типов MPA и MP1A и будет последовательно заменять эти типы. Он обладает большей прочностью по отношению к ударным нагрузкам и вибрациям. чем его предшественники. и особенно хорошо подходит для применения в условиях высоких нагрузок. |
| NJ2212-E-MPAX-C4 | ISO | Внутренний зазор подшипника больше. чем C3. Повышенная грузоподъемность. Ребристый однокомпонентный цельнолатунный сепаратор является дальнейшим развитием сепараторов FAG типов MPA и MP1A и будет последовательно заменять эти типы. Он обладает большей прочностью по отношению к ударным нагрузкам и вибрациям. чем его предшественники. и особенно хорошо подходит для применения в условиях высоких нагрузок. |
| NJ2212E/TGP | ISO | Цилиндрический роликовый подшипник c увеличенной грузоподъемностью. Формованный полиамидный сепаратор оконного типа. Роликовые тела качения. |
| NJ2212EG1 | ISO | Повышенная грузоподъемность. Обработанный латунный сепаратор для цилиндрических роликоподшипников. |
| NJ2212-E-XL-N1-MPAX-C3-H144 | ISO | Внутренний зазор больше нормального. Повышенная грузоподъемность. Серия X-Life премиум-класс. увеличиный срок службы. Один установочный паз на внешней кромке наружного кольца (для радиального расположения подшипника). Требования к точности железнодорожных подшипников для Siemens. Ребристый однокомпонентный цельнолатунный сепаратор является дальнейшим развитием сепараторов FAG типов MPA и MP1A и будет последовательно заменять эти типы. Он обладает большей прочностью по отношению к ударным нагрузкам и вибрациям. чем его предшественники. и особенно хорошо подходит для применения в условиях высоких нагрузок. |
| NU2212-E-XL-N1-MPAX-C3-H144 | ISO | Внутренний зазор больше нормального. Повышенная грузоподъемность. Серия X-Life премиум-класс. увеличиный срок службы. Один установочный паз на внешней кромке наружного кольца (для радиального расположения подшипника). Требования к точности железнодорожных подшипников для Siemens. Ребристый однокомпонентный цельнолатунный сепаратор является дальнейшим развитием сепараторов FAG типов MPA и MP1A и будет последовательно заменять эти типы. Он обладает большей прочностью по отношению к ударным нагрузкам и вибрациям. чем его предшественники. и особенно хорошо подходит для применения в условиях высоких нагрузок. |
| NJ2212ECML/C3 | ISO | Внутренний зазор больше нормального. Оптимизированная внутренняя конструкция предусматривает увеличенное количество роликов и/или ролики большего размера с улучшенными условиями контакта торцов роликов с бортами внутреннего кольца. Механически обработанный латунный сепаратор. оконного типа. центрируемый по внутреннему или наружному кольцу в зависимости от типа подшипника. |
Аналог цилиндрического роликового подшипника NUP2212ECP — это подшипник такого же размера dx60,Dx110,Bx28, типа и конструкции.
| Обозначение | Конструктивные особенности | Внутренний (d) | Наружный (D) | Ширина (B) |
|---|---|---|---|---|
| 180512-С17 | Шариковый радиальный однорядный подшипник. Смазка Литол-24. | 60.00 | 110.00 | 28.00 |
| 180512-С9 | Шариковый радиальный однорядный подшипник. Смазка ЛЗ-31. | 60.00 | 110.00 | 28.00 |
| 26-180512 С26Ш2У | Шариковый радиальный однорядный подшипник. Дополнительные технические требования. Нормы шумности. Смазка ЛДС-3. | 60.00 | 110.00 | 28.00 |
| 6-92512 Д | Роликовый радиальный однорядный подшипник. Сепаратор из алюминиевого сплава.. | 60.00 | 110.00 | 28.00 |
| 67512A | Роликовый радиальный-упорный однорядный подшипник. Двухрядный радиально-упорный шарикоподшипник без отверстия для смазки. | 60.00 | 110.00 | 28.00 |
| 7512Х1 | Роликовый радиальный-упорный однорядный подшипник. Кольца и тела качения или только кольца (в том числе одно кольцо) из цементируемой стали.. | 60.00 | 110.00 | 28.00 |
| 76-180512 К1С9Ш2У | Шариковый радиальный однорядный подшипник. Дополнительные технические требования. Нормы шумности. Смазка ЛЗ-31. | 60.00 | 110.00 | 28.00 |
| 76-180512 С26Ш2У | Шариковый радиальный однорядный подшипник. Дополнительные технические требования. Нормы шумности. Смазка ЛДС-3. | 60.00 | 110.00 | 28.00 |
| 76-180512 С9Ш2У | Шариковый радиальный однорядный подшипник. Дополнительные технические требования. Нормы шумности. Смазка ЛЗ-31. | 60.00 | 110.00 | 28.00 |
| 2212-K+H312 | Шариковый сферический двухрядный подшипник. Коническое внутреннее отверстие. | 60.00 | 110.00 | 28.00 |
| 2212S | Шариковый сферический двухрядный подшипник. Запечатанная версия кулачкового ролика. Только для внутреннего и наружного колец. | 60.00 | 110.00 | 28.00 |
| 42512У2 | Роликовый радиальный двухрядный подшипник. Дополнительные технические требования. | 60.00 | 110.00 | 28.00 |
| 5-32512 Д | Роликовый радиальный подшипник. Сепаратор из алюминиевого сплава.. | 60.00 | 110.00 | 28.00 |
| 5-32512 Д1 | Роликовый радиальный подшипник. Сепаратор из алюминиевого сплава.. | 60.00 | 110.00 | 28.00 |
| 55-32512 Д1 | Роликовый радиальный однорядный подшипник. Сепаратор из алюминиевого сплава.. | 60.00 | 110.00 | 28.00 |
Способы доставки
Отправка через ведущие транспортные и курьерские компании: ПЭК, Деловые Линии, СДЭК, Байкал-Сервис, Энергия, КИТ, ЖелДорЭкспедиция.
Самовывоз возможен напрямую со склада в Москве.
Сроки доставки
Срок зависит от региона и выбранной транспортной компании. Все заказы комплектуются и отправляются в кратчайшие сроки со склада в Москве.
Надёжность и сохранность
Вся продукция упаковывается с учётом требований транспортировки. Мы гарантируем, что подшипники и комплектующие прибудут к заказчику в полной сохранности.
Доставка в страны ЕАЭС
Мы работаем с проверенными логистическими партнёрами, что позволяет оперативно доставлять заказы в Беларусь, Казахстан, Армению и другие страны ЕАЭС.
Варианты оплаты:
Минимальная сумма заказа и скидки:
Документы и гарантии:
Да, конечно! Наши технические специалисты готовы помочь вам с подбором точного аналога или замены подшипника. Просто позвоните нам по телефону +7 (495) 104-99-04 или напишите на почту zakaz@podsnab.ru.
Для оперативной консультации подготовьте, пожалуйста, имеющиеся данные: маркировку, размеры, тип оборудования или артикул старого подшипника.
Да, конечно! Мы высоко ценим долгосрочное сотрудничество и доверие клиентов по всей России. Для постоянных клиентов действует персональная система скидок.
Условия формируются индивидуально и зависят от:
Чтобы узнать свои условия и получить максимально выгодное предложение, свяжитесь с персональным менеджером или напишите нам на почту zakaz@podsnab.ru.
Вы можете оформить заказ несколькими способами:
Для оформления заказа от юридического лица свяжитесь с нашим отделом по работе с корпоративными клиентами по телефону +7 (495) 104-99-04 или напишите на email zakaz@podsnab.ru, прикрепив реквизиты вашей организации.
Мы оперативно подготовим коммерческое предложение и выставим счет.
Возврат товара надлежащего качества возможен в течение 10 дней с момента получения, если товар не был в употреблении, сохранен товарный вид, упаковка не вскрывалась и присутствуют все сопроводительные документы.
Возврат денежных средств осуществляется в течение 10 рабочих дней после проверки товара складом.
В соответствии с законодательством возврату не подлежат подшипники надлежащего качества, если отсутствует оригинальная упаковка или имеются следы монтажа.
В случае выявления брака или гарантийного случая мы гарантируем возврат или обмен товара.
Да, гарантийный срок хранения устанавливается заводом-изготовителем и в среднем составляет 2 года при соблюдении условий хранения: сухое помещение, оригинальная упаковка и смазка.
Точный срок для конкретного типа подшипника уточняйте у наших менеджеров.
Пн–Пт: с 8:00 до 17:00 (МСК).
Сб–Вс: выходные дни.
Заказы на сайте принимаются круглосуточно. Заявки, поступившие после окончания рабочего дня, обрабатываются на следующий рабочий день.
Минимальная сумма заказа для доставки составляет 3000 рублей. Самовывоз со склада возможен на любую сумму при наличии товара.
ООО «УралТехГрупп»
ИНН: 7415093830
КПП: 772401001
ОГРН: 1167456069021
Банк: ПАО Сбербанк
Р/с: 40702810838000475273
К/с: 30101810400000000225
БИК: 044525225
У подшипника NUP2212ECP пока нет отзывов. Вы можете стать первым покупателем, поделившимся своим мнением.