Поиск подшипника
Статьи
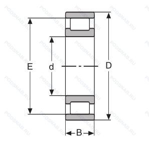
CRM13 — Однорядный цилиндрический роликовый подшипник, основное исполнение, производство RHP.
Размер подшипника: 41x101x23 мм.
Альтернативное обозначение: MRJ1.5/8, NM13, PBPV13, RMS13.1/2.
Аналоги: RMS13.1/2 FAG,RMS13.1/2V3 Hoffmann.
Международная стандартизации ISO
CRM13
В наличии
| Обозначение | Конструктивные изменения |
|---|---|
| CRM13A | Цилиндрический роликоподшипник. С углом фланца 1 градус 40 минут. Сферические роликовые наконечники. |
Модификации цилиндрического роликового подшипника CRM13 — это измененное основное конструктивное исполнение CRM13, основные размеры (41x101x23) не отличаются.
| Обозначение | Гост | Конструктивные особенности |
|---|---|---|
| RMS13.1/2M | ISO | Однорядный цилиндрический роликовый подшипник. |
| RMS13 | ISO | Однорядный цилиндрический роликовый подшипник. |
| RMS13.1/2V3 M | ISO | Механически обработанный латунный сепаратор .Расположенный на элементах качения. |
| MRJ1.5/8 | ISO | Distance Between Beginning Of The Rail And First Hole In MM. Средний предварительный натяг. |
| MRJ1.5/8J | ISO | Однорядный цилиндрический роликовый подшипник. |
| RMS13.1/2 | ISO | ISO Tolerance Class ABEC.9. Number Of Carriages Per Rail Track. |
| RM13.1/2L | ISO | Number Of Carriages Per Rail Track. Hight Speed. Low Temperature. |
| MRJA1.5/8 | ISO | Distance Between Beginning Of The Rail And First Hole In MM. Средний предварительный натяг. |
| MRJ1.5/8M | ISO | Механически обработанный латунный сепаратор .Расположенный на элементах качения. |
| MRJ1.5/8MB | ISO | Однокомпонентное внутреннее кольцо с центрированным сепаратором из механически обработанной латуни. |
| RMS13.1/2.C3 | ISO | Внутренний зазор больше нормального. |
| MRJA1.5/8J | ISO | Прессованный стальной сепаратор. |
| MMRJ1.5/8 | ISO | Distance Between Beginning Of The Rail And First Hole In MM. Средний предварительный натяг. |
| NM13 | ISO | Однорядный цилиндрический роликовый подшипник. |
| MRJA1.5/8C3 | ISO | Внутренний зазор больше нормального. |
| RMS13.1/2V3 | ISO | Однорядный цилиндрический роликовый подшипник. |
| MRJA1.5/8M | ISO | Однорядный цилиндрический роликовый подшипник. |
Аналог цилиндрического роликового подшипника CRM13 — это подшипник такого же размера dx41,Dx101,Bx23, типа и конструкции.
| Обозначение | Конструктивные особенности | Внутренний (d) | Наружный (D) | Ширина (B) |
|---|---|---|---|---|
| RM13MB | Подшипник шариковый двухрядный самоустанавливающийся. Конический роликовый подшипник. Угол контакта 20 градусов. | 41.28 | 101.60 | 23.81 |
| MJT1.5/8 | Подшипник шариковый однорядный радиально-упорный. Distance Between Beginning Of The Rail And First Hole In MM. Средний предварительный натяг. | 41.27 | 101.60 | 23.81 |
| MS13.1/2 | Подшипник однорядный шариковый радиальный. ISO Tolerance Class ABEC.9. Number Of Carriages Per Rail Track. | 41.28 | 101.60 | 23.81 |
| MS13.1/2AC | Подшипник шариковый однорядный радиально-упорный. Суффикс для радиально-упорного шарикоподшипника. | 41.28 | 101.60 | 23.81 |
| MJT1.5/8MBS | Подшипник шариковый однорядный радиально-упорный. Standard Axial Clearance. Suffix Always Follows Pairing Suffix. Латунный сепаратор. Центрированный на внутреннем кольце. | 41.28 | 101.60 | 23.81 |
| RM13M | Подшипник шариковый двухрядный самоустанавливающийся. Твердый латунный сепаратор. | 41.28 | 101.60 | 23.81 |
| MJ1.5/8NR | Подшипник однорядный шариковый радиальный. Канавка под стопорное кольцо на наружном кольце с соответствующим стопорным кольцом. | 41.27 | 101.60 | 23.81 |
| NMJ1.5/8MB C3 | Подшипник шариковый двухрядный самоустанавливающийся. Внутренний зазор больше нормального. Цельное внутреннее кольцо. Центрированный обработанный латунный сепаратор. | 41.28 | 101.60 | 23.81 |
| QJM1.5/8 | Подшипник шариковый с четырехточечным контактом. Distance Between Beginning Of The Rail And First Hole In MM. Средний предварительный натяг. | 41.27 | 101.60 | 23.81 |
| 308KS A1596 | Подшипник однорядный шариковый радиальный. Ball Bearing. Conrad Type. Single Row. Deep Groove (100K Series). | 40.00 | 100.00 | 23.00 |
| MJ1.5/8NRJ | Подшипник однорядный шариковый радиальный. Pressed Steel Cage. Rolling Element Centerd. Канавка под стопорное кольцо на наружном кольце с соответствующим стопорным кольцом. | 41.28 | 101.60 | 23.81 |
| MJT1.5/8MB | Подшипник шариковый однорядный радиально-упорный. Механически обработанный латунный сепаратор. клёпаный. центрируемый по внутреннему кольцу. | 41.28 | 101.60 | 23.81 |
| MJ1.5/8-N | Шариковый радиальный однорядный подшипник. Канавка под стопорное кольцо на внешнем кольце. Distance Between Beginning Of The Rail And First Hole In MM. Средний предварительный натяг. | 41.27 | 101.60 | 23.81 |
| MJ1.5/8-2Z | Шариковый радиальный однорядный подшипник. Защитные металлические шайбы с обеих сторон подшипника. Distance Between Beginning Of The Rail And First Hole In MM. Средний предварительный натяг. | 41.27 | 101.60 | 23.81 |
| MJ1.5/8-Z | Шариковый радиальный однорядный подшипник. щит из листовой прессованной стали с одной стороны подшипника. Distance Between Beginning Of The Rail And First Hole In MM. Средний предварительный натяг. | 41.27 | 101.60 | 23.81 |
Способы доставки
Отправка через ведущие транспортные и курьерские компании: ПЭК, Деловые Линии, СДЭК, Байкал-Сервис, Энергия, КИТ, ЖелДорЭкспедиция.
Самовывоз возможен напрямую со склада в Москве.
Сроки доставки
Срок зависит от региона и выбранной транспортной компании. Все заказы комплектуются и отправляются в кратчайшие сроки со склада в Москве.
Надёжность и сохранность
Вся продукция упаковывается с учётом требований транспортировки. Мы гарантируем, что подшипники и комплектующие прибудут к заказчику в полной сохранности.
Доставка в страны ЕАЭС
Мы работаем с проверенными логистическими партнёрами, что позволяет оперативно доставлять заказы в Беларусь, Казахстан, Армению и другие страны ЕАЭС.
Варианты оплаты:
Минимальная сумма заказа и скидки:
Документы и гарантии:
Да, конечно! Наши технические специалисты готовы помочь вам с подбором точного аналога или замены подшипника. Просто позвоните нам по телефону +7 (495) 104-99-04 или напишите на почту zakaz@podsnab.ru.
Для оперативной консультации подготовьте, пожалуйста, имеющиеся данные: маркировку, размеры, тип оборудования или артикул старого подшипника.
Да, конечно! Мы высоко ценим долгосрочное сотрудничество и доверие клиентов по всей России. Для постоянных клиентов действует персональная система скидок.
Условия формируются индивидуально и зависят от:
Чтобы узнать свои условия и получить максимально выгодное предложение, свяжитесь с персональным менеджером или напишите нам на почту zakaz@podsnab.ru.
Вы можете оформить заказ несколькими способами:
Для оформления заказа от юридического лица свяжитесь с нашим отделом по работе с корпоративными клиентами по телефону +7 (495) 104-99-04 или напишите на email zakaz@podsnab.ru, прикрепив реквизиты вашей организации.
Мы оперативно подготовим коммерческое предложение и выставим счет.
Возврат товара надлежащего качества возможен в течение 10 дней с момента получения, если товар не был в употреблении, сохранен товарный вид, упаковка не вскрывалась и присутствуют все сопроводительные документы.
Возврат денежных средств осуществляется в течение 10 рабочих дней после проверки товара складом.
В соответствии с законодательством возврату не подлежат подшипники надлежащего качества, если отсутствует оригинальная упаковка или имеются следы монтажа.
В случае выявления брака или гарантийного случая мы гарантируем возврат или обмен товара.
Да, гарантийный срок хранения устанавливается заводом-изготовителем и в среднем составляет 2 года при соблюдении условий хранения: сухое помещение, оригинальная упаковка и смазка.
Точный срок для конкретного типа подшипника уточняйте у наших менеджеров.
Пн–Пт: с 8:00 до 17:00 (МСК).
Сб–Вс: выходные дни.
Заказы на сайте принимаются круглосуточно. Заявки, поступившие после окончания рабочего дня, обрабатываются на следующий рабочий день.
Минимальная сумма заказа для доставки составляет 3000 рублей. Самовывоз со склада возможен на любую сумму при наличии товара.
ООО «УралТехГрупп»
ИНН: 7415093830
КПП: 772401001
ОГРН: 1167456069021
Банк: ПАО Сбербанк
Р/с: 40702810838000475273
К/с: 30101810400000000225
БИК: 044525225
У подшипника CRM13 пока нет отзывов. Вы можете стать первым покупателем, поделившимся своим мнением.