Поиск подшипника
Статьи
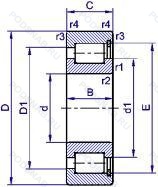
SL18-1852 — однорядный цилиндрический роликовый подшипник, основное исполнение, выпускается производителями: INA, ISO, Подшипники NBS.
Размер подшипника: 260x320x28 мм.
Тип: Узкое внутреннее кольцо, легкая нагрузка, корпус из штампованной стали, установочный винт.
Альтернативное обозначение: NCF1852V.
Аналоги: SL181852-E INA.
Международная стандартизации ISO
SL181852
В наличии
| Обозначение | Конструктивные изменения |
|---|---|
| SL18-1852E C4 | однорядный цилиндрический роликовый подшипник. |
| SL181852-BR-E | Повышенная грузоподъемность. Чёрный цвет. |
| SL181852-E-REP | Повышенная грузоподъемность. Repaired Bearing. |
| SL18-1852A | Особенность внутренней конструкции. |
| SL18-1852A C3 | Внутренний зазор больше нормального. Особенность внутренней конструкции. |
| SL181852-E | Повышенная грузоподъемность. |
| SL181852-E-BR | Повышенная грузоподъемность. Чёрный цвет. |
| SL181852-E-C3 | Внутренний зазор больше нормального. Повышенная грузоподъемность. |
| SL181852-E-BR-C3 | Внутренний зазор больше нормального. Повышенная грузоподъемность. Чёрный цвет. |
Модификации цилиндрического роликового подшипника SL18-1852 — это измененное основное конструктивное исполнение SL181852, основные размеры (260x320x28) не отличаются.
| Обозначение | Гост | Конструктивные особенности |
|---|---|---|
| NCF1852V/C3 | ISO | Внутренний зазор больше нормального. Подшипник без сепаратора. С полным комплектом тел качения. |
| NCF1852V | ISO | Подшипник без сепаратора. С полным комплектом тел качения. Однорядный без сепараторный цилиндрический роликовый подшипник. Два борта на внутреннем кольце и один борт на наружном. |
Аналог цилиндрического роликового подшипника SL18-1852 — это подшипник такого же размера dx260,Dx320,Bx28, типа и конструкции.
| Обозначение | Конструктивные особенности | Внутренний (d) | Наружный (D) | Ширина (B) |
|---|---|---|---|---|
| 1612852M | Роликовый радиальный однорядный подшипник. Подшипник с латунным сепаратором. центрированный по телам качения. | 260.00 | 320.00 | 28.00 |
| 6-1612852 М | Роликовый радиальный цилиндрический подшипник. Модифицированный контакт.. | 260.00 | 320.00 | 28.00 |
| 7852A | Шариковый радиально-упорный однорядный подшипник. Двухрядный радиально-упорный шарикоподшипник без отверстия для смазки. | 260.00 | 320.00 | 28.00 |
| 7852B | Шариковый радиально-упорный однорядный подшипник. Конический роликовый подшипник. Угол контакта 20 градусов. | 260.00 | 320.00 | 28.00 |
| 61852 2BRS | Шариковый радиальный однорядный подшипник. Бесконтактные лабиринтные уплотнения с обеих сторон. | 260.00 | 320.00 | 28.00 |
| 61852 2URS | Шариковый радиальный однорядный подшипник. Специальное манжетное уплотнение с обеих сторон подшипника. | 260.00 | 320.00 | 28.00 |
| 61852 2Z | Шариковый радиальный однорядный подшипник. Защитные металлические шайбы с обеих сторон подшипника. | 260.00 | 320.00 | 28.00 |
| 61852 BRS | Шариковый радиальный однорядный подшипник. Бесконтактные лабиринтные уплотнения с одной стороны. | 260.00 | 320.00 | 28.00 |
| 1000852-Л | Шариковый радиальный однорядный подшипник. Сепаратор из латуни.. | 260.00 | 320.00 | 28.00 |
| 6-1000852 АЛШ1 | Шариковый радиальный однорядный подшипник. Сепаратор из латуни.. Повышенная грузоподъемность. Нормы шумности. | 260.00 | 320.00 | 28.00 |
| 6-1000852 АЛШ | Шариковый радиальный однорядный подшипник. Сепаратор из латуни.. Повышенная грузоподъемность. Нормы шумности. | 260.00 | 320.00 | 28.00 |
| 6-1000852 Л | Шариковый радиальный однорядный подшипник. Сепаратор из латуни.. | 260.00 | 320.00 | 28.00 |
| 61852 2RS | Шариковый радиальный однорядный подшипник. Резиновые уплотнения с каждой стороны подшипника. | 260.00 | 320.00 | 28.00 |
| 1000852-АЛ | Шариковый радиальный однорядный подшипник. Сепаратор из латуни.. Повышенная грузоподъемность. | 260.00 | 320.00 | 28.00 |
| 6-1000852 Д | Шариковый радиальный однорядный подшипник. Сепаратор из алюминиевого сплава.. | 260.00 | 320.00 | 28.00 |
Способы доставки
Отправка через ведущие транспортные и курьерские компании: ПЭК, Деловые Линии, СДЭК, Байкал-Сервис, Энергия, КИТ, ЖелДорЭкспедиция.
Самовывоз возможен напрямую со склада в Москве.
Сроки доставки
Срок зависит от региона и выбранной транспортной компании. Все заказы комплектуются и отправляются в кратчайшие сроки со склада в Москве.
Надёжность и сохранность
Вся продукция упаковывается с учётом требований транспортировки. Мы гарантируем, что подшипники и комплектующие прибудут к заказчику в полной сохранности.
Доставка в страны ЕАЭС
Мы работаем с проверенными логистическими партнёрами, что позволяет оперативно доставлять заказы в Беларусь, Казахстан, Армению и другие страны ЕАЭС.
Варианты оплаты:
Минимальная сумма заказа и скидки:
Документы и гарантии:
Да, конечно! Наши технические специалисты готовы помочь вам с подбором точного аналога или замены подшипника. Просто позвоните нам по телефону +7 (495) 104-99-04 или напишите на почту zakaz@podsnab.ru.
Для оперативной консультации подготовьте, пожалуйста, имеющиеся данные: маркировку, размеры, тип оборудования или артикул старого подшипника.
Да, конечно! Мы высоко ценим долгосрочное сотрудничество и доверие клиентов по всей России. Для постоянных клиентов действует персональная система скидок.
Условия формируются индивидуально и зависят от:
Чтобы узнать свои условия и получить максимально выгодное предложение, свяжитесь с персональным менеджером или напишите нам на почту zakaz@podsnab.ru.
Вы можете оформить заказ несколькими способами:
Для оформления заказа от юридического лица свяжитесь с нашим отделом по работе с корпоративными клиентами по телефону +7 (495) 104-99-04 или напишите на email zakaz@podsnab.ru, прикрепив реквизиты вашей организации.
Мы оперативно подготовим коммерческое предложение и выставим счет.
Возврат товара надлежащего качества возможен в течение 10 дней с момента получения, если товар не был в употреблении, сохранен товарный вид, упаковка не вскрывалась и присутствуют все сопроводительные документы.
Возврат денежных средств осуществляется в течение 10 рабочих дней после проверки товара складом.
В соответствии с законодательством возврату не подлежат подшипники надлежащего качества, если отсутствует оригинальная упаковка или имеются следы монтажа.
В случае выявления брака или гарантийного случая мы гарантируем возврат или обмен товара.
Да, гарантийный срок хранения устанавливается заводом-изготовителем и в среднем составляет 2 года при соблюдении условий хранения: сухое помещение, оригинальная упаковка и смазка.
Точный срок для конкретного типа подшипника уточняйте у наших менеджеров.
Пн–Пт: с 8:00 до 17:00 (МСК).
Сб–Вс: выходные дни.
Заказы на сайте принимаются круглосуточно. Заявки, поступившие после окончания рабочего дня, обрабатываются на следующий рабочий день.
Минимальная сумма заказа для доставки составляет 3000 рублей. Самовывоз со склада возможен на любую сумму при наличии товара.
ООО «УралТехГрупп»
ИНН: 7415093830
КПП: 772401001
ОГРН: 1167456069021
Банк: ПАО Сбербанк
Р/с: 40702810838000475273
К/с: 30101810400000000225
БИК: 044525225
У подшипника SL18-1852 пока нет отзывов. Вы можете стать первым покупателем, поделившимся своим мнением.