Поиск подшипника
Статьи
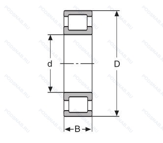
LLRJN1 — Однорядный цилиндрический роликовый подшипник, основное исполнение, производство RHP.
Размер подшипника: 25x57x15 мм.
Однорядный цилиндрический роликоподшипник, два фланца на каждом кольце, легкая серия, дюймовая серия.
Аналоги: LRJ1J RHP,CRL8A SKF,LRJ1DESA RHP.
Международная стандартизации ISO
LLRJN1
В наличии
| Обозначение | Конструктивные изменения |
|---|---|
| LLRJN1.3/8 | Размерные и геометрические допуски соответствуют классу точности P6. Средний предварительный натяг. |
| LLRJN1C3 | Внутренний зазор больше нормального. |
| LLRJN1.1/8M | Механически обработанный латунный сепаратор .Расположенный на элементах качения. Number Of Carriages Per Rail Track. |
| LLRJN1.1/4J | Прессованный стальной сепаратор. Number Of Carriages Per Rail Track. |
| LLRJN1.7/8 | Небольшая предварительная нагрузка. Средний предварительный натяг. |
Модификации цилиндрического роликового подшипника LLRJN1 — это измененное основное конструктивное исполнение LLRJN1, основные размеры (25x57x15) не отличаются.
| Обозначение | Гост | Конструктивные особенности |
|---|---|---|
| CRL8 | ISO | Однорядный цилиндрический роликовый подшипник. |
| LRJ1 | ISO | Однорядный цилиндрический роликовый подшипник. |
| CRL8A | ISO | Двухрядный радиально-упорный шарикоподшипник без отверстия для смазки. |
| CFL8A | ISO | Цилиндрический роликоподшипник. С углом фланца 1 градус 40 минут. Сферические роликовые наконечники. |
| LRJA1J | ISO | Дорожки качения наружного кольца. угол контакта и ширина наружного кольца в соответствии с ISO. |
| LRJ1C3 | ISO | Внутренний зазор больше нормального. |
| NL8TGP | ISO | Формованный полиамидный сепаратор оконного типа. Роликовые тела качения. |
| LRJ1J | ISO | Дорожки качения наружного кольца. угол контакта и ширина наружного кольца в соответствии с ISO. |
| CRL8MB | ISO | Механически обработанный латунный сепаратор. клёпаный. центрируемый по внутреннему кольцу. |
| LRJ1DESA | ISO | Конструкция А. |
| CRL8A/D-O | ISO | Половина целого игольчатого валика. Применять суффикс 'D' в базовом номере. Цилиндрический роликоподшипник. С углом фланца 1 градус 40 минут. Сферические роликовые наконечники. Класс точности 1 по стандарту ABEC 1F. |
| 512675 | ISO | Однорядный цилиндрический роликовый подшипник. |
| RLS10M | ISO | Механически обработанный латунный сепаратор .Расположенный на элементах качения. |
| NL8 | ISO | Однорядный цилиндрический роликовый подшипник. |
| LRJ1E | ISO | Повышенная грузоподъемность. |
| RLS10V3 | ISO | Уровень вибрации 3. |
| LRJ1J C3 | ISO | Внутренний зазор больше нормального. Сепаратор из стали. |
| LRJA1-C3 | ISO | Внутренний зазор больше нормального. |
| RL10L | ISO | Механически обработанный алюминиевый фиксатор. Направляющий роликовый элемент. |
| LRJA1 | ISO | Прессованный стальной сепаратор. |
Аналог цилиндрического роликового подшипника LLRJN1 — это подшипник такого же размера dx25,Dx57,Bx15, типа и конструкции.
| Обозначение | Конструктивные особенности | Внутренний (d) | Наружный (D) | Ширина (B) |
|---|---|---|---|---|
| SC05A79C3 | Шариковый радиальный однорядный подшипник. Внутренний радиальный зазор С3. Уплотнение из полиакрила. | 25.00 | 58.00 | 15.00 |
| SCO555LU/L102 | Шариковый радиальный однорядный подшипник. Массивный латунный сепаратор. Двухкромочное нитриловое контактное уплотнение. | 25.00 | 58.00 | 16.00 |
| SX05A52 | Шариковый радиальный однорядный подшипник. Уплотнение из полиакрила. | 24.00 | 56.00 | 14.00 |
| TM-SC05C20C4 | Шариковый радиальный однорядный подшипник. Механически обработанный сепаратор. Внутренний радиальный зазор С4. Внутренний радиальный зазор С2. | 25.00 | 57.00 | 16.00 |
| TM-SC05C59 | Шариковый радиальный однорядный подшипник. Механически обработанный сепаратор. Внутренний радиальный зазор С5. | 26.00 | 58.00 | 14.00 |
| TM-SC05A61V1 | Шариковый радиальный однорядный подшипник. Механически обработанный сепаратор. Уплотнение из полиакрила. | 26.00 | 58.00 | 15.00 |
| TMB205JR2/56CS18 | Шариковый радиальный однорядный подшипник. Механически обработанный сепаратор. Штампованный сепаратор из упрочнённой стали. Изготовлено из специально термически обработанной стали. | 25.00 | 56.00 | 15.00 |
| 62/28/25/L102Q2U66 | Шариковый радиальный однорядный подшипник. Открытый подшипник с канавками для установки плотнений. Distance Between Beginning Of The Rail And First Hole In MM. Массивный латунный сепаратор. | 25.00 | 58.00 | 16.00 |
| 62/28/25 | Шариковый радиальный однорядный подшипник. Distance Between Beginning Of The Rail And First Hole In MM. | 25.00 | 58.00 | 16.00 |
| LJ1-RS | Шариковый радиальный однорядный подшипник. Резиновое уплотнение с одной стороны. | 25.40 | 57.15 | 15.88 |
| LJ1-NR | Шариковый радиальный однорядный подшипник. Канавка под стопорное кольцо на наружном кольце с соответствующим стопорным кольцом. | 25.40 | 57.15 | 15.88 |
| LJ1-Z | Шариковый радиальный однорядный подшипник. щит из листовой прессованной стали с одной стороны подшипника. | 25.40 | 57.15 | 15.88 |
| AB44083S01 | Шариковый радиальный однорядный подшипник. Сферический наружный диаметр. | 26.00 | 58.00 | 15.00 |
| AB44188S01 | Шариковый радиальный однорядный подшипник. Сферический наружный диаметр. | 26.00 | 58.00 | 14.00 |
| SRLS8-2RS | Шариковый радиальный однорядный подшипник. Резиновые уплотнения с каждой стороны подшипника. | 25.40 | 57.15 | 15.88 |
Способы доставки
Отправка через ведущие транспортные и курьерские компании: ПЭК, Деловые Линии, СДЭК, Байкал-Сервис, Энергия, КИТ, ЖелДорЭкспедиция.
Самовывоз возможен напрямую со склада в Москве.
Сроки доставки
Срок зависит от региона и выбранной транспортной компании. Все заказы комплектуются и отправляются в кратчайшие сроки со склада в Москве.
Надёжность и сохранность
Вся продукция упаковывается с учётом требований транспортировки. Мы гарантируем, что подшипники и комплектующие прибудут к заказчику в полной сохранности.
Доставка в страны ЕАЭС
Мы работаем с проверенными логистическими партнёрами, что позволяет оперативно доставлять заказы в Беларусь, Казахстан, Армению и другие страны ЕАЭС.
Варианты оплаты:
Минимальная сумма заказа и скидки:
Документы и гарантии:
Да, конечно! Наши технические специалисты готовы помочь вам с подбором точного аналога или замены подшипника. Просто позвоните нам по телефону +7 (495) 104-99-04 или напишите на почту zakaz@podsnab.ru.
Для оперативной консультации подготовьте, пожалуйста, имеющиеся данные: маркировку, размеры, тип оборудования или артикул старого подшипника.
Да, конечно! Мы высоко ценим долгосрочное сотрудничество и доверие клиентов по всей России. Для постоянных клиентов действует персональная система скидок.
Условия формируются индивидуально и зависят от:
Чтобы узнать свои условия и получить максимально выгодное предложение, свяжитесь с персональным менеджером или напишите нам на почту zakaz@podsnab.ru.
Вы можете оформить заказ несколькими способами:
Для оформления заказа от юридического лица свяжитесь с нашим отделом по работе с корпоративными клиентами по телефону +7 (495) 104-99-04 или напишите на email zakaz@podsnab.ru, прикрепив реквизиты вашей организации.
Мы оперативно подготовим коммерческое предложение и выставим счет.
Возврат товара надлежащего качества возможен в течение 10 дней с момента получения, если товар не был в употреблении, сохранен товарный вид, упаковка не вскрывалась и присутствуют все сопроводительные документы.
Возврат денежных средств осуществляется в течение 10 рабочих дней после проверки товара складом.
В соответствии с законодательством возврату не подлежат подшипники надлежащего качества, если отсутствует оригинальная упаковка или имеются следы монтажа.
В случае выявления брака или гарантийного случая мы гарантируем возврат или обмен товара.
Да, гарантийный срок хранения устанавливается заводом-изготовителем и в среднем составляет 2 года при соблюдении условий хранения: сухое помещение, оригинальная упаковка и смазка.
Точный срок для конкретного типа подшипника уточняйте у наших менеджеров.
Пн–Пт: с 8:00 до 17:00 (МСК).
Сб–Вс: выходные дни.
Заказы на сайте принимаются круглосуточно. Заявки, поступившие после окончания рабочего дня, обрабатываются на следующий рабочий день.
Минимальная сумма заказа для доставки составляет 3000 рублей. Самовывоз со склада возможен на любую сумму при наличии товара.
ООО «УралТехГрупп»
ИНН: 7415093830
КПП: 772401001
ОГРН: 1167456069021
Банк: ПАО Сбербанк
Р/с: 40702810838000475273
К/с: 30101810400000000225
БИК: 044525225
У подшипника LLRJN1 пока нет отзывов. Вы можете стать первым покупателем, поделившимся своим мнением.