Поиск подшипника
Статьи
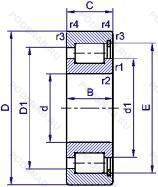
SL18-3017 — однорядный цилиндрический роликовый подшипник, основное исполнение, выпускается производителями: INA, ISO, Подшипники NBS.
Размер подшипника: 85x130x34 мм.
Тип: Узкое внутреннее кольцо, легкая нагрузка, корпус из штампованной стали, установочный винт.
Альтернативное обозначение: NCF3017V.
Аналоги: SL183017-A INA.
Международная стандартизации ISO
SL183017
В наличии
| Обозначение | Конструктивные изменения |
|---|---|
| SL183017-A-C3-2S-E49C | Внутренний зазор больше нормального. Двухрядный радиально-упорный шарикоподшипник без отверстия для смазки. Bearings Matched In Set Of Two For Side-By-Side Mounting. |
| SL18-3017A | Особенность внутренней конструкции. |
| SL18-3017A C3 | Внутренний зазор больше нормального. Особенность внутренней конструкции. |
| SL18-3017AE | Особенность внутренней конструкции. Повышенная грузоподъемность. |
| SL18-3017C3 | Внутренний зазор больше нормального. |
Модификации цилиндрического роликового подшипника SL18-3017 — это измененное основное конструктивное исполнение SL183017, основные размеры (85x130x34) не отличаются.
| Обозначение | Гост | Конструктивные особенности |
|---|---|---|
| NCF3017V C3 | ISO | Внутренний зазор больше нормального. Подшипник без сепаратора. С полным комплектом тел качения. |
| NCF3017CV | ISO | Полноразмерный цилиндрический роликоподшипник с модифицированной внутренней конструкцией. Однорядный без сепараторный цилиндрический роликовый подшипник. |
| NCF3017V | ISO | Полный комплект роликов (без сепаратора). Однорядный без сепараторный цилиндрический роликовый подшипник. Два борта на внутреннем кольце и один борт на наружном. |
Аналог цилиндрического роликового подшипника SL18-3017 — это подшипник такого же размера dx85,Dx130,Bx34, типа и конструкции.
| Обозначение | Конструктивные особенности | Внутренний (d) | Наружный (D) | Ширина (B) |
|---|---|---|---|---|
| NN3017.W33.M.SP.Q851 | Подшипник роликовый цилиндрический двухрядный. Канавка для смазки и три отверстия во внешнем кольце подшипника. Machined Brass Cage Located On Rolling Elements. Точность размеров примерно соответствует классу точности Р5. биения — классу точности Р4. Smaller Bearing Clearance. | 85.00 | 130.00 | 34.00 |
| NN3017M2KC1NAP4 | Подшипник роликовый цилиндрический двухрядный. Коническое отверстие. конус 1/12. Класс точности Р4 по ISO (точнее. чем P5) - Abec.7. Латунный сепаратор из двух частей с механической обработкой. Неизменяемый радиальный внутренний зазор для цилиндрического роликоподшипника. | 85.00 | 130.00 | 34.00 |
| NN3017BKRE44CC1P4 | Подшипник роликовый цилиндрический двухрядный. Точность размеров и хода по классу точности 4 по ISO (более точная. чем P5) - Abec7. Коническое отверстие. Для невзаимозаменяемых цилиндрических роликоподшипников. Зазор менее СС2. Наружное кольцо с обработанной смазочной канавкой и отверстиями (только для двурядных). | 85.00 | 130.00 | 34.00 |
| NN3017TBKRE44CC1P4 | Подшипник роликовый цилиндрический двухрядный. Сепаратор оконного типа из фенольной смолы. укрепленной тканью. Центрирующее внутреннее кольцо. Точность размеров и хода по классу точности 4 по ISO (более точная. чем P5) - Abec7. Коническое отверстие. Для невзаимозаменяемых цилиндрических роликоподшипников. Зазор менее СС2. Наружное кольцо с обработанной смазочной канавкой и отверстиями (только для двурядных). | 85.00 | 130.00 | 34.00 |
| NN3017MBECC2P4 | Подшипник роликовый цилиндрический двухрядный. Механически обработанный латунный сепаратор. клёпаный. центрируемый по внутреннему кольцу. Точность размеров и хода по классу точности 4 по ISO (более точная. чем P5) - Abec7. C2 Matched Clearance Of Cylindrical Roller Bearing. | 85.00 | 130.00 | 34.00 |
| 3003117-ХМ | Роликовый радиальный двухрядный подшипник. Модифицированный контакт.. Кольца и тела качения или только кольца (в том числе одно кольцо) из цементируемой стали.. | 85.00 | 130.00 | 34.00 |
| 2-3182117 Л | Роликовый радиальный двухрядный подшипник. Сепаратор из латуни.. | 85.00 | 130.00 | 34.00 |
| 3182117-Л | Роликовый радиальный двухрядный подшипник. Сепаратор из латуни.. | 85.00 | 130.00 | 34.00 |
| 3182117-К | Роликовый радиальный двухрядный подшипник. Кольцевая проточка на середине цилиндрической наружной поверхности наружного кольца плюс три отверстия для смазки. | 85.00 | 130.00 | 34.00 |
| 4-3182117 Л | Роликовый радиальный двухрядный подшипник. Сепаратор из латуни.. | 85.00 | 130.00 | 34.00 |
| 4-3282117 У | Роликовый радиальный двухрядный подшипник. Дополнительные технические требования. | 85.00 | 130.00 | 34.00 |
| NN3017K/W33 | Роликовый радиальный цилиндрический однорядный подшипник. Канавка для смазки и три отверстия во внешнем кольце подшипника. Коническое отверстие. Конусность 1/12. | 85.00 | 130.00 | 34.00 |
| NN3017/W33 | Роликовый радиальный однорядный подшипник. Канавка для смазки и три отверстия во внешнем кольце подшипника. | 85.00 | 130.00 | 34.00 |
| 6-3182117 Л | Роликовый радиальный двухрядный подшипник. Сепаратор из латуни.. | 85.00 | 130.00 | 34.00 |
| 5-3182117 Л | Роликовый радиальный двухрядный подшипник. Сепаратор из латуни.. | 85.00 | 130.00 | 34.00 |
Способы доставки
Отправка через ведущие транспортные и курьерские компании: ПЭК, Деловые Линии, СДЭК, Байкал-Сервис, Энергия, КИТ, ЖелДорЭкспедиция.
Самовывоз возможен напрямую со склада в Москве.
Сроки доставки
Срок зависит от региона и выбранной транспортной компании. Все заказы комплектуются и отправляются в кратчайшие сроки со склада в Москве.
Надёжность и сохранность
Вся продукция упаковывается с учётом требований транспортировки. Мы гарантируем, что подшипники и комплектующие прибудут к заказчику в полной сохранности.
Доставка в страны ЕАЭС
Мы работаем с проверенными логистическими партнёрами, что позволяет оперативно доставлять заказы в Беларусь, Казахстан, Армению и другие страны ЕАЭС.
Варианты оплаты:
Минимальная сумма заказа и скидки:
Документы и гарантии:
Да, конечно! Наши технические специалисты готовы помочь вам с подбором точного аналога или замены подшипника. Просто позвоните нам по телефону +7 (495) 104-99-04 или напишите на почту zakaz@podsnab.ru.
Для оперативной консультации подготовьте, пожалуйста, имеющиеся данные: маркировку, размеры, тип оборудования или артикул старого подшипника.
Да, конечно! Мы высоко ценим долгосрочное сотрудничество и доверие клиентов по всей России. Для постоянных клиентов действует персональная система скидок.
Условия формируются индивидуально и зависят от:
Чтобы узнать свои условия и получить максимально выгодное предложение, свяжитесь с персональным менеджером или напишите нам на почту zakaz@podsnab.ru.
Вы можете оформить заказ несколькими способами:
Для оформления заказа от юридического лица свяжитесь с нашим отделом по работе с корпоративными клиентами по телефону +7 (495) 104-99-04 или напишите на email zakaz@podsnab.ru, прикрепив реквизиты вашей организации.
Мы оперативно подготовим коммерческое предложение и выставим счет.
Возврат товара надлежащего качества возможен в течение 10 дней с момента получения, если товар не был в употреблении, сохранен товарный вид, упаковка не вскрывалась и присутствуют все сопроводительные документы.
Возврат денежных средств осуществляется в течение 10 рабочих дней после проверки товара складом.
В соответствии с законодательством возврату не подлежат подшипники надлежащего качества, если отсутствует оригинальная упаковка или имеются следы монтажа.
В случае выявления брака или гарантийного случая мы гарантируем возврат или обмен товара.
Да, гарантийный срок хранения устанавливается заводом-изготовителем и в среднем составляет 2 года при соблюдении условий хранения: сухое помещение, оригинальная упаковка и смазка.
Точный срок для конкретного типа подшипника уточняйте у наших менеджеров.
Пн–Пт: с 8:00 до 17:00 (МСК).
Сб–Вс: выходные дни.
Заказы на сайте принимаются круглосуточно. Заявки, поступившие после окончания рабочего дня, обрабатываются на следующий рабочий день.
Минимальная сумма заказа для доставки составляет 3000 рублей. Самовывоз со склада возможен на любую сумму при наличии товара.
ООО «УралТехГрупп»
ИНН: 7415093830
КПП: 772401001
ОГРН: 1167456069021
Банк: ПАО Сбербанк
Р/с: 40702810838000475273
К/с: 30101810400000000225
БИК: 044525225
У подшипника SL18-3017 пока нет отзывов. Вы можете стать первым покупателем, поделившимся своим мнением.