Поиск подшипника
Статьи
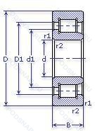
NJ2306ECML — Однорядный цилиндрический роликовый подшипник, модификация основного исполнения NJ2306, производство SKF.
Размер подшипника: 30x72x27 мм.
Однорядный цилиндрический роликоподшипник. Наружное кольцо имеет два борта, наружное — один борт, оптимизированная внутренняя конструкция предусматривает увеличенное количество роликов и/или ролики большего размера с улучшенными условиями контакта торцов роликов с бортами внутреннего кольца, механически обработанный латунный сепаратор. оконного типа. центрируемый по внутреннему или наружному кольцу в зависимости от типа подшипника.
Международная стандартизации ISO
NJ2306ECML
В наличии
| Обозначение | Конструктивные изменения |
|---|---|
| NJ2306E/TGP1/C3 | Внутренний зазор больше нормального. Повышенная грузоподъемность. Прочный сепаратор из полиамида. армированного стекловолокном. |
| NJ2306EM C4 | Внутренний зазор подшипника больше. чем C3. Стандартный фланцевый ( с резьбой и сквозным отверстием). |
| NJ2306N | Канавка под стопорное кольцо на внешнем кольце. |
| NJ2306-E-XL-M1 | Повышенная грузоподъемность. Серия X-Life премиум-класс. увеличиный срок службы. Механически обработанный латунный сепаратор. вращающийся элемент качения (крестовина на заклепках). |
| NJ2306-E-XL-M1A | Повышенная грузоподъемность. Серия X-Life премиум-класс. увеличиный срок службы. Массивный латунный сепаратор. двухтельный. центрированный по бортам. |
| NJ2306-E-TVP3-C3 | Внутренний зазор больше нормального. Увеличенная грузоподъёмность. Цельный сепаратор из полиамида PA66-GF25. сепаратор оконного типа. направляемый телами качения. |
| NJ2306W C3 | Внутренний зазор больше нормального. Цельный прессованный сепаратор. |
| NJ2306E MA | Повышенная грузоподъемность. Механически обработанный латунный сепаратор. Центрирование по внешнему кольцу. |
| NJ2306MA C4 | Внутренний зазор подшипника больше. чем C3. Механически обработанный латунный сепаратор. Центрирование по внешнему кольцу. |
| NJ2306ECP/C3VB255 | Внутренний зазор больше нормального. Оптимизированная внутренняя конструкция предусматривает увеличенное количество роликов и/или ролики большего размера с улучшенными условиями контакта торцов роликов с бортами внутреннего кольца. Сепаратор из стеклонаполненного полиамида PA66. центрируемый по роликам. |
| NJ2306ECMA/C3 | Внутренний зазор больше нормального. Изготовленный из двух частей латунный сепаратор. внешнее кольцо по центру. Оптимизированная внутренняя конструкция предусматривает увеличенное количество роликов и/или ролики большего размера с улучшенными условиями контакта торцов роликов с бортами внутреннего кольца. |
| NJ2306ECJ/C3 | Внутренний зазор больше нормального. Сепаратор из штампованной стали. Центрирование роликов. Незакаленный. Два стальных сепаратора оконного типа. внутреннее кольцо без фланца. направляющее кольцо с усиленным роликом. |
| NJ2306E G15 | Повышенная грузоподъемность. Литой сепаратор из полиамида 6.6. армированного стекловолокном. Элемент качения по центру. |
| NJ2306ECP/C4 | Внутренний зазор подшипника больше. чем C3. Оптимизированная внутренняя конструкция предусматривает увеличенное количество роликов и/или ролики большего размера с улучшенными условиями контакта торцов роликов с бортами внутреннего кольца. Сепаратор из стеклонаполненного полиамида PA66. центрируемый по роликам. |
| NJ2306-E-TVP3 | Повышенная грузоподъемность. Цельный сепаратор из полиамида PA66-GF25. сепаратор оконного типа. направляемый телами качения. |
| NJ2306G1C3 | Внутренний зазор больше нормального. Обработанный латунный сепаратор для цилиндрических роликоподшипников. |
| NJ2306-E-XL-MPAX-C3 | Внутренний зазор больше нормального. Повышенная грузоподъемность. Серия X-Life премиум-класс. увеличиный срок службы. Ребристый однокомпонентный цельнолатунный сепаратор является дальнейшим развитием сепараторов FAG типов MPA и MP1A и будет последовательно заменять эти типы. Он обладает большей прочностью по отношению к ударным нагрузкам и вибрациям. чем его предшественники. и особенно хорошо подходит для применения в условиях высоких нагрузок. |
| NJ2306-E-MPAX-C3 | Внутренний зазор больше нормального. Повышенная грузоподъемность. Ребристый однокомпонентный цельнолатунный сепаратор является дальнейшим развитием сепараторов FAG типов MPA и MP1A и будет последовательно заменять эти типы. Он обладает большей прочностью по отношению к ударным нагрузкам и вибрациям. чем его предшественники. и особенно хорошо подходит для применения в условиях высоких нагрузок. |
| NJ2306 ET | Сквозная закалка и шлифовка стали с переломом в одной точке. |
| NJ2306-E-TVP2 + HJ2306-E | Повышенная грузоподъемность. Твердый сепаратор оконного типа из армированного стекловолокном полиамида. |
| NJ2306R | С выпуклыми асимметричными роликами и обработанным сепаратором. |
| NJ2306-E-MPA | Повышенная грузоподъемность. Твердый латунный сепаратор. |
| NJ2306-VH | Полный набор роликов (без сепаратора). Самоудерживающиеся. |
| NJ2306-E-MPA+HJ2306-E | Повышенная грузоподъемность. Твердый латунный сепаратор. |
| NJ2306-E-TVP3+HJ2306-E | Повышенная грузоподъемность. Цельный сепаратор из полиамида PA66-GF25. сепаратор оконного типа. направляемый телами качения. |
Модификации цилиндрического роликового подшипника NJ2306ECML — это измененное основное конструктивное исполнение NJ2306, основные размеры (30x72x27) не отличаются.
| Обозначение | Гост | Конструктивные особенности |
|---|---|---|
| NUP2306-E-TVP3 | ISO | Повышенная грузоподъемность. Цельный сепаратор из полиамида PA66-GF25. сепаратор оконного типа. направляемый телами качения. |
| SL19-2306C3 | ISO | Внутренний зазор больше нормального. |
| NU2306EC | ISO | Оптимизированная внутренняя конструкция предусматривает увеличенное количество роликов и/или ролики большего размера с улучшенными условиями контакта торцов роликов с бортами внутреннего кольца. |
| NU2306E MA6 C3 | ISO | Внутренний зазор больше нормального. Усиленный элемент качения. Изготовленный из двух частей латунный сепаратор. Центрирование по внешнему кольцу. Различные конструкции или сорта материалов обозначаются цифрой или буквой.. |
| NU2306E/TGP | ISO | Повышенная грузоподъемность. Формованный полиамидный сепаратор оконного типа. Роликовые тела качения. |
| N2306ECP | ISO | Оптимизированная внутренняя конструкция предусматривает увеличенное количество роликов и/или ролики большего размера с улучшенными условиями контакта торцов роликов с бортами внутреннего кольца. Сепаратор из стеклонаполненного полиамида PA66. центрируемый по роликам. |
| NU2306-E-TVP3-C3 | ISO | Внутренний зазор больше нормального. Увеличенная грузоподъёмность. Цельный сепаратор из полиамида PA66-GF25. сепаратор оконного типа. направляемый телами качения. |
| NU2306EM | ISO | Стандартный фланцевый ( с резьбой и сквозным отверстием). |
| NU2306MA/C3 | ISO | Внутренний зазор больше нормального. Изготовленный из двух частей латунный сепаратор. внешнее кольцо по центру. |
| NU2306ECMA/C3B20 | ISO | Внутренний зазор больше нормального. Изготовленный из двух частей латунный сепаратор. внешнее кольцо по центру. Оптимизированная внутренняя конструкция предусматривает увеличенное количество роликов и/или ролики большего размера с улучшенными условиями контакта торцов роликов с бортами внутреннего кольца. Стабилизированные кольца и уменьшенный допуск по ширине. |
| NU2306.C2 | ISO | Внутренний зазор подшипника меньше нормального. |
| NU2306E.M1 | ISO | Повышенная грузоподъемность. Механически обработанный латунный сепаратор. вращающийся элемент качения (крестовина на заклепках). |
| NUP2306ZS | ISO | Цилиндрический роликоподшипник. Взаимозаменяемые уменьшенные радиальные зазоры в пределах ограниченной группы зазоров. В соответствии с DIN43283. |
| NU2306ECJ/C3 | ISO | Внутренний зазор больше нормального. Два стальных сепаратора оконного типа. внутреннее кольцо без фланца. направляющее кольцо с усиленным роликом. |
| NU.2306.E.G15 | ISO | Повышенная грузоподъемность. Литой сепаратор из полиамида 6.6. армированного стекловолокном. Элемент качения по центру. |
| NU2306E.TVP2.C4 | ISO | Внутренний зазор подшипника больше. чем C3. Повышенная грузоподъемность. Cепаратор изготовленный из полиамида PA66. армированного стекловолокном. |
| NU2306E G1 | ISO | Повышенная грузоподъемность. Обработанный латунный сепаратор для цилиндрических роликоподшипников. |
| NUP2306W | ISO | Цельный прессованный сепаратор. |
| NU2306FY | ISO | Механически обработанный латунный сепаратор. |
| NU2306R C3 FY | ISO | Внутренний зазор больше нормального. С выпуклыми асимметричными роликами и обработанным сепаратором. Обработанный латунный сепаратор. |
Аналог цилиндрического роликового подшипника NJ2306ECML — это подшипник такого же размера dx30,Dx72,Bx27, типа и конструкции.
| Обозначение | Конструктивные особенности | Внутренний (d) | Наружный (D) | Ширина (B) |
|---|---|---|---|---|
| 180606-С9 | Шариковый радиальный однорядный подшипник. Смазка ЛЗ-31. | 30.00 | 72.00 | 27.00 |
| 2306K+H2306 | Шариковый сферический двухрядный подшипник. Коническое внутреннее отверстие. | 30.00 | 72.00 | 27.00 |
| 2306 E-2RS1KTN9 | Шариковый сферический двухрядный подшипник. Повышенная грузоподъемность. | 30.00 | 72.00 | 27.00 |
| NJ 2306 ECPH | Роликовый радиальный однорядный подшипник. Однорядный цилиндрический роликовый подшипник. | 30.00 | 72.00 | 27.00 |
| NU 2306 ECML | Роликовый радиальный однорядный подшипник. Однорядный цилиндрический роликовый подшипник. | 30.00 | 72.00 | 27.00 |
| NU 2306 ECPH | Роликовый радиальный однорядный подшипник. Однорядный цилиндрический роликовый подшипник. | 30.00 | 72.00 | 27.00 |
| 42606-Б | Роликовый радиальный однорядный подшипник. Сепаратор из безоловянистой бронзы.. | 30.00 | 72.00 | 27.00 |
| 42606-Б1 | Роликовый радиальный однорядный подшипник. Сепаратор из безоловянистой бронзы.. | 30.00 | 72.00 | 27.00 |
| 42606-Л | Роликовый радиальный однорядный подшипник. Сепаратор из латуни.. | 30.00 | 72.00 | 27.00 |
| 513706-НЮ | Роликовый радиальный сферический двухрядный подшипник. Детали из теплостойкой стали. Все детали или часть деталей из нержавеющей стали.. | 30.00 | 72.00 | 26.00 |
| 6-180606 А1УС17 | Шариковый радиальный однорядный подшипник. Смазка Литол-24. Дополнительные технические требования. Повышенная грузоподъемность. | 30.00 | 72.00 | 27.00 |
| 6-180606-КС9 | Шариковый радиальный однорядный подшипник. Смазка ЛЗ-31. | 30.00 | 72.00 | 27.00 |
| 6-180606-КС9Ш | Шариковый радиальный однорядный подшипник. Нормы шумности. Смазка ЛЗ-31. | 30.00 | 72.00 | 27.00 |
| 6-180606-КС9Ш1 | Шариковый радиальный однорядный подшипник. Нормы шумности. Смазка ЛЗ-31. | 30.00 | 72.00 | 27.00 |
| 6-180606 КС9Ш3 | Шариковый радиальный однорядный подшипник. Смазка ЛЗ-31. Нормы шумности. | 30.00 | 72.00 | 27.00 |
Способы доставки
Отправка через ведущие транспортные и курьерские компании: ПЭК, Деловые Линии, СДЭК, Байкал-Сервис, Энергия, КИТ, ЖелДорЭкспедиция.
Самовывоз возможен напрямую со склада в Москве.
Сроки доставки
Срок зависит от региона и выбранной транспортной компании. Все заказы комплектуются и отправляются в кратчайшие сроки со склада в Москве.
Надёжность и сохранность
Вся продукция упаковывается с учётом требований транспортировки. Мы гарантируем, что подшипники и комплектующие прибудут к заказчику в полной сохранности.
Доставка в страны ЕАЭС
Мы работаем с проверенными логистическими партнёрами, что позволяет оперативно доставлять заказы в Беларусь, Казахстан, Армению и другие страны ЕАЭС.
Варианты оплаты:
Минимальная сумма заказа и скидки:
Документы и гарантии:
Да, конечно! Наши технические специалисты готовы помочь вам с подбором точного аналога или замены подшипника. Просто позвоните нам по телефону +7 (495) 104-99-04 или напишите на почту zakaz@podsnab.ru.
Для оперативной консультации подготовьте, пожалуйста, имеющиеся данные: маркировку, размеры, тип оборудования или артикул старого подшипника.
Да, конечно! Мы высоко ценим долгосрочное сотрудничество и доверие клиентов по всей России. Для постоянных клиентов действует персональная система скидок.
Условия формируются индивидуально и зависят от:
Чтобы узнать свои условия и получить максимально выгодное предложение, свяжитесь с персональным менеджером или напишите нам на почту zakaz@podsnab.ru.
Вы можете оформить заказ несколькими способами:
Для оформления заказа от юридического лица свяжитесь с нашим отделом по работе с корпоративными клиентами по телефону +7 (495) 104-99-04 или напишите на email zakaz@podsnab.ru, прикрепив реквизиты вашей организации.
Мы оперативно подготовим коммерческое предложение и выставим счет.
Возврат товара надлежащего качества возможен в течение 10 дней с момента получения, если товар не был в употреблении, сохранен товарный вид, упаковка не вскрывалась и присутствуют все сопроводительные документы.
Возврат денежных средств осуществляется в течение 10 рабочих дней после проверки товара складом.
В соответствии с законодательством возврату не подлежат подшипники надлежащего качества, если отсутствует оригинальная упаковка или имеются следы монтажа.
В случае выявления брака или гарантийного случая мы гарантируем возврат или обмен товара.
Да, гарантийный срок хранения устанавливается заводом-изготовителем и в среднем составляет 2 года при соблюдении условий хранения: сухое помещение, оригинальная упаковка и смазка.
Точный срок для конкретного типа подшипника уточняйте у наших менеджеров.
Пн–Пт: с 8:00 до 17:00 (МСК).
Сб–Вс: выходные дни.
Заказы на сайте принимаются круглосуточно. Заявки, поступившие после окончания рабочего дня, обрабатываются на следующий рабочий день.
Минимальная сумма заказа для доставки составляет 3000 рублей. Самовывоз со склада возможен на любую сумму при наличии товара.
ООО «УралТехГрупп»
ИНН: 7415093830
КПП: 772401001
ОГРН: 1167456069021
Банк: ПАО Сбербанк
Р/с: 40702810838000475273
К/с: 30101810400000000225
БИК: 044525225
У подшипника NJ2306ECML пока нет отзывов. Вы можете стать первым покупателем, поделившимся своим мнением.