Поиск подшипника
Статьи
NJ2210-E-TVP3-C3 — Однорядный цилиндрический роликовый подшипник, модификация основного исполнения NJ2210, производство NKE.
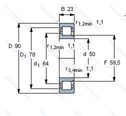
Размер подшипника: 50x90x23 мм.
Однорядный цилиндрический роликоподшипник. Наружное кольцо имеет два борта, наружное — один борт, цельный сепаратор из полиамида pa66-gf25. сепаратор оконного типа. направляемый телами качения, внутренний зазор больше нормального, увеличенная грузоподъёмность.
Аналоги: NJ2210-E-XL-TVP2-C3 FAG,NJ2210ET C3 NSK.
Международная стандартизации ISO
NJ2210ETVP3C3
В наличии
| Обозначение | Конструктивные изменения |
|---|---|
| NJ2210-E-TVP3 | Повышенная грузоподъемность. Цельный сепаратор из полиамида PA66-GF25. сепаратор оконного типа. направляемый телами качения. |
| NJ2210-E-TVP3-C4 | Внутренний зазор подшипника больше. чем C3. Повышенная грузоподъемность. Цельный сепаратор из полиамида PA66-GF25. сепаратор оконного типа. направляемый телами качения. |
| NJ2210-E-XL-JP3-C3 | Внутренний зазор больше нормального. Повышенная грузоподъемность. Серия X-Life премиум-класс. увеличиный срок службы. Применения с цилиндрическими роликоподшипниками с наружным диаметром > 90 мм с сепаратором из листовой стали JP3 с оптимизированной толщиной листа. Улучшенные направляющие и удерживающие ролики. Увеличенный поток масла или смазки. |
| NJ2210-E-XL-JP3-C5 | Повышенная грузоподъемность. Серия X-Life премиум-класс. увеличиный срок службы. Внутренний зазор подшипника больше. чем С4. Применения с цилиндрическими роликоподшипниками с наружным диаметром > 90 мм с сепаратором из листовой стали JP3 с оптимизированной толщиной листа. Улучшенные направляющие и удерживающие ролики. Увеличенный поток масла или смазки. |
| NJ2210-E-XL-JP3 | Повышенная грузоподъемность. Серия X-Life премиум-класс. увеличиный срок службы. Применения с цилиндрическими роликоподшипниками с наружным диаметром > 90 мм с сепаратором из листовой стали JP3 с оптимизированной толщиной листа. Улучшенные направляющие и удерживающие ролики. Увеличенный поток масла или смазки. |
| NJ2210ECJ/C5 | Сепаратор из штампованной стали. Центрирование роликов. Незакаленный. Внутренний зазор подшипника больше. чем С4. Два стальных сепаратора оконного типа. внутреннее кольцо без фланца. направляющее кольцо с усиленным роликом. |
| NJ2210W C3 | Внутренний зазор больше нормального. Цельный прессованный сепаратор. |
| NJ2210-E-TVP2-C4 | Внутренний зазор подшипника больше. чем C3. Повышенная грузоподъемность. Cепаратор изготовленный из полиамида PA66. армированного стекловолокном. |
| NJ2210ECP/C4 | Внутренний зазор подшипника больше. чем C3. Оптимизированная внутренняя конструкция предусматривает увеличенное количество роликов и/или ролики большего размера с улучшенными условиями контакта торцов роликов с бортами внутреннего кольца. Сепаратор из стеклонаполненного полиамида PA66. центрируемый по роликам. |
| NJ2210E.M1.C4 | Внутренний зазор подшипника больше. чем C3. Повышенная грузоподъемность. Механически обработанный латунный сепаратор. вращающийся элемент качения (крестовина на заклепках). |
| NJ2210E.M1A.C4 | Внутренний зазор подшипника больше. чем C3. Повышенная грузоподъемность. Массивный латунный сепаратор. двухтельный. центрированный по бортам. |
| NJ2210E G15 | Повышенная грузоподъемность. Литой сепаратор из полиамида 6.6. армированного стекловолокном. Элемент качения по центру. |
| NJ2210W | Цельный прессованный сепаратор. |
| NJ2210ECPH/C4 | Внутренний зазор подшипника больше. чем C3. Оптимизированная внутренняя конструкция предусматривает увеличенное количество роликов и/или ролики большего размера с улучшенными условиями контакта торцов роликов с бортами внутреннего кольца. Литой сепаратор из усиленного стекловолокном полиэфирэфиркетона (PEEK). Центрированный ролик. |
| NJ2210-E-M6 | Повышенная грузоподъемность. Цельный латунный сепаратор с роликовыми направляющими для цилиндрических роликоподшипников. |
| NJ2210-E-MA6-C3 | Внутренний зазор больше нормального. Увеличенная грузоподъёмность. Сепаратор из цельной латуни с наружным кольцом для цилиндрических роликоподшипников. Корпус сепаратора разработан с использованием механически обработанных заклепок трапециевидной формы. |
| NJ2210-E-TVP2 + HJ210-E | Повышенная грузоподъемность. Твердый сепаратор оконного типа из армированного стекловолокном полиамида. |
| NJ2210R | С выпуклыми асимметричными роликами и обработанным сепаратором. |
| NJ2210EG | Игольчатые сепараторы для шатунов двигателей. |
| NJ2210-E-MA6 | Повышенная грузоподъемность. Изготовленный из двух частей латунный сепаратор. Центрирование по внешнему кольцу. Различные конструкции или сорта материалов обозначаются цифрой или буквой.. |
| NJ2210-E-MPA+HJ2210-E | Повышенная грузоподъемность. Твердый латунный сепаратор. |
| NJ2210-E-M6+HJ2210-E | Повышенная грузоподъемность. 20-28 UM (C3 & C4). |
| NJ2210-E-MA6+HJ2210-E | Повышенная грузоподъемность. Изготовленный из двух частей латунный сепаратор. Центрирование по внешнему кольцу. Различные конструкции или сорта материалов обозначаются цифрой или буквой.. |
| NJ2210-E-MPA | Повышенная грузоподъемность. Твердый латунный сепаратор. |
| NJ2210-E-TVP3+HJ2210-E | Повышенная грузоподъемность. Цельный сепаратор из полиамида PA66-GF25. сепаратор оконного типа. направляемый телами качения. |
Модификации цилиндрического роликового подшипника NJ2210-E-TVP3-C3 — это измененное основное конструктивное исполнение NJ2210, основные размеры (50x90x23) не отличаются.
| Обозначение | Гост | Конструктивные особенности |
|---|---|---|
| NUP2210-E-JP3 | ISO | Повышенная грузоподъемность. Применения с цилиндрическими роликоподшипниками с наружным диаметром > 90 мм с сепаратором из листовой стали JP3 с оптимизированной толщиной листа. Улучшенные направляющие и удерживающие ролики. Увеличенный поток масла или смазки. |
| NU2210ES | ISO | Разъемное наружное кольцо со смазочными отверстиями. |
| NUP2210ET | ISO | Сквозная закалка и шлифовка стали с переломом в одной точке. |
| NU2210-E-M1-C4 | ISO | Внутренний зазор подшипника больше. чем C3. Повышенная грузоподъемность. Механически обработанный латунный сепаратор. вращающийся элемент качения (крестовина на заклепках). |
| NU2210E.M1A.C4 | ISO | Внутренний зазор подшипника больше. чем C3. Повышенная грузоподъемность. Массивный латунный сепаратор. двухтельный. центрированный по бортам. |
| NU2210E.TVP2.C4 | ISO | Внутренний зазор подшипника больше. чем C3. Повышенная грузоподъемность. Cепаратор изготовленный из полиамида PA66. армированного стекловолокном. |
| 32510M | ISO | Механически обработанный латунный сепаратор .Расположенный на элементах качения. |
| NUP2210ECNRJ/C3VM001 | ISO | Внутренний зазор больше нормального. Сепаратор из штампованной стали. Центрирование роликов. Незакаленный. Канавка под стопорное кольцо на наружном кольце с соответствующим стопорным кольцом. Оптимизированная внутренняя конструкция предусматривает увеличенное количество роликов и/или ролики большего размера с улучшенными условиями контакта торцов роликов с бортами внутреннего кольца. |
| SL182210-A-XL | ISO | Особенность внутренней конструкции. Серия X-Life премиум-класс. увеличиный срок службы. |
| SL182210-A-XL-C3 | ISO | Внутренний зазор больше нормального. Особенность внутренней конструкции. Серия X-Life премиум-класс. увеличиный срок службы. |
| NUP2210E.JP1 | ISO | Повышенная грузоподъемность. Прессованный сепаратор из листового металла. |
| NU2210E G1 C3 | ISO | Внутренний зазор больше нормального. Повышенная грузоподъемность. Обработанный латунный сепаратор для цилиндрических роликоподшипников. |
| NUP2210ECML/C4 | ISO | Внутренний зазор подшипника больше. чем C3. Оптимизированная внутренняя конструкция предусматривает увеличенное количество роликов и/или ролики большего размера с улучшенными условиями контакта торцов роликов с бортами внутреннего кольца. Механически обработанный латунный сепаратор. оконного типа. центрируемый по внутреннему или наружному кольцу в зависимости от типа подшипника. |
| SL182210-A-C3 | ISO | Внутренний зазор больше нормального. Особенность внутренней конструкции. |
| NUP2210E MA | ISO | Повышенная грузоподъемность. Механически обработанный латунный сепаратор. Центрирование по внешнему кольцу. |
| NUP2210WU32 | ISO | Цельный прессованный сепаратор. |
| NUP2210-E-XL-TVP2-C4 | ISO | Внутренний зазор подшипника больше. чем C3. Повышенная грузоподъемность. Серия X-Life премиум-класс. увеличиный срок службы. Cепаратор изготовленный из полиамида PA66. армированного стекловолокном. |
| NUP2210-E-XL-JP3-C3 | ISO | Внутренний зазор больше нормального. Повышенная грузоподъемность. Серия X-Life премиум-класс. увеличиный срок службы. Применения с цилиндрическими роликоподшипниками с наружным диаметром > 90 мм с сепаратором из листовой стали JP3 с оптимизированной толщиной листа. Улучшенные направляющие и удерживающие ролики. Увеличенный поток масла или смазки. |
| NU2210E.TVP3.C3 | ISO | Внутренний зазор больше нормального. Увеличенная грузоподъёмность. Цельный сепаратор из полиамида PA66-GF25. сепаратор оконного типа. направляемый телами качения. |
| NU2210E G15 | ISO | Повышенная грузоподъемность. Литой сепаратор из полиамида 6.6. армированного стекловолокном. Элемент качения по центру. |
Аналог цилиндрического роликового подшипника NJ2210-E-TVP3-C3 — это подшипник такого же размера dx50,Dx90,Bx23, типа и конструкции.
| Обозначение | Конструктивные особенности | Внутренний (d) | Наружный (D) | Ширина (B) |
|---|---|---|---|---|
| 7510-К1У | Роликовый радиальный-упорный однорядный подшипник. Дополнительные технические требования. | 50.00 | 90.00 | 24.00 |
| 7510-У2Ш | Роликовый радиальный-упорный однорядный подшипник. Дополнительные технические требования. Нормы шумности. | 50.00 | 90.00 | 24.00 |
| 7510A | Роликовый радиальный-упорный однорядный подшипник. Двухрядный радиально-упорный шарикоподшипник без отверстия для смазки. | 50.00 | 90.00 | 23.00 |
| 76-180510 С9Ш2У | Шариковый радиальный однорядный подшипник. Дополнительные технические требования. Нормы шумности. Смазка ЛЗ-31. | 50.00 | 90.00 | 23.00 |
| CUC210 | Шариковый радиальный однорядный подшипник. Радиальный внутренний зазор С2. | 50.00 | 90.00 | 23.00 |
| CUC210-31 | Шариковый радиальный однорядный подшипник. 1.15/16. | 49.21 | 90.00 | 23.00 |
| 160510-А | Шариковый радиальный однорядный подшипник. Повышенная грузоподъемность. | 50.00 | 90.00 | 23.00 |
| 160510-АК | Шариковый радиальный однорядный подшипник. Повышенная грузоподъемность. | 50.00 | 90.00 | 23.00 |
| 2210-K-2RS+H310 | Шариковый сферический двухрядный подшипник. Коническое внутреннее отверстие. Контактные уплотнения типа RS с обеих сторон игольчатого роликоподшипника. | 50.00 | 90.00 | 23.00 |
| 2210 TN9 | Шариковый сферический двухрядный подшипник. Литой защелкивающийся сепаратор из полиамида. армированного стекловолокном 6.6. | 50.00 | 90.00 | 23.00 |
| 2210S | Шариковый сферический двухрядный подшипник. Запечатанная версия кулачкового ролика. Только для внутреннего и наружного колец. | 50.00 | 90.00 | 23.00 |
| S2210-2RS | Шариковый сферический двухрядный подшипник. Резиновые уплотнения с каждой стороны подшипника. | 50.00 | 90.00 | 23.00 |
| NU 2210 ECPH | Роликовый радиальный однорядный подшипник. Однорядный цилиндрический роликовый подшипник. | 50.00 | 90.00 | 23.00 |
| 480210-С-17 | Шариковый радиальный однорядный подшипник. Смазка Литол-24. | 50.00 | 90.00 | 24.00 |
| 53510-Н | Роликовый радиальный двухрядный подшипник. Детали из теплостойкой стали. | 50.00 | 90.00 | 23.00 |
Способы доставки
Отправка через ведущие транспортные и курьерские компании: ПЭК, Деловые Линии, СДЭК, Байкал-Сервис, Энергия, КИТ, ЖелДорЭкспедиция.
Самовывоз возможен напрямую со склада в Москве.
Сроки доставки
Срок зависит от региона и выбранной транспортной компании. Все заказы комплектуются и отправляются в кратчайшие сроки со склада в Москве.
Надёжность и сохранность
Вся продукция упаковывается с учётом требований транспортировки. Мы гарантируем, что подшипники и комплектующие прибудут к заказчику в полной сохранности.
Доставка в страны ЕАЭС
Мы работаем с проверенными логистическими партнёрами, что позволяет оперативно доставлять заказы в Беларусь, Казахстан, Армению и другие страны ЕАЭС.
Варианты оплаты:
Минимальная сумма заказа и скидки:
Документы и гарантии:
Да, конечно! Наши технические специалисты готовы помочь вам с подбором точного аналога или замены подшипника. Просто позвоните нам по телефону +7 (495) 104-99-04 или напишите на почту zakaz@podsnab.ru.
Для оперативной консультации подготовьте, пожалуйста, имеющиеся данные: маркировку, размеры, тип оборудования или артикул старого подшипника.
Да, конечно! Мы высоко ценим долгосрочное сотрудничество и доверие клиентов по всей России. Для постоянных клиентов действует персональная система скидок.
Условия формируются индивидуально и зависят от:
Чтобы узнать свои условия и получить максимально выгодное предложение, свяжитесь с персональным менеджером или напишите нам на почту zakaz@podsnab.ru.
Вы можете оформить заказ несколькими способами:
Для оформления заказа от юридического лица свяжитесь с нашим отделом по работе с корпоративными клиентами по телефону +7 (495) 104-99-04 или напишите на email zakaz@podsnab.ru, прикрепив реквизиты вашей организации.
Мы оперативно подготовим коммерческое предложение и выставим счет.
Возврат товара надлежащего качества возможен в течение 10 дней с момента получения, если товар не был в употреблении, сохранен товарный вид, упаковка не вскрывалась и присутствуют все сопроводительные документы.
Возврат денежных средств осуществляется в течение 10 рабочих дней после проверки товара складом.
В соответствии с законодательством возврату не подлежат подшипники надлежащего качества, если отсутствует оригинальная упаковка или имеются следы монтажа.
В случае выявления брака или гарантийного случая мы гарантируем возврат или обмен товара.
Да, гарантийный срок хранения устанавливается заводом-изготовителем и в среднем составляет 2 года при соблюдении условий хранения: сухое помещение, оригинальная упаковка и смазка.
Точный срок для конкретного типа подшипника уточняйте у наших менеджеров.
Пн–Пт: с 8:00 до 17:00 (МСК).
Сб–Вс: выходные дни.
Заказы на сайте принимаются круглосуточно. Заявки, поступившие после окончания рабочего дня, обрабатываются на следующий рабочий день.
Минимальная сумма заказа для доставки составляет 3000 рублей. Самовывоз со склада возможен на любую сумму при наличии товара.
ООО «УралТехГрупп»
ИНН: 7415093830
КПП: 772401001
ОГРН: 1167456069021
Банк: ПАО Сбербанк
Р/с: 40702810838000475273
К/с: 30101810400000000225
БИК: 044525225
У подшипника NJ2210-E-TVP3-C3 пока нет отзывов. Вы можете стать первым покупателем, поделившимся своим мнением.