Поиск подшипника
Статьи
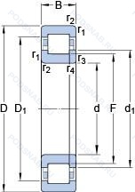
NUP311ECP — Однорядный цилиндрический роликовый подшипник, модификация основного исполнения NUP311, выпускается производителями: ISB, SKF.
Размер подшипника: 55x120x29 мм.
Однорядный цилиндрический роликоподшипник. Наружное кольцо имеет два борта, внутреннее — один борт и одно свободное фланцевое кольцо. Основные размеры по DIN 5412-1, относится к подтипу фиксированные подшипники, разъемные, с сепаратором, оптимизированная внутренняя конструкция предусматривает увеличенное количество роликов и/или ролики большего размера с улучшенными условиями контакта торцов роликов с бортами внутреннего кольца, сепаратор из стеклонаполненного полиамида pa66. центрируемый по роликам.
Альтернативное обозначение: NUP.311.EG15, NUP311-E-XL-TVP2.
Аналоги: NUP311-E-TVP2 FAG,NUP311-E-XL-TVP2 FAG,NUP311ECP SKF,NUP311E G15 SNR.
Международная стандартизации ISO
NUP311ECP
В наличии
| Обозначение | Конструктивные изменения |
|---|---|
| NUP311EG | Игольчатые сепараторы для шатунов двигателей. |
| NUP311ECNJ/C3 | Внутренний зазор больше нормального. Сепаратор из штампованной стали. Центрирование роликов. Незакаленный. Оптимизированная внутренняя конструкция предусматривает увеличенное количество роликов и/или ролики большего размера с улучшенными условиями контакта торцов роликов с бортами внутреннего кольца. Канавка под стопорное кольцо на внешнем кольце. |
| NUP311-E-TVP3-C4 | Внутренний зазор подшипника больше. чем C3. Повышенная грузоподъемность. Цельный сепаратор из полиамида PA66-GF25. сепаратор оконного типа. направляемый телами качения. |
| NUP311ECM | Механически обработанный латунный сепаратор. клёпаный. центрируемый по роликам. Оптимизированная внутренняя конструкция предусматривает увеличенное количество роликов и/или ролики большего размера с улучшенными условиями контакта торцов роликов с бортами внутреннего кольца. Однорядный цилиндрический роликовый подшипник. |
| NUP311-E-M6 | Повышенная грузоподъемность. Цельный латунный сепаратор с роликовыми направляющими для цилиндрических роликоподшипников. |
| NUP311NR | Канавка под стопорное кольцо на наружном кольце с соответствующим стопорным кольцом. |
| NUP311EM | Стандартный фланцевый ( с резьбой и сквозным отверстием). |
| NUP311EN.M1.C3.F3 | Внутренний зазор больше нормального. Механически обработанный латунный сепаратор. вращающийся элемент качения (крестовина на заклепках). Увеличенная грузоподъемность и канавка под стопорное кольцо на наружном кольце. Низкий уровень шума. |
| NUP311ET | Сквозная закалка и шлифовка стали с переломом в одной точке. |
| NUP311EW | Однорядный. |
| NUP311P6 | Размерные и геометрические допуски соответствуют классу точности P6. |
| NUP311EN | Канавка под стопорное кольцо на внешнем кольце. Увеличенная грузоподъемность и канавка под стопорное кольцо на наружном кольце. |
| NUP.311.EG15 | Повышенная грузоподъемность. Литой сепаратор из полиамида 6.6. армированного стекловолокном. Элемент качения по центру. |
| NUP311-E-XL-N-M1-C3 | Внутренний зазор больше нормального. Повышенная грузоподъемность. Серия X-Life премиум-класс. увеличиный срок службы. Механически обработанный латунный сепаратор. вращающийся элемент качения (крестовина на заклепках). Канавка под стопорное кольцо на внешнем кольце. |
| NUP311-E-XL-N-JP3 | Повышенная грузоподъемность. Серия X-Life премиум-класс. увеличиный срок службы. Канавка под стопорное кольцо на внешнем кольце. Применения с цилиндрическими роликоподшипниками с наружным диаметром > 90 мм с сепаратором из листовой стали JP3 с оптимизированной толщиной листа. Улучшенные направляющие и удерживающие ролики. Увеличенный поток масла или смазки. |
| NUP311-E-XL-N-TVP2-C3 | Внутренний зазор больше нормального. Повышенная грузоподъемность. Серия X-Life премиум-класс. увеличиный срок службы. Cепаратор изготовленный из полиамида PA66. армированного стекловолокном. Канавка под стопорное кольцо на внешнем кольце. |
| NUP311-E-XL-N-TVP2 | Повышенная грузоподъемность. Серия X-Life премиум-класс. увеличиный срок службы. Cепаратор изготовленный из полиамида PA66. армированного стекловолокном. Канавка под стопорное кольцо на внешнем кольце. |
| NUP311-E-XL-TVP2-C5 | Повышенная грузоподъемность. Серия X-Life премиум-класс. увеличиный срок службы. Внутренний зазор подшипника больше. чем С4. Cепаратор изготовленный из полиамида PA66. армированного стекловолокном. |
| NUP311EG1C3U | Внутренний зазор больше нормального. Повышенная грузоподъемность. Одно ребро. Одно стопорное кольцо в наружном кольце. Обработанный латунный сепаратор для цилиндрических роликоподшипников. |
| NUP311-E-MA6 | Повышенная грузоподъемность. Изготовленный из двух частей латунный сепаратор. Центрирование по внешнему кольцу. Различные конструкции или сорта материалов обозначаются цифрой или буквой.. |
| NUP311-E-TVP3 | Повышенная грузоподъемность. Цельный сепаратор из полиамида PA66-GF25. сепаратор оконного типа. направляемый телами качения. |
| NUP311-E-MPA | Повышенная грузоподъемность. Твердый латунный сепаратор. |
| NUP311E.TVP | Повышенная грузоподъемность. Molded Snap-Type Cage Of Glass Fibre Reinforced Polyamide. Rolling Element Riding. |
| NUP311FMNR/C3 | Внутренний зазор больше нормального. |
| NUP311R | С выпуклыми асимметричными роликами и обработанным сепаратором. |
Модификации цилиндрического роликового подшипника NUP311ECP — это измененное основное конструктивное исполнение NUP311, основные размеры (55x120x29) не отличаются.
| Обозначение | Гост | Конструктивные особенности |
|---|---|---|
| NU311ET | ISO | Сквозная закалка и шлифовка стали с переломом в одной точке. |
| NU311-E-TVP2-C4 | ISO | Внутренний зазор подшипника больше. чем C3. Повышенная грузоподъемность. Cепаратор изготовленный из полиамида PA66. армированного стекловолокном. |
| NU311EVMX | ISO | Подшипник повышенной грузоподъемности с латунным сепаратором. |
| NU311ETNC3S | ISO | Специальная термическая обработка. Внутренний зазор больше нормального. Цилиндрический роликовый подшипник. Дополнительная грузоподъемность с сепаратором из полиамида 6-6. |
| N311E TNG | ISO | Повышенная грузоподъемность. Прочный сепаратор из полиамида. армированного стекловолокном. |
| NU311G1 CM | ISO | Обработанный латунный сепаратор для цилиндрических роликоподшипников. Специальный радиальный внутренний зазор для электродвигателей. |
| NF311MBCN | ISO | Однокомпонентное внутреннее кольцо с центрированным сепаратором из механически обработанной латуни. Нормальный уровень радиального внутреннего зазора (не маркируется). |
| NU311E TVP3 | ISO | Увеличенная грузоподъёмность. Цельный сепаратор из полиамида PA66-GF25. сепаратор оконного типа. направляемый телами качения. |
| N311-E-TVP-C3 | ISO | Внутренний зазор больше нормального. Увеличенная грузоподъёмность. Формованный полиамидный сепаратор оконного типа. Роликовые тела качения. |
| N311-E-TVP | ISO | Увеличенная грузоподъёмность. Формованный полиамидный сепаратор оконного типа. Роликовые тела качения. |
| NU311-E-XL-M1-F1-C4 | ISO | Внутренний зазор подшипника больше. чем C3. Повышенная грузоподъемность. Серия X-Life премиум-класс. увеличиный срок службы. Механически обработанный латунный сепаратор. вращающийся элемент качения (крестовина на заклепках). Спецификация производства и контроля FAG для цилиндрических роликоподшипников в тяговых двигателях. |
| NU311-E-XL-M1-F1-T51F | ISO | Повышенная грузоподъемность. Серия X-Life премиум-класс. увеличиный срок службы. Механически обработанный латунный сепаратор. вращающийся элемент качения (крестовина на заклепках). Спецификация производства и контроля FAG для цилиндрических роликоподшипников в тяговых двигателях. Специальные допуски для железнодорожных двигателей. |
| NU311-E-XL-N-M1-C3 | ISO | Внутренний зазор больше нормального. Повышенная грузоподъемность. Серия X-Life премиум-класс. увеличиный срок службы. Механически обработанный латунный сепаратор. вращающийся элемент качения (крестовина на заклепках). Канавка под стопорное кольцо на внешнем кольце. |
| NU311-E-XL-M1A-F59-C3 | ISO | Внутренний зазор больше нормального. Повышенная грузоподъемность. Серия X-Life премиум-класс. увеличиный срок службы. Массивный латунный сепаратор. двухтельный. центрированный по бортам. Replaced By. |
| NU311-E-XL-N-TVP2-C3 | ISO | Внутренний зазор больше нормального. Повышенная грузоподъемность. Серия X-Life премиум-класс. увеличиный срок службы. Cепаратор изготовленный из полиамида PA66. армированного стекловолокном. Канавка под стопорное кольцо на внешнем кольце. |
| NU311-E-XL-TVP2-C2 | ISO | Внутренний зазор подшипника меньше нормального. Повышенная грузоподъемность. Серия X-Life премиум-класс. увеличиный срок службы. Cепаратор изготовленный из полиамида PA66. армированного стекловолокном. |
| NU311-E-XL-N-TVP2 | ISO | Повышенная грузоподъемность. Серия X-Life премиум-класс. увеличиный срок службы. Cепаратор изготовленный из полиамида PA66. армированного стекловолокном. Канавка под стопорное кольцо на внешнем кольце. |
| NU311EN.JP1.C3 | ISO | Внутренний зазор больше нормального. Прессованный сепаратор из листового металла. Увеличенная грузоподъемность и канавка под стопорное кольцо на наружном кольце. |
| NU311-E-M1 | ISO | Повышенная грузоподъемность. Механически обработанный латунный сепаратор. вращающийся элемент качения (крестовина на заклепках). |
| N311-E-TVP2-C3 | ISO | Внутренний зазор больше нормального. Повышенная грузоподъемность. Cепаратор изготовленный из полиамида PA66. армированного стекловолокном. |
Аналог цилиндрического роликового подшипника NUP311ECP — это подшипник такого же размера dx55,Dx120,Bx29, типа и конструкции.
| Обозначение | Конструктивные особенности | Внутренний (d) | Наружный (D) | Ширина (B) |
|---|---|---|---|---|
| 42311-Л | Роликовый радиальный однорядный подшипник. Сепаратор из латуни.. | 55.00 | 120.00 | 29.00 |
| 42311-М1 | Роликовый радиальный однорядный подшипник. Модифицированный контакт.. | 55.00 | 120.00 | 29.00 |
| 45-176311 ЕШ2 | Шариковый радиально-упорный однорядный подшипник. Сепаратор из текстолита.. Нормы шумности. | 55.00 | 120.00 | 29.00 |
| 46311-АК | Шариковый радиально-упорный однорядный подшипник. Повышенная грузоподъемность. | 55.00 | 120.00 | 29.00 |
| 46311-АЛ | Шариковый радиально-упорный однорядный подшипник. Сепаратор из латуни.. Повышенная грузоподъемность. | 55.00 | 120.00 | 29.00 |
| 46311-Л | Шариковый радиально-упорный однорядный подшипник. Сепаратор из латуни.. | 55.00 | 120.00 | 29.00 |
| 46311К | Шариковый радиально-упорный однорядный подшипник. «Замок» (скос) на внутреннем кольце плюс массивный сепаратор из текстолита. | 55.00 | 120.00 | 29.00 |
| 5-46311 Е | Шариковый радиально-упорный однорядный подшипник. Сепаратор из текстолита.. | 55.00 | 120.00 | 29.00 |
| 50311-А | Шариковый радиальный однорядный подшипник. Повышенная грузоподъемность. | 55.00 | 120.00 | 29.00 |
| 50311-АW2 | Шариковый радиальный однорядный подшипник. Детали из вакуумированной стали.. Повышенная грузоподъемность. | 55.00 | 120.00 | 29.00 |
| 50311-АК2 | Шариковый радиальный однорядный подшипник. Повышенная грузоподъемность. | 55.00 | 120.00 | 29.00 |
| 50311-С17 | Шариковый радиальный однорядный подшипник. Смазка Литол-24. | 55.00 | 120.00 | 29.00 |
| 53311-H | Роликовый радиальный двухрядный подшипник. Pressed Snap-Type Steel Cage. Hardened. | 55.00 | 120.00 | 29.00 |
| 56-32311 Р1 | Роликовый радиальный однорядный подшипник. Детали из теплоустойчивой (быстрорежущие) стали.. | 55.00 | 120.00 | 29.00 |
| 6-12311 К1М | Роликовый радиальный однорядный подшипник. Модифицированный контакт.. | 55.00 | 120.00 | 29.00 |
Способы доставки
Отправка через ведущие транспортные и курьерские компании: ПЭК, Деловые Линии, СДЭК, Байкал-Сервис, Энергия, КИТ, ЖелДорЭкспедиция.
Самовывоз возможен напрямую со склада в Москве.
Сроки доставки
Срок зависит от региона и выбранной транспортной компании. Все заказы комплектуются и отправляются в кратчайшие сроки со склада в Москве.
Надёжность и сохранность
Вся продукция упаковывается с учётом требований транспортировки. Мы гарантируем, что подшипники и комплектующие прибудут к заказчику в полной сохранности.
Доставка в страны ЕАЭС
Мы работаем с проверенными логистическими партнёрами, что позволяет оперативно доставлять заказы в Беларусь, Казахстан, Армению и другие страны ЕАЭС.
Варианты оплаты:
Минимальная сумма заказа и скидки:
Документы и гарантии:
Да, конечно! Наши технические специалисты готовы помочь вам с подбором точного аналога или замены подшипника. Просто позвоните нам по телефону +7 (495) 104-99-04 или напишите на почту zakaz@podsnab.ru.
Для оперативной консультации подготовьте, пожалуйста, имеющиеся данные: маркировку, размеры, тип оборудования или артикул старого подшипника.
Да, конечно! Мы высоко ценим долгосрочное сотрудничество и доверие клиентов по всей России. Для постоянных клиентов действует персональная система скидок.
Условия формируются индивидуально и зависят от:
Чтобы узнать свои условия и получить максимально выгодное предложение, свяжитесь с персональным менеджером или напишите нам на почту zakaz@podsnab.ru.
Вы можете оформить заказ несколькими способами:
Для оформления заказа от юридического лица свяжитесь с нашим отделом по работе с корпоративными клиентами по телефону +7 (495) 104-99-04 или напишите на email zakaz@podsnab.ru, прикрепив реквизиты вашей организации.
Мы оперативно подготовим коммерческое предложение и выставим счет.
Возврат товара надлежащего качества возможен в течение 10 дней с момента получения, если товар не был в употреблении, сохранен товарный вид, упаковка не вскрывалась и присутствуют все сопроводительные документы.
Возврат денежных средств осуществляется в течение 10 рабочих дней после проверки товара складом.
В соответствии с законодательством возврату не подлежат подшипники надлежащего качества, если отсутствует оригинальная упаковка или имеются следы монтажа.
В случае выявления брака или гарантийного случая мы гарантируем возврат или обмен товара.
Да, гарантийный срок хранения устанавливается заводом-изготовителем и в среднем составляет 2 года при соблюдении условий хранения: сухое помещение, оригинальная упаковка и смазка.
Точный срок для конкретного типа подшипника уточняйте у наших менеджеров.
Пн–Пт: с 8:00 до 17:00 (МСК).
Сб–Вс: выходные дни.
Заказы на сайте принимаются круглосуточно. Заявки, поступившие после окончания рабочего дня, обрабатываются на следующий рабочий день.
Минимальная сумма заказа для доставки составляет 3000 рублей. Самовывоз со склада возможен на любую сумму при наличии товара.
ООО «УралТехГрупп»
ИНН: 7415093830
КПП: 772401001
ОГРН: 1167456069021
Банк: ПАО Сбербанк
Р/с: 40702810838000475273
К/с: 30101810400000000225
БИК: 044525225
У подшипника NUP311ECP пока нет отзывов. Вы можете стать первым покупателем, поделившимся своим мнением.