Поиск подшипника
Статьи
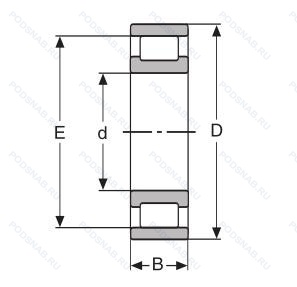
NM11 — Однорядный цилиндрический роликовый подшипник, основное исполнение, производство STEYR.
Размер подшипника: 34x88x22 мм.
Альтернативное обозначение: CRM11, MRJ1.3/8, RMS12.1/2.
Аналоги: RMS12.1/2 FAG,CRM11 SKF.
Международная стандартизации ISO
NM11
В наличии
| Обозначение | Гост | Конструктивные особенности |
|---|---|---|
| CRM11 | ISO | Однорядный цилиндрический роликовый подшипник. |
| CRM11A | ISO | Двухрядный радиально-упорный шарикоподшипник без отверстия для смазки. |
| MRJ1.3/8 | ISO | Размерные и геометрические допуски соответствуют классу точности P6. Средний предварительный натяг. |
| MRJ1.3/8M | ISO | Механически обработанный латунный сепаратор .Расположенный на элементах качения. |
| RMS12.1/2V3 | ISO | Радиальный зазор больше стандартного. |
| RMS12.1/2V3 M | ISO | Механически обработанный латунный сепаратор .Расположенный на элементах качения. |
| MRJ1.3/8J | ISO | Однорядный цилиндрический роликовый подшипник. |
| RMS12.1/2 | ISO | ISO Tolerance Class ABEC.9. Number Of Carriages Per Rail Track. |
| MRJA1.3/8 | ISO | Размерные и геометрические допуски соответствуют классу точности P6. Средний предварительный натяг. |
| CFM11 | ISO | Однорядный цилиндрический роликовый подшипник. |
| MRJA1.3/8M | ISO | Однорядный цилиндрический роликовый подшипник. |
| MRJA1.3/8C3 | ISO | Внутренний зазор больше нормального. |
| MRJA1.3/8C4 | ISO | Внутренний зазор подшипника больше. чем C3. |
| MMRJ1.3/8 | ISO | Размерные и геометрические допуски соответствуют классу точности P6. Средний предварительный натяг. |
| MRJ1.3/8JCNS | ISO | Специальная термическая обработка. Прессованный стальной сепаратор. Нормальный уровень радиального внутреннего зазора (не маркируется). |
| MRJ1.3/8MB | ISO | Однокомпонентное внутреннее кольцо с центрированным сепаратором из механически обработанной латуни. |
| MRJ1.3/8DESA | ISO | Конструкция А. |
| MRJ1.3/8C3 | ISO | Внутренний зазор больше нормального. |
| RM12.1/2 | ISO | ISO Tolerance Class ABEC.9. Number Of Carriages Per Rail Track. |
| MRJ1.3/8N | ISO | Канавка под стопорное кольцо на внешнем кольце. |
Аналог цилиндрического роликового подшипника NM11 — это подшипник такого же размера dx34,Dx88,Bx22, типа и конструкции.
| Обозначение | Конструктивные особенности | Внутренний (d) | Наружный (D) | Ширина (B) |
|---|---|---|---|---|
| RMS11C3 | Подшипник однорядный шариковый радиальный. Внутренний зазор больше нормального. | 34.93 | 88.90 | 22.23 |
| MS12.1/2AC | Подшипник шариковый однорядный радиально-упорный. Суффикс для радиально-упорного шарикоподшипника. | 34.93 | 88.90 | 22.23 |
| MJ1.3/8ZZ | Подшипник однорядный шариковый радиальный. Защитные металлические шайбы с обеих сторон. | 34.93 | 88.90 | 22.23 |
| RMS11C6 | Подшипник однорядный шариковый радиальный. Уровень шума ниже нормы (бесшумная работа). | 34.93 | 88.90 | 22.23 |
| MJ1.3/8NR | Подшипник однорядный шариковый радиальный. Канавка под стопорное кольцо на наружном кольце с соответствующим стопорным кольцом. | 34.92 | 88.90 | 22.23 |
| QJM1.3/8 | Подшипник шариковый с четырехточечным контактом. Размерные и геометрические допуски соответствуют классу точности P6. Средний предварительный натяг. | 34.92 | 88.90 | 22.23 |
| DMJT1.3/8 | Подшипник шариковый однорядный радиально-упорный. Размерные и геометрические допуски соответствуют классу точности P6. Средний предварительный натяг. | 34.93 | 88.90 | 22.23 |
| MJ1+3/8-C3 | Подшипник однорядный шариковый радиальный. Внутренний зазор больше нормального. | 34.93 | 88.90 | 22.23 |
| MJ1.3/8-2RSJ | Подшипник однорядный шариковый радиальный. Резиновые уплотнения с каждой стороны подшипника. Сепаратор из стали. | 34.93 | 88.90 | 22.23 |
| MJ1.3/8 2RS | Подшипник однорядный шариковый радиальный. Резиновые уплотнения с каждой стороны подшипника. | 34.92 | 88.90 | 22.23 |
| MJ1.3/8-2ZJ | Подшипник однорядный шариковый радиальный. Сепаратор из штампованной стали. Центрированный элемент качения. Защитные металлические шайбы с обеих сторон подшипника. | 34.93 | 88.90 | 22.23 |
| MJ1.3/8-Z | Шариковый радиальный однорядный подшипник. щит из листовой прессованной стали с одной стороны подшипника. Размерные и геометрические допуски соответствуют классу точности P6. Средний предварительный натяг. | 34.92 | 88.90 | 22.23 |
| MJ1.3/8-RS | Шариковый радиальный однорядный подшипник. Резиновое уплотнение с одной стороны. Размерные и геометрические допуски соответствуют классу точности P6. Средний предварительный натяг. | 34.92 | 88.90 | 22.23 |
| MJ1.3/8-N | Шариковый радиальный однорядный подшипник. Канавка под стопорное кольцо на внешнем кольце. Размерные и геометрические допуски соответствуют классу точности P6. Средний предварительный натяг. | 34.92 | 88.90 | 22.23 |
| MJ1.3/8-2Z | Шариковый радиальный однорядный подшипник. Защитные металлические шайбы с обеих сторон подшипника. Размерные и геометрические допуски соответствуют классу точности P6. Средний предварительный натяг. | 34.92 | 88.90 | 22.23 |
Способы доставки
Отправка через ведущие транспортные и курьерские компании: ПЭК, Деловые Линии, СДЭК, Байкал-Сервис, Энергия, КИТ, ЖелДорЭкспедиция.
Самовывоз возможен напрямую со склада в Москве.
Сроки доставки
Срок зависит от региона и выбранной транспортной компании. Все заказы комплектуются и отправляются в кратчайшие сроки со склада в Москве.
Надёжность и сохранность
Вся продукция упаковывается с учётом требований транспортировки. Мы гарантируем, что подшипники и комплектующие прибудут к заказчику в полной сохранности.
Доставка в страны ЕАЭС
Мы работаем с проверенными логистическими партнёрами, что позволяет оперативно доставлять заказы в Беларусь, Казахстан, Армению и другие страны ЕАЭС.
Варианты оплаты:
Минимальная сумма заказа и скидки:
Документы и гарантии:
Да, конечно! Наши технические специалисты готовы помочь вам с подбором точного аналога или замены подшипника. Просто позвоните нам по телефону +7 (495) 104-99-04 или напишите на почту zakaz@podsnab.ru.
Для оперативной консультации подготовьте, пожалуйста, имеющиеся данные: маркировку, размеры, тип оборудования или артикул старого подшипника.
Да, конечно! Мы высоко ценим долгосрочное сотрудничество и доверие клиентов по всей России. Для постоянных клиентов действует персональная система скидок.
Условия формируются индивидуально и зависят от:
Чтобы узнать свои условия и получить максимально выгодное предложение, свяжитесь с персональным менеджером или напишите нам на почту zakaz@podsnab.ru.
Вы можете оформить заказ несколькими способами:
Для оформления заказа от юридического лица свяжитесь с нашим отделом по работе с корпоративными клиентами по телефону +7 (495) 104-99-04 или напишите на email zakaz@podsnab.ru, прикрепив реквизиты вашей организации.
Мы оперативно подготовим коммерческое предложение и выставим счет.
Возврат товара надлежащего качества возможен в течение 10 дней с момента получения, если товар не был в употреблении, сохранен товарный вид, упаковка не вскрывалась и присутствуют все сопроводительные документы.
Возврат денежных средств осуществляется в течение 10 рабочих дней после проверки товара складом.
В соответствии с законодательством возврату не подлежат подшипники надлежащего качества, если отсутствует оригинальная упаковка или имеются следы монтажа.
В случае выявления брака или гарантийного случая мы гарантируем возврат или обмен товара.
Да, гарантийный срок хранения устанавливается заводом-изготовителем и в среднем составляет 2 года при соблюдении условий хранения: сухое помещение, оригинальная упаковка и смазка.
Точный срок для конкретного типа подшипника уточняйте у наших менеджеров.
Пн–Пт: с 8:00 до 17:00 (МСК).
Сб–Вс: выходные дни.
Заказы на сайте принимаются круглосуточно. Заявки, поступившие после окончания рабочего дня, обрабатываются на следующий рабочий день.
Минимальная сумма заказа для доставки составляет 3000 рублей. Самовывоз со склада возможен на любую сумму при наличии товара.
ООО «УралТехГрупп»
ИНН: 7415093830
КПП: 772401001
ОГРН: 1167456069021
Банк: ПАО Сбербанк
Р/с: 40702810838000475273
К/с: 30101810400000000225
БИК: 044525225
У подшипника NM11 пока нет отзывов. Вы можете стать первым покупателем, поделившимся своим мнением.