Поиск подшипника
Статьи
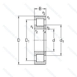
NUP310-E-M6 — однорядный цилиндрический роликовый подшипник, модификация основного исполнения NUP310, производство NKE.
Размер подшипника: 50x110x27 мм.
Однорядный цилиндрический роликоподшипник. Наружное кольцо имеет два борта, внутреннее — один борт и одно свободное фланцевое кольцо. Основные размеры по DIN 5412-1, относится к подтипу фиксированные подшипники, разъемные, с сепаратором, цельный латунный сепаратор с роликовыми направляющими для цилиндрических роликоподшипников, повышенная грузоподъемность.
Аналоги: NUP310-E-XL-M1 FAG.
Международная стандартизации ISO
NUP310EM6
В наличии
| Обозначение | Конструктивные изменения |
|---|---|
| NUP310EN.JP1 | Прессованный сепаратор из листового металла. Увеличенная грузоподъемность и канавка под стопорное кольцо на наружном кольце. |
| NUP310ECM/C3 | Внутренний зазор больше нормального. Механически обработанный латунный сепаратор. клёпаный. центрируемый по роликам. Оптимизированная внутренняя конструкция предусматривает увеличенное количество роликов и/или ролики большего размера с улучшенными условиями контакта торцов роликов с бортами внутреннего кольца. |
| NUP310EN.TVP2 | Cепаратор изготовленный из полиамида PA66. армированного стекловолокном. Канавка под стопорное кольцо на внешнем кольце. Увеличенная грузоподъемность и канавка под стопорное кольцо на наружном кольце. |
| NUP310EG1WC3U | Внутренний зазор больше нормального. Повышенная грузоподъемность. Одно ребро. Одно стопорное кольцо в наружном кольце. Обработанный латунный сепаратор для цилиндрических роликоподшипников. |
| NUP310-E-TVP3-C3 | Внутренний зазор больше нормального. Увеличенная грузоподъёмность. Цельный сепаратор из полиамида PA66-GF25. сепаратор оконного типа. направляемый телами качения. |
| NUP310E.JP3.C3 | Внутренний зазор больше нормального. Повышенная грузоподъемность. Применения с цилиндрическими роликоподшипниками с наружным диаметром > 90 мм с сепаратором из листовой стали JP3 с оптимизированной толщиной листа. Улучшенные направляющие и удерживающие ролики. Увеличенный поток масла или смазки. |
| NUP310EW | Однорядный. |
| NUP310E TN | Повышенная грузоподъемность. Прочный сепаратор из полиамида. армированного стекловолокном. |
| NUP310-E-XL-JP3 | Повышенная грузоподъемность. Серия X-Life премиум-класс. увеличиный срок службы. Применения с цилиндрическими роликоподшипниками с наружным диаметром > 90 мм с сепаратором из листовой стали JP3 с оптимизированной толщиной листа. Улучшенные направляющие и удерживающие ролики. Увеличенный поток масла или смазки. |
| NUP310E.JP1 | Повышенная грузоподъемность. Прессованный сепаратор из листового металла. |
| NUP310-E-MPAX-C3 | Внутренний зазор больше нормального. Повышенная грузоподъемность. Ребристый однокомпонентный цельнолатунный сепаратор является дальнейшим развитием сепараторов FAG типов MPA и MP1A и будет последовательно заменять эти типы. Он обладает большей прочностью по отношению к ударным нагрузкам и вибрациям. чем его предшественники. и особенно хорошо подходит для применения в условиях высоких нагрузок. |
| NUP310E G15 | Повышенная грузоподъемность. Литой сепаратор из полиамида 6.6. армированного стекловолокном. Элемент качения по центру. |
| NUP310W | Цельный прессованный сепаратор. |
| NUP310-E-XL-N-TVP2 | Повышенная грузоподъемность. Серия X-Life премиум-класс. увеличиный срок службы. Cепаратор изготовленный из полиамида PA66. армированного стекловолокном. Канавка под стопорное кольцо на внешнем кольце. |
| NUP310-E-XL-N-JP3-C3 | Внутренний зазор больше нормального. Повышенная грузоподъемность. Серия X-Life премиум-класс. увеличиный срок службы. Канавка под стопорное кольцо на внешнем кольце. Применения с цилиндрическими роликоподшипниками с наружным диаметром > 90 мм с сепаратором из листовой стали JP3 с оптимизированной толщиной листа. Улучшенные направляющие и удерживающие ролики. Увеличенный поток масла или смазки. |
| NUP310EG1U | Повышенная грузоподъемность. Одно ребро. Одно стопорное кольцо в наружном кольце. Обработанный латунный сепаратор для цилиндрических роликоподшипников. |
| NUP310EJC3 | Внутренний зазор больше нормального. Увеличенная грузоподъёмность. Сепаратор из стали. |
| NUP310EW NR C3 | Внутренний зазор больше нормального. Канавка под стопорное кольцо на наружном кольце с соответствующим стопорным кольцом. Однорядный. |
| NUP310-E-MPA | Повышенная грузоподъемность. Твердый латунный сепаратор. |
| NUP310-E-MA6 | Повышенная грузоподъемность. Изготовленный из двух частей латунный сепаратор. Центрирование по внешнему кольцу. Различные конструкции или сорта материалов обозначаются цифрой или буквой.. |
| NUP310-E-TVP3 | Повышенная грузоподъемность. Цельный сепаратор из полиамида PA66-GF25. сепаратор оконного типа. направляемый телами качения. |
| NUP310E.TVP | Повышенная грузоподъемность. Molded Snap-Type Cage Of Glass Fibre Reinforced Polyamide. Rolling Element Riding. |
| NUP310FM/C3 | Внутренний зазор больше нормального. Y-образный подшипник серии YET2 (внутреннее кольцо выдвинуто с одной стороны. Эксцентриковая стопорная втулка). Стандартное уплотнение без фланца с каждой стороны. |
| NUP310FNR/C3 | Внутренний зазор больше нормального. |
| NUP310R | С выпуклыми асимметричными роликами и обработанным сепаратором. |
Модификации цилиндрического роликового подшипника NUP310-E-M6 — это измененное основное конструктивное исполнение NUP310, основные размеры (50x110x27) не отличаются.
| Обозначение | Гост | Конструктивные особенности |
|---|---|---|
| N310-E-TVP | ISO | Увеличенная грузоподъёмность. Формованный полиамидный сепаратор оконного типа. Роликовые тела качения. |
| N310-E-TVP-C3 | ISO | Внутренний зазор больше нормального. Увеличенная грузоподъёмность. Формованный полиамидный сепаратор оконного типа. Роликовые тела качения. |
| NJ310-E-M6 | ISO | Повышенная грузоподъемность. Цельный латунный сепаратор с роликовыми направляющими для цилиндрических роликоподшипников. |
| NF310C3 | ISO | Внутренний зазор больше нормального. |
| NF310M C3 | ISO | Внутренний зазор больше нормального. Механически обработанный латунный сепаратор .Расположенный на элементах качения. |
| NF310W C3 | ISO | Внутренний зазор больше нормального. Цельный прессованный сепаратор. |
| NU310-E-N2-XL-M1A-C4 | ISO | Внутренний зазор подшипника больше. чем C3. Повышенная грузоподъемность. Серия X-Life премиум-класс. увеличиный срок службы. Массивный латунный сепаратор. двухтельный. центрированный по бортам. Два установочных паза (выемки), расположенных под углом 180° друг от друга в одной боковой поверхности наружного кольца или шайбе корпуса.. |
| NU310-E-XL-JP3-C4 | ISO | Внутренний зазор подшипника больше. чем C3. Повышенная грузоподъемность. Серия X-Life премиум-класс. увеличиный срок службы. Применения с цилиндрическими роликоподшипниками с наружным диаметром > 90 мм с сепаратором из листовой стали JP3 с оптимизированной толщиной листа. Улучшенные направляющие и удерживающие ролики. Увеличенный поток масла или смазки. |
| NU310-E-XL-M1-C4 | ISO | Внутренний зазор подшипника больше. чем C3. Повышенная грузоподъемность. Серия X-Life премиум-класс. увеличиный срок службы. Механически обработанный латунный сепаратор. вращающийся элемент качения (крестовина на заклепках). |
| NU310-E-XL-M1-F1-C3 | ISO | Внутренний зазор больше нормального. Повышенная грузоподъемность. Серия X-Life премиум-класс. увеличиный срок службы. Механически обработанный латунный сепаратор. вращающийся элемент качения (крестовина на заклепках). Спецификация производства и контроля FAG для цилиндрических роликоподшипников в тяговых двигателях. |
| NU310-E-XL-M1-F1-C4 | ISO | Внутренний зазор подшипника больше. чем C3. Повышенная грузоподъемность. Серия X-Life премиум-класс. увеличиный срок службы. Механически обработанный латунный сепаратор. вращающийся элемент качения (крестовина на заклепках). Спецификация производства и контроля FAG для цилиндрических роликоподшипников в тяговых двигателях. |
| NU310-E-XL-N-M1-C3 | ISO | Внутренний зазор больше нормального. Повышенная грузоподъемность. Серия X-Life премиум-класс. увеличиный срок службы. Механически обработанный латунный сепаратор. вращающийся элемент качения (крестовина на заклепках). Канавка под стопорное кольцо на внешнем кольце. |
| NU310-E-XL-N-M1-C4 | ISO | Внутренний зазор подшипника больше. чем C3. Повышенная грузоподъемность. Серия X-Life премиум-класс. увеличиный срок службы. Механически обработанный латунный сепаратор. вращающийся элемент качения (крестовина на заклепках). Канавка под стопорное кольцо на внешнем кольце. |
| NU310-E-XL-N-M1 | ISO | Повышенная грузоподъемность. Серия X-Life премиум-класс. увеличиный срок службы. Механически обработанный латунный сепаратор. вращающийся элемент качения (крестовина на заклепках). Канавка под стопорное кольцо на внешнем кольце. |
| NU310-E-XL-N-TVP2 | ISO | Повышенная грузоподъемность. Серия X-Life премиум-класс. увеличиный срок службы. Cепаратор изготовленный из полиамида PA66. армированного стекловолокном. Канавка под стопорное кольцо на внешнем кольце. |
| N310E/TGP/C3 | ISO | Внутренний зазор больше нормального. Цилиндрический роликовый подшипник c увеличенной грузоподъемностью. Формованный полиамидный сепаратор оконного типа. Роликовые тела качения. |
| N310G1P5 | ISO | Размерная и рабочая точность соответствует классу допуска ISO 5. Обработанный латунный сепаратор для цилиндрических роликоподшипников. |
| NU.310.E.M.J30 | ISO | Усиленный элемент качения. Механически обработанный латунный сепаратор. Внутренний зазор больше нормального. |
| NU310ECP/C3W64 | ISO | Внутренний зазор больше нормального. Антифрикционный заполнитель. твердая смазка. Оптимизированная внутренняя конструкция предусматривает увеличенное количество роликов и/или ролики большего размера с улучшенными условиями контакта торцов роликов с бортами внутреннего кольца. Сепаратор из стеклонаполненного полиамида PA66. центрируемый по роликам. |
| N310MB C3 | ISO | Внутренний зазор больше нормального. сепаратор из латуни. центрированный по внутреннему кольцу. |
Аналог цилиндрического роликового подшипника NUP310-E-M6 — это подшипник такого же размера dx50,Dx110,Bx27, типа и конструкции.
| Обозначение | Конструктивные особенности | Внутренний (d) | Наружный (D) | Ширина (B) |
|---|---|---|---|---|
| 46310Л1 | Шариковый радиально-упорный однорядный подшипник. Сепаратор из латуни.. | 50.00 | 110.00 | 27.00 |
| 5-310 АК | Шариковый радиальный однорядный подшипник. Повышенная грузоподъемность. | 50.00 | 110.00 | 27.00 |
| 5-310 ЕТ8Ш2 | Шариковый радиальный однорядный подшипник. Сепаратор из текстолита.. Нормы шумности. Специальный режим термообработки деталей подшипника. | 50.00 | 110.00 | 27.00 |
| 5-310 ЕТ8Ш3 | Шариковый радиальный однорядный подшипник. Сепаратор из текстолита.. Нормы шумности. Специальный режим термообработки деталей подшипника. | 50.00 | 110.00 | 27.00 |
| 5-310 ЕШ2 | Шариковый радиальный однорядный подшипник. Сепаратор из текстолита.. Нормы шумности. | 50.00 | 110.00 | 27.00 |
| 5-310 ЕШ3 | Шариковый радиальный однорядный подшипник. Сепаратор из текстолита.. Нормы шумности. | 50.00 | 110.00 | 27.00 |
| 5-32310 Р | Роликовый радиальный однорядный подшипник. Детали из теплоустойчивой (быстрорежущие) стали.. | 50.00 | 110.00 | 27.00 |
| 5-46310 АЛ | Шариковый радиально-упорный однорядный подшипник. Сепаратор из латуни.. Повышенная грузоподъемность. | 50.00 | 110.00 | 27.00 |
| 5-46310 Л | Шариковый радиально-упорный однорядный подшипник. Сепаратор из латуни.. | 50.00 | 110.00 | 27.00 |
| 50310-А | Шариковый радиальный однорядный подшипник. Повышенная грузоподъемность. | 50.00 | 110.00 | 27.00 |
| 50310-АW2 | Шариковый радиальный однорядный подшипник. Детали из вакуумированной стали.. Повышенная грузоподъемность. | 50.00 | 110.00 | 27.00 |
| 50310-АК | Шариковый радиальный однорядный подшипник. Повышенная грузоподъемность. | 50.00 | 110.00 | 27.00 |
| 6-102310 М | Роликовый радиальный однорядный подшипник. Модифицированный контакт.. | 50.00 | 110.00 | 27.00 |
| 6-12310 КМ | Роликовый радиальный однорядный подшипник. Кольцевая проточка на середине цилиндрической наружной поверхности наружного кольца плюс три отверстия для смазки. Модифицированный контакт.. | 50.00 | 110.00 | 27.00 |
| 6-1310 Л | Шариковый радиальный двухрядный подшипник. Сепаратор из латуни.. | 50.00 | 110.00 | 27.00 |
Способы доставки
Отправка через ведущие транспортные и курьерские компании: ПЭК, Деловые Линии, СДЭК, Байкал-Сервис, Энергия, КИТ, ЖелДорЭкспедиция.
Самовывоз возможен напрямую со склада в Москве.
Сроки доставки
Срок зависит от региона и выбранной транспортной компании. Все заказы комплектуются и отправляются в кратчайшие сроки со склада в Москве.
Надёжность и сохранность
Вся продукция упаковывается с учётом требований транспортировки. Мы гарантируем, что подшипники и комплектующие прибудут к заказчику в полной сохранности.
Доставка в страны ЕАЭС
Мы работаем с проверенными логистическими партнёрами, что позволяет оперативно доставлять заказы в Беларусь, Казахстан, Армению и другие страны ЕАЭС.
Варианты оплаты:
Минимальная сумма заказа и скидки:
Документы и гарантии:
Да, конечно! Наши технические специалисты готовы помочь вам с подбором точного аналога или замены подшипника. Просто позвоните нам по телефону +7 (495) 104-99-04 или напишите на почту zakaz@podsnab.ru.
Для оперативной консультации подготовьте, пожалуйста, имеющиеся данные: маркировку, размеры, тип оборудования или артикул старого подшипника.
Да, конечно! Мы высоко ценим долгосрочное сотрудничество и доверие клиентов по всей России. Для постоянных клиентов действует персональная система скидок.
Условия формируются индивидуально и зависят от:
Чтобы узнать свои условия и получить максимально выгодное предложение, свяжитесь с персональным менеджером или напишите нам на почту zakaz@podsnab.ru.
Вы можете оформить заказ несколькими способами:
Для оформления заказа от юридического лица свяжитесь с нашим отделом по работе с корпоративными клиентами по телефону +7 (495) 104-99-04 или напишите на email zakaz@podsnab.ru, прикрепив реквизиты вашей организации.
Мы оперативно подготовим коммерческое предложение и выставим счет.
Возврат товара надлежащего качества возможен в течение 10 дней с момента получения, если товар не был в употреблении, сохранен товарный вид, упаковка не вскрывалась и присутствуют все сопроводительные документы.
Возврат денежных средств осуществляется в течение 10 рабочих дней после проверки товара складом.
В соответствии с законодательством возврату не подлежат подшипники надлежащего качества, если отсутствует оригинальная упаковка или имеются следы монтажа.
В случае выявления брака или гарантийного случая мы гарантируем возврат или обмен товара.
Да, гарантийный срок хранения устанавливается заводом-изготовителем и в среднем составляет 2 года при соблюдении условий хранения: сухое помещение, оригинальная упаковка и смазка.
Точный срок для конкретного типа подшипника уточняйте у наших менеджеров.
Пн–Пт: с 8:00 до 17:00 (МСК).
Сб–Вс: выходные дни.
Заказы на сайте принимаются круглосуточно. Заявки, поступившие после окончания рабочего дня, обрабатываются на следующий рабочий день.
Минимальная сумма заказа для доставки составляет 3000 рублей. Самовывоз со склада возможен на любую сумму при наличии товара.
ООО «УралТехГрупп»
ИНН: 7415093830
КПП: 772401001
ОГРН: 1167456069021
Банк: ПАО Сбербанк
Р/с: 40702810838000475273
К/с: 30101810400000000225
БИК: 044525225
У подшипника NUP310-E-M6 пока нет отзывов. Вы можете стать первым покупателем, поделившимся своим мнением.