Поиск подшипника
Статьи
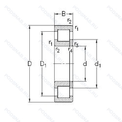
NUP209E TVP3 — однорядный цилиндрический роликовый подшипник, модификация основного исполнения NUP209, производство NKE.
Размер подшипника: 45x85x19 мм.
Однорядный цилиндрический роликоподшипник. Наружное кольцо имеет два борта, внутреннее — один борт и одно свободное фланцевое кольцо. Основные размеры по DIN 5412-1, относится к подтипу фиксированные подшипники, разъемные, с сепаратором, цельный сепаратор из полиамида pa66-gf25. сепаратор оконного типа. направляемый телами качения, увеличенная грузоподъёмность.
Аналоги: NUP209-E-XL-TVP2 FAG,NUP209-E-TVP3 NKE.
Международная стандартизации ISO
NUP209ETVP3
В наличии
| Обозначение | Конструктивные изменения |
|---|---|
| NUP209E.M2 | Повышенная грузоподъемность. Роликовый центрированный механически обработанный латунный сепаратор. Без направляющего кольца. |
| NUP209-E-TVP2-C3 | Внутренний зазор больше нормального. Повышенная грузоподъемность. Cепаратор изготовленный из полиамида PA66. армированного стекловолокном. |
| NUP209ECP/C3 | Внутренний зазор больше нормального. Оптимизированная внутренняя конструкция предусматривает увеличенное количество роликов и/или ролики большего размера с улучшенными условиями контакта торцов роликов с бортами внутреннего кольца. Сепаратор из стеклонаполненного полиамида PA66. центрируемый по роликам. |
| NUP209ECP | Оптимизированная внутренняя конструкция предусматривает увеличенное количество роликов и/или ролики большего размера с улучшенными условиями контакта торцов роликов с бортами внутреннего кольца. Сепаратор из стеклонаполненного полиамида PA66. центрируемый по роликам. Однорядный цилиндрический роликовый подшипник. |
| NUP209-E-N-TVP2 | Повышенная грузоподъемность. Cепаратор изготовленный из полиамида PA66. армированного стекловолокном. Канавка под стопорное кольцо на внешнем кольце. |
| NUP209E MA | Повышенная грузоподъемность. Механически обработанный латунный сепаратор. Центрирование по внешнему кольцу. |
| NUP209EM | Стандартный фланцевый ( с резьбой и сквозным отверстием). |
| NUP209E TNG | Повышенная грузоподъемность. Прочный сепаратор из полиамида. армированного стекловолокном. |
| NUP209E G15 C4 | Внутренний зазор подшипника больше. чем C3. Повышенная грузоподъемность. Литой сепаратор из полиамида 6.6. армированного стекловолокном. Элемент качения по центру. |
| NUP209ET C3 | Внутренний зазор больше нормального. Сквозная закалка и шлифовка стали с переломом в одной точке. |
| NUP209ETN P6 | Размерные и геометрические допуски соответствуют классу точности P6. Цилиндрический роликовый подшипник. Дополнительная грузоподъемность с сепаратором из полиамида 6-6. |
| NUP209-E-TVP3-C3 | Внутренний зазор больше нормального. Увеличенная грузоподъёмность. Цельный сепаратор из полиамида PA66-GF25. сепаратор оконного типа. направляемый телами качения. |
| NUP209ET2X C3U | Внутренний зазор больше нормального. Повышенная грузоподъемность. Одно ребро. Одно стопорное кольцо в наружном кольце. Полиамидный сепаратор 4.6 для цилиндрических роликоподшипников. |
| NUP209FM | Y-образный подшипник серии YET2 (внутреннее кольцо выдвинуто с одной стороны. Эксцентриковая стопорная втулка). Стандартное уплотнение без фланца с каждой стороны. |
| NUP209E TGP | Цилиндрический роликовый подшипник c увеличенной грузоподъемностью. Формованный полиамидный сепаратор оконного типа. Роликовые тела качения. |
| NUP209EW | Однорядный. |
| NUP209EN.JP1.C3 | Внутренний зазор больше нормального. Прессованный сепаратор из листового металла. Увеличенная грузоподъемность и канавка под стопорное кольцо на наружном кольце. |
| NUP209W | Цельный прессованный сепаратор. |
| NUP209ET | Сквозная закалка и шлифовка стали с переломом в одной точке. |
| NUP.209.E.G15 | Повышенная грузоподъемность. Литой сепаратор из полиамида 6.6. армированного стекловолокном. Элемент качения по центру. |
| NUP209-E-XL-M1-C3 | Внутренний зазор больше нормального. Повышенная грузоподъемность. Серия X-Life премиум-класс. увеличиный срок службы. Механически обработанный латунный сепаратор. вращающийся элемент качения (крестовина на заклепках). |
| NUP209-E-MPA | Повышенная грузоподъемность. Твердый латунный сепаратор. |
| NUP209E.TVP | Повышенная грузоподъемность. Molded Snap-Type Cage Of Glass Fibre Reinforced Polyamide. Rolling Element Riding. |
| NUP209R | С выпуклыми асимметричными роликами и обработанным сепаратором. |
| NUP209EG | Игольчатые сепараторы для шатунов двигателей. |
Модификации цилиндрического роликового подшипника NUP209E TVP3 — это измененное основное конструктивное исполнение NUP209, основные размеры (45x85x19) не отличаются.
| Обозначение | Гост | Конструктивные особенности |
|---|---|---|
| NUPJ209ECP/C3 | ISO | Внутренний зазор больше нормального. Оптимизированная внутренняя конструкция предусматривает увеличенное количество роликов и/или ролики большего размера с улучшенными условиями контакта торцов роликов с бортами внутреннего кольца. Сепаратор из стеклонаполненного полиамида PA66. центрируемый по роликам. |
| NU209TNG | ISO | Прочный сепаратор из полиамида. армированного стекловолокном. |
| N209ECP/C3 | ISO | Внутренний зазор больше нормального. Оптимизированная внутренняя конструкция предусматривает увеличенное количество роликов и/или ролики большего размера с улучшенными условиями контакта торцов роликов с бортами внутреннего кольца. Сепаратор из стеклонаполненного полиамида PA66. центрируемый по роликам. |
| NU209ECNJ | ISO | Сепаратор из штампованной стали. Центрирование роликов. Незакаленный. Оптимизированная внутренняя конструкция предусматривает увеличенное количество роликов и/или ролики большего размера с улучшенными условиями контакта торцов роликов с бортами внутреннего кольца. Канавка под стопорное кольцо на внешнем кольце. |
| NU209NE | ISO | Snap Ring Groove In The Outer Ring. Modified Design. |
| NU209ECML | ISO | Оптимизированная внутренняя конструкция предусматривает увеличенное количество роликов и/или ролики большего размера с улучшенными условиями контакта торцов роликов с бортами внутреннего кольца. Механически обработанный латунный сепаратор. оконного типа. центрируемый по внутреннему или наружному кольцу в зависимости от типа подшипника. Однорядный цилиндрический роликовый подшипник. |
| NJ209E MA | ISO | Повышенная грузоподъемность. Механически обработанный латунный сепаратор. Центрирование по внешнему кольцу. |
| NU209E MA C3 | ISO | Внутренний зазор больше нормального. Повышенная грузоподъемность. Механически обработанный латунный сепаратор. Центрирование по внешнему кольцу. |
| NU209G1 | ISO | Обработанный латунный сепаратор для цилиндрических роликоподшипников. |
| NU209E G1 | ISO | Повышенная грузоподъемность. Обработанный латунный сепаратор для цилиндрических роликоподшипников. |
| NF209G1 C3 | ISO | Внутренний зазор больше нормального. Обработанный латунный сепаратор для цилиндрических роликоподшипников. |
| NU209-E-TVP3-C3 | ISO | Внутренний зазор больше нормального. Увеличенная грузоподъёмность. Цельный сепаратор из полиамида PA66-GF25. сепаратор оконного типа. направляемый телами качения. |
| NJ209ETC4 | ISO | Внутренний зазор подшипника больше. чем C3. Увеличенная грузоподъёмность. Сепаратор из полиамида. армированного стекловолокном. |
| NU209EJ | ISO | Land-Riding Steel Cage_ One Per Row. |
| NU209ECML/C3LVQ412 | ISO | Оптимизированная внутренняя конструкция предусматривает увеличенное количество роликов и/или ролики большего размера с улучшенными условиями контакта торцов роликов с бортами внутреннего кольца. Механически обработанный латунный сепаратор. оконного типа. центрируемый по внутреннему или наружному кольцу в зависимости от типа подшипника. Уменьшенный диапазон зазоров. |
| NU209FN/C3 | ISO | Внутренний зазор больше нормального. Internal Construction Modified With The Object Of Obtain A Higher Load Capacity And Duration. (A&S Fersa.). Канавка под стопорное кольцо на внешнем кольце. |
| N209-E-TVP | ISO | Увеличенная грузоподъёмность. Формованный полиамидный сепаратор оконного типа. Роликовые тела качения. |
| N209-E-TVP-C3 | ISO | Внутренний зазор больше нормального. Увеличенная грузоподъёмность. Формованный полиамидный сепаратор оконного типа. Роликовые тела качения. |
| N209M | ISO | Механически обработанный латунный сепаратор .Расположенный на элементах качения. |
| NU.209.E.M.J30 | ISO | Усиленный элемент качения. Механически обработанный латунный сепаратор. Внутренний зазор больше нормального. |
Аналог цилиндрического роликового подшипника NUP209E TVP3 — это подшипник такого же размера dx45,Dx85,Bx19, типа и конструкции.
| Обозначение | Конструктивные особенности | Внутренний (d) | Наружный (D) | Ширина (B) |
|---|---|---|---|---|
| 5-46209 АЕ1 | Шариковый радиально-упорный однорядный подшипник. Сепаратор из текстолита.. Повышенная грузоподъемность. | 45.00 | 85.00 | 19.00 |
| 5-46209 АЛ | Шариковый радиально-упорный однорядный подшипник. Сепаратор из латуни.. Повышенная грузоподъемность. | 45.00 | 85.00 | 19.00 |
| 5-46209 Е | Шариковый радиально-упорный однорядный подшипник. Сепаратор из текстолита.. | 45.00 | 85.00 | 19.00 |
| 5-46209 Л | Шариковый радиально-упорный однорядный подшипник. Сепаратор из латуни.. | 45.00 | 85.00 | 19.00 |
| 50209-A | Шариковый радиальный однорядный подшипник. Двухрядный радиально-упорный шарикоподшипник без отверстия для смазки. | 45.00 | 85.00 | 19.00 |
| 50209-А | Шариковый радиальный однорядный подшипник. Повышенная грузоподъемность. | 45.00 | 85.00 | 19.00 |
| 50209-А1 | Шариковый радиальный однорядный подшипник. Повышенная грузоподъемность. | 45.00 | 85.00 | 19.00 |
| 50209-А2 | Шариковый радиальный однорядный подшипник. Повышенная грузоподъемность. | 45.00 | 85.00 | 19.00 |
| 50209-АК5 | Шариковый радиальный однорядный подшипник. Повышенная грузоподъемность. | 45.00 | 85.00 | 19.00 |
| 50209-К1 | Шариковый радиальный однорядный подшипник. «Замок» (скос) на внутреннем кольце плюс массивный сепаратор из текстолита. | 45.00 | 85.00 | 19.00 |
| 55-2209 Р | Роликовый радиальный однорядный подшипник. Детали из теплоустойчивой (быстрорежущие) стали.. | 45.00 | 85.00 | 19.00 |
| 56-32209 Л2 | Роликовый радиальный однорядный подшипник. Сепаратор из латуни.. | 45.00 | 85.00 | 19.00 |
| 56-322209 Е2У | Роликовый радиальный однорядный подшипник. Дополнительные технические требования. Сепаратор из пластических материалов.. | 45.00 | 85.00 | 19.00 |
| 6-116209 Д | Шариковый радиально-упорный однорядный подшипник. Сепаратор из алюминиевого сплава.. | 45.00 | 85.00 | 19.00 |
| 6-126209 Б | Шариковый радиально-упорный однорядный подшипник. Сепаратор из безоловянистой бронзы.. | 45.00 | 85.00 | 19.00 |
Способы доставки
Отправка через ведущие транспортные и курьерские компании: ПЭК, Деловые Линии, СДЭК, Байкал-Сервис, Энергия, КИТ, ЖелДорЭкспедиция.
Самовывоз возможен напрямую со склада в Москве.
Сроки доставки
Срок зависит от региона и выбранной транспортной компании. Все заказы комплектуются и отправляются в кратчайшие сроки со склада в Москве.
Надёжность и сохранность
Вся продукция упаковывается с учётом требований транспортировки. Мы гарантируем, что подшипники и комплектующие прибудут к заказчику в полной сохранности.
Доставка в страны ЕАЭС
Мы работаем с проверенными логистическими партнёрами, что позволяет оперативно доставлять заказы в Беларусь, Казахстан, Армению и другие страны ЕАЭС.
Варианты оплаты:
Минимальная сумма заказа и скидки:
Документы и гарантии:
Да, конечно! Наши технические специалисты готовы помочь вам с подбором точного аналога или замены подшипника. Просто позвоните нам по телефону +7 (495) 104-99-04 или напишите на почту zakaz@podsnab.ru.
Для оперативной консультации подготовьте, пожалуйста, имеющиеся данные: маркировку, размеры, тип оборудования или артикул старого подшипника.
Да, конечно! Мы высоко ценим долгосрочное сотрудничество и доверие клиентов по всей России. Для постоянных клиентов действует персональная система скидок.
Условия формируются индивидуально и зависят от:
Чтобы узнать свои условия и получить максимально выгодное предложение, свяжитесь с персональным менеджером или напишите нам на почту zakaz@podsnab.ru.
Вы можете оформить заказ несколькими способами:
Для оформления заказа от юридического лица свяжитесь с нашим отделом по работе с корпоративными клиентами по телефону +7 (495) 104-99-04 или напишите на email zakaz@podsnab.ru, прикрепив реквизиты вашей организации.
Мы оперативно подготовим коммерческое предложение и выставим счет.
Возврат товара надлежащего качества возможен в течение 10 дней с момента получения, если товар не был в употреблении, сохранен товарный вид, упаковка не вскрывалась и присутствуют все сопроводительные документы.
Возврат денежных средств осуществляется в течение 10 рабочих дней после проверки товара складом.
В соответствии с законодательством возврату не подлежат подшипники надлежащего качества, если отсутствует оригинальная упаковка или имеются следы монтажа.
В случае выявления брака или гарантийного случая мы гарантируем возврат или обмен товара.
Да, гарантийный срок хранения устанавливается заводом-изготовителем и в среднем составляет 2 года при соблюдении условий хранения: сухое помещение, оригинальная упаковка и смазка.
Точный срок для конкретного типа подшипника уточняйте у наших менеджеров.
Пн–Пт: с 8:00 до 17:00 (МСК).
Сб–Вс: выходные дни.
Заказы на сайте принимаются круглосуточно. Заявки, поступившие после окончания рабочего дня, обрабатываются на следующий рабочий день.
Минимальная сумма заказа для доставки составляет 3000 рублей. Самовывоз со склада возможен на любую сумму при наличии товара.
ООО «УралТехГрупп»
ИНН: 7415093830
КПП: 772401001
ОГРН: 1167456069021
Банк: ПАО Сбербанк
Р/с: 40702810838000475273
К/с: 30101810400000000225
БИК: 044525225
У подшипника NUP209E TVP3 пока нет отзывов. Вы можете стать первым покупателем, поделившимся своим мнением.