Поиск подшипника
Статьи
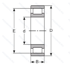
NL5 — Однорядный цилиндрический роликовый подшипник, основное исполнение, производство STEYR.
Размер подшипника: 15x39x11 мм.
Альтернативное обозначение: CRL5, LRJ5/8, RLS7.
Международная стандартизации ISO
NL5
В наличии
| Обозначение | Гост | Конструктивные особенности |
|---|---|---|
| LRJ5/8 | ISO | Средний предварительный натяг. |
| CRL5 | ISO | Однорядный цилиндрический роликовый подшипник. |
| CFL5 | ISO | Однорядный цилиндрический роликовый подшипник. |
| RLS7 | ISO | Однорядный цилиндрический роликовый подшипник. |
| LRJ5/8J | ISO | Однорядный цилиндрический роликовый подшипник. |
| LRJA5/8A | ISO | Однорядный цилиндрический роликовый подшипник. |
| LRJ5/8JCNS | ISO | Однорядный цилиндрический роликовый подшипник. |
| LRJA5/8 | ISO | Средний предварительный натяг. |
| RLS7V3 | ISO | Радиальный зазор больше стандартного. |
| LLRJ5/8M | ISO | Механически обработанный латунный сепаратор .Расположенный на элементах качения. |
| RLS7.2ZR | ISO | Защитные металлические шайбы с обеих сторон. |
| LLRJ5/8 | ISO | Средний предварительный натяг. |
| LLRJ5/8J | ISO | Прессованный стальной сепаратор. |
| LRJA5/8J | ISO | Однорядный цилиндрический роликовый подшипник. |
Аналог цилиндрического роликового подшипника NL5 — это подшипник такого же размера dx15,Dx39,Bx11, типа и конструкции.
| Обозначение | Конструктивные особенности | Внутренний (d) | Наружный (D) | Ширина (B) |
|---|---|---|---|---|
| 6203LLU/15 | Шариковый радиальный однорядный подшипник. Контактное резиновое уплотнение с двух сторон. Distance Between Beginning Of The Rail And First Hole In MM. | 15.00 | 40.00 | 12.00 |
| 6203-2RS d16 C3 | Шариковый радиальный однорядный подшипник. Внутренний зазор больше нормального. Резиновые уплотнения с каждой стороны подшипника. 01. | 16.00 | 40.00 | 12.00 |
| 6203-2RS d14 C3 | Шариковый радиальный однорядный подшипник. Внутренний зазор больше нормального. Резиновые уплотнения с каждой стороны подшипника. Distance In MM From Beginning Of The Rail Till The First Hole. | 14.00 | 40.00 | 12.00 |
| LJ5/8-RS | Шариковый радиальный однорядный подшипник. Резиновое уплотнение с одной стороны. Средний предварительный натяг. | 15.88 | 39.69 | 11.11 |
| BB1-0282D | Шариковый радиальный однорядный подшипник. Половина целого игольчатого валика. Применять суффикс 'D' в базовом номере. | 15.00 | 40.00 | 11.00 |
| BB1-0282B | Шариковый радиальный однорядный подшипник. Конический роликовый подшипник. Угол контакта 20 градусов. | 15.00 | 40.00 | 11.00 |
| US202 | Шариковый радиальный однорядный подшипник. Сферический наружный диаметр. | 15.00 | 40.00 | 12.00 |
| US202-10 | Шариковый радиальный однорядный подшипник. Distance Between Beginning Of The Rail And First Hole In MM. | 15.88 | 40.00 | 12.00 |
| AB12276.S1 | Шариковый радиальный однорядный подшипник. Кольца подшипников или шайбы, стабилизированные по размерам для использования при рабочих температурах до +200°C (392°F).. | 15.00 | 40.00 | 11.00 |
| AB12276S04 | Шариковый радиальный однорядный подшипник. Сферический наружный диаметр. | 15.00 | 40.00 | 11.00 |
| SRLS5-2RS | Шариковый радиальный однорядный подшипник. Резиновые уплотнения с каждой стороны подшипника. | 15.88 | 39.69 | 11.11 |
| 6203-2RS 5/8 | Шариковый радиальный однорядный подшипник. Резиновые уплотнения с каждой стороны подшипника. Distance Between Beginning Of The Rail And First Hole In MM. Средний предварительный натяг. | 15.88 | 40.00 | 12.00 |
| 6203-2Z/16 | Шариковый радиальный однорядный подшипник. Защитные металлические шайбы с обеих сторон подшипника. 01. | 16.00 | 40.00 | 12.00 |
| 6203-2Z 5/8 | Шариковый радиальный однорядный подшипник. Защитные металлические шайбы с обеих сторон подшипника. Distance Between Beginning Of The Rail And First Hole In MM. Средний предварительный натяг. | 15.88 | 40.00 | 12.00 |
| 180702-А | Шариковый радиальный однорядный подшипник. Повышенная грузоподъемность. | 15.00 | 40.00 | 12.00 |
Способы доставки
Отправка через ведущие транспортные и курьерские компании: ПЭК, Деловые Линии, СДЭК, Байкал-Сервис, Энергия, КИТ, ЖелДорЭкспедиция.
Самовывоз возможен напрямую со склада в Москве.
Сроки доставки
Срок зависит от региона и выбранной транспортной компании. Все заказы комплектуются и отправляются в кратчайшие сроки со склада в Москве.
Надёжность и сохранность
Вся продукция упаковывается с учётом требований транспортировки. Мы гарантируем, что подшипники и комплектующие прибудут к заказчику в полной сохранности.
Доставка в страны ЕАЭС
Мы работаем с проверенными логистическими партнёрами, что позволяет оперативно доставлять заказы в Беларусь, Казахстан, Армению и другие страны ЕАЭС.
Варианты оплаты:
Минимальная сумма заказа и скидки:
Документы и гарантии:
Да, конечно! Наши технические специалисты готовы помочь вам с подбором точного аналога или замены подшипника. Просто позвоните нам по телефону +7 (495) 104-99-04 или напишите на почту zakaz@podsnab.ru.
Для оперативной консультации подготовьте, пожалуйста, имеющиеся данные: маркировку, размеры, тип оборудования или артикул старого подшипника.
Да, конечно! Мы высоко ценим долгосрочное сотрудничество и доверие клиентов по всей России. Для постоянных клиентов действует персональная система скидок.
Условия формируются индивидуально и зависят от:
Чтобы узнать свои условия и получить максимально выгодное предложение, свяжитесь с персональным менеджером или напишите нам на почту zakaz@podsnab.ru.
Вы можете оформить заказ несколькими способами:
Для оформления заказа от юридического лица свяжитесь с нашим отделом по работе с корпоративными клиентами по телефону +7 (495) 104-99-04 или напишите на email zakaz@podsnab.ru, прикрепив реквизиты вашей организации.
Мы оперативно подготовим коммерческое предложение и выставим счет.
Возврат товара надлежащего качества возможен в течение 10 дней с момента получения, если товар не был в употреблении, сохранен товарный вид, упаковка не вскрывалась и присутствуют все сопроводительные документы.
Возврат денежных средств осуществляется в течение 10 рабочих дней после проверки товара складом.
В соответствии с законодательством возврату не подлежат подшипники надлежащего качества, если отсутствует оригинальная упаковка или имеются следы монтажа.
В случае выявления брака или гарантийного случая мы гарантируем возврат или обмен товара.
Да, гарантийный срок хранения устанавливается заводом-изготовителем и в среднем составляет 2 года при соблюдении условий хранения: сухое помещение, оригинальная упаковка и смазка.
Точный срок для конкретного типа подшипника уточняйте у наших менеджеров.
Пн–Пт: с 8:00 до 17:00 (МСК).
Сб–Вс: выходные дни.
Заказы на сайте принимаются круглосуточно. Заявки, поступившие после окончания рабочего дня, обрабатываются на следующий рабочий день.
Минимальная сумма заказа для доставки составляет 3000 рублей. Самовывоз со склада возможен на любую сумму при наличии товара.
ООО «УралТехГрупп»
ИНН: 7415093830
КПП: 772401001
ОГРН: 1167456069021
Банк: ПАО Сбербанк
Р/с: 40702810838000475273
К/с: 30101810400000000225
БИК: 044525225
У подшипника NL5 пока нет отзывов. Вы можете стать первым покупателем, поделившимся своим мнением.